2007 NISSAN TIIDA Service Repair Manual

Page 977 of 5883

NISSAN TIIDA 2007  Service Repair Manual DLK-388
< ECU DIAGNOSIS >[WITH I-KEY & SUPER LOCK]
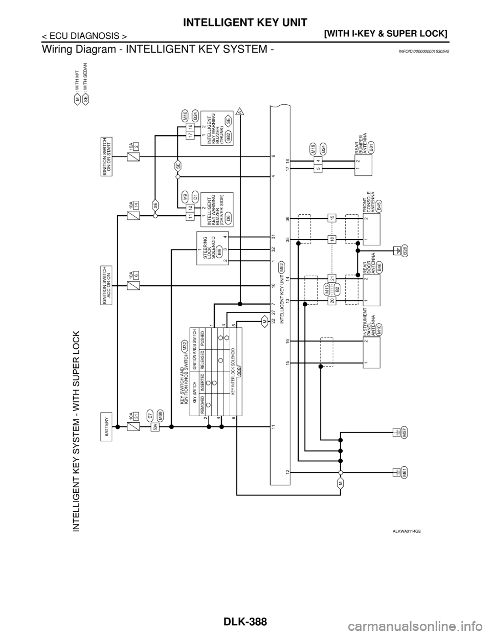
INTELLIGENT KEY UNIT
Wiring Diagram - INTELLIGENT KEY SYSTEM -
INFOID:0000000001530545
ALKWA0114GB

Page 978 of 5883

NISSAN TIIDA 2007  Service Repair Manual INTELLIGENT KEY UNIT
DLK-389
< ECU DIAGNOSIS >[WITH I-KEY & SUPER LOCK]
C
D
E
F
G
H
I
J
L
MA
B
DLK
N
O
P
ALKWA0115GB

Page 979 of 5883

NISSAN TIIDA 2007  Service Repair Manual DLK-390
< ECU DIAGNOSIS >[WITH I-KEY & SUPER LOCK]
INTELLIGENT KEY UNIT
ALKWA0116GB

Page 980 of 5883

NISSAN TIIDA 2007  Service Repair Manual INTELLIGENT KEY UNIT
DLK-391
< ECU DIAGNOSIS >[WITH I-KEY & SUPER LOCK]
C
D
E
F
G
H
I
J
L
MA
B
DLK
N
O
P
ALKWA0117GB

Page 981 of 5883

NISSAN TIIDA 2007  Service Repair Manual DLK-392
< ECU DIAGNOSIS >[WITH I-KEY & SUPER LOCK]
INTELLIGENT KEY UNIT
ALKIA1144GB

Page 982 of 5883

NISSAN TIIDA 2007  Service Repair Manual INTELLIGENT KEY UNIT
DLK-393
< ECU DIAGNOSIS >[WITH I-KEY & SUPER LOCK]
C
D
E
F
G
H
I
J
L
MA
B
DLK
N
O
P
ALKIA1145GB

Page 983 of 5883

NISSAN TIIDA 2007  Service Repair Manual DLK-394
< ECU DIAGNOSIS >[WITH I-KEY & SUPER LOCK]
INTELLIGENT KEY UNIT
ALKIA1146GB

Page 984 of 5883

NISSAN TIIDA 2007  Service Repair Manual INTELLIGENT KEY UNIT
DLK-395
< ECU DIAGNOSIS >[WITH I-KEY & SUPER LOCK]
C
D
E
F
G
H
I
J
L
MA
B
DLK
N
O
P
ALKIA1147GB