Page 4105 of 5598
PWC-20
< ECU DIAGNOSIS INFORMATION >
REAR POWER WINDOW SWITCH RH
REAR POWER WINDOW SWITCH RH
Reference Value INFOID:0000000006217278
TERMINAL LAYOUT
PHYSICAL VALUES
REAR POWER WINDOW SWITCH
JMKIA3330ZZ
Te r m i n a l N o .(wire color) Description
ConditionVoltage [V]
(Approx.)
+ - Signal name Input/
Output
3
(P) Ground Encoder ground — — 0
4
(Y) Ground Encoder power supply Output When ignition switch ON or pow-
er window timer operates
12
8
(W/R) Ground
Power window motor
UP signal Output
When power window motor is
operated UP 12
9
(R) Ground Power window motor
DOWN signal OutputWhen power window motor is
operated DOWN 12
10
(W) Ground Battery power supply Input — 12
11
(B) Ground Ground — — 0
12
(O) Ground Encoder pulse signal 1 Input When power window motor oper-
ates
JMKIA0070GB
Revision: 2010 May2011 QX56
Page 4106 of 5598

REAR POWER WINDOW SWITCH RHPWC-21
< ECU DIAGNOSIS INFORMATION >
C
DE
F
G H
I
J
L
M A
B
PWC
N
O P
Fail-safeINFOID:0000000006217279
FAIL-SAFE CONTROL
Switches to fail-safe control when malfunction is detected in encoder signal that detects up/down speed and
direction of door glass. Switches to fail-safe control w hen a signal that is out of the specified value is detected
between the fully closed position and the actual position of the glass.
If fail-safe control, the system changes to a non-in itialized condition and the following function do not operate.
Auto-up operation
Anti-pinch function
Retained power function
When fail-safe control is activated, perform initialization procedure to recover. If a malfunction is detected in
power window switch or more, fail-safe control is activated again.
15
(G) Ground Encoder pulse signal 2 Input When power window motor oper-
ates.
16
(V) Ground Power window serial link Input/
Output When ignition switch ON or pow-
er window timer operates
Te r m i n a l N o .
(wire color) Description
ConditionVoltage [V]
(Approx.)
+ - Signal name Input/
Output
JMKIA0070GB
JPMIA0013GB
Malfunction Malfunction condition
Pulse sensor malfunction When one pulse signal that is the specified value or more is detected continuously for the specified
time or more, while door glass is being operated UP or DOWN.
Both pulse sensors mal-
function When both pulse signals are not detected continuously for the specified time or more, while door
glass is being operated UP or DOWN.
Pulse direction malfunc-
tion When a pulse signal indicating that window is moving in the opposite direction against the power win-
dow motor is detected for the specified value or more, while door glass is being operated UP or
DOWN.
Glass recognition position
malfunction 1 When the actual door glass position that is out of specified value is detected compared to the door
glass fully closed position memorized in module, while door glass is being operated UP or DOWN.
Glass recognition position
malfunction 2 When pulse count that is out of the door glass full stroke value or more is detected, while door glass
is being operated UP or DOWN.
Revision: 2010 May2011 QX56
Page 4107 of 5598
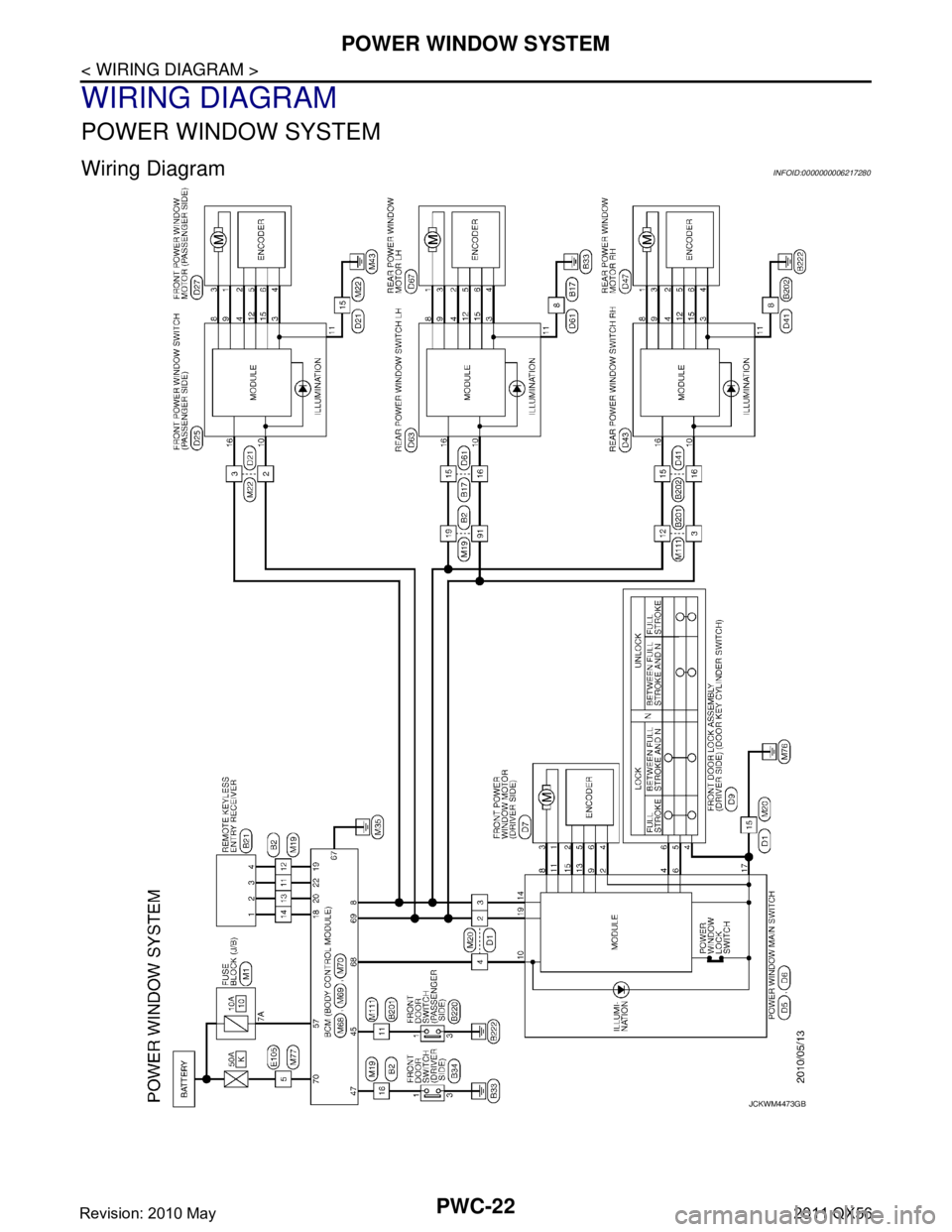
PWC-22
< WIRING DIAGRAM >
POWER WINDOW SYSTEM
WIRING DIAGRAM
POWER WINDOW SYSTEM
Wiring DiagramINFOID:0000000006217280
JCKWM4473GB
Revision: 2010 May2011 QX56
Page 4108 of 5598
POWER WINDOW SYSTEMPWC-23
< WIRING DIAGRAM >
C
DE
F
G H
I
J
L
M A
B
PWC
N
O P
JCKWM4474GB
Revision: 2010 May2011 QX56
Page 4109 of 5598
PWC-24
< WIRING DIAGRAM >
POWER WINDOW SYSTEM
JCKWM4475GB
Revision: 2010 May2011 QX56
Page 4110 of 5598
POWER WINDOW SYSTEMPWC-25
< WIRING DIAGRAM >
C
DE
F
G H
I
J
L
M A
B
PWC
N
O P
JCKWM4476GB
Revision: 2010 May2011 QX56
Page 4111 of 5598
PWC-26
< WIRING DIAGRAM >
POWER WINDOW SYSTEM
JCKWM4477GB
Revision: 2010 May2011 QX56
Page 4112 of 5598
POWER WINDOW SYSTEMPWC-27
< WIRING DIAGRAM >
C
DE
F
G H
I
J
L
M A
B
PWC
N
O P
JCKWM4478GB
Revision: 2010 May2011 QX56