Page 1945 of 3502
ASCD BRAKE SWITCH
EC-663
[VQ]
C
D
E
F
G
H
I
J
K
L
MA
EC
2. CHECK OVERALL FUNCTION-II
With CONSULT-II
Check “BRAKE SW2” indication in “DATA MONITOR” mode.
Without CONSULT-II
Check voltage between ECM terminal 101 and ground under the following conditions.
OK or NG
OK >>INSPECTION END.
NG >> GO TO 8.
CONDITION INDICATION
Brake pedal: Fully released OFF
Brake pedal: Slightly depressed ON
SEC013D
CONDITION VOLTAGE
Brake pedal: Fully released Approximately 0V
Brake pedal: Slightly depressed Battery voltage
MBIB0060E
Page 1946 of 3502
![NISSAN TEANA 2003 Service Manual EC-664
[VQ]
ASCD BRAKE SWITCH
3. CHECK ASCD BRAKE SWITCH POWER SUPPLY CIRCUIT
1. Turn ignition switch OFF.
2. Disconnect ASCD brake switch harness connector.
3. Turn ignition switch ON.
4. Check vol NISSAN TEANA 2003 Service Manual EC-664
[VQ]
ASCD BRAKE SWITCH
3. CHECK ASCD BRAKE SWITCH POWER SUPPLY CIRCUIT
1. Turn ignition switch OFF.
2. Disconnect ASCD brake switch harness connector.
3. Turn ignition switch ON.
4. Check vol](/manual-img/5/57392/w960_57392-1945.png)
EC-664
[VQ]
ASCD BRAKE SWITCH
3. CHECK ASCD BRAKE SWITCH POWER SUPPLY CIRCUIT
1. Turn ignition switch OFF.
2. Disconnect ASCD brake switch harness connector.
3. Turn ignition switch ON.
4. Check voltage between ASCD brake switch terminal 1 and
ground with CONSULT-II or tester.
OK or NG
OK >> GO TO 5.
NG >> GO TO 4.
4. DETECT MALFUNCTIONING PART
Check the following.
Fuse block (J/B) connector E201
10A fuse
Harness for open or short between ASCD brake switch and fuse
>> Repair open circuit or short to ground or short to power in harness or connectors.
5. CHECK ASCD BRAKE SWITCH INPUT SIGNAL CIRCUIT FOR OPEN AND SHORT
1. Turn ignition switch OFF.
2. Disconnect ECM harness connector.
3. Check harness continuity between ECM terminal 108 and ASCD brake switch terminal 2.
Refer to Wiring Diagram.
4. Also check harness for short to ground or short to power.
OK or NG
OK >> GO TO 7.
NG >> GO TO 6.
6. DETECT MALFUNCTIONING PART
Check the following.
Harness connectors E206, M13
Harness for open or short between ECM and ASCD brake switch
>> Repair open circuit or short to ground or short to power in harness or connectors.
PBIB2469E
Voltage: Battery voltage
PBIB0857E
Continuity should exist.
Page 1947 of 3502
![NISSAN TEANA 2003 Service Manual ASCD BRAKE SWITCH
EC-665
[VQ]
C
D
E
F
G
H
I
J
K
L
MA
EC
7. CHECK ASCD BRAKE SWITCH
Refer to EC-666, "
Component Inspection" .
OK or NG
OK >> GO TO 13.
NG >> Replace ASCD brake switch.
8. CHECK STOP NISSAN TEANA 2003 Service Manual ASCD BRAKE SWITCH
EC-665
[VQ]
C
D
E
F
G
H
I
J
K
L
MA
EC
7. CHECK ASCD BRAKE SWITCH
Refer to EC-666, "
Component Inspection" .
OK or NG
OK >> GO TO 13.
NG >> Replace ASCD brake switch.
8. CHECK STOP](/manual-img/5/57392/w960_57392-1946.png)
ASCD BRAKE SWITCH
EC-665
[VQ]
C
D
E
F
G
H
I
J
K
L
MA
EC
7. CHECK ASCD BRAKE SWITCH
Refer to EC-666, "
Component Inspection" .
OK or NG
OK >> GO TO 13.
NG >> Replace ASCD brake switch.
8. CHECK STOP LAMP SWITCH POWER SUPPLY CIRCUIT
1. Turn ignition switch OFF.
2. Disconnect stop lamp switch harness connector.
3. Check voltage between stop lamp switch terminal 3 and ground
with CONSULT -II or tester.
OK or NG
OK >> GO TO 10.
NG >> GO TO 9.
9. DETECT MALFUNCTIONING PART
Check the following.
Fuse block (J/B) connector E201
10A fuse
Harness for open or short between stop lamp switch and battery
>> Repair open circuit or short to ground or short to power in harness or connectors.
10. CHECK STOP LAMP SWITCH INPUT SIGNAL CIRCUIT FOR OPEN AND SHORT
1. Disconnect ECM harness connector.
2. Check harness continuity between ECM terminal 101 and stop lamp switch terminal 4.
Refer to Wiring Diagram.
3. Also check harness for short to ground and short to power.
OK or NG
OK >> GO TO 12.
NG >> GO TO 11.
PBIB2469E
Voltage: Battery voltage
PBIB2102E
Continuity should exist.
Page 1948 of 3502
![NISSAN TEANA 2003 Service Manual EC-666
[VQ]
ASCD BRAKE SWITCH
11 . DETECT MALFUNCTIONING PART
Check the following.
Harness connectors E206, M13
Harness for open or short between ECM and stop lamp switch
>> Repair open circuit o NISSAN TEANA 2003 Service Manual EC-666
[VQ]
ASCD BRAKE SWITCH
11 . DETECT MALFUNCTIONING PART
Check the following.
Harness connectors E206, M13
Harness for open or short between ECM and stop lamp switch
>> Repair open circuit o](/manual-img/5/57392/w960_57392-1947.png)
EC-666
[VQ]
ASCD BRAKE SWITCH
11 . DETECT MALFUNCTIONING PART
Check the following.
Harness connectors E206, M13
Harness for open or short between ECM and stop lamp switch
>> Repair open circuit or short to ground or short to power in harness or connectors.
12. CHECK STOP LAMP SWITCH
Refer to EC-666, "
Component Inspection" .
OK or NG
OK >> GO TO 13.
NG >> Replace stop lamp switch.
13. CHECK INTERMITTENT INCIDENT
Refer to EC-450, "
TROUBLE DIAGNOSIS FOR INTERMITTENT INCIDENT" .
>>INSPECTION END
Component InspectionBBS0057A
ASCD BRAKE SWITCH
1. Turn ignition switch OFF.
2. Disconnect ASCD brake switch harness connector.
3. Check continuity between ASCD brake switch terminals 1 and 2
under the following conditions.
If NG, adjust ASCD brake switch installation, refer to BR-6,
"BRAKE PEDAL" , and perform step 3 again.
STOP LAMP SWITCH
1. Turn ignition switch OFF.
2. Disconnect stop lamp switch harness connector.
3. Check continuity between stop lamp switch terminals 3 and 4
under the following conditions.
If NG, adjust stop lamp switch installation, refer to BR-6,
"BRAKE PEDAL" , and perform step 3 again.
Condition Continuity
Brake pedal: Fully released Should exist
Brake pedal: Slightly depressed Should not exist
SEC023D
Condition Continuity
Brake pedal: Fully released Should not exist
Brake pedal: Slightly depressed Should exist
PBIB2103E
Page 1949 of 3502
![NISSAN TEANA 2003 Service Manual ASCD INDICATOR
EC-667
[VQ]
C
D
E
F
G
H
I
J
K
L
MA
EC
ASCD INDICATORPFP:24814
Component DescriptionBBS0057B
ASCD indicator lamp illuminates to indicate ASCD operation status. Lamp has two indicators, NISSAN TEANA 2003 Service Manual ASCD INDICATOR
EC-667
[VQ]
C
D
E
F
G
H
I
J
K
L
MA
EC
ASCD INDICATORPFP:24814
Component DescriptionBBS0057B
ASCD indicator lamp illuminates to indicate ASCD operation status. Lamp has two indicators,](/manual-img/5/57392/w960_57392-1948.png)
ASCD INDICATOR
EC-667
[VQ]
C
D
E
F
G
H
I
J
K
L
MA
EC
ASCD INDICATORPFP:24814
Component DescriptionBBS0057B
ASCD indicator lamp illuminates to indicate ASCD operation status. Lamp has two indicators, CRUISE and
SET, and is integrated in combination meter.
CRUISE indicator illuminates when MAIN switch on ASCD steering switch is turned ON to indicate that ASCD
system is ready for operation.
SET indicator illuminates when following conditions are met.
CRUISE indicator is illuminated.
SET/COAST switch on ASCD steering switch is turned ON while vehicle speed is within the range of
ASCD setting.
SET indicator remains lit during ASCD control.
Refer to EC-363, "
AUTOMATIC SPEED CONTROL DEVICE (ASCD)" for the ASCD function.
CONSULT-II Reference Value in Data Monitor ModeBBS0057C
Specification data are reference value.
MONITOR ITEM CONDITION SPECIFICATION
CRUISE LAMP
Ignition switch: ONMAIN switch: Pressed at the 1st time
→ at the 2nd timeON → OFF
SET LAMP
MAIN switch: ON
Vehicle speed: Between 40 km/h
(25 MPH) and 144 km/h (89 MPH)SET/COAST switch: Pressed ON
SET/COAST switch: Released OFF
Page 1950 of 3502
EC-668
[VQ]
ASCD INDICATOR
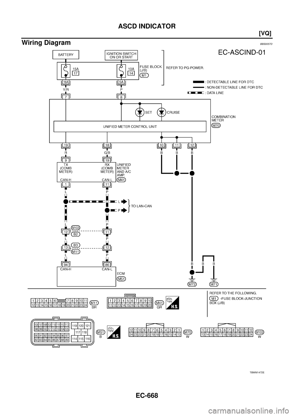
Wiring DiagramBBS0057D
TBWM1472E
Page 1951 of 3502
ASCD INDICATOR
EC-669
[VQ]
C
D
E
F
G
H
I
J
K
L
MA
EC
Diagnostic ProcedureBBS0057E
1. CHECK OVERALL FUNCTION
Check ASCD indicator under the following conditions.
OK or NG
OK >>INSPECTION END
NG >> GO TO 2.
2. CHECK DTC
Check that DTC U1000 or U1001 is not displayed.
OK or NG
OK >> GO TO 3.
NG >> Perform trouble diagnoses for DTC U1000, U1001. Refer to EC-458, "
DTC U1000, U1001 CAN
COMMUNICATION LINE" .
3. CHECK DTC WITH “UNIFIED METER AND A/C AMP.”
Refer to DI-29, "
SELF-DIAGNOSTIC RESULTS" .
OK or NG
OK >> GO TO 4.
NG >> Go to DI-32, "
DTC [B2202] Meter Communication Circuit" .
4. CHECK INTERMITTENT INCIDENT
Refer to EC-450, "
TROUBLE DIAGNOSIS FOR INTERMITTENT INCIDENT" .
>>INSPECTION END
MONITOR ITEM CONDITION SPECIFICATION
CRUISE LAMP
Ignition switch: ONMAIN switch: Pressed at the 1st time
→ at the 2nd timeON → OFF
SET LAMP
MAIN switch: ON
Vehicle speed: Between 40 am/h
(25 MPH) and 144 km/h (89 MPH)SET/COAST switch: Pressed ON
SET/COAST switch: Released OFF
Page 1952 of 3502
![NISSAN TEANA 2003 Service Manual EC-670
[VQ]
ELECTRICAL LOAD SIGNAL
ELECTRICAL LOAD SIGNALPFP:25350
DescriptionBBS00573
The electrical load signal (Headlamp switch signal, rear window defogger switch signal, etc.) is transferred
th NISSAN TEANA 2003 Service Manual EC-670
[VQ]
ELECTRICAL LOAD SIGNAL
ELECTRICAL LOAD SIGNALPFP:25350
DescriptionBBS00573
The electrical load signal (Headlamp switch signal, rear window defogger switch signal, etc.) is transferred
th](/manual-img/5/57392/w960_57392-1951.png)
EC-670
[VQ]
ELECTRICAL LOAD SIGNAL
ELECTRICAL LOAD SIGNALPFP:25350
DescriptionBBS00573
The electrical load signal (Headlamp switch signal, rear window defogger switch signal, etc.) is transferred
through the CAN communication line from BCM to ECM via IPDM E/R.
CONSULT-II Reference Value in Data Monitor ModeBBS00574
Specification data are reference values.
Diagnostic ProcedureBBS00575
1. CHECK LOAD SIGNAL CIRCUIT OVERALL FUNCTION-I
1. Turn ignition switch ON.
2. Connect CONSULT-II and select “DATA MONITOR” mode.
3. Select “LOAD SIGNAL” and check indication under the following
conditions.
OK or NG
OK >> GO TO 2.
NG >> GO TO 4.
2. CHECK LOAD SIGNAL CIRCUIT OVERALL FUNCTION-II
Check “LOAD SIGNAL” indication under the following conditions.
OK or NG
OK >> GO TO 3.
NG >> GO TO 5.
MONITOR ITEM CONDITION SPECIFICATION
LOAD SIGNAL
Ignition switch: ONRear window defogger switch is ON and/or
lighting switch is 2nd.ON
Rear window defogger switch is OFF and light-
ing switch is OFF.OFF
HEATER FAN SW
Engine: After warming up,
idle the engineHeater fan: Operating ON
Heater fan: Not operating OFF
Condition Indication
Rear window defogger switch: ON ON
Rear window defogger switch: OFF OFF
PBIB0103E
Condition Indication
Lighting switch: 2nd position ON
Lighting switch: OFF OFF
PBIB0103E