Page 1521 of 3502
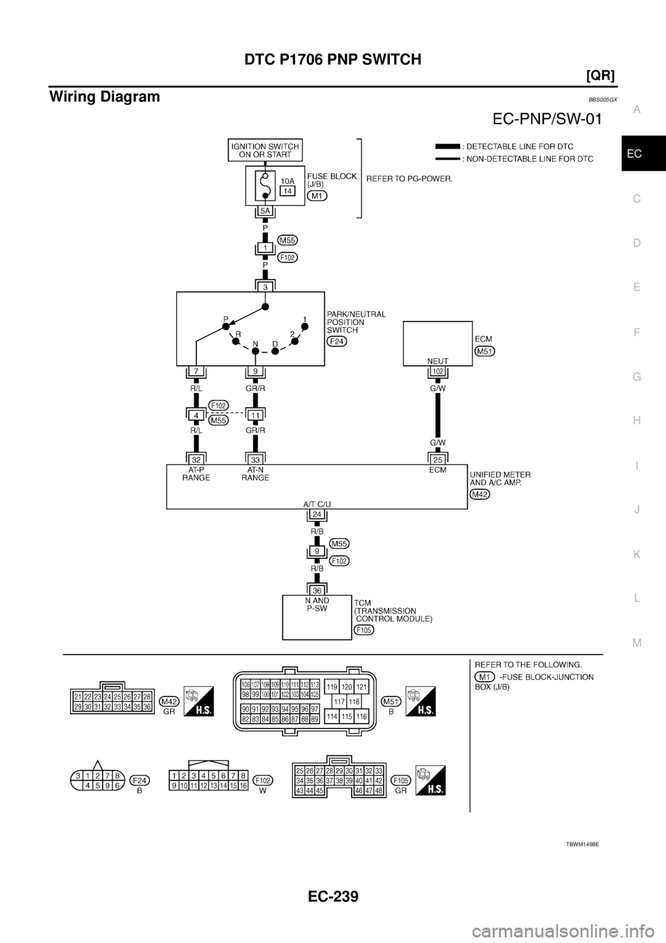
DTC P1706 PNP SWITCH
EC-239
[QR]
C
D
E
F
G
H
I
J
K
L
MA
EC
Wiring DiagramBBS005GX
TBWM1498E
Page 1522 of 3502
![NISSAN TEANA 2003 Service Manual EC-240
[QR]
DTC P1706 PNP SWITCH
Specification data are reference values and are measured between each terminal and ground.
CAUTION:
Do not use ECM ground terminals when measuring input/output volta NISSAN TEANA 2003 Service Manual EC-240
[QR]
DTC P1706 PNP SWITCH
Specification data are reference values and are measured between each terminal and ground.
CAUTION:
Do not use ECM ground terminals when measuring input/output volta](/manual-img/5/57392/w960_57392-1521.png)
EC-240
[QR]
DTC P1706 PNP SWITCH
Specification data are reference values and are measured between each terminal and ground.
CAUTION:
Do not use ECM ground terminals when measuring input/output voltage. Doing so may result in dam-
age to the ECM's transistor. Use a ground other than ECM terminals, such as the ground.
Diagnostic ProcedureBBS005GY
1. CHECK PNP SWITCH INPUT SIGNAL CIRCUIT FOR OPEN AND SHORT-I
1. Turn ignition switch OFF.
2. Disconnect “unified meter and A/C amp.” harness connector M42.
3. Turn ignition switch ON.
4. Check voltage between “unified meter and A/C amp.” terminals
32, 33 and ground with CONSULT-II or tester under the follow-
ing conditions.
OK or NG
OK >> GO TO 8.
NG >> GO TO 2.
2. CHECK PNP SWITCH POWER SUPPLY CIRCUIT
1. Turn ignition switch OFF.
2. Disconnect PNP switch harness connector.
3. Turn ignition switch ON.
4. Check voltage between PNP switch terminal 3 and ground with
CONSULT-II or tester.
OK or NG
OK >> GO TO 4.
NG >> GO TO 3.
TERMI-
NAL
NO.WIRE
COLORITEM CONDITION DATA (DC Voltage)
102 G/W PNP switch[Ignition switch: ON]
Shift lever: P or NApproximately 0V
[Ignition switch: ON]
Except above positionBATTERY VOLTAGE
(11 - 14V)
Condition (Shift position)Voltage
Te r m i n a l 3 2 Te r m i n a l 3 3
P positionBATTERY VOLTAGE
(11 - 14V)Approximately 0 V
N position Approximately 0 VBATTERY VOLTAGE
(11 - 14V)
Except the above position Approximately 0 V Approximately 0 V
PBIB1675E
Voltage: Battery voltage
PBIB1881E
Page 1523 of 3502
![NISSAN TEANA 2003 Service Manual DTC P1706 PNP SWITCH
EC-241
[QR]
C
D
E
F
G
H
I
J
K
L
MA
EC
3. DETECT MALFUNCTIONING PART
Check the following.
Harness connectors M55, F102
Fuse block (J/B) connector M1
10A fuse
Harness for open NISSAN TEANA 2003 Service Manual DTC P1706 PNP SWITCH
EC-241
[QR]
C
D
E
F
G
H
I
J
K
L
MA
EC
3. DETECT MALFUNCTIONING PART
Check the following.
Harness connectors M55, F102
Fuse block (J/B) connector M1
10A fuse
Harness for open](/manual-img/5/57392/w960_57392-1522.png)
DTC P1706 PNP SWITCH
EC-241
[QR]
C
D
E
F
G
H
I
J
K
L
MA
EC
3. DETECT MALFUNCTIONING PART
Check the following.
Harness connectors M55, F102
Fuse block (J/B) connector M1
10A fuse
Harness for open or short between PNP switch and fuse
>> Repair open circuit or short to ground or short to power in harness or connectors.
4. CHECK PNP SWITCH INPUT SIGNAL CIRCUIT FOR OPEN AND SHORT-I
1. Turn ignition switch OFF.
2. Check harness continuity between PNP switch terminal 7 and “unified meter and A/C amp.” terminal 32,
PNP switch terminal 9 and “unified meter and A/C amp.” terminal 33.
Refer to Wiring Diagram.
3. Also check harness for short to ground and short to power.
OK or NG
OK >> GO TO 6.
NG >> GO TO 5.
5. DETECT MALFUNCTIONING PART
Check the following.
Harness connectors F102, M55
Harness for open or short between PNP switch and “unified meter and A/C amp.”
>> Repair open circuit or short to ground or short to power in harness or connectors.
6. CHECK PNP SWITCH
Refer to AT- 1 6 6 , "
Component Inspection" .
OK or NG
OK >> GO TO 7.
NG >> Replace PNP switch.
7. CHECK INTERMITTENT INCIDENT
Refer to EC-105, "
TROUBLE DIAGNOSIS FOR INTERMITTENT INCIDENT" .
>>INSPECTION END
8. CHECK PNP SWITCH INPUT SIGNAL CIRCUIT FOR OPEN AND SHORT-II
1. Turn ignition switch OFF.
2. Disconnect ECM harness connector.
3. Check harness continuity between ECM terminal 102 and “unified meter and A/C amp.” terminal 25.
Refer to Wiring Diagram.
4. Also check harness for short to ground and short to power.
OK or NG
OK >> GO TO 9.
NG >> Repair open circuit or short to ground or short to power in harness or connectors.Continuity should exist.
Continuity should exist.
Page 1524 of 3502
EC-242
[QR]
DTC P1706 PNP SWITCH
9. CHECK INTERMITTENT INCIDENT
Refer to EC-105, "
TROUBLE DIAGNOSIS FOR INTERMITTENT INCIDENT" .
OK or NG
OK >> GO TO 10.
NG >> Repair or replace.
10. REPLACE UNIFIED METER AND A/C AMP.
Refer to DI-27, "
UNIFIED METER AND A/C AMP" .
>>INSPECTION END
Page 1525 of 3502
![NISSAN TEANA 2003 Service Manual DTC P1720 VSS
EC-243
[QR]
C
D
E
F
G
H
I
J
K
L
MA
EC
DTC P1720 VSSPFP:31036
DescriptionBBS005GZ
NOTE:
If DTC P1720 is displayed with DTC U1000 or U1001, first perform the trouble diagnosis for DTC U1 NISSAN TEANA 2003 Service Manual DTC P1720 VSS
EC-243
[QR]
C
D
E
F
G
H
I
J
K
L
MA
EC
DTC P1720 VSSPFP:31036
DescriptionBBS005GZ
NOTE:
If DTC P1720 is displayed with DTC U1000 or U1001, first perform the trouble diagnosis for DTC U1](/manual-img/5/57392/w960_57392-1524.png)
DTC P1720 VSS
EC-243
[QR]
C
D
E
F
G
H
I
J
K
L
MA
EC
DTC P1720 VSSPFP:31036
DescriptionBBS005GZ
NOTE:
If DTC P1720 is displayed with DTC U1000 or U1001, first perform the trouble diagnosis for DTC U1000,
U1001. Refer to EC-113, "
DTC U1000, U1001 CAN COMMUNICATION LINE" .
ECM receives two vehicle speed sensor signals via CAN communication line. One is sent from “Unified meter
and A/C amp.”, and the other is from TCM (Transmission control module). ECM uses these two signals for
engine control.
CONSULT-II Reference Value in Data Monitor ModeBBS005H0
Specification data are reference values.
On Board Diagnosis LogicBBS005H1
The MI will not light up for this diagnosis.
DTC Confirmation ProcedureBBS005H2
CAUTION:
Always drive vehicle at a safe speed.
NOTE:
If DTC Confirmation Procedure has been previously conducted, always turn ignition switch OFF and wait at
least 10 seconds before conducting the next test.
WITH CONSULT-II
1. Turn ignition switch ON.
2. Select “DATA MONITOR” mode with CONSULT-II.
3. Start engine.
4. Drive vehicle at a speed of 20 km/h (12 MPH) or more for at
least 5 seconds without brake pedal depressing.
5. If 1st trip DTC is detected, go to EC-244, "
Diagnostic Procedure"
.
WITHOUT CONSULT-II
1. Start engine.
2. Drive vehicle at a speed of 20 km/h (12 MPH) or more for at least 5 seconds without brake pedal depress-
ing.
3. Stop the vehicle.
MONITOR ITEM CONDITION SPECIFICATION
VEHICLE SPEED
Turn drive wheels and compare CONSULT-II value with the speedome-
ter indication.Almost the same speed as the
speedometer indication
DTC No. Trouble diagnosis name DTC detecting condition Possible cause
P1720
1720Vehicle speed sensor
(A/T output)ECM detects a difference between two
vehicle speed sensor signals is out of the
specified range.
Harness or connectors
(The CAN communication line is open or
shorted)
Harness or connectors
(Revolution sensor circuit is open or shorted)
Harness or connectors
(Wheel sensor circuit is open or shorted.)
TCM
ABS actuator and electric unit (control unit)
Unified meter and A/C amp.
SEF058Y
Page 1526 of 3502
EC-244
[QR]
DTC P1720 VSS
4. Turn ignition switch OFF, wait at least 10 seconds and then turn ON.
5. Perform Diagnostic Test Mode II (Self-diagnostic results) with ECM.
6. If 1st trip DTC is detected, go to EC-244, "
Diagnostic Procedure" .
Diagnostic ProcedureBBS005H3
1. CHECK DTC WITH TCM
Check DTC with TCM. Refer to AT- 3 4 , "
TROUBLE DIAGNOSIS" .
OK or NG
OK >> GO TO 2.
NG >> Perform trouble shooting relevant to DTC indicated.
2. CHECK DTC WITH “ABS ACTUATOR AND ELECTRIC UNIT (CONTROL UNIT)”
Check DTC with “ABS actuator and electric unit (control unit)”. Refer to BRC-8, "
TROUBLE DIAGNOSIS" .
OK or NG
OK >> GO TO 3.
NG >> Perform trouble shooting relevant to DTC indicated.
3. CHECK COMBINATION METER
Check combination meter function. Refer to DI-4, "
COMBINATION METERS" .
>>INSPECTION END
Page 1527 of 3502
![NISSAN TEANA 2003 Service Manual DTC P1805 BRAKE SWITCH
EC-245
[QR]
C
D
E
F
G
H
I
J
K
L
MA
EC
DTC P1805 BRAKE SWITCHPFP:25320
DescriptionBBS005H4
Brake switch signal is applied to the ECM through the stop lamp switch when the brake NISSAN TEANA 2003 Service Manual DTC P1805 BRAKE SWITCH
EC-245
[QR]
C
D
E
F
G
H
I
J
K
L
MA
EC
DTC P1805 BRAKE SWITCHPFP:25320
DescriptionBBS005H4
Brake switch signal is applied to the ECM through the stop lamp switch when the brake](/manual-img/5/57392/w960_57392-1526.png)
DTC P1805 BRAKE SWITCH
EC-245
[QR]
C
D
E
F
G
H
I
J
K
L
MA
EC
DTC P1805 BRAKE SWITCHPFP:25320
DescriptionBBS005H4
Brake switch signal is applied to the ECM through the stop lamp switch when the brake pedal is depressed.
This signal is used mainly to decrease the engine speed when the vehicle is driving.
CONSULT-II Reference Value in Data Monitor ModeBBS005H5
Specification data are reference values.
On Board Diagnosis LogicBBS005H6
This self-diagnosis has the one trip detection logic.
FAIL-SAFE MODE
When the malfunction is detected, the ECM enters fail-safe mode and the MI lights up.
DTC Confirmation ProcedureBBS005H7
WITH CONSULT-II
1. Turn ignition switch ON.
2. Fully depress the brake pedal for at least 5 seconds.
3. Erase the DTC with CONSULT-II.
4. Select “DATA MONITOR” mode with CONSULT-II.
5. If DTC is detected, go to EC-248, "
Diagnostic Procedure" .
MONITOR ITEM CONDITION SPECIFICATION
BRAKE SW
Ignition switch: ONBrake pedal: Fully released OFF
Brake pedal: Slightly depressed ON
DTC No. Trouble diagnosis name DTC detecting condition Possible cause
P1805
1805Brake switchA brake switch signal is not sent to ECM for
extremely long time while the vehicle is driv-
ing.
Harness or connectors
(Stop lamp switch circuit is open or shorted.)
Stop lamp switch
Engine operating condition in fail-safe mode
ECM controls the electric throttle control actuator by regulating the throttle opening to a small range.
Therefore, acceleration will be poor.
Vehicle condition Driving condition
When engine is idling Normal
When accelerating Poor acceleration
PBIB1952E
Page 1528 of 3502
EC-246
[QR]
DTC P1805 BRAKE SWITCH
WITHOUT CONSULT-II
1. Turn ignition switch ON.
2. Fully depress the brake pedal at least 5 seconds.
3. Erase the Diagnostic Test Mode II (Self-diagnostic results) memory. Refer to EC-38, "
How to Erase Diag-
nostic Test Mode II (Self-Diagnostic Results)" .
4. Turn ignition switch OFF, wait at least 10 seconds and then turn ON.
5. Perform Diagnostic Test Mode II (Self-diagnostic results) with ECM.
6. If DTC is detected, go to EC-248, "
Diagnostic Procedure" .