2008 NISSAN TEANA Service Manual

Page 1833 of 5121

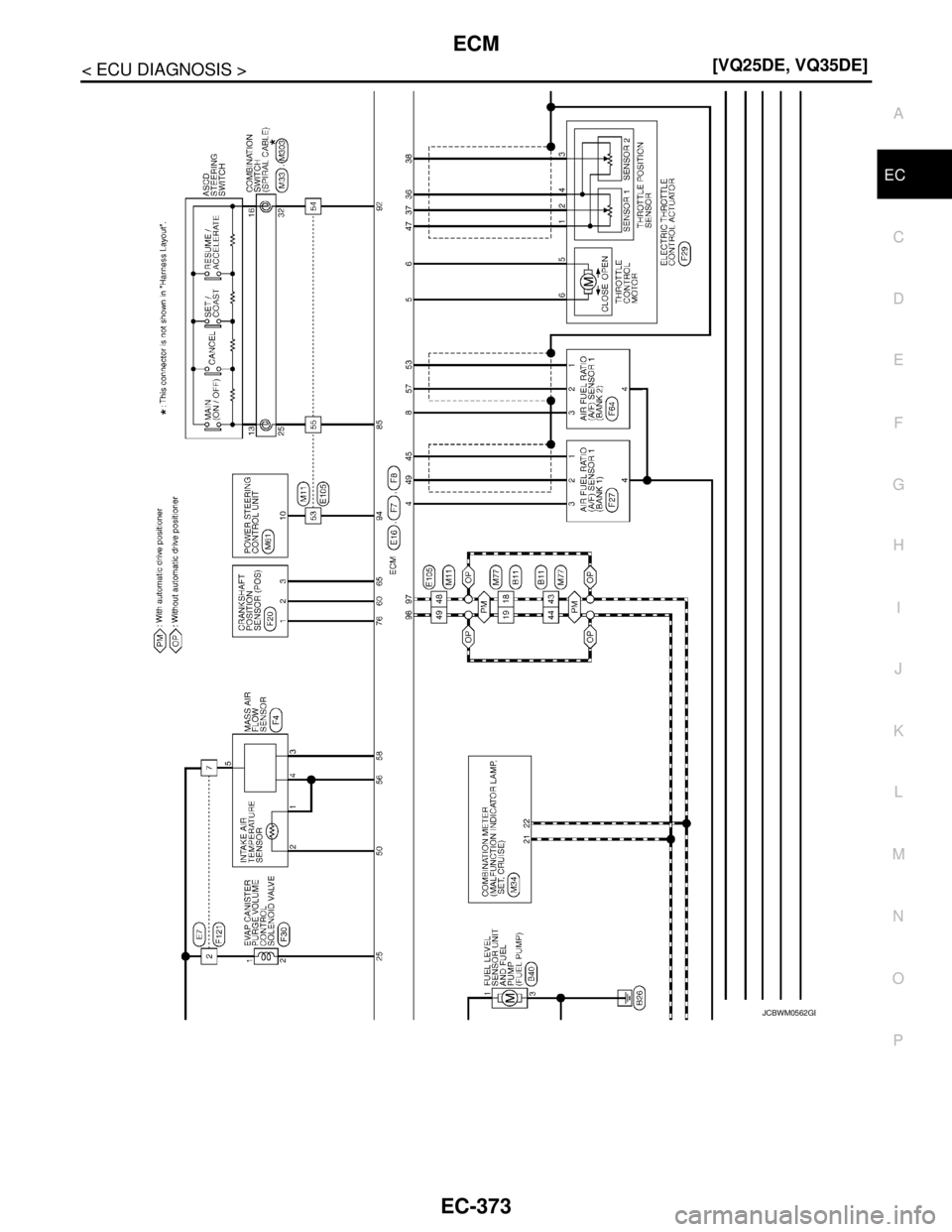
NISSAN TEANA 2008  Service Manual EC-372
< ECU DIAGNOSIS >[VQ25DE, VQ35DE]
ECM
JCBWM0561GB

Page 1834 of 5121

NISSAN TEANA 2008  Service Manual ECM
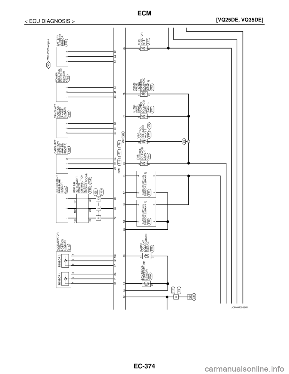
EC-373
< ECU DIAGNOSIS >[VQ25DE, VQ35DE]
C
D
E
F
G
H
I
J
K
L
MA
EC
N
P O
JCBWM0562GB

Page 1835 of 5121

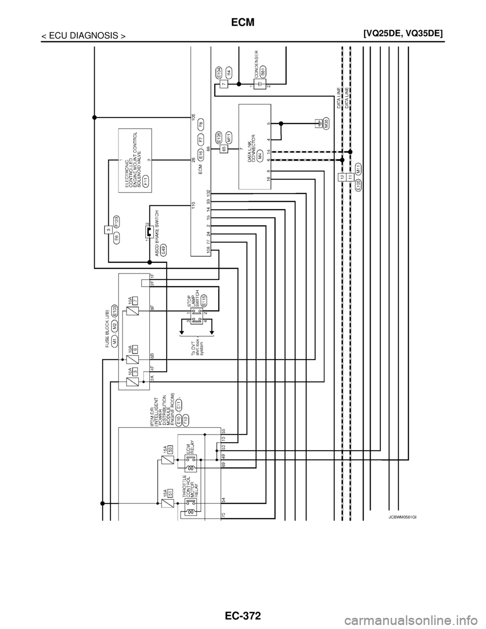
NISSAN TEANA 2008  Service Manual EC-374
< ECU DIAGNOSIS >[VQ25DE, VQ35DE]
ECM
JCBWM0563GB

Page 1836 of 5121

NISSAN TEANA 2008  Service Manual ECM
EC-375
< ECU DIAGNOSIS >[VQ25DE, VQ35DE]
C
D
E
F
G
H
I
J
K
L
MA
EC
N
P O
JCBWM0564GB

Page 1837 of 5121

NISSAN TEANA 2008  Service Manual EC-376
< ECU DIAGNOSIS >[VQ25DE, VQ35DE]
ECM
JCBWM0565GB

Page 1838 of 5121

NISSAN TEANA 2008  Service Manual ECM
EC-377
< ECU DIAGNOSIS >[VQ25DE, VQ35DE]
C
D
E
F
G
H
I
J
K
L
MA
EC
N
P O
JCBWM0566GB

Page 1839 of 5121

NISSAN TEANA 2008  Service Manual EC-378
< ECU DIAGNOSIS >[VQ25DE, VQ35DE]
ECM
JCBWM0567GB

Page 1840 of 5121

NISSAN TEANA 2008  Service Manual ECM
EC-379
< ECU DIAGNOSIS >[VQ25DE, VQ35DE]
C
D
E
F
G
H
I
J
K
L
MA
EC
N
P O
JCBWM0568GB