2005 INFINITI FX35 Service Manual

Page 705 of 4731

INFINITI FX35 2005  Service Manual AV-106
NAVIGATION SYSTEM
Revision: 2005 July 2005 FX
Wiring Diagram —NAVI—AKS007IT
TKWM2084E

Page 706 of 4731

INFINITI FX35 2005  Service Manual NAVIGATION SYSTEM AV-107
C 
D  E 
F 
G  H 
I 
J 
L 
M  A 
B
AV 
Revision: 2005 July  2005 FX
TKWM2085E

Page 707 of 4731

INFINITI FX35 2005  Service Manual AV-108
NAVIGATION SYSTEM
Revision: 2005 July 2005 FX
TKWH0268E

Page 708 of 4731

INFINITI FX35 2005  Service Manual NAVIGATION SYSTEM AV-109
C 
D  E 
F 
G  H 
I 
J 
L 
M  A 
B
AV 
Revision: 2005 July  2005 FX
TKWM0810E

Page 709 of 4731

INFINITI FX35 2005  Service Manual AV-110
NAVIGATION SYSTEM
Revision: 2005 July 2005 FX
TKWM0575E

Page 710 of 4731

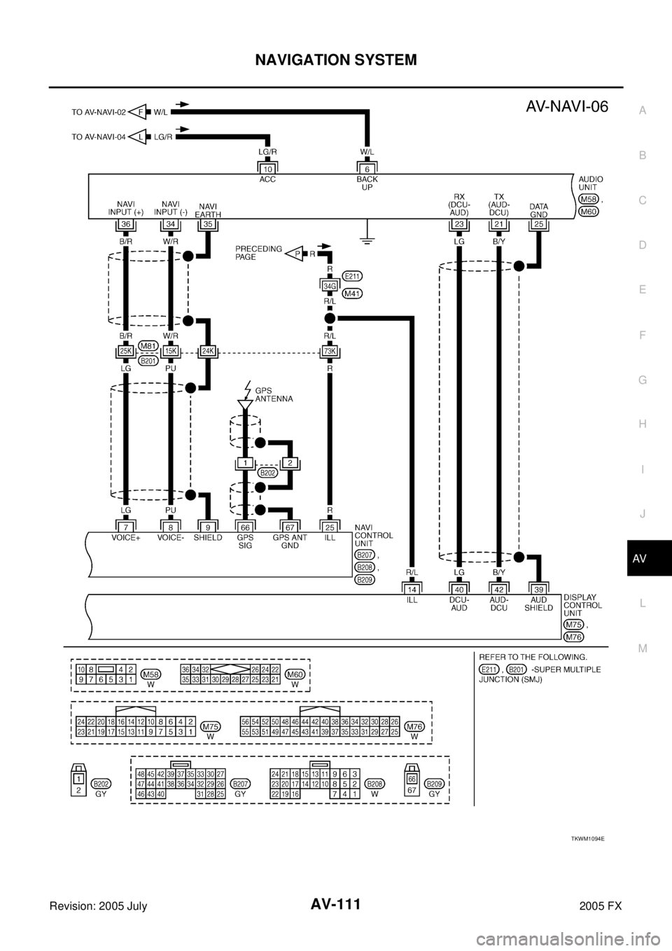
INFINITI FX35 2005  Service Manual NAVIGATION SYSTEM AV-111
C 
D  E 
F 
G  H 
I 
J 
L 
M  A 
B
AV 
Revision: 2005 July  2005 FX
TKWM1094E

Page 711 of 4731

INFINITI FX35 2005  Service Manual AV-112
NAVIGATION SYSTEM
Revision: 2005 July 2005 FX
TKWM2086E

Page 712 of 4731

INFINITI FX35 2005  Service Manual NAVIGATION SYSTEM AV-113
C 
D  E 
F 
G  H 
I 
J 
L 
M  A 
B
AV 
Revision: 2005 July  2005 FX
Schematic — COMM —AKS00812
TKWM2087E