Page 657 of 4731

AV-58
INTEGRATED DISPLAY SYSTEM
Revision: 2005 July 2005 FX
DRIVE COMPUTER
Refer to Owner′s Manual for drive computer operating instructions.
TRIP Switch
When “TRIP” switch is pressed, display TRIP screen. As TRIP infor-
mation, it indicates journey time (TIME), trip odometer (DIST), aver-
age vehicle speed (AVG).
Pressing “TRIP” switch once cycles display from TRIP 1 →TRIP
2 → Display OFF →TRIP 1.
“TIME”
Journey time indication is performed by reset or battery connec-
tion.
When pushing “TRIP RESET” or “TRIP” switch more than
approximately 1.5 seconds, journey time will be reset.
If journey time is reset, journey distance and average speed will
be reset at the same time.
“DIST”
Trip odometer indication is performed by vehicle speed signal.
When pushing “TRIP RESET” or “TRIP” switch more than approximately 1.5 seconds, driving distance will
be reset.
If trip odometer is reset, journey time and average speed will be reset at the same time.
“AVG”
Average speed indication is performed by running distance and running time.
Indication will be renewed every 30 seconds.
When pushing “TRIP RESET” or “TRIP” switch more than approximately 1.5 seconds, average speed will
be reset.
After reset operation, the displays shows “ ” for 30 seconds.
FUEL ECON Switch
When “FUEL ECON” switch is pressed, display FUEL ECON screen.
As FUEL ECON information, it indicates average fuel consumption
(AVG), distance to empty (DTE).
Pressing “FUEL ECON” switch once cycles display from FUEL
ECON →Display OFF →FUEL ECON.
“AVG” (Average Fuel Consumption)
Average fuel consumption indication is performed by fuel con-
sumption signal and vehicle speed signal after system is reset.
Indication will be renewed every 30 seconds.
When pushing “TRIP RESET” or “FUEL ECON” switch more
than approximately 1.5 seconds, average fuel economy will be
reset.
After reset operation, the display shows “ . ” until the vehicle is driven 500 m (1,600 ft.) or 30 seconds
has passed.
“DTE” (Distance to Empty)
Distance to empty receives via CAN communication and indicates values calculated by meter.
Display range is max 999 miles (max 999 km).
If low-fuel WARNING is received from meter via CAN communication, distance to empty indication will be
“”.
Indication will be renewed every 30 seconds.
SKIA5916E
SKIA5917E
Page 658 of 4731

INTEGRATED DISPLAY SYSTEM AV-59
C
D E
F
G H
I
J
L
M A
B
AV
Revision: 2005 July 2005 FX
MAINT Switch (Maintenance Switch)
When “MAINT” switch is pressed, display vehicle information screen. As vehicle information, it indicates
engine oil, tire rotation, tire pressure.
Pressing “MAINT” switch once cycles display from engine oil →tire rotation →tire pressure →display
OFF →engine oil.
Engine Oil and Tire Rotation
Operating the joystick left/right, replace distance can be set.
When journey distance is the same as replace distance, alert is
displayed. (SERVICE ALERT setting is ON.)
Selected replace distance is 0 - 7,500 miles (0 - 12,000 km) in
increments of 500 mile (800 km).
Press and hold “TRIP RESET or MAINT” switch for 1.5 seconds
or longer, reset present journey distance.
During driving, cannot change settings.
Tire Pressure
Tire pressure signal is received from BCM through CAN commu-
nication line.
Tire pressure is displayed.
When FLAT TIRE signal is received from BCM, “FLAT TIRE” is
displayed.
E/M SWITCH
When “E/M” (English/Metric) switch is pressed, change the unit as followings.
SKIA5918E
SKIA5919E
Unit US Mile,
°F, M P G
Metric km, °C, l/100km
Page 659 of 4731

AV-60
INTEGRATED DISPLAY SYSTEM
Revision: 2005 July 2005 FX
SETTING SCREEN
Setting of electric status can be changed by A/C and AV switch. The signal is sent to BCM through display
unit to change vehicle electric system setting.
Display unit is communicating with driver seat control unit.
Pressing “SETTING” switch once cycles display from DISPLAY →LANGUAGE →BEEP SET →SERVICE
ALERT →PERSONALIZED SETTINGS MENU →DISPLAY OFF →DISPLAY.
Using the joystick, setting of each item will become possible.
Adjustable Vehicle Status
NOTE:
Setting in factory shipment is ON. Setting items
Setting
variations Initial
setting Operation
DISPLAY ON/OFF ON It switches displayed/Non-displayed of the screen.
LANGUAGE ENGLISH/
FRANCAIS – It switches displayed language.
BEEP SET ON/OFF ON It selects beep sound ON/OFF during switch operation. How-
ever, even if beep is set OFF, beep for NO OPERATION and
for screen interception are not reset.
SERVICE ALERT ON/OFF OFF It switches displayed/Non-displayed of alert indication.
When the setting is ON, if engine oil or tire rotation will be
replace distance, alert is displayed.
When the setting is OFF, alert is not displayed.
PERSONALIZED
SETTING MENU SLIDE BACK DR
SEAT ON EXIT ON/OFF
ON
NOTEThe driver’s seat automatically moves back and returns to the
original position for exceptional ease of exit and entry. (Models
with automatic drive positioner.)
LIFT STEERING
WHEEL ON EXIT ON/OFF
ON
NOTEThe steering column automatically tilts up and returns to the
original position for exceptional ease of entry and exit. (Models
with automatic drive positioner.)
REMOTE UNLOCK
DOOR LOGIC DR-1ST/ALL DR-1ST This key can switch the unlock doors of the 1st unlocking oper-
ation as follows:
Only the driver side door ⇔All the doors
HORN CHIRP
WITH REMOTE ON/OFF ON This key changes the horn chirp mode occurring when pressing
the LOCK button on the keyfob.
LAMPS FLASH
WITH REMOTE ALL/LOCK/
UNLOCK/OFF ALLThis key changes the hazard indicator flash mode occurring
when pressing the LOCK or UNLOCK button on the keyfob.
AUTO RE-LOCK
TIME 5m/1m/OFF 1m The length of auto door re-lock time can be set. Select the
“Auto Re-Lock timer” key, then move the joystick to adjust the
time.
AUTO HEADLAMP
SENSITIVITY LEVEL 1/2/3/4 LEVEL 2 Automatic light illumination can be set as desired. Select the
“Auto Headlamp Sensitivity” key, then move the joystick to the
left (lower) or right (higher).
AUTO HEADLAMP
OFF DELAY OFF/30/45/60/
90/120/150/ 180 SEC 45 SEC This key can control how long it takes the automatic turn off
timer to extinguish the headlamps in “AUTO” position. Select
the “Auto Headlamp Off Delay” key, then move the joystick to
the left or right to adjust the timer.
SPEED SENSING
WIPER INTERVAL ON/OFF ON This key turns on and off the driving speed dependent intermit-
tent wiper function.
CONFIRM RESET
SETTINGS YES/NO NO When this key is selected and turned on using the “ENTER”
button, all settings mode by PERSONALIZED SETTINGS will
return to the initial conditions.
Page 660 of 4731

INTEGRATED DISPLAY SYSTEM AV-61
C
D E
F
G H
I
J
L
M A
B
AV
Revision: 2005 July 2005 FX
D/N SCREEN
Turning on “DAY/NIGHT” switch, DAY MODE or NIGHT MODE
is indicated for present mode.
If press “DAY/NIGHT” again when display adjustment lumi-
nance, change DAY-NIGHT (NIGHT-DAY) mode (screen of
adjustment luminance).
As follows:
Press “PREV” or not operate for 10sec. when displayed screen
of adjustment luminance, back to default screen (same mode).
Can adjust luminance by “DISP” switch. Light can be adjusted by pressing “+” (bright) or “–” (dark).
Adjustment range is a 12 stage (MIN to MAX) and default set value is 10 (DAY) and 4 (NIGHT).
WARNING INDICATIONS
When BCM receives warning signal from some control units or sensors, then combination meter warning lamp
is illuminated.
Then BCM sends warning signal to display unit warning indications on the screen.
AV COMMUNICATION LINE
Display unit is controlled by the following unit with AV communication line.
A/C and AV switch
CAN Communication System DescriptionAKS007Z5
CAN (Controller Area Network) is a serial communication line for real time application. It is an on-vehicle mul-
tiplex communication line with high data communication speed and excellent error detection ability. Many elec-
tronic control units are equipped onto a vehicle, and each control unit shares information and links with other
control units during operation (not independent). In CAN communication, control units are connected with 2
communication lines (CAN H line, CAN L line) allowing a high rate of information transmission with less wiring.
Each control unit transmits/receives data but selectively reads required data only.
CAN Communication UnitAKS007YZ
Refer to LAN-30, "CAN Communication Unit" .
Component Parts and Harness Connector Location AKS005U2
NOW Change display
DAY DAY →NIGHT →DAY →·····
NIGHT NIGHT →DAY →NIGHT →·····
SKIA5920E
Warning indicators Warning lamps in
instrument panel Warning detection and cancel conditions Cases of malfunction
DOOR OPEN Door Detection
condition Vehicle is running [approx. 3.5 km/h (2 MPH) or
faster] and door ajar of any of the doors is detected. Door is open.
Cancel
condition Vehicle is stopped and all the doors close.
SKIA4970E
Page 661 of 4731
AV-62
INTEGRATED DISPLAY SYSTEM
Revision: 2005 July 2005 FX
SchematicAKS005U3
TKWH0342E
Page 662 of 4731
INTEGRATED DISPLAY SYSTEM AV-63
C
D E
F
G H
I
J
L
M A
B
AV
Revision: 2005 July 2005 FX
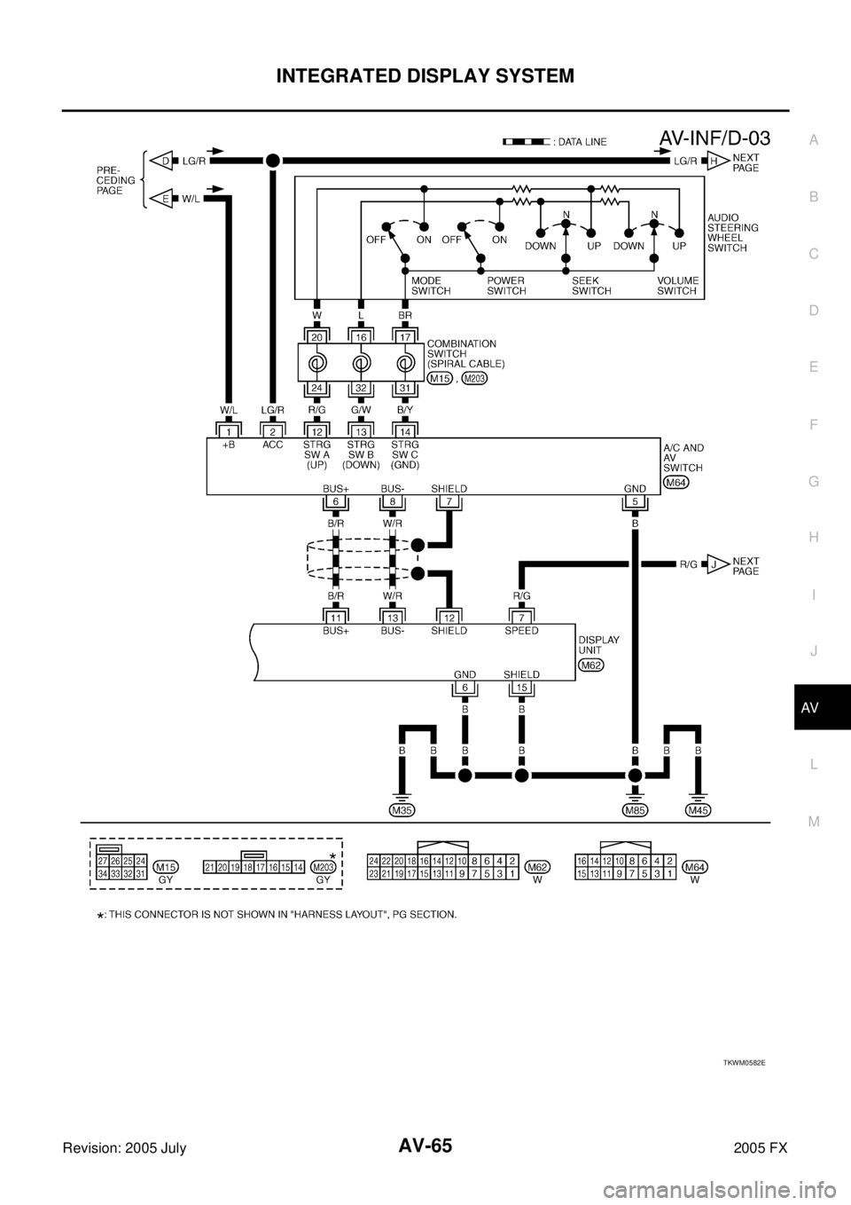
Wiring Diagram — INF/D — AKS005U4
TKWM1092E
Page 663 of 4731
AV-64
INTEGRATED DISPLAY SYSTEM
Revision: 2005 July 2005 FX
TKWM0581E
Page 664 of 4731
INTEGRATED DISPLAY SYSTEM AV-65
C
D E
F
G H
I
J
L
M A
B
AV
Revision: 2005 July 2005 FX
TKWM0582E