Page 4457 of 4731
SC-22
STARTING SYSTEM
Revision: 2005 July 2005 FX
VQ35DE ENGINE MODELS (AWD)
INSPECTION AFTER DISASSEMBLY
Pinion/Clutch Check
1. Inspect pinion teeth.
Replace pinion if teeth are worn or damaged. (Also check condition of ring gear teeth.)
2. Inspect reduction gear teeth.
Replace reduction gear if teeth are worn or damaged. (Also check condition of armature shaft gear
teeth.)
3. Check to see if pinion locks in one direction and rotates smoothly in the opposite direction.
If it locks or rotates in both directions, or unusual resistance is evident, replace.
1. Magnetic switch assembly 2. Dust cover kit 3. Shift lever set
4. Center bracket (A) 5. Yoke assembly 6. Armature assembly
7. Brush holder assembly 8. Thrust washer 9. Rear cover assembly
10. Shaft gear assembly 11. Packing 12. Thrust washer
13. Center bracket (P) 14. E-ring 15. Pinion assembly
16. Ball bearing 17. Caul 18. Gear case assembly
: N·m (kg-m, in-lb) (H): High-temperature grease point
PKIB8805E
Page 4458 of 4731

CHARGING SYSTEM SC-23
C
D E
F
G H
I
J
L
M A
B
SC
Revision: 2005 July 2005 FX
CHARGING SYSTEMPFP:23100
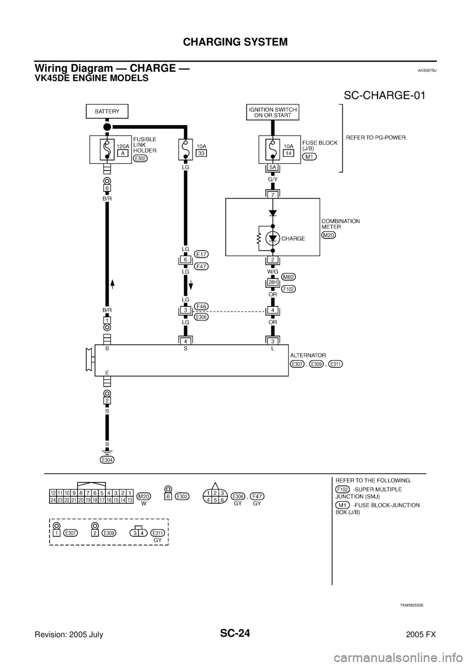
System DescriptionAKS0079I
The alternator provides DC voltage to operate the vehicle's electrical system and to keep the battery charged.
The voltage output is controlled by the IC regulator.
Power is supplied at all times
through 10A fuse (No. 33, located in the fuse and fusible link block)
to alternator terminal 4 (“S” terminal).
“B” Terminal supplies power to charge the battery and operate the vehicle's electrical system. Output voltage
is controlled by the IC regulator at terminal 4 (“S” terminal) detecting the input voltage.
The charging circuit is protected by the 120A fusible link (VK45DE and VQ35DE AWD).
The alternator is grounded to the engine block.
With the ignition switch in the ON or START position, power is supplied
through 10A fuse [No. 14, located in the fuse block (J/B)]
to combination meter terminal 7 for the charge warning lamp.
Ground is supplied
to combination meter terminal 2
through alternator terminal 3 (“L” terminal)
to alternator terminal 2 (“E” terminal) (VK45DE) or through case ground (VQ35DE)
through ground E304 (VK45DE).
With power and ground supplied, the charge warning lamp will illuminate. When the alternator is providing suf-
ficient voltage with the engine running, the ground is opened and the charge warning lamp will go off.
If the charge warning lamp illuminates with the engine running, a malfunction is indicated.
MALFUNCTION INDICATOR
The IC regulator warning function activates to illuminate charge warning lamp, if any of the following symp-
toms occur while alternator is operating:
Excessive voltage is produced.
No voltage is produced.
Page 4459 of 4731
SC-24
CHARGING SYSTEM
Revision: 2005 July 2005 FX
Wiring Diagram — CHARGE —AKS0079J
VK45DE ENGINE MODELS
TKWM0550E
Page 4460 of 4731
CHARGING SYSTEM SC-25
C
D E
F
G H
I
J
L
M A
B
SC
Revision: 2005 July 2005 FX
VQ35DE ENGINE MODELS
TKWM0551E
Page 4461 of 4731

SC-26
CHARGING SYSTEM
Revision: 2005 July 2005 FX
Trouble Diagnosis with Battery/Starting/Charging System Tester (Charging)AKS0079K
NOTE:
To ensure a complete and thorough diagnosis, the battery, starter and alternator test segments must be done
as a set from start to finish.
Before starting, perform the preliminary inspection. Refer to SC-29, "
PRELIMINARY INSPECTION" .
1. Turn off all loads on the vehicle electrical system.
2. Perform battery and starting system test with Battery/Starting/ Charging system tester.
3. Press “ENTER” to begin the charging system test.
4. Start engine.
5. Press “ENTER” until “LOADS OFF REV ENGINE 5 SEC” is dis- played.
6. Raise and hold the engine speed at 1,500 to 2,000 rpm for about 5 seconds, then return the engine to idle.
Once the increase in engine rpm is detected, press “ENTER” to
continue.
NOTE:
If after 30 seconds an increase in engine idle speed is not
detected, “RPM NOT DETECTED” will display.
Some engines may have a higher idle initially after starting,
particularly when the engine is cold. The tester may detect
this without any other action being taken. If this occurs, con-
tinue on with the testing process. The final results will not be affected.
7. The tester now checks the engine at idle and performs the “DIODE/RIPPLE” check.
8. When complete, the tester will prompt you to turn on the follow- ing electrical loads.
Heater fan set to highest speed. Do not run the A/C or wind-
shield defroster.
Headlamp high beam
Rear window defogger
NOTE:
Do not run the windshield wipers or any other cyclical loads.
9. Press “ENTER” to continue.
SEL417X
SEL418X
SEL419X
SEL420X
Page 4462 of 4731

CHARGING SYSTEM SC-27
C
D E
F
G H
I
J
L
M A
B
SC
Revision: 2005 July 2005 FX
10. Raise and hold the engine speed at 1,500 to 2,000 rpm for about
5 seconds, then return the engine to idle. Once the increase in
engine rpm is detected, press “ENTER” to continue.
NOTE:
If after 30 seconds an increase in engine idle speed is not
detected, “RPM NOT DETECTED” will be displayed. Press
“ENTER” to restart the test.
11. Diagnostic result is displayed on the tester. Refer to SC-27,
"DIAGNOSTIC RESULT ITEM CHART" .
12. Press “ENTER” then test output code is displayed. Record the test output code on the repair order.
13. Toggle back to the “DIAGNOSTIC SCREEN” for test results.
DIAGNOSTIC RESULT ITEM CHART
SEL421X
SEL422X
SEL577X
Diagnostic item Service procedure
CHARGING SYSTEM NORMAL Charging system is normal and will also show “DIODE RIPPLE” test result.
NO CHARGING VOLTAGE Go to SC-28, "
WORK FLOW" .
LOW CHARGING VOLTAGE
HIGH CHARGING VOLTAGE
DIODE RIPPLE NORMAL Diode ripple is OK and will also show “CHARGING VOLTAGE” test result.
EXCESS RIPPLE DETECTED Replace the alternator. Perform “DIODE RIPPLE” test again using Battery/Starting/Charging
system tester to confirm repair.
DIODE RIPPLE NOT DETECTED Go to SC-28, "
WORK FLOW" .
Page 4463 of 4731
SC-28
CHARGING SYSTEM
Revision: 2005 July 2005 FX
WORK FLOW
*1SC-30, "Check “L” Terminal Circuit
(Open)"
*2SC-31, "Check “L” Terminal Circuit
(Short)"
*3SC-31, "Check “S” Terminal Circuit"
*4SC-32, "Check “B” Terminal Circuit"*5SC-34, "Alternator Pulley Inspec-
tion" (VK45DE)
SC-35, "
Alternator Pulley Inspec-
tion" (VQ35DE)
SKIB0527E
Page 4464 of 4731
CHARGING SYSTEM SC-29
C
D E
F
G H
I
J
L
M A
B
SC
Revision: 2005 July 2005 FX
PRELIMINARY INSPECTION
1. CHECK BATTERY TERMINALS CONNECTION
Check if battery terminals are clean and tight.
OK or NG
OK >> GO TO 2.
NG >> Repair battery terminals connection.
2. CHECK FUSE AND FUSIBLE LINK
Check for blown alternator and combination meter fuses.
OK or NG
OK >> GO TO 3.
NG >> If fuse is blown, be sure eliminate cause of malfunction before installing new fuse.
3. CHECK “E” TERMINAL CONNECTION
Check if “E” terminal is clean and tight.
OK or NG
OK >> GO TO 4.
NG >> Repair “E” terminal connection.
4. CHECK ALTERNATOR DRIVE BELT TENSION
Check alternator drive belt tension. Refer to EM-173, "
Checking Drive Belts" (VK45DE) or EM-15, "Checking
Drive Belts" (VQ35DE).
OK or NG
OK >> INSPECTION END
NG >> Repair as needed.
Unit Power source (Power supply terminals) Fuse No.
Alternator Battery (“S” terminal) 33
Combination meter Ignition switch ON (“L” terminal) 14