2004 INFINITI FX35 Service Manual

Page 609 of 4449

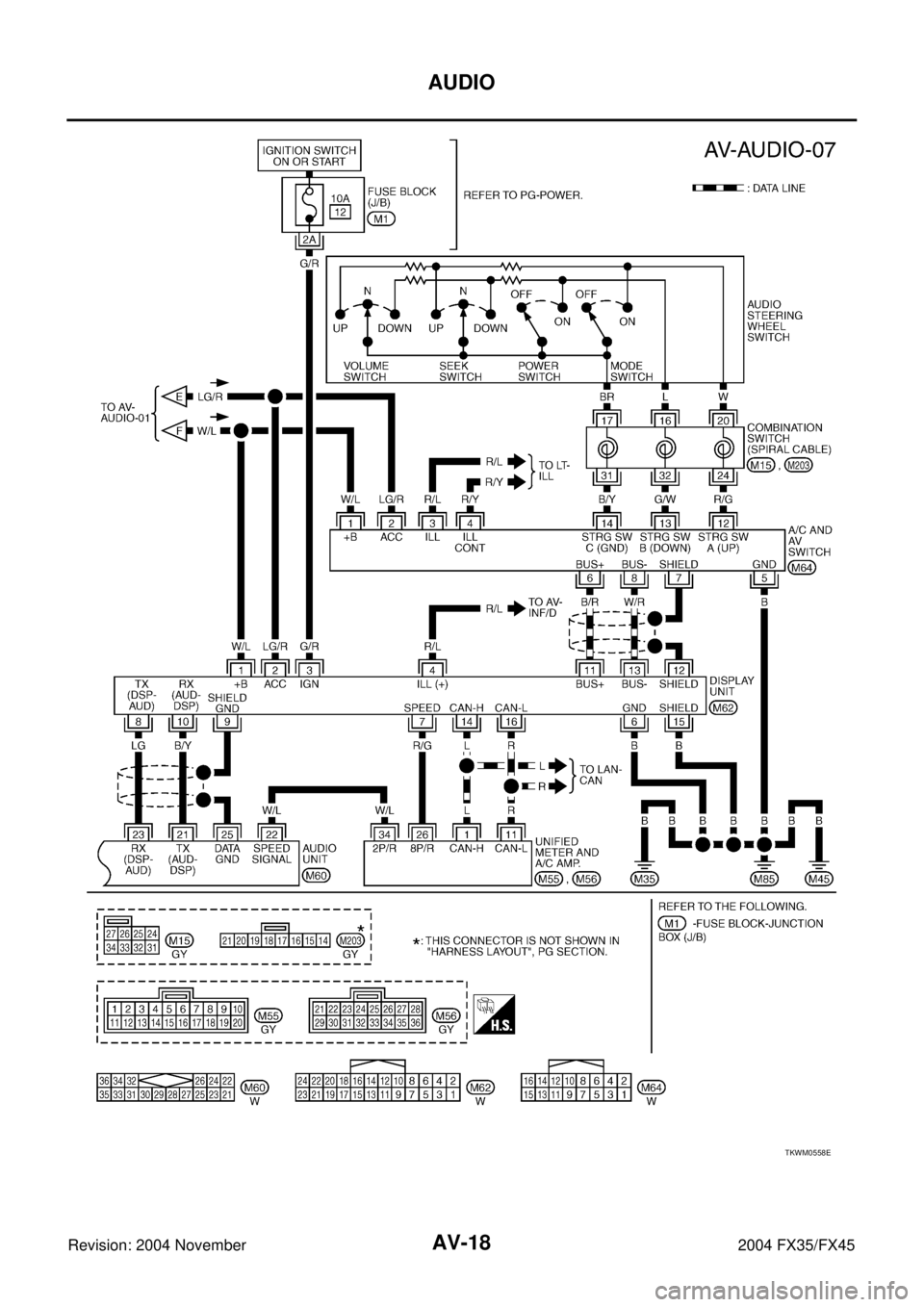
INFINITI FX35 2004  Service Manual AV-18
AUDIO
Revision: 2004 November 2004 FX35/FX45
TKWM0558E

Page 610 of 4449

INFINITI FX35 2004  Service Manual AUDIO
AV-19
C
D
E
F
G
H
I
J
L
MA
B
AV
Revision: 2004 November 2004 FX35/FX45
Schematic -BOSE System-AKS007X3
WITH NAVIGATION SYSTEM
TKWH0258E

Page 611 of 4449

INFINITI FX35 2004  Service Manual AV-20
AUDIO
Revision: 2004 November 2004 FX35/FX45
WITHOUT NAVIGATION SYSTEM
TKWH0259E

Page 612 of 4449

INFINITI FX35 2004  Service Manual AUDIO
AV-21
C
D
E
F
G
H
I
J
L
MA
B
AV
Revision: 2004 November 2004 FX35/FX45
Wiring Diagram -AUDIO- / BOSE SystemAKS007X4
TKWH0260E

Page 613 of 4449

INFINITI FX35 2004  Service Manual AV-22
AUDIO
Revision: 2004 November 2004 FX35/FX45
TKWH0261E

Page 614 of 4449

INFINITI FX35 2004  Service Manual AUDIO
AV-23
C
D
E
F
G
H
I
J
L
MA
B
AV
Revision: 2004 November 2004 FX35/FX45
TKWH0262E

Page 615 of 4449

INFINITI FX35 2004  Service Manual AV-24
AUDIO
Revision: 2004 November 2004 FX35/FX45
TKWH0263E

Page 616 of 4449

INFINITI FX35 2004  Service Manual AUDIO
AV-25
C
D
E
F
G
H
I
J
L
MA
B
AV
Revision: 2004 November 2004 FX35/FX45
TKWH0264E