Page 3649 of 4449
LT-94
TURN SIGNAL AND HAZARD WARNING LAMPS
Revision: 2004 November 2004 FX35/FX45
Wiring Diagram — TURN —AKS007D0
TKWM0820E
Page 3650 of 4449
TURN SIGNAL AND HAZARD WARNING LAMPS
LT-95
C
D
E
F
G
H
I
J
L
MA
B
LT
Revision: 2004 November 2004 FX35/FX45
TKWH0225E
Page 3651 of 4449
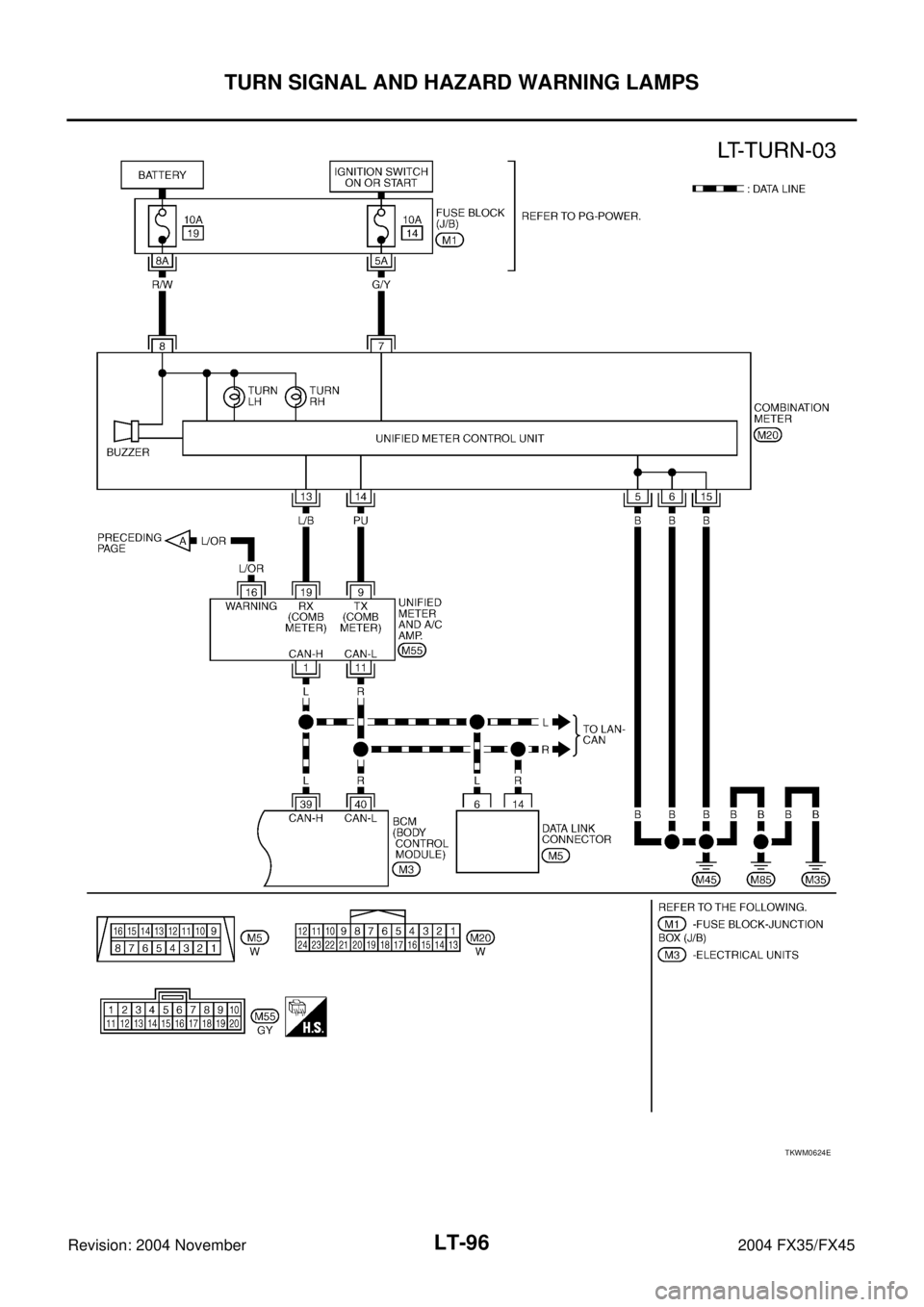
LT-96
TURN SIGNAL AND HAZARD WARNING LAMPS
Revision: 2004 November 2004 FX35/FX45
TKWM0624E
Page 3652 of 4449

TURN SIGNAL AND HAZARD WARNING LAMPS
LT-97
C
D
E
F
G
H
I
J
L
MA
B
LT
Revision: 2004 November 2004 FX35/FX45
Terminals and Reference Values for BCMAKS007IB
Terminal
No.Wire
colorSignal nameMeasuring condition
Reference value
Ignition
switchOperation or condition
2 GY Combination switch input 5 ONLighting, turn, wiper OFF
Wiper dial position 4
3 L/B Combination switch input 4 ONLighting, turn, wiper OFF
Wiper dial position 4
4 PU/W Combination switch input 3 ONLighting, turn, wiper OFF
Wiper dial position 4
5 Y/R Combination switch input 2
ONLighting, turn, wiper OFF
Wiper dial position 4
6 SB Combination switch input 1
11 LG/R Ignition switch (ACC) ACC — Battery voltage
29 G/Y Hazard switch signal OFF Hazard switchON Approx. 0V
OFF Battery voltage
32 GY/R Combination switch output 5 ONLighting, turn, wiper OFF
Wiper dial position 4
33 G Combination switch output 4 ONLighting, turn, wiper OFF
Wiper dial position 4
SKIA5291E
SKIA5292E
SKIA5291E
SKIA5292E
SKIA5291E
SKIA5292E
Page 3653 of 4449

LT-98
TURN SIGNAL AND HAZARD WARNING LAMPS
Revision: 2004 November 2004 FX35/FX45
How to Proceed With Trouble DiagnosisAKS007D2
1. Confirm the symptom or customer complaint.
2. Understand operation description and function description. Refer to LT- 8 9 , "
System Description" .
3. Perform.preliminary check. Refer to LT- 9 9 , "
Preliminary Check" .
4. Check symptom and repair or replace the cause of malfunction.
5. Do turn signal and hazard warning lamps operate normally? If YES: GO TO 6. If NO: GO TO 4.
6. INSPECTION END
34 W/B Combination switch output 3 ONLighting, turn, wiper OFF
Wiper dial position 4
35 W/G Combination switch output 2
ONLighting, turn, wiper OFF
Wiper dial position 4
36 W/R Combination switch output 1
38 W/L Ignition switch (ON) ON — Battery voltage
39 L CAN−H—— —
40 R CAN−L—— —
42 L/R Battery power supply OFF — Battery voltage
45 G/W Turn signal (left) ONCombination
switchTurn le ft
ON
46 BR/W Turn signal (right) ONCombination
switchTurn right
ON
49 B Ground ON — Approx. 0V
52 B Ground ON — Approx. 0V
55 G Battery power supply OFF — Battery voltage Terminal
No.Wire
colorSignal nameMeasuring condition
Reference value
Ignition
switchOperation or condition
SKIA5291E
SKIA5292E
SKIA3009J
SKIA3009J
Page 3654 of 4449

TURN SIGNAL AND HAZARD WARNING LAMPS
LT-99
C
D
E
F
G
H
I
J
L
MA
B
LT
Revision: 2004 November 2004 FX35/FX45
Preliminary CheckAKS007D3
CHECK POWER SUPPLY AND GROUND CIRCUIT
1. CHECK FUSES
Check fuses for blown-out.
Refer to LT-94, "Wiring Diagram — TURN —" .
OK or NG
OK >> GO TO 2.
NG >> If fuse is blown, be sure to eliminate cause of malfunction before installing new fuse. Refer to PG-
3, "POWER SUPPLY ROUTING CIRCUIT" .
2. CHECK POWER SUPPLY CIRCUIT
1. Turn ignition switch OFF.
2. Disconnect BCM connector.
3. Check voltage between BCM harness connector and ground.
OK or NG
OK >> GO TO 3.
NG >> Check harness for open or short between BCM and
fuse.
3. CHECK GROUND CIRCUIT
Check continuity between BCM harness connector and ground.
OK or NG
OK >> INSPECTION END
NG >> Check ground circuit harness.
Unit Power source Fuse and fusible link No.
BCMBatteryM
22
Ignition switch ON or START position 1
Ignition switch ACC or ON position 6
Rear combination lamp control unit Battery 20
Terminals Ignition switch position
(+)
(-) OFF ACC ON
ConnectorTerminal
(Wire color)
M311 (LG/R)
Ground0VBattery
voltageBattery
voltage
38 (W/L) 0V 0VBattery
voltage
M442 (L/R)Battery
voltageBattery
voltageBattery
voltage
55 (G)Battery
voltageBattery
voltageBattery
voltage
PKIA5204E
Terminals
Continuity
Connector Terminal (Wire color)
M449 (B)
Ground Yes
52 (B)
PKIA5191E
Page 3655 of 4449

LT-100
TURN SIGNAL AND HAZARD WARNING LAMPS
Revision: 2004 November 2004 FX35/FX45
CONSULT-II FunctionsAKS007D4
CONSULT-II has a display function for work support, self-diagnosis, data monitor, and active test for each part
by combining data receiving and sending via the communication line from BCM.
CONSULT-II BASIC OPERATION
CAUTION:
If CONSULT-II is used with no connection of CONSULT-II CONVERTER, malfunctions might be
detected in self-diagnosis depending on control unit which carry out CAN communication.
1. With the ignition switch OFF, connect CONSULT-II and CON-
SULT-II CONVERTER to the data link connector, then turn igni-
tion switch ON.
2. Touch “START (NISSAN BASED VHCL)”.
3. Touch “BCM” on “SELECT SYSTEM” screen.
If “BCM” is not indicated, refer to GI-40, "
CONSULT-II Data Link
Connector (DLC) Circuit" .
BCM diagnosis part Check item, diagnosis mode Description
FLASHERData monitor Displays BCM input data in real time.
Active test Operation of electrical loads can be checked by sending driving signal to them.
PBIB1503E
SKIA3098E
PKIA5222E
Page 3656 of 4449

TURN SIGNAL AND HAZARD WARNING LAMPS
LT-101
C
D
E
F
G
H
I
J
L
MA
B
LT
Revision: 2004 November 2004 FX35/FX45
4. Touch “FLASHER” on “SELECT TEST ITEM” screen.
DATA MONITOR
Operation Procedure
1. Touch “FLASHER” on “SELECT TEST ITEM” screen.
2. Touch “DATA MONITOR” on “SELECT DIAG MODE” screen.
3. Touch either “ALL SIGNALS” or “SELECTION FROM MENU” on the “DATA MONITOR” screen.
4. Touch “START”.
5. When “SELECTION FROM MENU” is selected, touch items to be monitored. When “ALL SIGNALS” is
selected, all the items will be monitored.
6. Touch “RECORD” while monitoring, then the status of the monitored item can be recorded. To stop
recording, touch “STOP”.
Display Item List
NOTE:
This item is displayed, but cannot monitor it.
ACTIVE TEST
Operation Procedure
1. Touch “FLASHER” on “SELECT TEST ITEM” screen.
2. Touch “ACTIVE TEST” on “SELECT DIAG MODE” screen.
3. Touch item to be tested and check operation of the selected item.
4. During the operation check, touching “BACK” deactivates the operation.
Display Item List
PKIA5223E
All signals Monitors all the signals.
Selection from menu Selects and monitors the individual signal.
Monitor item Contents
IGN ON SW “ON/OFF” Displays “IGN position (ON)/OFF, ACC position (OFF)” judged from the ignition switch signal.
HAZARD SW “ON/OFF” Displays “Hazard ON (ON)/Hazard OFF (OFF)” status, determined from hazard switch signal.
TURN SIGNAL R “ON/OFF” Displays “Turn right (ON)/Other (OFF)” status, determined from lighting switch signal.
TURN SIGNAL L “ON/OFF” Displays “Turn left (ON)/Other (OFF)” status, determined from lighting switch signal.
BRAKE SW
NOTE“OFF” —
Test item Description
FLASHER (RIGHT) Turn signal lamp (right) can be operated by any ON-OFF operations.
FLASHER (LEFT) Turn signal lamp (left) can be operated by any ON-OFF operations.