Page 1273 of 4449
DI-30
UNIFIED METER AND A/C AMP
Revision: 2004 November 2004 FX35/FX45
SchematicAKS005NA
TKWM1285E
Page 1274 of 4449

UNIFIED METER AND A/C AMP
DI-31
C
D
E
F
G
H
I
J
L
MA
B
DI
Revision: 2004 November 2004 FX35/FX45
CONSULT-II FunctionAKS005NB
CONSULT-II performs the following functions communicating with the unified meter and A/C amp.
CONSULT-II BASIC OPERATION
CAUTION:
If CONSULT-II is used with no connection of CONSULT-II CONVERTER, malfunctions might be
detected in self-diagnosis depending on control unit which carry out CAN communication.
1. With the ignition switch OFF, connect “CONSULT-II” and “CON-
SULT-II CONVERTER” to the data link connector, then turn igni-
tion switch ON.
2. Touch “START (NISSAN BASED VHCL)”.
3. Touch “METER A/C AMP” on “SELECT SYSTEM” screen. If
“METER A/C AMP” is not indicated, go to GI-40, "
CONSULT-II
Data Link Connector (DLC) Circuit" .
4. Select “SELF-DIAG RESULTS”, “CAN DIAG SUPPORT MNTR”
or “DATA MONITOR”.
System part Check item, diagnosis mode Description
METER A/C AMPSelf-diagnostic resultsUnified meter and A/C amp. check the conditions and indicates any error that
unified meter and A/C amp. memorized.
CAN diagnostic support monitor The results of transmit/receive diagnosis of CAN communication can be read.
Data monitor Displays unified meter and A/C amp. input data in real time.
PBIB1503E
SKIA3098E
SKIA5036E
Page 1275 of 4449

DI-32
UNIFIED METER AND A/C AMP
Revision: 2004 November 2004 FX35/FX45
SELF-DIAGNOSTIC RESULTS
Operation Procedure
1. Touch “SELF-DIAG RESULTS” on “SELECT DIAG MODE” screen.
2. Self-diagnosis results are displayed.
Display Item List
“TIME” indicates the condition of the self-diagnosis results judged by each signal input.
Normal: In case of operating properly at the present in spite of having malfunction in the past, then “TIME”
indicates “1-63”.
Malfunction: Soon after detecting malfunctions by self-diagnoses or current malfunction, “0” is indicated.
After returning to normal condition, every time when ignition switch is turned to “OFF” from “ON”, time will be
added like “1”→“2”→“3”···“63”, and when the key operation is performed 64 times, the result of the self-diag-
noses will be erased. And if any malfunction is detected again, “0” will be indicated.
CAUTION:
“TIME” keeps showing “0” after returning to normal condition only in the case that malfunction his-
tory of “CAN COMM CIRC [U1000]” remains because of low tire pressure warning control unit, display
control unit (with NAVI) or display unit (without NAVI) malfunction.
DATA MONITOR
Operation Procedure
1. Touch “DATA MONITOR” on “SELECT DIAG MODE” screen.
2. Touch either “MAIN SIGNALS” or “SELECTION FROM MENU” on the “DATA MONITOR” screen.
3. When “SELECTION FROM MENU” is selected, touch individual items to be monitored. When “MAIN SIG-
NALS” is selected, main items will be monitored.
SKIA4956E
CONSULT-ll display Malfunction is detected when...
CAN COMM CIRC [U1000]Malfunction is detected in CAN communication.
CAUTION:
Even when there is no malfunction on CAN communication system, malfunction may be
misinterpreted when battery has low voltage (when maintaining 7-8V for about 2 seconds)
or 10A fuse [No. 19, located in the fuse block (J/B)] is disconnected.
METER COMM CIRC [B2202]Malfunction is detected in communication of between combination meter and unified meter and
A/C amp.
VEHICLE SPEED CIRC [B2205]When an erroneous speed signal is input for 1 seconds.
CAUTION:
Even when there is no malfunction on speed signal system, malfunction may be misinter-
preted when battery has low voltage (when maintaining 7-8V for about 2 seconds).
MAIN SIGNALS Monitors main signals.
SELECTION FROM MENU Selects and monitors individual signal.
Page 1276 of 4449

UNIFIED METER AND A/C AMP
DI-33
C
D
E
F
G
H
I
J
L
MA
B
DI
Revision: 2004 November 2004 FX35/FX45
4. Touch “START”.
5. Touch “RECORD” while monitoring, then the status of the moni-
tored item can be recorded. To stop recording, touch “STOP”.
Display Item List
SKIA4957E
Display item [Unit] MAIN SIGNALSSELECTION
FROM MENUContents
SPEED METER [km/h] or [mph] X XThis is the angle correction value after the speed signal
from the ABS actuator and electric unit (control unit) is
converted into the vehicle speed.
SPEED OUTPUT [km/h] or [mph] X XThis is the angle correction value before the speed signal
from the ABS actuator and electric unit (control unit) is
converted into the vehicle speed.
TACHO METER [rpm] X XThis is the converted value for the engine speed signal
from the ECM.
W TEMP METER [°C] or [°F] X XThis is the converted value for the engine coolant temper-
ature signal from the ECM.
FUEL METER [lit.] X XThis is the processed value for the signal (resistance
value) from the fuel gauge.
DISTANCE [km] or [mile] X XThis is the calculated value for the speed signal from the
ABS actuator and electric unit (control unit), the signal
(resistance signal) from the fuel gauge and fuel consump-
tion signal from ECM.
FUEL W/L [ON/OFF] X X Indicates [ON/OFF] condition of low-fuel warning lamp.
MIL [ON/OFF] XIndicates [ON/OFF] condition of malfunction indicator
lamp.
AIR PRES W/L [ON/OFF] XIndicates [ON/OFF] condition of low tire pressure warning
lamp.
SEAT BELT W/L [ON/OFF] X Indicates [ON/OFF] condition of seat belt warning lamp.
BUZZER [ON/OFF] X X Indicates [ON/OFF] condition of buzzer.
DOOR W/L [ON/OFF] X Indicates [ON/OFF] condition of door warning lamp.
HI-BEAM IND [ON/OFF] X Indicates [ON/OFF] condition of high beam indicator.
TURN IND [ON/OFF] X Indicates [ON/OFF] condition of turn indicator.
OIL W/L [ON/OFF] X Indicates [ON/OFF] condition of oil pressure warning lamp.
VDC/TCS IND [ON/OFF] X Indicates [ON/OFF] condition of VDC OFF indicator lamp.
ABS W/L [ON/OFF] X Indicates [ON/OFF] condition of ABS warning lamp.
SLIP IND [ON/OFF] X Indicates [ON/OFF] condition of SLIP indicator lamp.
BRAKE W/L [ON/OFF] X Indicates [ON/OFF] condition of brake warning lamp.*
KEY G W/L [ON/OFF] X Indicates [ON/OFF] condition of key warning lamp (green).
KEY R W/L [ON/OFF] X Indicates [ON/OFF] condition of key warning lamp (red).
KEY KNOB W/L [ON/OFF] X Indicates [ON/OFF] condition of key knob warning lamp.
M RANGE SW [ON/OFF] X XIndicates [ON/OFF] condition of manual mode range
switch.
NM RANGE SW [ON/OFF] X XIndicates [ON/OFF] condition of except for manual mode
range switch.
Page 1277 of 4449

DI-34
UNIFIED METER AND A/C AMP
Revision: 2004 November 2004 FX35/FX45
NOTE:
Any monitored item that does not match the vehicle being diagnosed is deleted from the display automatically.
*: Monitor keeps indicating “OFF” when brake warning lamp is on by the parking brake operation or low brake
fluid level.
Removal and Installation of Unified Meter and A/C Amp. AKS005NC
REMOVAL
1. Remove the audio unit. Refer to AV- 4 4 , "Removal and Installa-
tion of Audio Unit" .
2. Remove the fixing screws, then remove the unified meter and A/
C amp.
INSTALLATION
Installation is basically in the reverse order of removal.
AT SFT UP SW [ON/OFF] X X Indicates [ON/OFF] condition of A/T shift- up switch.
AT SFT DWN SW [ON/OFF] X X Indicates [ON/OFF] condition of A/T shift- down switch.
AT S MODE SW [ON/OFF] X Indicates [ON/OFF] condition of snow mode switch.
BRAKE SW [ON/OFF] XIndicates [ON/OFF] condition of brake switch (stop lamp
switch).
AT-M IND [ON/OFF] X XIndicates [ON/OFF] condition of A/T manual mode indica-
tor.
AT-M GEAR [5-1] X XIndicates [5-1] condition of A/T manual mode gear posi-
tion.
P RANGE IND [ON/OFF] X XIndicates [ON/OFF] condition of A/T shift P range indica-
tor.
R RANGE IND [ON/OFF] X XIndicates [ON/OFF] condition of A/T shift R range indica-
tor.
N RANGE IND [ON/OFF] X XIndicates [ON/OFF] condition of A/T shift N range indica-
tor.
D RANGE IND [ON/OFF] X XIndicates [ON/OFF] condition of A/T shift D range indica-
tor.
AT CHECK W/L X Indicates [ON/OFF] condition of AT CHECK warning lamp.
CRUISE IND [ON/OFF] XIndicates [ON/OFF] condition of ASCD CRUISE indicator
lamp.
SET IND [ON/OFF] XIndicates [ON/OFF] condition of ASCD SET indicator
lamp.
CRUISE W/L [ON/OFF] X Indicates [ON/OFF] condition of ICC warning lamp.
4WD W/L [ON/OFF] X Indicates [ON/OFF] condition of AWD warning lamp.Display item [Unit] MAIN SIGNALSSELECTION
FROM MENUContents
SKIA6167E
Page 1278 of 4449

COMPASS
DI-35
C
D
E
F
G
H
I
J
L
MA
B
DI
Revision: 2004 November 2004 FX35/FX45
COMPASSPFP:24835
System DescriptionAKS007AO
This unit displays earth magnetism and heading direction of vehicle.
DIRECTION DISPLAY
Push the switch when the ignition key is in the “ON” or “START” position. The direction will be displayed.
Pushing the “COMP” switch a second time will turn off the display.
1. If the display reads “C” calibrate the compass by driving the vehicle in 3 complete circles at less than 8
km/h (5 MPH).
2. To adjust for compass variance:
a. Press the “COMP” switch for more than 3 seconds. The current zone number will appear in the display.
b. Find your current location and variance zone number on the zone map.
c. Press the “COMP” switch until the new zone number appears in the display. After you stop pressing the
button in, the display will show a compass direction within a few seconds.
NOTE:
1. Do not install the ski rack, antenna, etc. which are attached to the vehicle by means of a magnet. They
affect the operation of the compass.
2. If the compass deviates from the correct indication soon after repeated adjustment, have the compass
checked at an authorized dealer.
3. The compass may not indicate the correct compass point in tunnels or while driving up or down a steep
hill. (The compass returns to the correct compass point when the vehicle moves to an area where the
geomagnetism is stabilized.)
3. Cleaning the Mirror
When cleaning the mirror, use a paper towel or similar material dampened with glass cleaner. Do not
spray glass cleaner directly on the mirror as that may cause the liquid cleaner to enter the mirror housing.
SKIA5335E
Page 1279 of 4449
DI-36
COMPASS
Revision: 2004 November 2004 FX35/FX45
“C” is Displayed in the Compass Window.
The compass needs to be calibrated. Drive the vehicle in 3 circles at
8km/h (5 MPH) or less until the display reads a direction. You can
also calibrate the compass by driving your vehicle on your everyday
routine. The compass will be calibrated once it has tracked 3 com-
plete circles.
Inaccurate Compass Direction
1. With the display turned on, push the “COMP” switch for 3 seconds, until the zone selection comes up (a
number will be displayed in the mirror compass window).
2. Toggle until correct zone is found and release switch.
3. The display will show all segments, and return to the normal compass mode within 10 seconds of no
switch activity.
4. If the vehicle changes zone, repeat steps 1 through 3. See map.
SEL168Y
Page 1280 of 4449
COMPASS
DI-37
C
D
E
F
G
H
I
J
L
MA
B
DI
Revision: 2004 November 2004 FX35/FX45
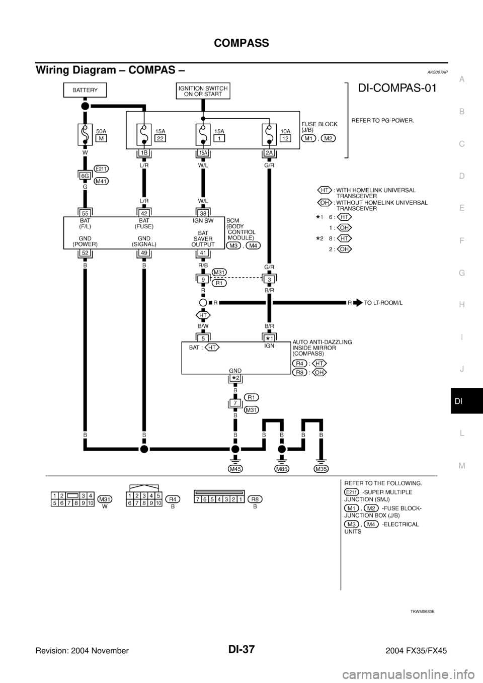
Wiring Diagram – COMPAS –AKS007AP
TKWM0683E