Page 1113 of 4449
BR-20
FRONT DISC BRAKE
Revision: 2004 November 2004 FX35/FX45
FRONT DISC BRAKEPFP:41000
On-vehicle InspectionAFS001RX
PAD WEAR INSPECTION
Inspect the thickness of pad through cylinder body inspection
hole. Use a scale for inspection if necessary.
ComponentsAFS001RY
Standard thickness : 9.5 mm (0.374 in)
Repair limit thickness : 2.0 mm (0.079 in)
BRA0010D
1. Union bolt 2. Copper washer 3. Brake hose
4. Sliding pin bolt 5. Sliding pin 6. Cap
7. Bleed valve 8. Cylinder body 9. Sliding pin boot
10. Piston seal 11. Piston 12. Piston boot
13. Torque member 14. Inner shim cover 15. Inner shim
16. Inner pad 17. Pad retainer (Upper) 18. Pad retainer (Lower)
19. Outer pad 20. Outer shim 21. Torque member bolt
SFIA2378E
Page 1114 of 4449

FRONT DISC BRAKE
BR-21
C
D
E
G
H
I
J
K
L
MA
B
BR
Revision: 2004 November 2004 FX35/FX45
WARNING:
Clean dust on caliper and brake pad with a vacuum dust collector to minimize the hazard of airborne
particles or other materials.
CAUTION:
While removing cylinder body never depress brake pedal because piston will pop out.
It is not necessary to remove bolts on torque member and brake hose except for disassembly or
replacement of caliper assembly. In this case, hang cylinder body with a wire so as not to stretch
brake hose.
Do not damage piston boot.
If any shim is subject to serious corrosion, replace it with a new one.
Always replace shims and shim covers as a set when replacing brake pads.
Burnish brake contact surface after refinishing or replacing rotors, after replacing pads, or it a soft
pedal occurs at very low mileage. Refer to BR-24, "
BRAKE BURNISHING PROCEDURE" .
Removal and Installation of Brake PadAFS001RZ
REMOVAL
1. Remove tires from vehicle with power tool.
2. Remove lower sliding pin bolt.
3. Suspend cylinder body with a wire and remove pad and shim from torque member.
INSTALLATION
1. Attach inner shim and shim cover to inner pad, and outer shim to outer pad.
2. Push piston in so that pad is firmly installed and mount cylinder body to torque member.
NOTE:
Using a disc brake piston tool (commercial service tool), etc., makes it easier to push in piston.
CAUTION:
By pushing in piston, brake fluid returns to master cylinder reservoir tank. Watch the level of the
surface of reservoir tank.
3. Attach pat retainer to torque member.
CAUTION:
When attaching pad retainer, attach it firmly so that it does
not float up higher than torque member, as shown in the fig-
ure.
4. Install lower sliding pin bolt and tighten it to the specified torque.
5. Check brake for drag.
6. Attach tires to the vehicle.
Removal and Installation of Brake Caliper AssemblyAFS001S0
REMOVAL
1. Remove tires from vehicle with power tool.
2. Drain brake fluid. Refer to BR-9, "
Drain and Refill" .
3. Remove union bolts and torque member bolts, and remove brake caliper assembly from the vehicle.
4. Remove disc rotor.
INSTALLATION
CAUTION:
Refill with new brake fluid “DOT3”
Do not reuse drained brake fluid.
1. Install disc rotor.
PFIA0273E
Page 1115 of 4449

BR-22
FRONT DISC BRAKE
Revision: 2004 November 2004 FX35/FX45
2. Install caliper assembly to the vehicle, and tighten bolts to the
specified torque.
CAUTION:
When attaching caliper assembly to the vehicle, wipe any
oil off knuckle spindle, washers and caliper assembly
attachment surfaces.
3. Install brake hose to brake caliper assembly, and tighten union
bolt to the specified torque.
CAUTION:
Do not reuse copper washers for union bolt.
Attach brake hose to caliper assembly together with
union bolt and washers.
4. Refill new brake fluid and bleed air. Refer to BR-10, "
Bleeding Brake System" .
5. Attach tires to the vehicle.
Disassembly and Assembly of Brake Caliper AssemblyAFS001S1
DISASSEMBLY
1. Remove sliding pin bolt, and then remove the pad, shim, shim cover, and pad retainer from the torque
member.
2. Remove sliding pins and sliding pin boots from torque member.
3. Place a wooden block as shown in the figure, and blow air from
union bolt mounting hole to remove pistons and piston boots.
CAUTION:
Do not get your fingers caught in piston.
4. Using a flat-bladed screwdriver, remove piston seal from cylin-
der body.
CAUTION:
Be careful not to damage cylinder inner wall.
SFIA1205E
SFIA1204E
MAA0272D
SFIA1301E
Page 1116 of 4449

FRONT DISC BRAKE
BR-23
C
D
E
G
H
I
J
K
L
MA
B
BR
Revision: 2004 November 2004 FX35/FX45
CALIPER INSPECTION
Cylinder Body
CAUTION:
Use new brake fluid for cleaning. Do not use mineral oils such as gasoline or kerosene.
Check inside surface of cylinder for score, rust, wear, damage or foreign materials. If any of the
above conditions are observed, replace cylinder body.
Minor damage from rust or foreign materials may be eliminated by polishing surface with a fine
emery paper. Replace cylinder body if necessary.
To r q u e M e m b e r
Check for wear, cracks, and damage. If damage or deformation is present, replace the affected part.
Piston
Check piston for score, rust, wear, damage or presence of foreign materials. Replace if any of the above con-
dition are observed.
CAUTION:
Piston sliding surface is plated, do not polish with emery paper even if rust of foreign materials are
stuck to sliding surface.
Sliding Pins, and Sliding Pin Boots
Check sliding pin and sliding pin boot for wear, damage, and cracks. If damage or deformation is present,
replace the affected part.
ASSEMBLY
CAUTION:
Do not use NISSAN Rubber Grease (KRE00 00010, KRE00 00010 01) when assembling.
1. Apply rubber grease to new piston seal and insert seal in to
groove on cylinder body.
CAUTION:
Do not reuse piston seal.
2. Apply brake fluid to piston, rubber grease to piston boot, then
install piston boot in to piston groove.
CAUTION:
Do not reuse piston boot.
3. Insert into cylinder body by hand and insert piston boot piston-side lip into piston groove.
CAUTION:
Press piston evenly and vary the pressing point to prevent cylinder inner wall from being rubbed.
4. Install sliding pins and sliding pin boots to torque member.
5. Attach inner shim and inner shim cover to inner pad, and attach the outer shim to the outer pad.
6. Install cylinder body. Tighten sliding pin bolt to the specified torque.
SFIA1303E
SFIA1305E
Page 1117 of 4449

BR-24
FRONT DISC BRAKE
Revision: 2004 November 2004 FX35/FX45
DISC ROTOR INSPECTION
Visual Inspection
Check surface of disc rotor for uneven wear, cracks, and serious damage. If any of them is detected, replace
applicable part.
Runout Inspection
1. Using wheel nuts, fix disc rotor to wheel hub. (2 or more positions)
2. Inspect runout using a dial gauge. (Measured at 10mm (0.39 in)
inside the disc edge.)
NOTE:
Make sure that wheel bearing axial endplay is with in the specifi-
cations before measuring runout. Refer to FAX-4, "
On-Vehicle
Inspection and Service" .
3. If runout is outside the limit, find the minimum runout point by
shifting mounting positions of disc rotor and wheel hub by one hole.
4. If runout still out of specification, turn rotor with on-car brake lathe. (“MAD DL-8700”, “AMMCO 700 and
705” or equivalent.)
Thickness Inspection
Using a micrometer, check thickness of disc rotor. If thickness is out-
side the standard, replace disc rotor.
BRAKE BURNISHING PROCEDURE
Burnish brake contact surface according to the following procedure after refinishing or replacing rotors, after
replacing pads, or if a soft pedal occurs at very low mileage.
CAUTION:
Only perform this procedure under safe road and traffic conditions. Use extreme caution.
1. Drive the vehicle on a straight smooth road at 50 km/h (31 MPH).
2. Use medium brake pedal /foot effort to bring the vehicle to a complete stop from 50 km/h (31 MPH). Adjust
brake pedal /foot pressure such that vehicle stopping time equals 3 to 5 seconds.
3. To cool brake system, drive the vehicle at 50 km/h (31 MPH) for 1 minute without stopping.
4. Repeat steps 1 to 3, 10 times or more to complete the burnishing procedure.Runout limit
(with it attached to the vehicle): 0.04 mm (0.0016 in)
Runout limit
(just the disc rotor) : 0.02 mm (0.0008 in)
BRA0013D
Standard thickness : 28.0 mm (1.102 in)
Repair limit thickness : 26.0 mm (1.024 in)
Maximum uneven wear
(measured at 8 positions): 0.015 mm (0.0006 in)
SBR020B
Page 1118 of 4449
REAR DISC BRAKE
BR-25
C
D
E
G
H
I
J
K
L
MA
B
BR
Revision: 2004 November 2004 FX35/FX45
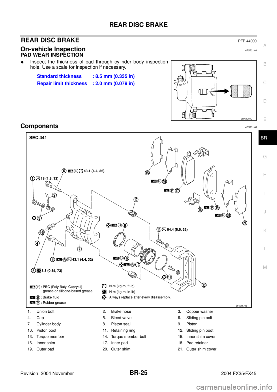
REAR DISC BRAKEPFP:44000
On-vehicle InspectionAFS001NA
PAD WEAR INSPECTION
Inspect the thickness of pad through cylinder body inspection
hole. Use a scale for inspection if necessary.
ComponentsAFS001NB
Standard thickness : 8.5 mm (0.335 in)
Repair limit thickness : 2.0 mm (0.079 in)
BRA0010D
1. Union bolt 2. Brake hose 3. Copper washer
4. Cap 5. Bleed valve 6. Sliding pin bolt
7. Cylinder body 8. Piston seal 9. Piston
10. Piston boot 11. Retaining ring 12. Sliding pin boot
13. Torque member 14. Torque member bolt 15. Inner shim cover
16. Inner shim 17. Inner pad 18. Pad retainer
19. Outer pad 20. Outer shim 21. Outer shim cover
SFIA1170E
Page 1119 of 4449

BR-26
REAR DISC BRAKE
Revision: 2004 November 2004 FX35/FX45
WARNING:
Clean dust on caliper and brake pad with a vacuum dust collector to minimize the hazard of air borne
particles or other materials.
CAUTION:
While removing cylinder body, never depress brake pedal because piston will pop out.
It is not necessary to remove bolts on torque member and brake hose except for disassembly or
replacement of caliper assembly. In this case, hang cylinder body with a wire so as not to stretch
brake hose.
Do not damage piston boot.
If any shim is subject to serious corrosion, replace it with a new one.
Always replace shims and shim covers as a set when replacing brake pads.
Burnish brake contact surface after refinishing or replacing rotors, after replacing pads, or it a soft
pedal occurs at very low mileage. Refer to BR-29, "
BRAKE BURNISHING PROCEDURE"
Removal and Installation of Brake PadAFS001NC
REMOVAL
1. Remove tires from vehicle with power tool.
2. Remove sliding pin bolt (one on top).
3. Suspend cylinder body with a wire, and remove pads, pad retainers, shim from torque member.
INSTALLATION
1. Apply PBC (Poly Butyl Cuprysil) grease or silicon- based grease to the backside of pad and to both sides
of shim, and attach inner shim and shim cover to inner pad, and attach the outer shim and outer shim
cover to outer pad.
2. Install pad retainer and mount pad to torque member.
3. Push piston in so that pad is firmly attached and mount cylinder body to torque member.
NOTE:
Using a disc brake piston tool (commercial service tool), etc., makes it easier to push in piston.
CAUTION:
By pushing in piston, brake fluid returns to master cylinder reservoir tank. Watch the level of the
surface of reservoir tank.
4. Install sliding pin bolt (one on top) and tighten to the specified torque.
5. Check brake for drag.
6. Install tires to the vehicle.
Removal and Installation of Brake Caliper AssemblyAFS001ND
REMOVAL
1. Remove tires from vehicle with power tool.
2. Drain brake fluid. Refer to BR-9, "
Drain and Refill" .
3. Remove union bolt and torque member bolts, and remove brake
caliper assembly from the vehicle.
4. Remove disc rotor.
INSTALLATION
CAUTION:
Refill with new brake fluid “DOT 3”.
Do not reuse drained brake fluid.
1. Install disc rotor.
2. Install caliper assembly to the vehicle, and tighten bolts to the specified torque.
PFIA0413E
Page 1120 of 4449

REAR DISC BRAKE
BR-27
C
D
E
G
H
I
J
K
L
MA
B
BR
Revision: 2004 November 2004 FX35/FX45
CAUTION:
Before installing caliper assembly to the vehicle, wipe off oil and grease on washer seats on axle
assembly and mounting surface of caliper assembly.
3. Install brake hose to caliper assembly and tighten union bolt to the specified torque.
CAUTION:
Do not reuse copper washer for union bolt.
Securely attach brake hose to protrusion on caliper assembly.
4. Refill new brake fluid and bleed air. Refer to BR-10, "
Bleeding Brake System" .
5. Install tires to the vehicle.
Disassembly and Assembly of Brake Caliper AssemblyAFS001NE
DISASSEMBLY
1. Remove sliding pin bolt, and then remove pad, shim, shim cover, and pad retainer from torque member
and cylinder.
2. Remove sliding pin boot from torque member.
3. As shown in the figure, using a flat-bladed screwdriver, remove
retaining ring from cylinder body.
4. Place a wooden block as shown in the figure, and blow air from
union bolt mounting hole to remove pistons and piston boots.
CAUTION:
Do not get your fingers caught in piston.
5. Using a flat-bladed screwdriver, remove piston seals from cylin-
der body.
CAUTION:
Be careful not to damage cylinder inner wall.
CALIPER INSPECTION
Cylinder Body
CAUTION:
Use new brake fluid to clean. Do not use mineral oils such as gasoline or kerosene.
Check inside surface of cylinder for score, rust wear, damage or foreign materials. If any of the
above conditions are observed, replace cylinder body.
SBR028A
BRD0041D
PFIA0269E