2004 INFINITI FX35 Service Manual

Page 697 of 4449

INFINITI FX35 2004  Service Manual AV-106
NAVIGATION SYSTEM
Revision: 2004 November 2004 FX35/FX45
Schematic—NAVI—AKS007IS
TKWM1288E

Page 698 of 4449

INFINITI FX35 2004  Service Manual NAVIGATION SYSTEM
AV-107
C
D
E
F
G
H
I
J
L
MA
B
AV
Revision: 2004 November 2004 FX35/FX45
Wiring Diagram —NAVI—AKS007IT
TKWM1289E

Page 699 of 4449

INFINITI FX35 2004  Service Manual AV-108
NAVIGATION SYSTEM
Revision: 2004 November 2004 FX35/FX45
TKWM0572E

Page 700 of 4449

INFINITI FX35 2004  Service Manual NAVIGATION SYSTEM
AV-109
C
D
E
F
G
H
I
J
L
MA
B
AV
Revision: 2004 November 2004 FX35/FX45
TKWH0268E

Page 701 of 4449

INFINITI FX35 2004  Service Manual AV-110
NAVIGATION SYSTEM
Revision: 2004 November 2004 FX35/FX45
TKWM0810E

Page 702 of 4449

INFINITI FX35 2004  Service Manual NAVIGATION SYSTEM
AV-111
C
D
E
F
G
H
I
J
L
MA
B
AV
Revision: 2004 November 2004 FX35/FX45
TKWM1267E

Page 703 of 4449

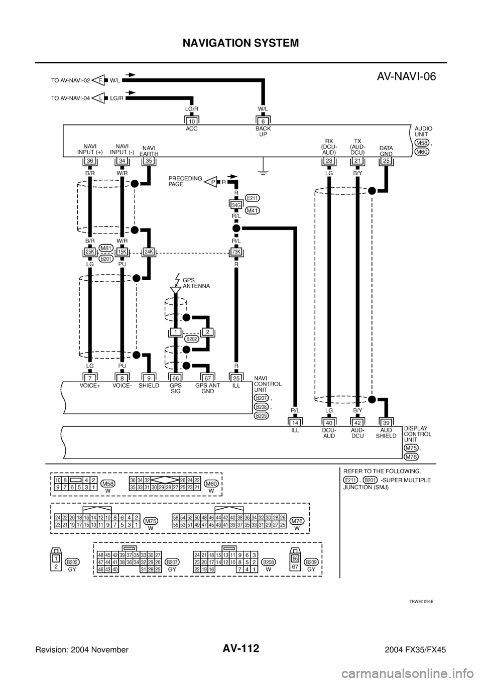
INFINITI FX35 2004  Service Manual AV-112
NAVIGATION SYSTEM
Revision: 2004 November 2004 FX35/FX45
TKWM1094E

Page 704 of 4449

INFINITI FX35 2004  Service Manual NAVIGATION SYSTEM
AV-113
C
D
E
F
G
H
I
J
L
MA
B
AV
Revision: 2004 November 2004 FX35/FX45
TKWH0270E