2004 INFINITI FX35 Service Manual

Page 601 of 4449

INFINITI FX35 2004  Service Manual AV-10
AUDIO
Revision: 2004 November 2004 FX35/FX45
Schematic -Base System-AKS005T4
WITH NAVIGATION SYSTEM
TKWH0253E

Page 602 of 4449

INFINITI FX35 2004  Service Manual AUDIO
AV-11
C
D
E
F
G
H
I
J
L
MA
B
AV
Revision: 2004 November 2004 FX35/FX45
WITHOUT NAVIGATION SYSTEM
TKWH0254E

Page 603 of 4449

INFINITI FX35 2004  Service Manual AV-12
AUDIO
Revision: 2004 November 2004 FX35/FX45
Wiring Diagram -AUDIO- / Base SystemAKS007X2
TKWM0554E

Page 604 of 4449

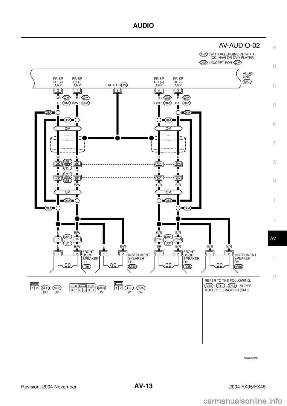
INFINITI FX35 2004  Service Manual AUDIO
AV-13
C
D
E
F
G
H
I
J
L
MA
B
AV
Revision: 2004 November 2004 FX35/FX45
TKWH0255E

Page 605 of 4449

INFINITI FX35 2004  Service Manual AV-14
AUDIO
Revision: 2004 November 2004 FX35/FX45
TKWH0256E

Page 606 of 4449

INFINITI FX35 2004  Service Manual AUDIO
AV-15
C
D
E
F
G
H
I
J
L
MA
B
AV
Revision: 2004 November 2004 FX35/FX45
TKWH0257E

Page 607 of 4449

INFINITI FX35 2004  Service Manual AV-16
AUDIO
Revision: 2004 November 2004 FX35/FX45
TKWM0556E

Page 608 of 4449

INFINITI FX35 2004  Service Manual AUDIO
AV-17
C
D
E
F
G
H
I
J
L
MA
B
AV
Revision: 2004 November 2004 FX35/FX45
TKWM0557E