Page 657 of 3383
AV-64
TELEPHONE
Revision: November 20092006 QX56
TELEPHONEPFP:28342
Component Parts and Harness Connector LocationEKS00GC0
WKIA4565E
1. Fuse block (J/B)2. Fuse and fusible link box 3. Fuse and relay box
4. Combination meter M24 5. AV switch
M98 6. Audio unit
M45
7. BCM M18, M19 8. Steering wheel audio control
switches 9. Microphone
R108
10. Bluetooth ON indicator R16 11. Bluetooth control unit
B141, B142
(View with seat removed)
Page 658 of 3383

TELEPHONEAV-65
C
DE
F
G H
I
J
L
M A
B
AV
Revision: November 2009 2006 QX56
System DescriptionEKS00GBL
BLUETOOTH® HANDS-FREE PHONE SYSTEM
Refer to the Owner's Manual for Bluetooth telephone system operating instructions.
NOTE:
Cellular telephones must have their wireless connection set up (paired) before using the Bluetooth telephone
system.
Bluetooth telephone system allows users who have a Bluetooth cellular telephone to make a wireless connec-
tion between their cellular telephone and the Bluetooth control unit. Hands-free cellular telephone calls can be
sent and received. Personal memos can be created using the Infinity Voice Recognition system. Some Blue-
tooth cellular telephones may not be recognized by the Bluetooth control unit. When a cellular telephone or
the Bluetooth control unit is replaced, the telephone must be paired with the Bluetooth control unit. Different
cellular telephones may have different pairing procedures. Refer to the cellular telephone operating manual.
Bluetooth Telephone System Diagram
Bluetooth Control Unit
When the ignition switch is turned to ACC or ON, the Bluetooth control unit will power up. During power up, the
Bluetooth control unit is initialized and performs various self checks. Initialization may take up to 10 seconds.
During this time the Bluetooth ON indicator will flash until initialization is complete. Infinity Voice Recognition
will then become active and the Bluetooth ON indicator will remain on. Bluetooth telephone functions can be
turned off using the voice recognition system.
BCM
The BCM supplies power for the Bluetooth ON indicator.
Steering Wheel Audio Control Switches
When buttons on the steering wheel audio control switch are pushed, the resistance in steering wheel audio
control switch circuit changes depending on which button is pushed. The Bluetooth control module uses this
signal to perform various functions while navigating through the voice recognition system.
The following functions can be performed using the steering wheel audio control switch:
Initiate Self Diagnosis of the Bluetooth telephone system
Start a voice recognition session
Answer and end telephone calls
Adjust the volume of calls
Record memos
AV S w i t c h
Call volume can be adjusted using the AV switch.
WKIA4569E
Page 659 of 3383
AV-66
TELEPHONE
Revision: November 20092006 QX56
Microphone
The microphone is located in the roof console assembly. The microphone sends a signal to the Bluetooth con-
trol unit.
Combination Meter
The combination meter supplies speed signals to the Bluetooth control unit. Vehicle speed signals are used to
determine which voice command functions will be disabled based on driving conditions.
Bluetooth ON Indicator
The Bluetooth ON indicator is located in the overhead console. The indicator will flash during power up while
the Bluetooth control unit is initializing. This process may take up to 10 seconds. After initialization, the indica-
tor will remain on to indicate that the system is ready for voice commands.
Audio Unit
The audio unit receives signals from the Bluetooth control unit and sends audio signals to the speakers.
Page 660 of 3383
TELEPHONEAV-67
C
DE
F
G H
I
J
L
M A
B
AV
Revision: November 2009 2006 QX56
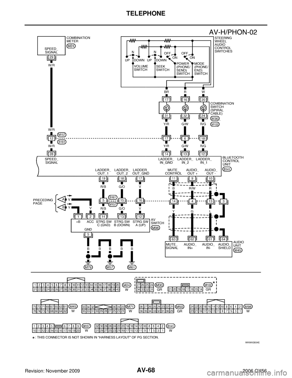
Wiring Diagram — H/PHONE —EKS00GBN
WKWA3603E
Page 661 of 3383
AV-68
TELEPHONE
Revision: November 20092006 QX56
WKWA3604E
Page 662 of 3383

TELEPHONEAV-69
C
DE
F
G H
I
J
L
M A
B
AV
Revision: November 2009 2006 QX56
Terminals and Reference Value for Bluetooth Control UnitEKS00GBO
Terminal
(Wire color) ItemSignal
input/
output Condition
Reference value
(Approx.) Example of symptom
+ – Ignition
switch Operation
1 (Y) Ground Battery
powerInput
–– Battery voltageSystem does not
work properly.
2 (V) Ground ACC power Input ACC/
ON –
Battery voltage System does not
work properly.
3 (G/R) Ground IGN power Input ON/
START –
Battery voltage System does not
work properly.
4 (B) –Ground –– – ––
6 –Shield –– – ––
7 (B) 8 (R/L) Mic-in signal Input ON –– –
9 (R/W) 10 (R) Audio out Output ––––
11 ( B ) –Mute –– – ––
12 (R/G) Ground Remote
control A Input ON Press MODE
switch Approx. 0V
Steering wheel audio
controls do not func-
tion.
Press SEEK UP
switch Approx. 0.75V
Press VOL UP switch Approx. 2V
Except for above Approx. 5V
13 (G/W) Ground Remote
control B Input ON Press POWER
switch Approx. 0V
Steering wheel audio
controls do not func-
tion.
Press SEEK
DOWN switch Approx. 0.75V
Press VOL
DOWN switch Approx. 2V
Except for above Approx. 5V
14 (Y/R) - Remote
control
ground -- -
-Steering wheel audio
controls do not func-
tion.
15 (GR) - LED - - -- -
17 (V) Ground AV switch 1 Output On Press MODE
switch Approx. 0V
Steering wheel audio controls do not func- tion.
Press SEEK UP
switch Approx. 0.75V
Press VOL UP switch Approx. 2V
Except for above Approx 5V
18 (G/O) Ground AV switch 2 Output ON Press POWER
switch Approx. 0V
Steering wheel audio controls do not func- tion.
Press SEEK
DOWN switch Approx. 0.75V
Prees VOL
DOWN switch Approx. 2V
Except for above Approx 5V
19 (R/B) - AV switch
ground -- -
-Steering wheel audio
controls do not func- tion.
21 (B) - Ground - - -- –
Page 663 of 3383
AV-70
TELEPHONE
Revision: November 20092006 QX56
28 (W/R)–Speed sig-
nal –– –
––
29 (R/W) –Microphone
power –– –
––
33 –Bluetooth
antenna sig-
nal Input
–– ––
Terminal
(Wire color) ItemSignal
input/
output Condition
Reference value
(Approx.) Example of symptom
+ – Ignition
switch Operation
Page 664 of 3383

TELEPHONEAV-71
C
DE
F
G H
I
J
L
M A
B
AV
Revision: November 2009 2006 QX56
Bluetooth Control Unit Self-Diagnosis FunctionEKS00GBP
The Bluetooth control unit has two diagnostic checks. The first diagnostic check is performed automatically
every ignition cycle during control unit initialization. The second diagnostic check is performed by the techni-
cian using the steering wheel audio control switches prior to trouble diagnosis.
BLUETOOTH CONTROL UNIT INITIALIZATION CHECKS
Internal control unit failure
Bluetooth antenna connection open or shorted
Steering wheel audio control switches (SEND/END) stuck closed
Vehicle speed pulse count
Microphone connection test (with playback to operator)
Bluetooth inquiry check
STARTING THE DIAGNOSTIC MODE
1. Turn ignition switch to ACC or ON.
2. Wait for the Bluetooth system to complete initialization and the Bluetooth ON indicator to stop flashing.
This may take up to 10 seconds.
3. Press and hold the steering wheel audio control switch SEND button for at least 5 seconds. The Bluetooth system will begin to
play a verbal prompt.
4. While the prompt is playing, momentarily press both the steering wheel audio control switches SEND and END buttons simulta-
neously. The Bluetooth system will sound a 5 second beep.
5. While the beep is sounding, momentarily press both the steering wheel audio control switches SEND and END buttons simulta-
neously again.
6. The Bluetooth system has now entered into the diagnostic mode. Results of the diagnostic checks will be verbalized to the
technician by the system.
WKIA4446E
WKIA4447E