Page 361 of 4462

OVERHAUL AT-277
D E
F
G H
I
J
K L
M A
B
AT
Revision: 2006 December 2006 FX35/FX45
7. Converter housing 8. Oil pump housing oil seal 9. Bearing race
10. Needle bearing 11. O-ring 12. Front carrier assembly
13. Needle bearing 14. Snap ring 15. Front sun gear
16. 3rd one-way clutch 17. Snap ring 18. Bearing race
19. Needle bearing 20. Seal ring 21. Input clutch assembly
22. Needle bearing 23. Rear internal gear 24. Brake band
25. Mid carrier assembly 26. Needle bearing 27. Bearing race
28. Rear carrier assembly 29. Needle bearing 30. Mid sun gear
31. Seal ring 32. Rear sun gear 33. 1st one-way clutch
34. Snap ring 35. Needle bearing 36. High and low reverse clutch hub
37. Snap ring 38. Bearing race 39. Needle bearing
Refer to GI section to make sure icons (symbol marks) in the figure. Refer to GI-11, "
Components" .
However, refer to the following symbols for others. : Apply Genuine RTV silicone sealant or equivalent. Refer to GI-48, "
Recommended Chemical Products and Sealants" .
Page 362 of 4462
AT-278
OVERHAUL
Revision: 2006 December 2006 FX35/FX45
VQ35DE models
SCIA7389E
1. Bearing race 2. High and low reverse clutch assem- bly 3. Needle bearing
4. Direct clutch assembly 5. Needle bearing 6. Reverse brake dish plate
Page 363 of 4462
OVERHAUL AT-279
D E
F
G H
I
J
K L
M A
B
AT
Revision: 2006 December 2006 FX35/FX45
7. Reverse brake driven plate 8. N-sprig 9. Snap ring
10. Reverse brake retaining plate 11. Reverse brake drive plate 12. Snap ring
13. Spring retainer 14. Return spring 15. Reverse brake piston
16. D-ring 17. D-ring
Page 364 of 4462
AT-280
OVERHAUL
Revision: 2006 December 2006 FX35/FX45
VK45DE models
SCIA6982E
1. Bearing race 2. High and low reverse clutch assembly 3. Needle bearing
4. Direct clutch assembly 5. Needle bearing 6. Reverse brake dish plate
Page 365 of 4462
OVERHAUL AT-281
D E
F
G H
I
J
K L
M A
B
AT
Revision: 2006 December 2006 FX35/FX45
7. Reverse brake dish plate 8. Reverse brake driven plate 9. N-spring
10. Snap ring 11. Reverse brake retaining plate 12. Reverse brake drive plate
13. Snap ring 14. Spring retainer 15. Return spring
16. Reverse brake piston 17. D-ring 18. D-ring
Refer to GI section to make sure icons (symbol marks) in the figure. Refer to GI-11, "
Components" .
Page 366 of 4462
AT-282
OVERHAUL
Revision: 2006 December 2006 FX35/FX45
2WD models
SCIA7434E
1. Rear oil seal 2. Self-sealing bolt 3. Rear extension
4. Parking actuator support 5. Return spring 6. Parking pawl
Page 367 of 4462

OVERHAUL AT-283
D E
F
G H
I
J
K L
M A
B
AT
Revision: 2006 December 2006 FX35/FX45
7. Pawl shaft 8. Seal ring 9. Needle bearing
10. Revolution sensor 11. Parking gear 12. Output shaft
13. Bearing race 14. Needle bearing 15. Manual plate
16. Parking rod 17. Manual shaft oil seal 18. Manual shaft
19. O-ring 20. Band servo anchor end pin 21. Detent spring
22. Spacer 23. Seal ring 24. Snap ring
25. Return spring 26. O-ring 27. Servo assembly
28. Snap ring 29. Sub-harness 30. Control valve with TCM
31. Bracket 32. A/T fluid temperature sensor 2 33. Oil pan
34. Magnet 35. Drain plug 36. Drain plug gasket
37. Oil pan mounting bolt 38. Oil pan gasket 39. Terminal cord assembly
40. O-ring 41. Retaining pin 42. Transmission case
Refer to GI section to make sure icons (symbol marks) in the figure. Refer to GI-11, "
Components" .
However, refer to the following symbol for others.
*: Apply Genuine Anaerobic Liquid Gasket or equivalent. Refer to GI-48, "Recommended Chemical Products and Sealants" .
Page 368 of 4462
AT-284
OVERHAUL
Revision: 2006 December 2006 FX35/FX45
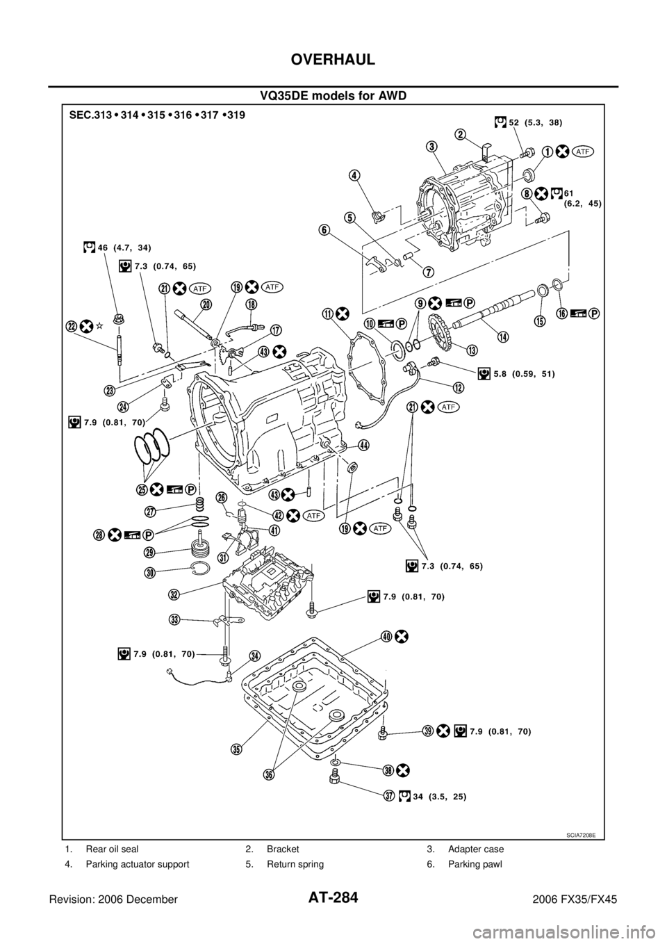
VQ35DE models for AWD
SCIA7208E
1. Rear oil seal 2. Bracket 3. Adapter case
4. Parking actuator support 5. Return spring 6. Parking pawl