Page 2489 of 3419

LT-42
HEADLAMP (FOR CANADA) - DAYTIME LIGHT SYSTEM -
Revision: October 20052005 QX56
How to Proceed With Trouble DiagnosisEKS00B8J
1. Confirm the symptom or customer complaint.
2. Understand operation description and function description. Refer to LT-34, "
System Description" .
3. Perform the Preliminary Check. Refer to LT-42, "
Preliminary Check" .
4. Check symptom and repair or replace the cause of malfunction.
5. Does the headlamp operate normally? If YES: GO TO 6. If NO: GO TO 4.
6. Inspection End.
Preliminary CheckEKS00B8K
CHECK BCM CONFIGURATION
1. CHECK BCM CONFIGURATION
Confirm BCM configuration for "DTRL" is set to "WITH". Refer to BCS-14, "
READ CONFIGURATION PROCE-
DURE" .
OK or NG
OK >> Continue preliminary check. Refer to LT- 4 2 , "INSPECTION FOR POWER SUPPLY AND
GROUND CIRCUIT" .
NG >> Change BCM configuration for "DTRL" to "WITH". Refer to BCS-16, "
WRITE CONFIGURATION
PROCEDURE" .
INSPECTION FOR POWER SUPPLY AND GROUND CIRCUIT
1. CHECK FUSES AND FUSIBLE LINK
Check for blown fuses or fusible link.
Refer to LT- 3 7 , "
Wiring Diagram — DTRL —" .
OK or NG
OK >> GO TO 2.
NG >> If fuse or fusible link is blown, be sure to eliminate cause of malfunction before installing new fuse
or fusible link. Refer to PG-4, "
POWER SUPPLY ROUTING CIRCUIT" .
35 O/B Combination switch output 2
ONLighting, turn, wiper OFF
Wiper dial position 4
36 R/W Combination switch output 1
38 W/L Ignition switch (ON) ON — Battery voltage
39 L CAN-H — — —
40 P CAN-L — — —
67 B Ground ON — 0V
70 W/B Battery power supply (fusible link) OFF — Battery voltage Te r m i n a l
No.Wire
colorSignal nameMeasuring condition
Reference value
(Approx.) Ignition
switchOperation or condition
SKIA5292E
Unit Power source Fuse and fusible link No.
BCMBattery f
Ignition switch ON or START position 59
Daytime light relay Battery 45
Page 2490 of 3419

HEADLAMP (FOR CANADA) - DAYTIME LIGHT SYSTEM -
LT-43
C
D
E
F
G
H
I
J
L
MA
B
LT
Revision: October 20052005 QX56
2. CHECK POWER SUPPLY CIRCUIT
1. Disconnect BCM connectors.
2. Check voltage between BCM harness connector and ground.
OK or NG
OK >> GO TO 3.
NG >> Check harness for open or short between BCM and fuse
or fusible link.
3. CHECK GROUND CIRCUIT
Check continuity between BCM harness connector and ground.
OK or NG
OK >> Inspection End.
NG >> Check ground circuit harness.
INSPECTION PARKING BRAKE SWITCH CIRCUIT
1. CHECK BRAKE INDICATOR
1. Turn ignition switch ON.
2. Apply parking brake.
3. Release parking brake.
OK or NG
OK >> Inspection End.
NG >> GO TO 2.
Terminals Ignition switch position
(+)
(–) OFF ACC ON
ConnectorTerminal
(Wire color)
M18 38 (W/L)
Ground0V 0VBattery
voltage
M20 70 (W/B)Battery
voltageBattery
voltageBattery
voltage
WKIA1436E
Terminals
Continuity
ConnectorTe r m i n a l
(Wire color)
M20 67 (B) Ground Yes
LIIA0915E
Brake indicator in combination meter should illuminate
when parking brake is applied and turn OFF when
released.
Page 2491 of 3419

LT-44
HEADLAMP (FOR CANADA) - DAYTIME LIGHT SYSTEM -
Revision: October 20052005 QX56
2. CHECK PARKING BRAKE SWITCH SIGNAL
1. Turn ignition switch OFF.
2. Disconnect parking brake switch connector.
3. Turn ignition switch ON.
4. Check voltage between parking brake switch harness connector
M11 terminal + (G) and ground.
OK or NG
OK >> Replace parking brake switch.
NG >> GO TO 3.
3. CHECK PARKING BRAKE SWITCH CIRCUIT
1. Turn ignition switch OFF.
2. Disconnect combination meter connector.
3. Check continuity between combination meter harness connector
M24 terminal 23 (G) and parking brake switch harness connec-
tor M11 terminal + (G).
OK or NG
OK >> Replace combination meter. Refer to IP-13, "Combina-
tion Meter" .
NG >> Repair harness or connector.
CONSULT-II FunctionsEKS00B8L
Refer to LT- 1 7 , "CONSULT-II Function (BCM)" in HEADLAMP (FOR USA).
Refer to LT- 2 0 , "
CONSULT-II Function (IPDM E/R)" in HEADLAMP (FOR USA).
Daytime Light Control Does Not Operate Properly (Normal Headlamps Operate
Properly)
EKS00D6B
1. CHECK DAYTIME LIGHT RELAY POWER SUPPLY CIRCUIT
1. Remove daytime light relay.
2. Check voltage between daytime light relay harness connector
E103 terminals 2 (G), 5 (G) and ground.
OK or NG
OK >> GO TO 2.
NG >> Repair harness or connector.+ (G) - Ground : Battery voltage should exist.
WKIA0481E
+ (G) - 23 (G) : Continuity should exist.
WKIA1445E
2 (G), 5 (G) - Ground : Battery voltage should exist.
WKIA1446E
Page 2492 of 3419

HEADLAMP (FOR CANADA) - DAYTIME LIGHT SYSTEM -
LT-45
C
D
E
F
G
H
I
J
L
MA
B
LT
Revision: October 20052005 QX56
2. CHECK DAYTIME LIGHT RELAY
1. Apply battery voltage to daytime light relay terminal 2 and
ground terminal 1.
2. Check continuity between terminals 3 and 5.
OK or NG
OK >> GO TO 3.
NG >> Replace daytime light relay.
3. CHECK DAYTIME LIGHT RELAY CIRCUIT
1. Disconnect IPDM E/R connector E122.
2. Check continuity between daytime light relay connector E103
terminal 1 (BR) and front combination lamp LH harness connec-
tor E122 terminal 44 (BR).
OK or NG
OK >> GO TO 4.
NG >> Repair harness or connector.
4. CHECK INPUT SIGNAL
1. Connect daytime light relay and IPDM E/R connector.
2. Start engine and release parking brake. Headlamp switch OFF.
3. Select "IPDM E/R" on CONSULT-II. With data monitor, make
sure "DTRL REQ" turns ON-OFF linked with operation of park-
ing brake switch.
OK or NG
OK >> Replace IPDM E/R. Refer to PG-28, "Removal and
Installation of IPDM E/R" .
NG >> GO TO 5.
5. CHECKING CAN COMMUNICATIONS
Select "BCM" on CONSULT-II and perform self-diagnosis for BCM.
Displayed self-diagnosis results
NO DTC>>Replace BCM. Refer to BCS-20, "Removal and Installa-
tion of BCM" .
CAN COMM CIRCUIT>> Check BCM CAN communication system.
Refer to BCS-13, "
CAN Communication Inspection
Using CONSULT-II (Self-Diagnosis)" . 3 - 5 : Continuity should exist.
WKIA1447E
44 (BR) - 1 (BR) : Continuity should exist.
WKIA2069E
Parking brake ON : DTRL REQ ON
Parking brake OFF : DTRL REQ OFF
WKIA1449E
SKIA1039E
Page 2493 of 3419
LT-46
HEADLAMP (FOR CANADA) - DAYTIME LIGHT SYSTEM -
Revision: October 20052005 QX56
Aiming AdjustmentEKS00D6C
Refer to LT- 3 0 , "Aiming Adjustment" .
Bulb ReplacementEKS00D6D
Refer to LT- 3 2 , "Disassembly and Assembly" .
Removal and InstallationEKS00D6E
Refer to LT- 3 2 , "Removal and Installation" .
Disassembly and AssemblyEKS00D6F
Refer to LT- 3 2 , "Disassembly and Assembly" .
Page 2494 of 3419
AUTO LIGHT SYSTEM
LT-47
C
D
E
F
G
H
I
J
L
MA
B
LT
Revision: October 20052005 QX56
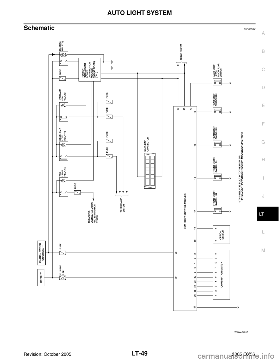
AUTO LIGHT SYSTEMPFP:28491
Component Parts and Harness Connector LocationEKS00B8R
WKIA3552E
Page 2495 of 3419

LT-48
AUTO LIGHT SYSTEM
Revision: October 20052005 QX56
System DescriptionEKS00B8S
Automatically turns on/off the parking lamps and the headlamps in accordance with ambient light.
Timing for when the lamps turn on/off can be selected using four modes.
OUTLINE
The auto light control system uses an optical sensor that detects outside brightness.
When the lighting switch is in "AUTO" position, it automatically turns on/off the parking lamps and the head-
lamps in accordance with the ambient light. Sensitivity can be adjusted in four steps. For the details of the set-
ting, refer to LT-55, "
SETTING CHANGE FUNCTIONS" .
Optical sensor ground is supplied
to optical sensor terminal 3
through BCM (body control module) terminal 18 .
When ignition switch is turned to “ON” position and when outside brightness is darker than prescribed level,
input is supplied
to BCM terminal 58
through optical sensor terminal 4.
The headlamps will then illuminate. For a description of headlamp operation, refer to LT- 6 , "
System Descrip-
tion" .
COMBINATION SWITCH READING FUNCTION
Refer to BCS-3, "COMBINATION SWITCH READING FUNCTION" .
EXTERIOR LAMP BATTERY SAVER CONTROL
When the combination switch (lighting switch) is in the AUTO position, and the ignition switch is turned from
ON or ACC to OFF, and one of the front doors is opened, the battery saver control feature is activated.
Under this condition, the headlamps remain illuminated for 5 minutes, then the headlamps are turned off.
Exterior lamp battery saver control mode can be changed by the function setting of CONSULT-II.
DELAY TIMER FUNCTION
When the ignition switch is ON and auto light switch is ON, the BCM turns on/off the headlamps. In delay timer
function, ignition is OFF, auto light sensor power source is OFF and the headlamps are not turned on/off by the
BCM. On condition that:
when the state of ignition switch ON or ACC is ON and output judgment by auto light function is headlamp
ON changes to ignition switch and ACC are OFF and any door switch is ON, output judgment by BCM
should be headlamp ON for 5 minutes by timer. After time out, output judgment by BCM should be head-
lamp OFF.
when the state of any door switch is turned to ON from OFF while 45 second or 5 minute timer is counting,
timer stops, and restarts counting for 5 minutes, then BCM judges output as headlamp ON. After time out,
BCM judges output as headlamp OFF.
when the state of front door switch LH, front door switch RH, rear door switch LH, rear door switch RH or
back door latch (door ajar switch) is ON turns to all door switches are OFF while 45 second or 5 minute
timer is counting, timer stops, and restarts counting for 45 seconds, then BCM judges output as headlamp
ON. After timer out, BCM judges output as headlamp OFF.
when the state is ignition switch ON or ACC is ON or auto light switch OFF while timer is counting, timer
stops counting and BCM turns on/off lamps according to headlamp function, front fog lamp function, auto
light function and headlamp battery save function.
Delay timer control mode can be changed by the function setting of CONSULT-II.
CAN Communication System DescriptionEKS00B8T
Refer to LAN-5, "CAN COMMUNICATION" .
Major Components and FunctionsEKS00B8U
Components Functions
BCM
Turns on/off circuits of tail light and headlamp according to signals from light sensor, lighting switch
(AUTO), front door switch LH, front door switch RH, rear door switch, back door latch (door ajar
switch), and ignition switch (ON, OFF).
Optical sensor
Converts ambient light (lux) to voltage, and sends it to BCM. (Detects lightness of 50 to 1,300 lux)
Page 2496 of 3419
AUTO LIGHT SYSTEM
LT-49
C
D
E
F
G
H
I
J
L
MA
B
LT
Revision: October 20052005 QX56
SchematicEKS00B8V
WKWA2485E