Page 1657 of 3419

EC-466Revision: October 2005
DTC P1271, P1281 A/F SENSOR 1
2005 QX56
4. CHECK A/F SENSOR 1 INPUT SIGNAL CIRCUIT FOR OPEN AND SHORT
1. Turn ignition switch OFF.
2. Disconnect ECM harness connector.
3. Check harness continuity between A/F sensor 1 terminal and ECM terminal as follows.
Refer to Wiring Diagram.
4. Check harness continuity between the following terminals and ground.
Refer to Wiring Diagram.
5. Also check harness for short to power.
OK or NG
OK >> GO TO 5.
NG >> Repair open circuit or short to ground or short to power in harness or connectors.
5. CHECK INTERMITTENT INCIDENT
Refer to EC-156, "
TROUBLE DIAGNOSIS FOR INTERMITTENT INCIDENT" .
OK or NG
OK >> GO TO 6.
NG >> Repair or replace.
6. REPLACE AIR FUEL RATIO (A/F) SENSOR 1
Replace air fuel ratio (A/F) sensor 1.
CAUTION:
Discard any air fuel ratio (A/F) sensor which has been dropped from a height of more than 0.5 m
(19.7 in) onto a hard surface such as a concrete floor; use a new one.
Before installing new air fuel ratio (A/F) sensor, clean exhaust system threads (using Oxygen Sen-
sor Thread Cleaner tool J-43897-18 or J-43897-12) and approved anti-seize lubricant.
>>INSPECTION END
A/F sensor 1 terminal ECM terminal
Bank1116
275
535
656
Bank 2176
277
557
658
Continuity should exist.
Bank 1 Bank 2
A/F sensor 1 terminal ECM terminal A/F sensor 1 terminal ECM terminal
116176
275277
535557
656658
Continuity should not exist.
Page 1658 of 3419
DTC P1271, P1281 A/F SENSOR 1
EC-467
C
D
E
F
G
H
I
J
K
L
MA
EC
Revision: October 20052005 QX56
Removal and InstallationUBS00H9L
AIR FUEL RATIO (A/F) SENSOR 1
Refer to EM-19, "EXHAUST MANIFOLD AND THREE WAY CATALYST" .
Page 1659 of 3419

EC-468Revision: October 2005
DTC P1272, P1282 A/F SENSOR 1
2005 QX56
DTC P1272, P1282 A/F SENSOR 1PFP:22693
Component DescriptionUBS00H9M
The air fuel ratio (A/F) sensor 1 is a planar dual-cell limit current sen-
sor. The sensor element of the A/F sensor 1 is the combination of a
Nernst concentration cell (sensor cell) with an oxygen-pump cell,
which transports ions. It has a heater in the element.
The sensor is capable of precise measurement = 1, but also in the
lean and rich range. Together with its control electronics, the sensor
outputs a clear, continuous signal throughout a wide range (0.7 <
< air).
The exhaust gas components diffuse through the diffusion gap at the
electrode of the oxygen pump and Nernst concentration cell, where
they are brought to thermodynamic balance.
An electronic circuit controls the pump current through the oxygen-
pump cell so that the composition of the exhaust gas in the diffusion
gap remains constant at = 1. Therefore, the A/F sensor 1 is able to
indicate air/fuel ratio by this pumping of current. In addition, a heater
is integrated in the sensor to ensure the required operating tempera-
ture of 700 - 800°C (1,292 - 1,472°F).
CONSULT-II Reference Value in Data Monitor ModeUBS00H9N
Specification data are reference values.
On Board Diagnosis LogicUBS00H9O
To judge the malfunction, the diagnosis checks that the A/F signal computed by ECM from the A/F sensor 1
signal is not inordinately high.
DTC Confirmation ProcedureUBS00H9P
NOTE:
If DTC Confirmation Procedure has been previously conducted, always turn ignition switch OFF and wait at
least 10 seconds before conducting the next test.
TESTING CONDITION:
Before performing the following procedure, confirm that battery voltage is more than 10.5V at idle.
WITH CONSULT-II
1. Start engine and warm it up to normal operating temperature.
2. Select “A/F SEN1 (B1)” or “A/F SEN1 (B2)” in “DATA MONITOR” mode with CONSULT-II.
SEF 5 79 Z
SEF 5 80 Z
MONITOR ITEM CONDITION SPECIFICATION
A/F SEN1 (B1)
A/F SEN1 (B2)
Engine: After warming upMaintaining engine speed at
2,000 rpmFluctuates around 1.5V
DTC No. Trouble diagnosis name DTC detecting condition Possible Cause
P1272
1272
(Bank 1)
Air fuel ratio (A/F) sensor 1
circuit no activity detected
The A/F signal computed by ECM from the A/F
sensor 1 signal is constantly approx. 5V.
Harness or connectors
(The A/F sensor 1 circuit is open or
shorted.)
Air fuel ratio (A/F) sensor 1 P1282
1282
(Bank 2)
Page 1660 of 3419

DTC P1272, P1282 A/F SENSOR 1
EC-469
C
D
E
F
G
H
I
J
K
L
MA
EC
Revision: October 20052005 QX56
3. Check “A/F SEN1 (B1)” or “A/F SEN1 (B2)” indication.
If the indication is constantly approx. 5V, go to EC-473, "
Diag-
nostic Procedure" .
If the indication is not constantly approx. 5V, go to next step.
4. Turn ignition switch OFF, wait at least 10 seconds and then
restart engine.
5. Drive and accelerate vehicle to more than 40 km/h (25 MPH)
within 20 seconds after restarting engine.
6. Maintain the following conditions for about 20 consecutive sec-
onds.
NOTE:
Keep the accelerator pedal as steady as possible during the cruising.
If this procedure is not completed within 1 minute after restarting engine at step 4, return to step
4.
7. If 1st trip DTC is displayed, go to EC-473, "
Diagnostic Procedure" .
WITH GST
Follow the procedure “WITH CONSULT-II” above.
ENG SPEED 1,000 - 3,200 rpm
VHCL SPEED SE More than 40 km/h (25 MPH)
B/FUEL SCHDL 1.5 - 9.0 msec
Gear position Suitable position
SEF 5 81 Z
Page 1661 of 3419
EC-470Revision: October 2005
DTC P1272, P1282 A/F SENSOR 1
2005 QX56
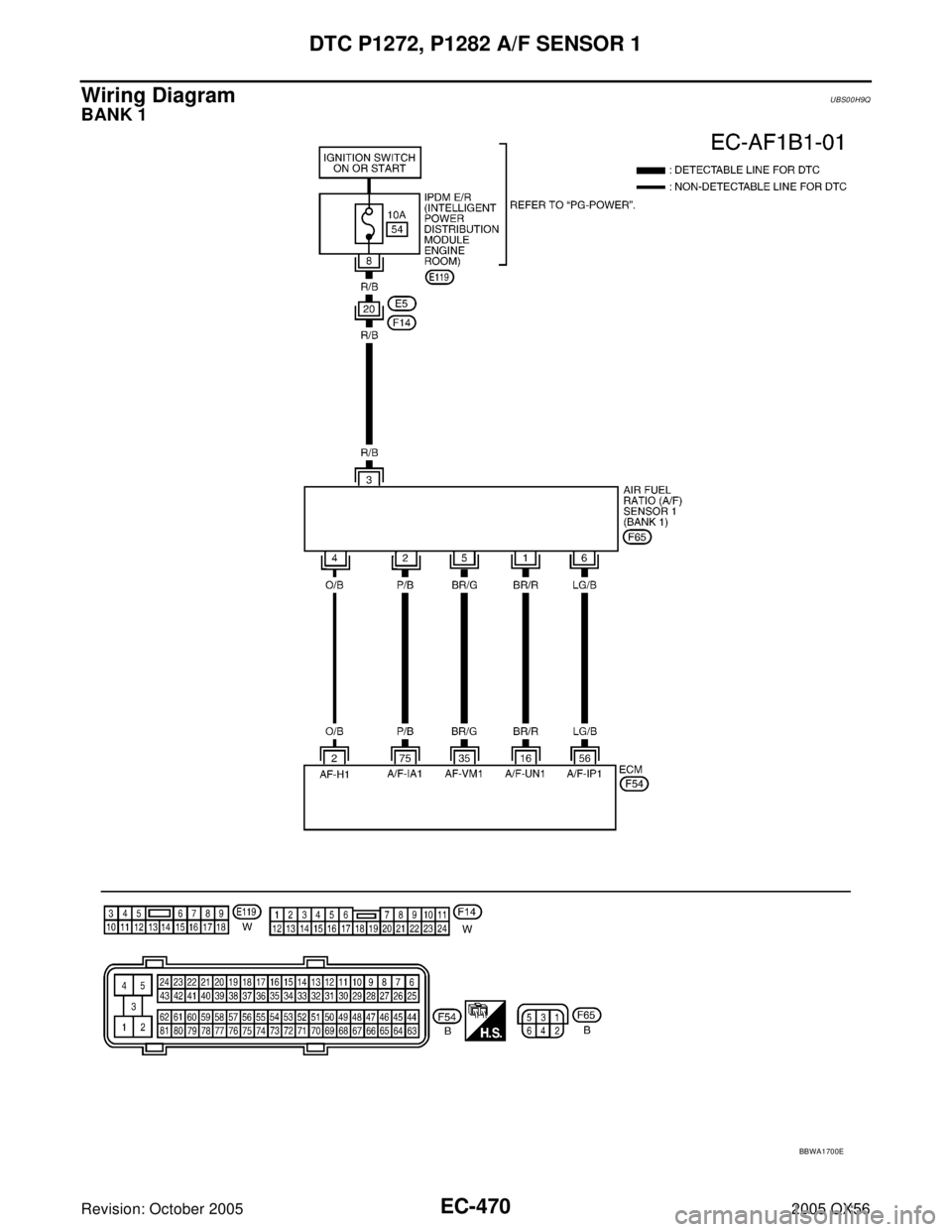
Wiring DiagramUBS00H9Q
BANK 1
BBWA1700E
Page 1662 of 3419
DTC P1272, P1282 A/F SENSOR 1
EC-471
C
D
E
F
G
H
I
J
K
L
MA
EC
Revision: October 20052005 QX56
Specification data are reference values and are measured between each terminal and ground.
CAUTION:
Do not use ECM ground terminals when measuring input/output voltage. Doing so may result in dam-
age to the ECM's transistor. Use a ground other than ECM terminals, such as the ground.
TER-
MINAL
NO.WIRE
COLORITEM CONDITION DATA (DC Voltage)
16 BR/R
A/F sensor 1 (bank 1)[Engine is running]
Warm-up condition
Idle speedApproximately 3.1V
35 BR/GApproximately 2.6V
56 LG/BApproximately 2.3V
75 P/BApproximately 2.3V
Page 1663 of 3419
EC-472Revision: October 2005
DTC P1272, P1282 A/F SENSOR 1
2005 QX56
BANK 2
BBWA1701E
Page 1664 of 3419
DTC P1272, P1282 A/F SENSOR 1
EC-473
C
D
E
F
G
H
I
J
K
L
MA
EC
Revision: October 20052005 QX56
Specification data are reference values and are measured between each terminal and ground.
CAUTION:
Do not use ECM ground terminals when measuring input/output voltage. Doing so may result in dam-
age to the ECM's transistor. Use a ground other than ECM terminals, such as the ground.
Diagnostic ProcedureUBS00H9R
1. CHECK GROUND CONNECTIONS
1. Turn ignition switch OFF.
2. Loosen and retighten three ground screws on the body.
Refer to EC-162, "
Ground Inspection" .
OK or NG
OK >> GO TO 2.
NG >> Repair or replace ground connections.
TER-
MINAL
NO.WIRE
COLORITEM CONDITION DATA (DC Voltage)
57 L/P
A/F sensor 1 (bank 2)[Engine is running]
Warm-up condition
Idle speedApproximately 2.6V
58 GR/GApproximately 2.3V
76 G/LApproximately 3.1V
77 BR/BApproximately 2.3V
BBIA0354E