Page 1305 of 3419
EC-114Revision: October 2005
TROUBLE DIAGNOSIS
2005 QX56
Vacuum Hose DrawingUBS00L07
Refer to EC-23, "System Diagram" for Vacuum Control System.
PBIB2052E
Page 1306 of 3419
TROUBLE DIAGNOSIS
EC-115
C
D
E
F
G
H
I
J
K
L
MA
EC
Revision: October 20052005 QX56
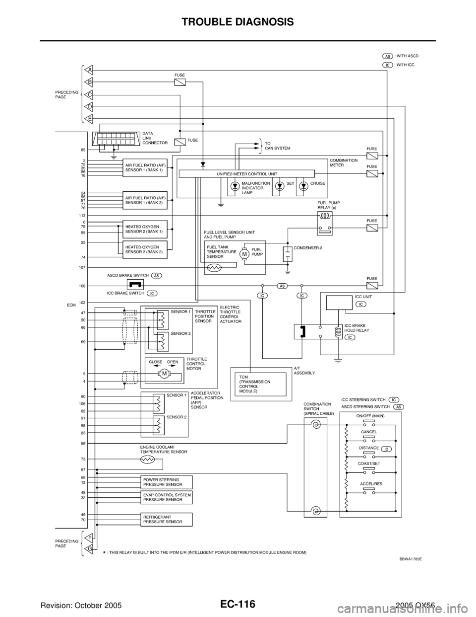
Circuit DiagramUBS00L08
BBWA1788E
Page 1307 of 3419
EC-116Revision: October 2005
TROUBLE DIAGNOSIS
2005 QX56
BBWA1789E
Page 1308 of 3419

TROUBLE DIAGNOSIS
EC-117
C
D
E
F
G
H
I
J
K
L
MA
EC
Revision: October 20052005 QX56
ECM Harness Connector Terminal LayoutUBS00L09
ECM Terminals and Reference ValueUBS00L0A
PREPARATION
1. ECM is located in the engine room passenger side behind bat-
tery.
2. Remove ECM harness connector.
3. When disconnecting ECM harness connector, loosen it with
levers as far as they will go as shown in the figure.
4. Connect a break-out box (SST) and Y-cable adapter (SST)
between the ECM and ECM harness connector.
Use extreme care not to touch 2 pins at one time.
Data is for comparison and may not be exact.
ECM INSPECTION TABLE
Specification data are reference values and are measured between each terminal and ground.
Pulse signal is measured by CONSULT-II.
CAUTION:
Do not use ECM ground terminals when measuring input/output voltage. Doing so may result in dam-
age to the ECMs transistor. Use a ground other than ECM terminals, such as the ground.
MBIB0045E
BBIA0386E
BBIA0387E
TER-
MINAL
NO.WIRE
COLORITEM CONDITION DATA (DC Voltage)
1 B ECM ground[Engine is running]
Idle speedBody ground
2O/BA/F sensor 1 heater
(bank 1)[Engine is running]
Warm-up condition
Idle speedApproximately 5V
PBIB1584E
Page 1309 of 3419
![INFINITI QX4 2005 Factory Service Manual EC-118Revision: October 2005
TROUBLE DIAGNOSIS
2005 QX56
3LThrottle control motor relay
power supply[Ignition switch: ON]BATTERY VOLTAGE
(11 - 14V)
4 L/W Throttle control motor (Close)[Ignition switc INFINITI QX4 2005 Factory Service Manual EC-118Revision: October 2005
TROUBLE DIAGNOSIS
2005 QX56
3LThrottle control motor relay
power supply[Ignition switch: ON]BATTERY VOLTAGE
(11 - 14V)
4 L/W Throttle control motor (Close)[Ignition switc](/manual-img/42/57035/w960_57035-1308.png)
EC-118Revision: October 2005
TROUBLE DIAGNOSIS
2005 QX56
3LThrottle control motor relay
power supply[Ignition switch: ON]BATTERY VOLTAGE
(11 - 14V)
4 L/W Throttle control motor (Close)[Ignition switch: ON]
Engine: Stopped
Selector lever: D
Accelerator pedal: Fully released0 - 14V
5 L/B Throttle control motor (Open)[Ignition switch: ON]
Engine: Stopped
Selector lever: D
Accelerator pedal: Fully depressed0 - 14V
6GRHeated oxygen sensor 2
heater (bank 1)[Engine is running]
Warm-up condition
Engine speed is below 3,600 rpm after the
following conditions are met.
–Keeping the engine speed between 3,500
and 4,000 rpm for 1 minute and at idle for 1
minute under no load0 - 1.0V
[Ignition switch: ON]
Engine: Stopped
[Engine is running]
Engine speed: Above 3,600 rpmBATTERY VOLTAGE
(11 - 14V)
12 RPower steering pressure sen-
sor[Engine is running]
Steering wheel: Being turned0.5 - 4.5V
[Engine is running]
Steering wheel: Not being turned0.4 - 0.8V
13 OCrankshaft position sensor
(POS)[Engine is running]
Warm-up condition
Idle speed
NOTE:
The pulse cycle changes depending on rpm
at idleApproximately 10V
[Engine is running]
Engine speed: 2,000 rpmApproximately 10V TER-
MINAL
NO.WIRE
COLORITEM CONDITION DATA (DC Voltage)
PBIB1104E
PBIB1105E
PBIB1041E
PBIB1042E
Page 1310 of 3419
![INFINITI QX4 2005 Factory Service Manual TROUBLE DIAGNOSIS
EC-119
C
D
E
F
G
H
I
J
K
L
MA
EC
Revision: October 20052005 QX56
14 YCamshaft position sensor
(PHASE)[Engine is running]
Warm-up condition
Idle speed
NOTE:
The pulse cycle changes INFINITI QX4 2005 Factory Service Manual TROUBLE DIAGNOSIS
EC-119
C
D
E
F
G
H
I
J
K
L
MA
EC
Revision: October 20052005 QX56
14 YCamshaft position sensor
(PHASE)[Engine is running]
Warm-up condition
Idle speed
NOTE:
The pulse cycle changes](/manual-img/42/57035/w960_57035-1309.png)
TROUBLE DIAGNOSIS
EC-119
C
D
E
F
G
H
I
J
K
L
MA
EC
Revision: October 20052005 QX56
14 YCamshaft position sensor
(PHASE)[Engine is running]
Warm-up condition
Idle speed
NOTE:
The pulse cycle changes depending on rpm
at idle1.0 - 4.0V
[Engine is running]
Engine speed: 2,000 rpm1.0 - 4.0V
15 W Knock sensor (bank 1)[Engine is running]
Idle speedApproximately 2.5V
16 BR/R
A/F sensor 1 (bank 1)[Engine is running]
Warm-up condition
Idle speedApproximately 3.1V
35 BR/GApproximately 2.6V
56 LG/BApproximately 2.3V
75 P/BApproximately 2.3V
21
22
23
44O/L
BR
GR/W
OInjector No. 5
Injector No. 3
Injector No. 1
Injector No. 7[Engine is running]
Warm-up condition
Idle speed
NOTE:
The pulse cycle changes depending on rpm
at idleBATTERY VOLTAGE
(11 - 14V)
[Engine is running]
Warm-up condition
Engine speed: 2,000 rpmBATTERY VOLTAGE
(11 - 14V)
24 BR/WA/F sensor 1 heater
(bank 2)[Engine is running]
Warm-up condition
Idle speedApproximately 5V TER-
MINAL
NO.WIRE
COLORITEM CONDITION DATA (DC Voltage)
PBIB1039E
PBIB1040E
SEC984C
SEC985C
PBIB1584E
Page 1311 of 3419
![INFINITI QX4 2005 Factory Service Manual EC-120Revision: October 2005
TROUBLE DIAGNOSIS
2005 QX56
25 O/GHeated oxygen sensor 2
heater (bank 2)[Engine is running]
Warm-up condition
Engine speed is below 3,600 rpm after the
following condi INFINITI QX4 2005 Factory Service Manual EC-120Revision: October 2005
TROUBLE DIAGNOSIS
2005 QX56
25 O/GHeated oxygen sensor 2
heater (bank 2)[Engine is running]
Warm-up condition
Engine speed is below 3,600 rpm after the
following condi](/manual-img/42/57035/w960_57035-1310.png)
EC-120Revision: October 2005
TROUBLE DIAGNOSIS
2005 QX56
25 O/GHeated oxygen sensor 2
heater (bank 2)[Engine is running]
Warm-up condition
Engine speed is below 3,600 rpm after the
following conditions are met.
–Keeping the engine speed between 3,500
and 4,000 rpm for 1 minute and at idle for 1
minute under no load0 - 1.0V
[Ignition switch: ON]
Engine: Stopped
[Engine is running]
Engine speed: Above 3,600 rpmBATTERY VOLTAGE
(11 - 14V)
32 LEVAP control system pres-
sure sensor[Ignition switch: ON]Approximately 1.8 - 4.8V
34 R/B Intake air temperature sensor[Engine is running]Approximately 0 - 4.8V
Output voltage varies with intake
air temperature.
36 W Knock sensor (bank 2)[Engine is running]
Idle speedApproximately 2.5V
40
41
42
63Y/G
P
L
GInjector No. 6
Injector No. 4
Injector No. 2
Injector No. 8[Engine is running]
Warm-up condition
Idle speed
NOTE:
The pulse cycle changes depending on rpm
at idleBATTERY VOLTAGE
(11 - 14V)
[Engine is running]
Warm-up condition
Engine speed: 2,000 rpmBATTERY VOLTAGE
(11 - 14V)
45 L/YEVAP canister purge volume
control solenoid valve[Engine is running]
Idle speed
Accelerator pedal: Not depressed even
slightly, after engine startingBATTERY VOLTAGE
(11 - 14V)
[Engine is running]
Engine speed: About 2,000 rpm (More than
100 seconds after starting engine)BATTERY VOLTAGE
(11 - 14V) TER-
MINAL
NO.WIRE
COLORITEM CONDITION DATA (DC Voltage)
SEC984C
SEC985C
SEC990C
SEC991C
Page 1312 of 3419
![INFINITI QX4 2005 Factory Service Manual TROUBLE DIAGNOSIS
EC-121
C
D
E
F
G
H
I
J
K
L
MA
EC
Revision: October 20052005 QX5647 YSensor power supply
(Throttle position sensor)[Ignition switch: ON]Approximately 5V
48 SBSensor power supply
(EVAP INFINITI QX4 2005 Factory Service Manual TROUBLE DIAGNOSIS
EC-121
C
D
E
F
G
H
I
J
K
L
MA
EC
Revision: October 20052005 QX5647 YSensor power supply
(Throttle position sensor)[Ignition switch: ON]Approximately 5V
48 SBSensor power supply
(EVAP](/manual-img/42/57035/w960_57035-1311.png)
TROUBLE DIAGNOSIS
EC-121
C
D
E
F
G
H
I
J
K
L
MA
EC
Revision: October 20052005 QX5647 YSensor power supply
(Throttle position sensor)[Ignition switch: ON]Approximately 5V
48 SBSensor power supply
(EVAP control system pres-
sure sensor)[Ignition switch: ON]Approximately 5V
49 R/YSensor power supply
(Refrigerant pressure sensor)[Ignition switch: ON]Approximately 5V
50 B Throttle position sensor 1[Ignition switch: ON]
Engine: Stopped
Selector lever: D
Accelerator pedal: Fully releasedMore than 0.36V
[Ignition switch: ON]
Engine: Stopped
Selector lever: D
Accelerator pedal: Fully depressedLess than 4.75V
51 W Mass air flow sensor[Engine is running]
Warm-up condition
Idle speed1.0 - 1.3V
[Engine is running]
Warm-up condition
Engine speed: 2,500 rpm1.7 - 2.1V
55 RHeated oxygen sensor 2
(bank 1)[Engine is running]
Warm-up condition
Revving engine from idle to 3,000 rpm
quickly after the following conditions are
met.
–After keeping the engine speed between
3,500 and 4,000 rpm for 1 minute and at
idle for 1 minute under no load0 - Approximately 1.0V
57 L/P
A/F sensor 1 (bank 2)[Engine is running]
Warm-up condition
Idle speedApproximately 2.6V
58 GR/GApproximately 2.3V
76 G/LApproximately 3.1V
77 BR/BApproximately 2.3V
46
60
61
62L/R
GR/R
O/W
Y/RIgnition signal No. 7
Ignition signal No. 5
Ignition signal No. 3
Ignition signal No. 1[Engine is running]
Warm-up condition
Idle speed
NOTE:
The pulse cycle changes depending on rpm
at idle0 - 0.3V
[Engine is running]
Warm-up condition
Engine speed: 2,500 rpm0.1 - 0.6V TER-
MINAL
NO.WIRE
COLORITEM CONDITION DATA (DC Voltage)
SEC986C
SEC987C