Page 2457 of 3419
LT-10
HEADLAMP (FOR USA)
Revision: October 20052005 QX56
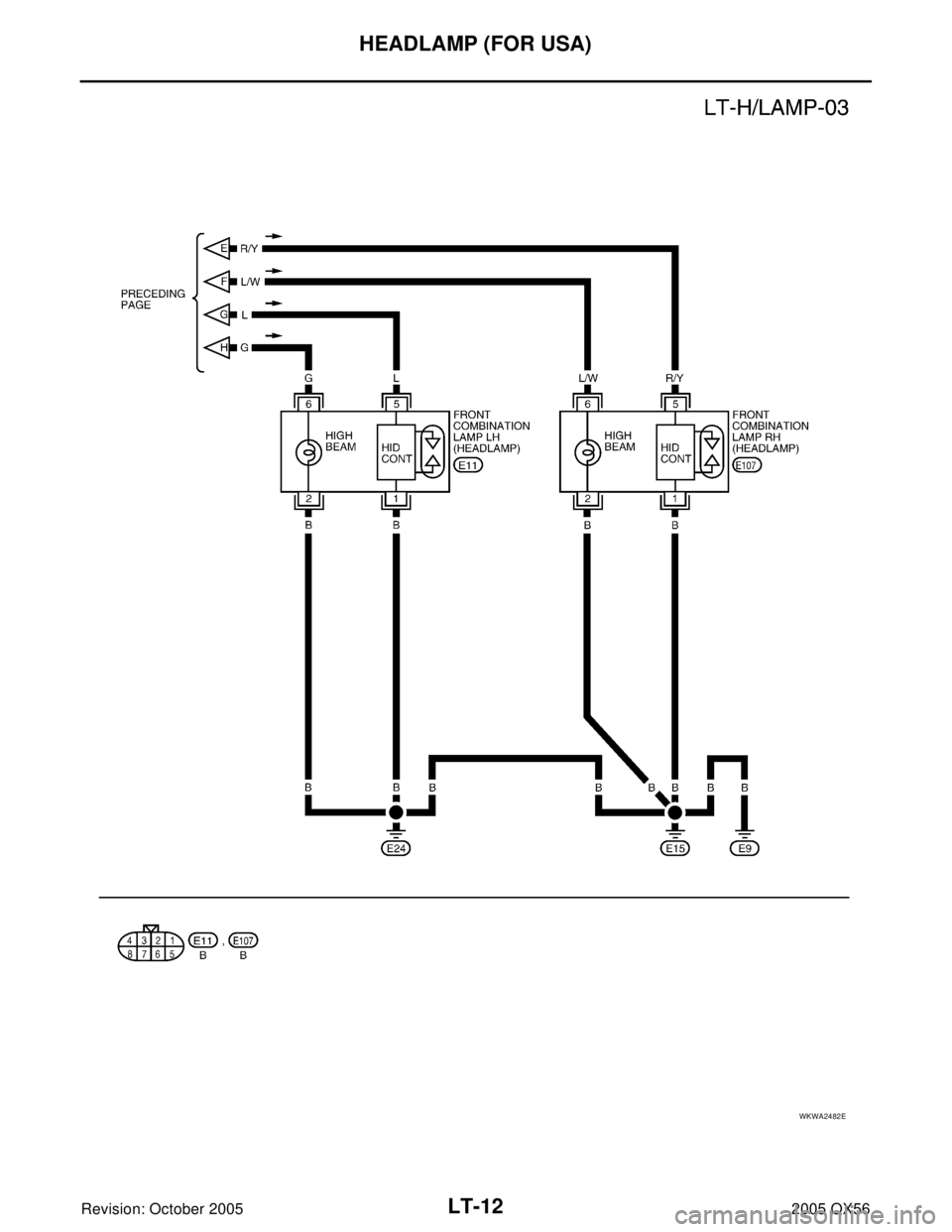
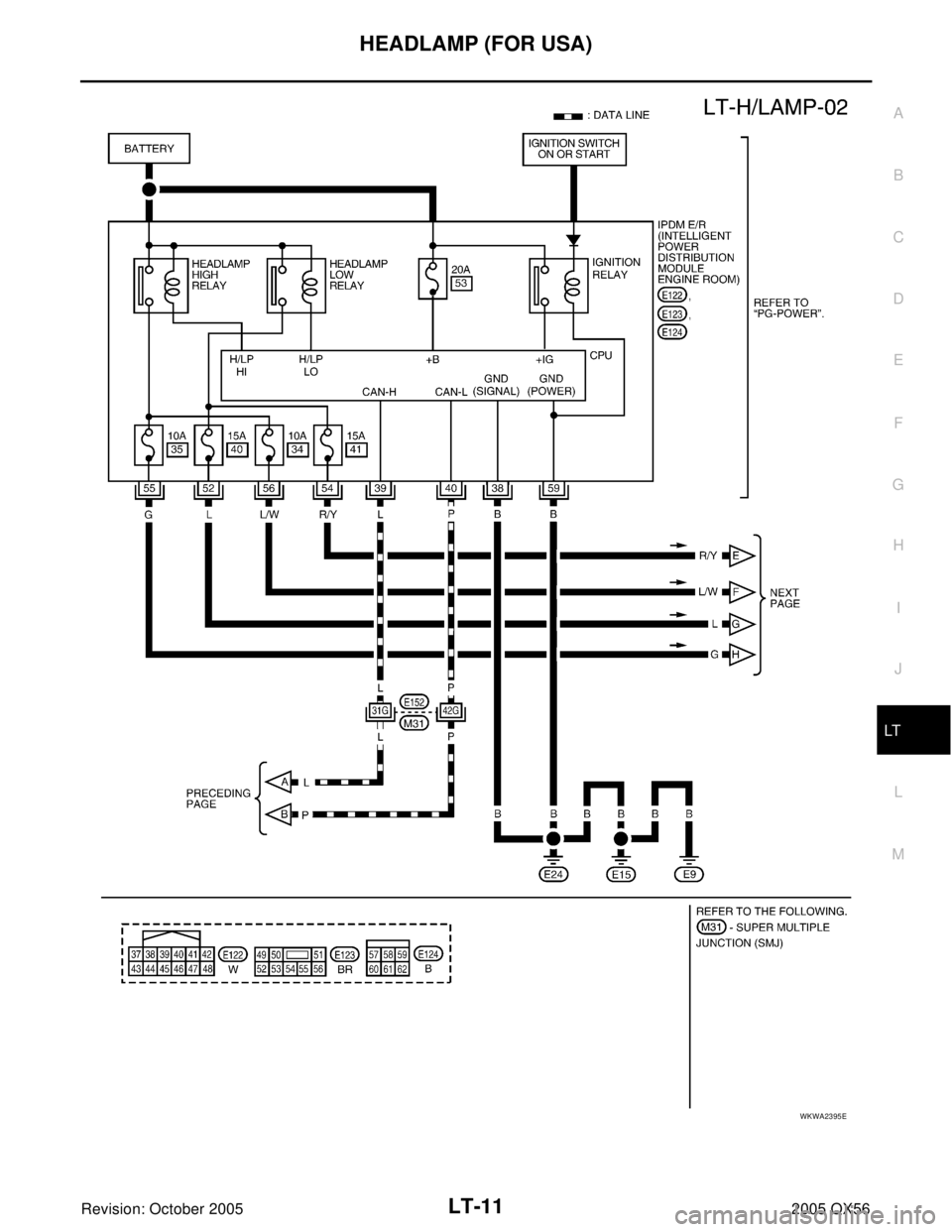
Wiring Diagram — H/LAMP —EKS00B7W
WKWA2394E
Page 2458 of 3419
HEADLAMP (FOR USA)
LT-11
C
D
E
F
G
H
I
J
L
MA
B
LT
Revision: October 20052005 QX56
WKWA2395E
Page 2459 of 3419
LT-12
HEADLAMP (FOR USA)
Revision: October 20052005 QX56
WKWA2482E
Page 2460 of 3419
HEADLAMP (FOR USA)
LT-13
C
D
E
F
G
H
I
J
L
MA
B
LT
Revision: October 20052005 QX56
WKWA2396E
Page 2461 of 3419
LT-14
HEADLAMP (FOR USA)
Revision: October 20052005 QX56
Terminals and Reference Values for BCMEKS00B7X
Terminal
No.Wire
colorSignal nameMeasuring condition
Reference value
(Approx.) Ignition
switchOperation or condition
2 SB Combination switch input 5 ONLighting, turn, wiper OFF
Wiper dial position 4
3 G/Y Combination switch input 4 ONLighting, turn, wiper OFF
Wiper dial position 4
4 Y Combination switch input 3 ONLighting, turn, wiper OFF
Wiper dial position 4
5 G/B Combination switch input 2
ONLighting, turn, wiper OFF
Wiper dial position 4
6 V Combination switch input 1
32 R/G Combination switch output 5 ONLighting, turn, wiper OFF
Wiper dial position 4
33 R/Y Combination switch output 4 ONLighting, turn, wiper OFF
Wiper dial position 4
34 L Combination switch output 3 ONLighting, turn, wiper OFF
Wiper dial position 4
SKIA5291E
SKIA5292E
SKIA5291E
SKIA5292E
SKIA5291E
SKIA5292E
SKIA5291E
Page 2462 of 3419

HEADLAMP (FOR USA)
LT-15
C
D
E
F
G
H
I
J
L
MA
B
LT
Revision: October 20052005 QX56
Terminals and Reference Values for IPDM E/REKS00B7Y
How to Proceed With Trouble DiagnosisEKS00B7Z
1. Confirm the symptom or customer complaint.
2. Understand operation description and function description. Refer to LT- 6 , "
System Description" .
3. Perform the Preliminary Check. Refer to LT- 1 5 , "
Preliminary Check" .
4. Check symptom and repair or replace the cause of malfunction.
5. Does the headlamp operate normally? If YES: GO TO 6. If NO: GO TO 4.
6. Inspection End.
Preliminary CheckEKS00B80
CHECK POWER SUPPLY AND GROUND CIRCUIT
1. CHECK FUSES OR FUSIBLE LINK
Check for blown fuses or fusible link.
35 O/B Combination switch output 2
ONLighting, turn, wiper OFF
Wiper dial position 4
36 R/W Combination switch output 1
38 W/L Ignition switch (ON) ON — Battery voltage
39 L CAN-H — — —
40 P CAN-L — — —
67 B Ground ON — 0V
70 W/B Battery power supply (fusible link) OFF — Battery voltage Terminal
No.Wire
colorSignal nameMeasuring condition
Reference value
(Approx.) Ignition
switchOperation or condition
SKIA5292E
Te r m i n a l
No.Wire
colorSignal nameMeasuring condition
Reference value
(Approx.) Ignition
switchOperation or condition
38 B Ground ON — 0V
39 L CAN-H — — —
40 P CAN-L — — —
52 L Headlamp low (LH) ONLighting switch
2ND positionOFF 0V
ON Battery voltage
54 R/Y Headlamp low (RH) ONLighting switch
2ND positionOFF 0V
ON Battery voltage
55 G Headlamp high (LH) ONLighting switch
HIGH or PASS
positionOFF 0V
ON Battery voltage
56 L/W Headlamp high (RH) ONLighting switch
HIGH or PASS
positionOFF 0V
ON Battery voltage
59 B Ground ON — 0V
Unit Power source Fuse and fusible link No.
BCMBattery f
Ignition switch ON or START position 59
Page 2463 of 3419

LT-16
HEADLAMP (FOR USA)
Revision: October 20052005 QX56
Refer to LT- 1 0 , "Wiring Diagram — H/LAMP —" .
OK or NG
OK >> GO TO 2.
NG >> If fuse or fusible link is blown, be sure to eliminate cause of malfunction before installing new fuse
or fusible link. Refer to PG-4, "
POWER SUPPLY ROUTING CIRCUIT" .
2. CHECK POWER SUPPLY CIRCUIT
1. Disconnect BCM connectors.
2. Check voltage between BCM harness connector and ground.
OK or NG
OK >> GO TO 3.
NG >> Check harness for open between BCM and fuse or fus-
ible link.
3. CHECK GROUND CIRCUIT
Check continuity between BCM harness connector and ground.
OK or NG
OK >> Inspection End.
NG >> Check ground circuit harness.
IPDM E/R Battery34
35
40
41
53 Unit Power source Fuse and fusible link No.
Terminals Ignition switch position
(+)
(–) OFF ACC ON
ConnectorTe r m i n a l
(Wire color)
M18 38 (W/L)
Ground0V 0VBattery
voltage
M20 70 (W/B)Battery
voltageBattery
voltageBattery
voltage
WKIA1436E
Te r m i n a l s
Continuity
ConnectorTe r m i n a l
(Wire color)
M20 67 (B) Ground Yes
LIIA0915E
Page 2464 of 3419

HEADLAMP (FOR USA)
LT-17
C
D
E
F
G
H
I
J
L
MA
B
LT
Revision: October 20052005 QX56
CONSULT-II Function (BCM)EKS00B81
CONSULT-II can display each diagnostic item using the diagnostic test modes shown following.
CONSULT-II OPERATION
CAUTION:
If CONSULT-II is used with no connection of CONSULT-II CONVERTER, malfunctions might be
detected in self-diagnosis depending on control unit which carries out CAN communication.
1. With the ignition switch OFF, connect CONSULT-II and CON-
SULT-II CONVERTER to the data link connector, then turn igni-
tion switch ON.
2. Touch "START (NISSAN BASED VHCL)".
3. Touch "BCM" on "SELECT SYSTEM" screen.
If "BCM" is not indicated, go to GI-39, "
CONSULT-II Data Link
Connector (DLC) Circuit" .
BCM diagnostic
test itemDiagnostic mode Description
Inspection by partWORK SUPPORTSupports inspections and adjustments. Commands are transmitted to the BCM
for setting the status suitable for required operation, input/output signals are
received from the BCM and received data is displayed.
DATA MONITOR Displays BCM input/output data in real time.
ACTIVE TEST Operation of electrical loads can be checked by sending drive signal to them.
SELF-DIAG RESULTS Displays BCM self-diagnosis results.
CAN DIAG SUPPORT MNTR The result of transmit/receive diagnosis of CAN communication can be read.
ECU PART NUMBER BCM part number can be read.
CONFIGURATION Performs BCM configuration read/write functions.
BBIA0369E
BCIA0029E
BCIA0030E