Page 361 of 4647

AT-282
OVERHAUL
Revision: 2007 April2007 M35/M45
1. O-ring 2. Oil pump cover 3. O-ring
4. Oil pump housing 5. Self-sealing bolt 6. Torque converter
7. Converter housing 8. Oil pump housing oil seal 9. Bearing race
10. Needle bearing 11. O-ring 12. Front carrier assembly
13. Needle bearing 14. Snap ring 15. Front sun gear
16. Snap ring 17. Bearing race 18. Needle bearing
19. 3rd one-way clutch 20. Seal ring 21. Input clutch assembly
22. Needle bearing 23. Rear internal gear 24. Brake band
25. Mid carrier assembly 26. Needle bearing 27. Bearing race
28. Rear carrier assembly 29. Needle bearing 30. Mid sun gear
31. Seal ring 32. Rear sun gear 33. 1st one-way clutch
34. Snap ring 35. Needle bearing 36. High and low reverse clutch hub
37. Snap ring 38. Bearing race 39. Needle bearing
Refer to GI section to make sure icons (symbol marks) in the figure. Refer to GI-11, "
Components" .
However, refer to the following symbols for others.
:Apply Genuine RTV silicone sealant or equivalent. Refer to GI-47, "
Recommended Chemical Products and Sealants" .
Page 362 of 4647
OVERHAUL
AT-283
D
E
F
G
H
I
J
K
L
MA
B
AT
Revision: 2007 April2007 M35/M45
VK45DE models
SCIA7984E
1. O-ring 2. Oil pump cover 3. O-ring
4. Oil pump housing 5. Self-sealing bolt 6. Torque converter
Page 363 of 4647
AT-284
OVERHAUL
Revision: 2007 April2007 M35/M45
7. Converter housing 8. Oil pump housing oil seal 9. Bearing race
10. Needle bearing 11. O-ring 12. Front carrier assembly
13. Needle bearing 14. Snap ring 15. Front sun gear
16. 3rd one-way clutch 17. Snap ring 18. Bearing race
19. Needle bearing 20. Seal ring 21. Input clutch assembly
22. Needle bearing 23. Rear internal gear 24. Brake band
25. Mid carrier assembly 26. Needle bearing 27. Bearing race
28. Rear carrier assembly 29. Needle bearing 30. Mid sun gear
31. Seal ring 32. Rear sun gear 33. 1st one-way clutch
34. Snap ring 35. Needle bearing 36. High and low reverse clutch hub
37. Snap ring 38. Bearing race 39. Needle bearing
Refer to GI section to make sure icons (symbol marks) in the figure. Refer to GI-11, "
Components" .
However, refer to the following symbols for others.
:Apply Genuine RTV silicone sealant or equivalent. Refer to GI-47, "
Recommended Chemical Products and Sealants" .
Page 364 of 4647
OVERHAUL
AT-285
D
E
F
G
H
I
J
K
L
MA
B
AT
Revision: 2007 April2007 M35/M45
VQ35DE models
SCIA7001E
1. Needle bearing 2. Bearing race 3. High and low reverse clutch assembly
4. Needle bearing 5. Direct clutch assembly 6. Reverse brake dish plate
Page 365 of 4647
AT-286
OVERHAUL
Revision: 2007 April2007 M35/M45
7. Reverse brake dish plate 8. Reverse brake driven plate 9. N-spring
10. Reverse brake drive plate 11. Reverse brake retaining plate 12. Snap ring
13. D-ring 14. D-ring 15. Reverse brake piston
16. Return spring 17. Spring retainer 18. Snap ring
Refer to GI section to make sure icons (symbol marks) in the figure. Refer to GI-11, "
Components" .
Page 366 of 4647
OVERHAUL
AT-287
D
E
F
G
H
I
J
K
L
MA
B
AT
Revision: 2007 April2007 M35/M45
VK45DE models
SCIA6982E
1. Bearing race 2. High and low reverse clutch assembly 3. Needle bearing
4. Direct clutch assembly 5. Needle bearing 6. Reverse brake dish plate
Page 367 of 4647
AT-288
OVERHAUL
Revision: 2007 April2007 M35/M45
7. Reverse brake dish plate 8. Reverse brake driven plate 9. N-spring
10. Snap ring 11. Reverse brake retaining plate 12. Reverse brake drive plate
13. Snap ring 14. Spring retainer 15. Return spring
16. Reverse brake piston 17. D-ring 18. D-ring
Refer to GI section to make sure icons (symbol marks) in the figure. Refer to GI-11, "
Components"
Page 368 of 4647
OVERHAUL
AT-289
D
E
F
G
H
I
J
K
L
MA
B
AT
Revision: 2007 April2007 M35/M45
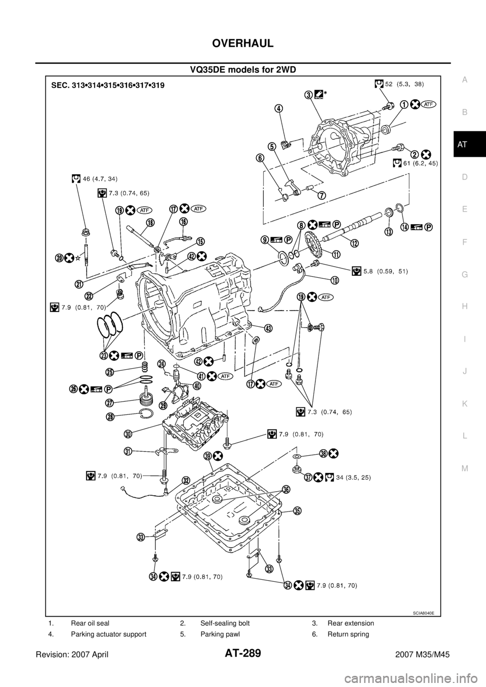
VQ35DE models for 2WD
SCIA8040E
1. Rear oil seal 2. Self-sealing bolt 3. Rear extension
4. Parking actuator support 5. Parking pawl 6. Return spring