Page 809 of 3371
BL-44
REMOTE KEYLESS ENTRY SYSTEM
Revision: August 20072004 QX56
REMOTE KEYLESS ENTRY SYSTEMPFP:28596
Component Parts and Harness Connector LocationEIS002RO
WIIA0588E
Page 810 of 3371

REMOTE KEYLESS ENTRY SYSTEM
BL-45
C
D
E
F
G
H
J
K
L
MA
B
BL
Revision: August 20072004 QX56
System DescriptionEIS002RP
INPUTS
Power is supplied at all times
to BCM terminal 70
through 50A fusible link (letter f , located in the fuse and fusible link box).
to BCM terminal 57
through 15A fuse [No. 22, located in the fuse block (J/B)].
When the key is inserted in key switch and key lock solenoid, power is supplied
to BCM terminal 37
through key switch and key lock solenoid terminals 3 and 4
through 10A fuse [No. 19, located in the fuse block (J/B)].
When the ignition switch is in ACC or ON position, power is supplied
to BCM terminal 11
through 10A fuse [No. 4, located in the fuse block (J/B)].
When the ignition switch is in ON or START position, power is supplied
to BCM terminal 38
through 10A fuse (No. 59, located in the fuse and relay box).
When the front door switch LH is ON (door is OPEN), ground is supplied
to BCM terminal 47
through front door switch LH terminal 2
through front door switch LH case ground.
When the front door switch RH is ON (door is OPEN), ground is supplied
to BCM terminal 12
through front door switch RH terminal 2
through front door switch RH case ground.
When the rear door switch LH is ON (door is OPEN), ground is supplied
to BCM terminal 48
through rear door switch LH terminal 2
through rear door switch LH case ground.
When the rear door switch RH is ON (door is OPEN), ground is supplied
to BCM terminal 13
through rear door switch RH terminal 2
through rear door switch RH case ground.
When the back door latch (door ajar switch) is ON (door is OPEN), ground is supplied
to BCM terminal 43
through back door latch (door ajar switch) terminal 7,
through back door latch (door ajar switch) terminal 8,
through body grounds B7 and B19.
When the glass hatch ajar switch is ON (glass hatch is OPEN), ground is supplied
to BCM terminal 42
through glass hatch ajar switch
through glass hatch ajar switch case ground.
Keyfob signal is input into the BCM from the remote keyless entry receiver.
The remote keyless entry system controls operation of the:
power door lock
back door opener
interior lamp and step lamps
panic alarm
hazard and horn reminder
Page 811 of 3371

BL-46
REMOTE KEYLESS ENTRY SYSTEM
Revision: August 20072004 QX56
keyless power window down (open)
auto door lock operation
OPERATING PROCEDURE
When the keyfob is operated, the signal from the keyfob is sent and the remote keyless entry receiver
receives the signal and sends it to the BCM. The BCM only locks/unlocks the doors if the ID number
matches (remote control entry functions).
Using the keyfob, the transmitter sends radio waves to the remote keyless entry receiver, which then
sends the received waves to the BCM. Only if the ID number matches does the BCM lock/unlock the
doors (remote control door function).
Unless the key is inserted into the ignition key cylinder or one of the doors is opened within 1 minute after
the UNLOCK switch on the keyfob is pressed, all the doors are automatically locked (auto lock function).
When a door is locked or unlocked, the vehicle turn signal lamps flash and the horn sounds to verify oper-
ation (active check function).
When the key is in the ignition key cylinder (when the key switch is ON) and one of the doors is open, the
door lock function does not work even when the door lock is operated with the keyfob.
Keyfob ID set up is available.
If a keyfob is lost, a new keyfob can be set up. A maximum of 5 IDs can be set up simultaneously.
Remote Control Entry Functions
Operation Description
When a button on the keyfob is operated, the signal is sent from the keyfob and received by the remote
keyless entry receiver.
The received signal is sent to the BCM and compared with the registered ID number.
If the ID number matches, the BCM sends the lock/unlock signal to each door lock actuator.
When the door lock actuators receive this signal, each operates to lock/unlock its door.
BCM locks all doors with input of LOCK signal from keyfob.
When an UNLOCK signal is sent from keyfob once, driver's door will be unlocked.
Then, if an UNLOCK signal is sent from keyfob again within 5 seconds, all other doors will be unlocked.
Remote control entry operation conditions
Auto Lock Function
Operation Description
Unless the key is inserted into the ignition key cylinder, one of the doors is opened, or the keyfob is oper-
ated within 1 minute after a door lock is unlocked by keyfob operation, all the doors are automatically
locked.
The 1 minute timer count is executed by the BCM and after 1 minute, the BCM sends the lock signal to all
doors.
Lock operations are the same as for the remote control entry function.
Remote Control Automatic Back Door Function
Switching from all closed to all open
When a button on the keyfob is operated, the signal is sent from the keyfob and received by the remote
keyless entry receiver.
The received signal is sent to the BCM and compared with the registered ID number.
If the ID number matches, the BCM uses power window serial link communication to send the back door
open signal to the back door control unit.
When the back door control unit receives the back door open signal for 0.5 seconds, if the remote control
automatic back door operation enable conditions are met, the warning chime is sounded and the back
door unlock signal is sent to the back door latch using communication.
Keyfob operation Operation condition
Door lock operation (locking)
With key removed (key switch: OFF)
Closing all doors (door switch: OFF)
Door lock operation (unlocking) With key removed (key switch: OFF)
Page 812 of 3371

REMOTE KEYLESS ENTRY SYSTEM
BL-47
C
D
E
F
G
H
J
K
L
MA
B
BL
Revision: August 20072004 QX56
When the back door latch receives the back door unlock signal, it operates the release actuator and
releases to back door latch.
The back door control unit operates the back door motor to open the back door. (At this time, speed con-
trol, input reverse, and overload reverse control are executed.)
When the back door is opened to the fully open position, the full-open position is detected with the rotation
sensor, the back door motor is stopped.
The door held by the back door stays at the full open position.
Full open → full closed operation
When a button of the keyfob is operated, the signal is sent from the keyfob and received by the remote
keyless entry receiver.
The received signal is sent to the BCM and compared with the registered ID number.
If the ID number matches, the BCM uses power window serial link communication to send the back door
close request signal to the back door control unit.
When the back door control unit receives the back door close request signal for 0.5 seconds, if the remote
control automatic back door operation enable conditions are met, the warning chime is sounded and the
back door motor begins closing the back door.
The back door control unit operates the magnetic clutch and the back door motor to close the back door.
(At this time, the back door control unit executes speed control, input reverse, and overload reverse con-
trol.)
When the back door comes to the half-latch state, the back door latch detects the half-latch state through
half-latch switch operation. The back door latch latches the back door.
For the automatic back door system operation enable conditions, refer to BL-101, "
AUTOMATIC BACK DOOR
SYSTEM" .
Active Check Function
Operation Description
When a door is locked or unlocked by keyfob operation, the vehicle turn signals flash and the horn sounds to
verify operation.
When a button on the keyfob is operated, the signal is sent from the remote controller and received by the
keyless remote entry receiver.
The received signal is sent to the BCM and compared with the registered ID number.
If the ID number matches, the BCM sends the turn signal flashing and horn signal to the IPDM E/R.
The IPDM E/R flashes the turn signal lamps and sounds the horn for each keyfob operation.
Operating function of hazard and horn reminder
Hazard and Horn Reminder
BCM output to IPDM E/R for horn reminder signal as DATA LINE (CAN-H and CAN-L).
The hazard and horn reminder has C mode (horn chirp mode) and S mode (non-horn chirp mode).
How to change hazard and horn reminder mode
With CONSULT-II
Hazard and horn reminder can be changed using “WORK SUPPORT” mode in “MULTI ANSWER BACK SET".
Without CONSULT-II
Refer to Owner's Manual for instructions.
Interior Lamp Operation
When the following input signals are both supplied:
all door switches are in the OFF position (when all the doors are closed);
interior lamp switch is in DOOR position.
C mode S mode
Keyfob operation Lock Unlock Lock Unlock
Hazard warning lamp
flashTwic e O nc e Twic e —
Horn sound Once — — —
Page 813 of 3371

BL-48
REMOTE KEYLESS ENTRY SYSTEM
Revision: August 20072004 QX56
Remote keyless entry system turns on interior lamp and ignition keyhole illumination (for 30 seconds) with
input of UNLOCK signal from keyfob.
For detailed description, refer to LT- 1 3 1 , "
ROOM LAMP TIMER OPERATION" .
Panic Alarm Operation
When key switch is OFF (ignition key is not inserted in key cylinder), remote keyless entry system turns on and
off horn and headlamp intermittently with input of PANIC ALARM signal from keyfob.
The alarm automatically turns off after 25 seconds or when BCM receives any signal from keyfob.
Keyless Power Window Down (Open) Operation
When keyfob unlock switch is turned ON with ignition switch OFF, and the switch is detected to be on continu-
ously for 3 seconds, the driver's door and passenger's door power windows are simultaneously opened.
Power window is operated to open and the operation continues as long as the keyfob unlock switch is
pressed.
CAN Communication System DescriptionEIS002RQ
Refer to LAN-5, "CAN COMMUNICATION" .
Page 814 of 3371
REMOTE KEYLESS ENTRY SYSTEM
BL-49
C
D
E
F
G
H
J
K
L
MA
B
BL
Revision: August 20072004 QX56
SchematicEIS002RR
WIWA1072E
Page 815 of 3371
BL-50
REMOTE KEYLESS ENTRY SYSTEM
Revision: August 20072004 QX56
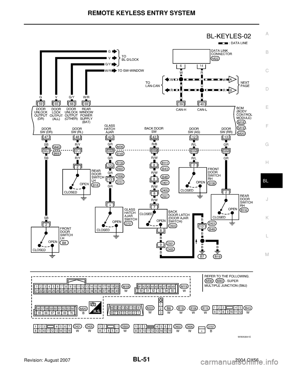
Wiring Diagram — KEYLES —EIS002RS
LIWA0427E
Page 816 of 3371
REMOTE KEYLESS ENTRY SYSTEM
BL-51
C
D
E
F
G
H
J
K
L
MA
B
BL
Revision: August 20072004 QX56
WIWA0841E