Page 2961 of 3371

SE-12
AUTOMATIC DRIVE POSITIONER
Revision: August 20072004 QX56
Manual OperationEIS002Y4
The driving position [seat position, steering wheel, pedal position (accelerator, brake) and door mirror position]
can be adjusted with the power seat switch LH, pedal adjusting switch, door mirror switch or ADP steering
switch.
NOTE:
The door mirrors can be manually operated with the ignition switch turned to ACC or ON.
Only when A/T selector lever is in P position, adjusting pedal operates (except when ignition switch turned
to OFF).
If A/T device (detent switch) error is detected, manual adjustable pedal operation cannot be performed
when ignition switch turns ON.
Automatic OperationEIS002Y5
NOTE:
Disconnecting the battery erases the stored memory.
After connecting the battery, insert the key into the ignition cylinder and turn the front door switch LH ON (open)→OFF (close)→ON
(open), the Entry/ Exiting function becomes possible.
After Exiting operation is carried out, return operation can be operated.
NOTE:
During automatic operation, if the ignition switch is turned ON→START, the automatic operation is suspended. When the ignition switch
returns to ON, it resumes.
System DescriptionEIS002Y6
The system automatically moves the driver seat and steering wheel to facilitate entry/exit to/from the vehi-
cle. The driver seat control unit can also store the optimum driving positions (front seat, pedal position and
door mirror position) for 2 people. One-touch operation allows changing between driving positions.
7. A. Tilt motor M68, M69
B. ADP steering switch M16
C. Pedal adjusting switch M968. A. Door mirrror LH D4, Door mirror
RH D107
B. Front door switch LH B8
C. Front door lock assembly LH (key
cylinder switch) D149. A. A/T selector lever
B. A/T device M203
10. A. Sliding motor LH P4 (Driver seat
view), reclining motor LH P5, lifting
motor (front) P6, lifting motor (rear)
P7
B. Driver seat control unit P2, P3
C. Power seat switch LH P8
Function Description
Memory operation The seat, steering wheel, pedal (accelerator, brake) and door mirror move to the
stored driving position by pushing seat memory switch (1 or 2).
Entry/Exit-
ing functionExiting operation At exit, the seat moves backward and the steering wheel raises. (Exiting position)
Entry operationAt entry, the seat and steering wheel return from Exiting position to the previous driv-
ing position before the Exiting operation.
Keyfob interlock operationPerform memory operation, turnout operation and return operation by pressing key-
fob unlock button.
Auto operation temporary stop
conditions.When ignition switch is turned to START during seat memory switch operation and return
operation, seat memory switch operation and return operation is stopped.
Auto operation stop conditions.
When the vehicle speed becomes 7 km/h (4 MPH) or higher (memory switch operation
and entry operation).
When the setting switch, seat memory switch 1, or 2 are pressed.
When A/T selector lever is in any position other than P.
When the door mirror switch is operated (when ignition switch turned to ON).
When power seat switch turned ON.
When pedal adjusting switch turned ON.
When front seat sliding Entry/Exiting setting is OFF (entry/exiting operation).
Page 2962 of 3371
AUTOMATIC DRIVE POSITIONER
SE-13
C
D
E
F
G
H
J
K
L
MA
B
SE
Revision: August 20072004 QX56
The settings (ON/OFF) of the automatic sliding seat (Entry/Exiting operation) at entry/exit can be changed
as desired, using the display unit in the center of the instrument panel. The set content is transmitted by
CAN communication, from display control unit to driver seat control unit.
Using CONSULT-ll, the seat slide amount at entry/exit setting can be changed.
FAIL-SAFE MODE
When any manual and automatic operations are not performed, if any motor operations of seats or pedals are
detected for T2 or more, status is judged “Output error”.
CANCEL OF FAIL-SAFE MODE
The mode is cancelled when the selector lever is shifted to P position from any other position.
OPERATED PORTION T2
Seat sliding Approx. 0.1 sec.
Seat reclining Same as above
Seat lifting (Front) Same as above
Seat lifting (Rear) Same as above
Steering wheel Same as above
Pedal adjust Same as above
Page 2963 of 3371
SE-14
AUTOMATIC DRIVE POSITIONER
Revision: August 20072004 QX56
MEMORY STORING AND KEYFOB INTERLOCK STORING
Store the 2 driving positions and shifts to the stored driving position with the memory switch.
Keyfob interlock function is set simultaneously with setting driving position memory. It can set driving posi-
tion to memory position.
NOTE:
If another keyfob interlock function setting is performed by same key, the newly registered setting is valid.
If a new memory string is performed to memory switch that already set keyfob interlock function, keyfob
interlock function setting is reset.
If the keyfob has not been previously programmed to the vehicle, keyfob interlock function cannot set.
LIIA1666E
Page 2964 of 3371
AUTOMATIC DRIVE POSITIONER
SE-15
C
D
E
F
G
H
J
K
L
MA
B
SE
Revision: August 20072004 QX56
MEMORY OPERATION
Selecting the memorized position.
NOTE:
The front seat position and pedal adjustment functions (see the following table) operate simultaneously in the
order of priority.
*: In conjunction with sliding the seat, the door mirrors are positioned.
ENTRY OPERATION
When the seat is in the exiting position, the following operation moves the seat to the previous position before
the exiting operation.
EXITING OPERATION
At Entry/Exiting, the seat is automatically moved to the exiting position.
Priority Function Priority Function
1 Seat sliding, (door mirror LH/RH)* 4 Seat reclining
2 Pedal 5 Seat lifter-FR
3 Steering wheel 6 Seat lifter-RR
LIIA1477E
LIIA0855E
LIIA0856E
Page 2965 of 3371
SE-16
AUTOMATIC DRIVE POSITIONER
Revision: August 20072004 QX56
KEYFOB INTERLOCK OPERATION
The system performs memory operation, exiting operation and return operation by pressing keyfob unlock
button.
NOTE:
If Entry/Exiting operation is cancelled, the system performs memory operation only.
If ignition switch turns ON in the middle of memory operation, the system does not perform exiting opera-
tion after memory operation.
If ignition switch turns ON in the middle of exiting operation, entry operation starts at that time.
CAN Communication System DescriptionEIS002Y8
Refer to LAN-5, "CAN COMMUNICATION" .
LIIA1667E
Page 2966 of 3371
AUTOMATIC DRIVE POSITIONER
SE-17
C
D
E
F
G
H
J
K
L
MA
B
SE
Revision: August 20072004 QX56
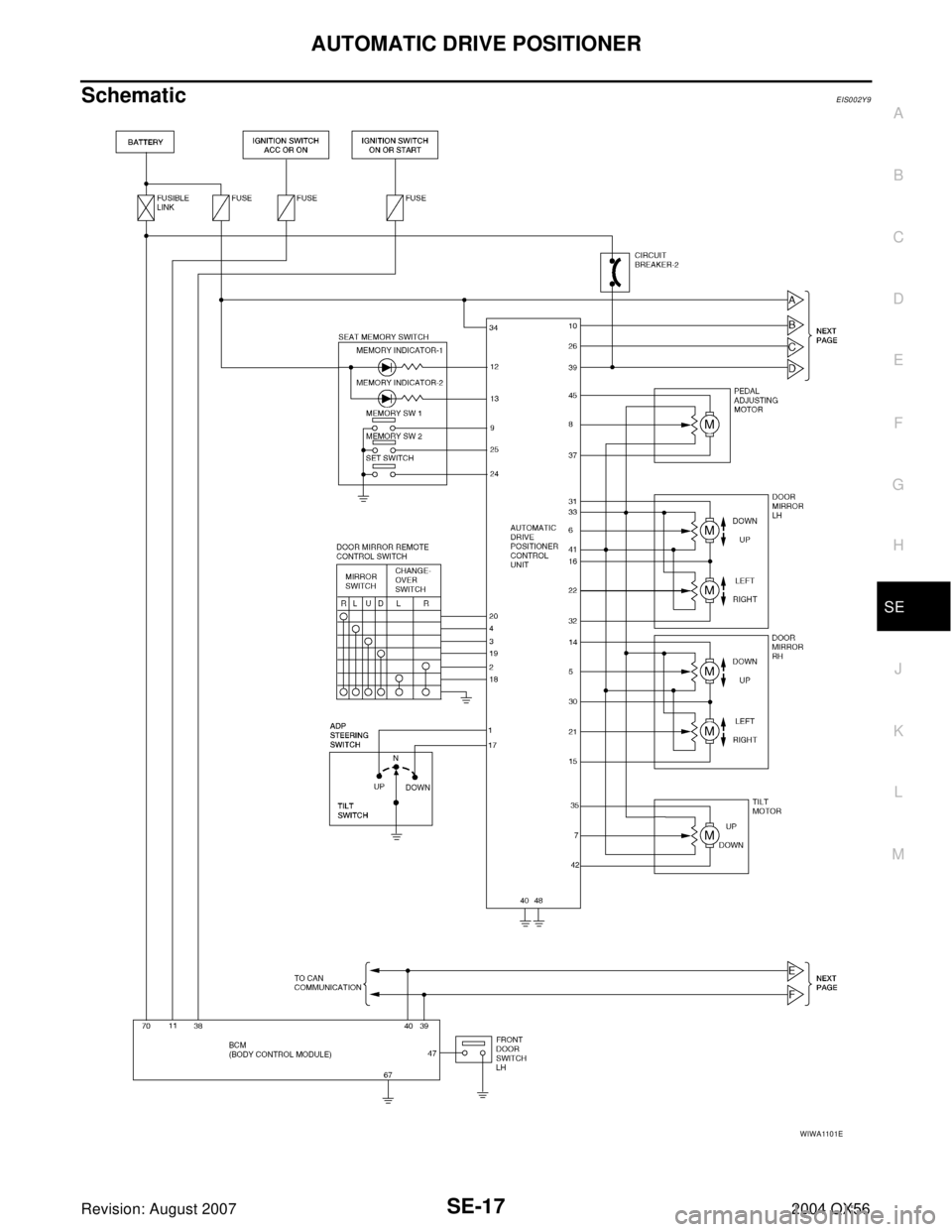
SchematicEIS002Y9
WIWA1101E
Page 2967 of 3371
SE-18
AUTOMATIC DRIVE POSITIONER
Revision: August 20072004 QX56
WIWA0576E
Page 2968 of 3371
AUTOMATIC DRIVE POSITIONER
SE-19
C
D
E
F
G
H
J
K
L
MA
B
SE
Revision: August 20072004 QX56
Wiring Diagram — AUT/DP —EIS002YA
WIWA1102E