Page 3305 of 4366

REAR WINDOW DEFOGGER GW-67
C
D E
F
G H
J
K L
M A
B
GW
Revision: 2006 July 2007 FX35/FX45
REAR WINDOW DEFOGGERPFP:25350
Component Parts and Harness Connector LocationNIS001S0
System DescriptionNIS001S1
The rear window defogger system is controlled by BCM (Body Control Module) and IPDM E/R (Intelligent
Power Distribution Module Engine Room).
The rear window defogger operates only for approximately 15 minutes.
Power is at all times supplied
through 20A fuse [No. 75, located in the IPDM E/R]
to rear window defogger relay terminals 3,
through 20A fuse [No. 80, located in the IPDM E/R]
to rear window defogger relay terminals 6,
through 15A fuse [No. 32, located in the fuse block (J/B)]
to A/C and AV switch terminal 1,
through 50A fusible link (letter M , located in the fuse and fusible link box)
to BCM terminal 55,
through 15A fuse [No. 22, located in the fuse block (J/B)]
to BCM terminal 42.
With the ignition switch turned to ON or START position,
Power is supplied
through 15A fuse [No. 1, located in the fuse block (J/B)]
to BCM terminal 38.
through 10A fuse [No. 12, located in the fuse block]
1. a: Fusible link 50A letter M
b: Fuse 15A No.32 2. a: Fuse block (J/B) M1, M2, E201
b: BCM M3, M4 3. IPDM E/R E4, E8, E9
4. Rear window defogger relay E13 5. A/C and AV switch M64 (Rear window defogger switch) 6. a: Rear window defogger D104
b: Rear window defogger D114
PIIB8568E
Page 3306 of 4366

GW-68
REAR WINDOW DEFOGGER
Revision: 2006 July 2007 FX35/FX45
to rear window defogger relay terminal 1,
Ground is supplied
to BCM terminal 49 and 52
through body grounds M35, M45 and M85,
to A/C and AV switch terminal 5
through body grounds M35, M45 and M85,
to IPDM E/R terminals 38 and 60
through body grounds E21, E50 and E51.
When rear window defogger switch in A/C and AV switch is turned to ON,
Ground is supplied
to BCM terminal 9
through A/C and AV switch terminal 16
through A/C and AV switch terminal 5 and
through body grounds M35, M45 and M85.
Then rear window defogger switch is illuminated.
Then BCM recognizes that rear window defogger switch is turned to ON.
Then it sends rear window defogger switch signals to IPDM E/R, display control unit via DATA LINE (CAN H,
CAN L).
When display control unit receives rear window defogger switch signals, and display on the screen.
When IPDM E/R receives rear window defogger switch signals,
Ground is supplied
to rear window defogger relay terminal 2
through IPDM E/R terminal 52
through IPDM E/R terminals 38 and 60 and
through body grounds E21, E50 and E51.
And then rear window defogger relay is energized.
When rear window defogger relay is turned ON, signals are transmitted.
through rear window defogger relay terminals 5 and 7
to rear window defogger terminal 1
Rear window defogger terminal 2 is grounded through grounds B15 and B45.
With power and ground supplied, rear window defogger filaments heat and defog the rear window.
When rear window defogger relay is turned to ON,
Power is supplied
through rear window defogger relay terminal 7
through fuse block (J/B) terminal 2C
through 15A fuse [No. 8, located in the fuse block (J/B)] and
through fuse block (J/B) terminal 5B
to door mirror defogger (driver side and passenger side) terminal 4.
Door mirror defogger (driver side and passenger side) terminal 3 is grounded through body grounds M35, M45
and M85.
With power and ground supplied, rear window defogger filaments heat and defog the rear window and door
mirror defogger filaments heat and defog the mirror.
CAN Communication System DescriptionNIS001S2
CAN (Controller Area Network) is a serial communication line for real time application. It is an on-vehicle mul-
tiplex communication line with high data communication speed and excellent error detection ability. Many elec-
tronic control units are equipped onto a vehicle, and each control unit shares information and links with other
control units during operation (not independent). In CAN communication, control units are connected with 2
communication lines (CAN H line, CAN L line) allowing a high rate of information transmission with less wiring.
Each control unit transmits/receives data but selectively reads required data only.
CAN Communication UnitNIS001S3
Refer to LAN-49, "CAN System Specification Chart" .
Page 3307 of 4366
REAR WINDOW DEFOGGER GW-69
C
D E
F
G H
J
K L
M A
B
GW
Revision: 2006 July 2007 FX35/FX45
SchematicNIS001S4
TIWM1684E
Page 3308 of 4366
GW-70
REAR WINDOW DEFOGGER
Revision: 2006 July 2007 FX35/FX45
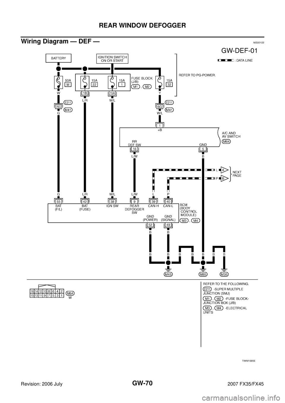
Wiring Diagram — DEF — NIS001S5
TIWM1685E
Page 3309 of 4366
REAR WINDOW DEFOGGER GW-71
C
D E
F
G H
J
K L
M A
B
GW
Revision: 2006 July 2007 FX35/FX45
TIWM1686E
Page 3310 of 4366
GW-72
REAR WINDOW DEFOGGER
Revision: 2006 July 2007 FX35/FX45
TIWM1687E
Page 3311 of 4366
REAR WINDOW DEFOGGER GW-73
C
D E
F
G H
J
K L
M A
B
GW
Revision: 2006 July 2007 FX35/FX45
TIWM1688E
Page 3312 of 4366

GW-74
REAR WINDOW DEFOGGER
Revision: 2006 July 2007 FX35/FX45
Terminal and Reference Value for BCMNIS001S6
Terminal and Reference Value for IPDM E/RNIS001S7
Terminal Wire
color Item Signal
Input/
Output Condition
Voltage (V)
(Approx.)
9L/W Rear window defogger
switch signal Input When rear window defogger switch is
pressed. 0
When rear window defogger switch is OFF. 5
38 W/L Ignition switch ON or START Input Ignition switch (ON or START position) Battery voltage
39 L CAN − H Input/
Output ——
40 P CAN − L Input/
Output ——
42 L/R Power source (Fuse) Input — Battery voltage
49 B Ground (signal) — — 0
52 B Ground (power) — — 0
55 G Power source (Fusible link) Input — Battery voltage
Terminal Wire
color Item Signal
Input/
Output Condition
Voltage (V)
(Approx.)
5 R Battery power supply Output — Battery voltage
6 W Battery power supply Output — Battery voltage
38 B Ground (Power) — — 0
48 L CAN − H Input/
Output ——
49 R CAN − L Input/
Output ——
52 G Rear window defogger relay
control signal Input When rear window defogger switch is ON. 0
When rear window defogger switch is
OFF. Battery voltage
60 B Ground (Signal) — — 0