Page 3617 of 4366
INTERIOR ROOM LAMP LT-161
C
D E
F
G H
I
J
L
M A
B
LT
Revision: 2006 July 2007 FX35/FX45
TKWM4315E
Page 3618 of 4366
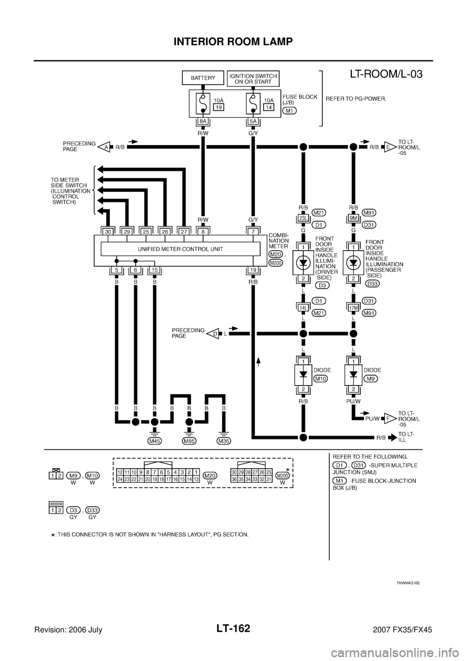
LT-162
INTERIOR ROOM LAMP
Revision: 2006 July 2007 FX35/FX45
TKWM4316E
Page 3619 of 4366
INTERIOR ROOM LAMP LT-163
C
D E
F
G H
I
J
L
M A
B
LT
Revision: 2006 July 2007 FX35/FX45
TKWH0231E
Page 3620 of 4366
LT-164
INTERIOR ROOM LAMP
Revision: 2006 July 2007 FX35/FX45
TKWM4317E
Page 3621 of 4366
INTERIOR ROOM LAMP LT-165
C
D E
F
G H
I
J
L
M A
B
LT
Revision: 2006 July 2007 FX35/FX45
TKWM4318E
Page 3622 of 4366
LT-166
INTERIOR ROOM LAMP
Revision: 2006 July 2007 FX35/FX45
TKWM4319E
Page 3623 of 4366
INTERIOR ROOM LAMP LT-167
C
D E
F
G H
I
J
L
M A
B
LT
Revision: 2006 July 2007 FX35/FX45
TKWM4320E
Page 3624 of 4366

LT-168
INTERIOR ROOM LAMP
Revision: 2006 July 2007 FX35/FX45
Terminals and Reference Values for BCMNKS002YQ
Te r m i n a l
No. Wire
color Signal name Measuring condition
Reference value
Ignition
switch Operation or condition
1PU Ignition keyhole illumi-
nation signal OFF
Ignition keyhole
illumination Illuminated Battery voltage
Not illuminated Approx. 0 V
12 P/B Front door switch (pas-
senger) signal OFF
Front door switch
(passenger side) ON (open) Approx. 0 V
OFF (closed) Approx. 7.5 - 8.0 V
13 P/L Rear door switch RH
signal OFF Rear door switch
RH ON (open) Approx. 0 V
OFF (closed) Battery voltage
22 OR Power window switch
serial link — Power window
main switch (door
lock and unlock
switch) and power
window sub-
switch (front pas-
senger side) (door
lock and unlock
switch) Lock or unlock switch
ON
NOTE:
Approx. 10 seconds
after door lock and
unlock switch (driver
side and passenger
side) is turned “LOCK”
or “UNLOCK”. Approx. 9.0 - 9.5 V
OFF Battery voltage
37 B/W Key-in detection
switch signal OFF Vehicle key is removed. Approx. 0 V
Vehicle key is inserted. Battery voltage
38 W/L Ignition power supply ON — Battery voltage
39 L CAN − H— — —
40 P CAN − L— — —
41 R/B Battery saver output
signal OFF
30 minutes after ignition switch is turned to
OFF Approx. 0 V
ON — Battery voltage
42 L/R Battery power supply OFF — Battery voltage
47 Y/R Step lamp signal OFF Any door is open (ON) Approx. 0 V
All doors are closed (OFF) Battery voltage
48 PU/W Interior room lamp,
map lamp, front door
inside handle and rear
door inside handle illu-
mination output signal OFF Any door switch ON (open) Approx. 0 V
OFF (closed) Battery voltage
49 B Ground ON — Approx. 0 V
52 B Ground ON — Approx. 0 V
55 G Battery power supply OFF — Battery voltage
58 L Back door switch sig-
nal OFF Back door closure
motor (door
switch) ON (open) Approx. 0 V
OFF (closed) Battery voltage
SKIB3419J
PKIC0930E