Page 1 of 4366

ABCDEFGHIJKMLQUICK REFERENCE INDEX AGENERAL INFORMATIONGIGeneral InformationBENGINEEMEngine MechanicalLUEngine Lubrication SystemCOEngine Cooling SystemECEngine Control SystemFLFuel SystemEXExhaust SystemACCAccelerator Control SystemCTRANSMISSION/
TRANSAXLEATAutomatic TransmissionDDRIVELINE/AXLETFTransferPRPropeller ShaftFFDFront Final DriveRFDRear Final DriveFAXFront AxleRAXRear AxleESUSPENSIONFSUFront SuspensionRSURear SuspensionWTRoad Wheels & TiresFBRAKESBRBrake SystemPBParking Brake SystemBRCBrake Control SystemGSTEERINGPSPower Steering SystemHRESTRAINTSSBSeat BeltsSRSSupplemental Restraint System
(SRS)IBODYBLBody, Lock & Security SystemGWGlasses, Window System & Mir-
rorsRFRoofEIExterior & InteriorIPInstrument PanelSESeatJAIR CONDITIONERATCAutomatic Air ConditionerKELECTRICALSCStarting & Charging SystemLTLighting SystemDIDriver Information SystemWWWiper, Washer & HornBCSBody Control SystemLANLAN SystemAVAudio Visual, Navigation & Tele-
phone SystemACSAuto Cruise Control SystemPGPower Supply, Ground & Circuit Ele-
mentsLMAINTENANCEMAMaintenanceMINDEXIDXAlphabetical IndexEdition: July 2006
Revision: July 2006
Page 2 of 4366

QUICK REFERENCE CHART FX35/FX45
QUICK REFERENCE CHART FX35/FX45PFP:00000
ENGINE TUNE-UP DATA (VQ35DE)ELS0003W
Engine modelVQ35DE
Firing order1-2-3-4-5-6
Idle speed
A/T (In “P” or “N” position)rpm
650 ± 50
Ignition timing (BTDC at idle speed)
A/T (In “P” or “N” position)15° ± 5°
Drive BeltDeflection adjustment Unit: mm (in) Tension adjustment Unit: N (kg, lb)
Used belt
New beltUsed belt
New belt
Limit After adjustment Limit After adjustment
Alternator and power
steering oil pump belt7 (0.28)4 - 5
(0.16 - 0.20)3.5 - 4.5
(0.138 - 0.177)294 (30, 66)730 - 818
(74.5 - 83.5,
164 - 184)838 - 926
(85.5 - 94.5,
188 - 208)
A/C compresor belt 12 (0.47)9 - 10
(0.35 - 0.39)8 - 9
(0.31 - 0.35)196 (20, 44)348 - 436
(35.5 - 44.5,
78 - 98)470 - 559
(47.9 - 57.0,
106 - 126)
Applied pushing force 98N (10kg, 22lb) —
Radiator cap relief pressure
kPa (kg/cm
2 , psi)
Standard 78 - 98 (0.8 - 1.0, 11 - 14)
Limit 59 (0.6, 9)
Cooling system leakage testing pres-
surekPa (kg/cm
2 , psi)157 (1.6, 23)
Compression pressure
kPa (kg/cm
2 , psi)/rpm
Standard 1,275 (13.0, 185) /300
Minimum 981 (10.0, 142) /300
Spark plug Standard type PLFR5A-11
Hot type PLFR4A-11
Cold type PLFR6A-11
2007
Page 3 of 4366

QUICK REFERENCE CHART FX35/FX45
ENGINE TUNE-UP DATA (VK45DE)
FRONT WHEEL ALIGNMENT (Unladen* )
ELS0003X
* : Fuel, engine coolant and engine oil full. Spare tire, jack, hand tools and mats in designated positions.Engine modelVK45DE
Firing order1-8-7-3-6-5-4-2
Idle speed
A/T (In “P” or “N” position) rpm650 ± 50
Ignition timing
(BTDC at idle speed)12° ± 5°
Tensions of drive belts Auto adjustment by auto tensioner
Radiater cap relief pressure
kPa (kg/cm
2 , psi)
78 - 98 (0.8-1.0 , 11-14) Standard
Limit 59 (0.6, 9)
Cooling system leakage testing pressure
157 (1.6, 23)
kPa (kg/cm
2 , psi)
Compression pressure
kPa (kg/cm
2 , psi)/rpm
1,320 (13.5, 191) /300 Standard
Minimum 1,130 (11.5, 164) /300
Spark plug Standard type PLFR5A-11
Hot type PLFR4A-11
Cold type PLFR6A-11
Camber Degree minute (Decimal degree) Minimum –1° 29′ (–1.48°)
Nominal –0° 44′ (–0.73°)
Maximum 0° 01′ (0.02°)
Left and right difference 45′ (0.75°) or less
Caster Degree minute (Decimal degree) Minimum 3° 02′ (3.03°)
Nominal 3° 47′ (3.78°)
Maximum 4° 32′ (4.53°)
Left and right difference 45′ (0.75°) or less
Kingpin inclination Degree minute (Decimal degree) Minimum 12° 20′ (12.33°)
Nominal 13° 05′ (13.08°)
Maximum 13° 50′ (13.83°)
Total toe-in Distance Minimum 0.6 mm (0.024 in)
Nominal 1.6 mm (0.063 in)
Maximum 2.6 mm (0.102 in)
Angle (left wheel or right wheel)
Degree minute (Decimal degree)Minimum 0° 01′ (0.02°)
Nominal 0° 04′ (0.06°)
Maximum 0° 06′ (0.10°)
Wheel turning angle (Full turn) Inside Minimum 32° 00 (32.0°)
Degree minute (Decimal degree) Nominal 35° 00 (35.0°)
Maximum 36° 00 (36.0°)
Outside
Nominal 30° 00 (30.0°)
Degree minute (Decimal degree)
2007
Page 4 of 4366

QUICK REFERENCE CHART FX35/FX45
REAR WHEEL ALIGNMENT (Unladen*)
ELS0003Y
* : Fuel, engine coolant and engine oil full. Spare tire, jack, hand tools and mats in designated positions.
BRAKEELS0003Z
* : Under force of 490 N (50 kg, 110 lb) with engine running.
REFILL CAPACITIESELS00040
Camber
Degree minute (Decimal degree)Minimum –1° 18′ (–1.30°)
Nominal –0° 48′ (–0.80°)
Maximum – 0° 18′ (– 0.30°)
Total toe-inDistance Minimum 2.4 mm (0.09 in)
Nominal 4.7 mm (0.19 in)
Maximum 7.0 mm (0.28 in)
Angle (left wheel or right wheel)
Degree minute (Decimal degree)Minimum 0° 05′ (0.08°)
Nominal 0° 10′ (0.17°)
Maximum 0° 15′ (0.25°)
Front brake Pad wear limit 2.0 mm (0.079 in)
Rotor repair limit 32.0 mm (1.260 in)
Rear brake Pad wear limit 2.0 mm (0.079 in)
Rotor repair limit 14.0 mm (0.551 in)
Pedal free height 161.5 - 171.5 mm (6.358 - 6.752 in)
Pedal depressed height* More than 95 mm (3.74 in)
UNITLiter US measure
Fuel tank90 23 - 3/4 gal
Coolant (With reservoir tank)VQ35DE 8.6 9 - 1/8 qt
VK45DE 10.0 10 - 5/8 qt
Engine(VQ35DE)Drain and refill
With oil filter change 4.7 5 qt
Without oil filter change 4.4 4 - 5/8 qt
Dry engine (Overhaul) 5.4 5 - 3/4 qt
Engine(VK45DE)Drain and refill
With oil filter change 5.8 6 - 1/8 qt
Without oil filter change 5.2 5 - 1/2 qt
Dry engine (Overhaul) 7.0 7 - 3/8 qt
Transmission A/T 10.3 10 - 7/8 qt
Transfer1.25 2 - 5/8 pt
Differential carrierFront 0.65 1 - 3/8 pt
Rear 1.4 3 pt
Power steering system 1.0 1 - 1/8 qt
Air conditioning systemCompressor oil 0.18 6.0 fl oz
Refrigerant 0.55 kg 1.21 lb
2007
Page 5 of 4366
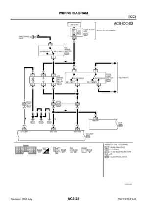
ACC-1
ACCELERATOR CONTROL SYSTEM
B ENGINE
CONTENTS
C
D E
F
G H
I
J
K L
M
SECTION
A
ACC
Revision: 2006 July 2007 FX35/FX45
ACCELERATOR CONTROL SYSTEM
PRECAUTIONS .......................................................... 2
Precautions for Supplemental Restraint System
(SRS) “AIR BAG” and “SEAT BELT PRE-TEN-
SIONER” ............................................................. ..... 2
ACCELERATOR CONTROL SYSTEM ................. ..... 3 Components ........................................................
..... 3
Removal and Installation ..................................... ..... 3
REMOVAL ........................................................ ..... 3
INSTALLATION ................................................ ..... 3
INSPECTION AFTER INSTALLATION ............. ..... 3
Page 6 of 4366

ACC-2
PRECAUTIONS
Revision: 2006 July 2007 FX35/FX45
PRECAUTIONSPFP:00001
Precautions for Supplemental Restraint System (SRS) “AIR BAG” and “SEAT
BELT PRE-TENSIONER”
NBS004IP
The Supplemental Restraint System such as “AIR BAG” and “SEAT BELT PRE-TENSIONER”, used along
with a front seat belt, helps to reduce the risk or severity of injury to the driver and front passenger for certain
types of collision. This system includes seat belt switch inputs and dual stage front air bag modules. The SRS
system uses the seat belt switches to determine the front air bag deployment, and may only deploy one front
air bag, depending on the severity of a collision and whether the front occupants are belted or unbelted.
Information necessary to service the system safely is included in the SRS and SB section of this Service Man-
ual.
WARNING:
To avoid rendering the SRS inoperative, which could increase the risk of personal injury or death
in the event of a collision which would result in air bag inflation, all maintenance must be per-
formed by an authorized NISSAN/INFINITI dealer.
Improper maintenance, including incorrect removal and installation of the SRS, can lead to per-
sonal injury caused by unintentional activation of the system. For removal of Spiral Cable and Air
Bag Module, see the SRS section.
Do not use electrical test equipment on any circuit related to the SRS unless instructed to in this
Service Manual. SRS wiring harnesses can be identified by yellow and/or orange harnesses or
harness connectors.
Page 7 of 4366

ACCELERATOR CONTROL SYSTEM ACC-3
C
D E
F
G H
I
J
K L
M A
ACC
Revision: 2006 July 2007 FX35/FX45
ACCELERATOR CONTROL SYSTEMPFP:18005
ComponentsNBS004IQ
Removal and InstallationNBS005S6
REMOVAL
1. Disconnect accelerator pedal position sensor harness connector.
2. Loosen mounting nuts, and remove accelerator pedal assembly.
CAUTION:
Do not disassemble accelerator pedal assembly. Do not remove accelerator pedal position sen-
sor from accelerator pedal assembly.
Avoid impact from dropping etc. during handling.
Be careful to keep accelerator pedal assembly away from water.
INSTALLATION
Installation is the reverse order of removal.
INSPECTION AFTER INSTALLATION
Make sure accelerator pedal moves smoothly within the whole operation range when it is fully depressed
and released.
Make sure accelerator pedal securely returns to the fully released position.
For the electrical inspection of accelerator pedal position sensor, refer to the following.
–VQ35DE
EC-576, "
DTC P2122, P2123 APP SENSOR", EC-583, "DTC P2127, P2128 APP SENSOR" and EC-597,
"DTC P2138 APP SENSOR"
–VK45DE
EC-1258, "
DTC P2122, P2123 APP SENSOR", EC-1265, "DTC P2127, P2128 APP SENSOR" and EC-
1279, "DTC P2138 APP SENSOR"
CAUTION:
When harness connector of accelerator pedal position sensor is disconnected, perform “Acceler-
ator Pedal Released Position Learning”. Refer to EC-83, "
Accelerator Pedal Released Position
Learning" (VQ35DE) or EC-745, "Accelerator Pedal Released Position Learning" (VK45DE).
1. Accelerator pedal assembly
SBIA0332E
Page 8 of 4366
ACC-4
ACCELERATOR CONTROL SYSTEM
Revision: 2006 July 2007 FX35/FX45