Page 2353 of 4366
![INFINITI FX35 2007 Service Manual DTC P0171, P0174 FUEL INJECTION SYSTEM FUNCTION EC-977
[VK45DE]
C
D E
F
G H
I
J
K L
M A
EC
Revision: 2006 July 2007 FX35/FX457. If it is difficult to start engine at step 6, the fuel inje INFINITI FX35 2007 Service Manual DTC P0171, P0174 FUEL INJECTION SYSTEM FUNCTION EC-977
[VK45DE]
C
D E
F
G H
I
J
K L
M A
EC
Revision: 2006 July 2007 FX35/FX457. If it is difficult to start engine at step 6, the fuel inje](/manual-img/42/57018/w960_57018-2352.png)
DTC P0171, P0174 FUEL INJECTION SYSTEM FUNCTION EC-977
[VK45DE]
C
D E
F
G H
I
J
K L
M A
EC
Revision: 2006 July 2007 FX35/FX457. If it is difficult to start engine at step 6, the fuel injection system has a malfunction, too.
8. Crank engine while depressing accelerator pedal. If engine starts, go to EC-982, "
Diagnostic Procedure" .
If engine does not start, check exhaust and intake air leak visually.
WITH GST
1. Start engine and warm it up to normal operating temperature.
2. Turn ignition switch OFF and wait at least 10 seconds.
3. Disconnect mass air flow sensor (1) harness connector.
4. Restart engine and let it idle for at least 5 seconds.
5. Stop engine and reconnect mass air flow sensor harness con- nector.
6. Select Service $03 with GST. Make sure DTC P0102 is detected.
7. Select Service $04 with GST and erase the DTC P0102.
8. Start engine again and let it idle for at least 10 minutes.
9. Select Service $07 with GST. The 1st trip DTC P0171 or P0174 should be detected at this stage, if a malfunction exists. If so, go
to EC-982, "
Diagnostic Procedure" .
NOTE:
If 1st trip DTC is not detected during above procedure, performing the following procedure is advised.
a. Turn ignition switch OFF and wait at least 10 seconds.
b. Start engine and drive the vehicle under the similar conditions to (1st trip) Freeze Frame Data for 10 min- utes. Refer to the table below.
Hold the accelerator pedal as steady as possible.
The similar conditions to (1st trip) Freeze Frame Data means the vehicle operation that the following con-
ditions should be satisfied at the same time.
10. If it is difficult to start engine at step 8, the fuel injection system has a malfunction.
11. Crank engine while depressing accelerator pedal. If engine starts, go to EC-982, "
Diagnostic Procedure" .
If engine does not start, check exhaust and intake air leak visually.
Engine coolant temperature
(T) condition When the freeze frame data shows lower than 70
°C (158 °F),
T should be lower than 70 °C (158 °F).
When the freeze frame data shows higher than or equal to 70 °C (158 °F),
T should be higher than or equal to 70 °C (158 °F).
PBIB3230E
Engine speed Engine speed in the freeze frame data ± 400 rpm
Vehicle speed Vehicle speed in the freeze frame data ± 10 km/h (6 MPH)
Engine coolant temperature
(T) condition When the freeze frame data shows lower than 70
°C (158 °F),
T should be lower than 70 °C (158 °F).
When the freeze frame data shows higher than or equal to 70 °C (158 °F),
T should be higher than or equal to 70 °C (158 °F).
Page 2354 of 4366
EC-978
[VK45DE]
DTC P0171, P0174 FUEL INJECTION SYSTEM FUNCTION
Revision: 2006 July 2007 FX35/FX45
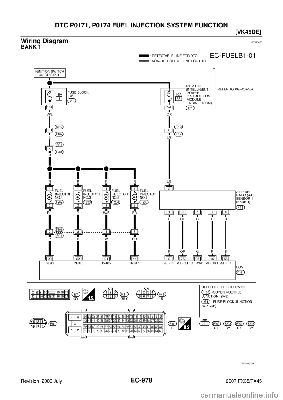
Wiring DiagramNBS00465
BANK 1
TBWM1332E
Page 2355 of 4366
![INFINITI FX35 2007 Service Manual DTC P0171, P0174 FUEL INJECTION SYSTEM FUNCTION EC-979
[VK45DE]
C
D E
F
G H
I
J
K L
M A
EC
Revision: 2006 July 2007 FX35/FX45
Specification data are reference values and are measured betw INFINITI FX35 2007 Service Manual DTC P0171, P0174 FUEL INJECTION SYSTEM FUNCTION EC-979
[VK45DE]
C
D E
F
G H
I
J
K L
M A
EC
Revision: 2006 July 2007 FX35/FX45
Specification data are reference values and are measured betw](/manual-img/42/57018/w960_57018-2354.png)
DTC P0171, P0174 FUEL INJECTION SYSTEM FUNCTION EC-979
[VK45DE]
C
D E
F
G H
I
J
K L
M A
EC
Revision: 2006 July 2007 FX35/FX45
Specification data are reference values and are measured between each terminal and ground.
Pulse signal is measured by CONSULT-II.
CAUTION:
Do not use ECM ground terminals when measuring input/output voltage. Doing so may result in dam-
age to the ECM's transistor. Use a ground other than ECM terminals, such as the ground.
: Average voltage for pulse signal (Actual pulse signal can be confirmed by oscilloscope.) TER-
MINAL
NO. WIRE
COLOR ITEM CONDITION DATA (DC Voltage)
2P A/F sensor 1 heater
(Bank 1) [Engine is running]
Warm-up condition
Idle speed Approximately 5V
16 R A/F sensor 1 (Bank 1) [Engine is running]
Warm-up condition
Idle speed Approximately 3.1V
35 G Approximately 2.6V
56 B Approximately 2.3V
75 OR Approximately 2.3V
21
22
23
44 W
R
P
OR Fuel injector No. 5
Fuel injector No. 3
Fuel injector No. 1
Fuel injector No. 7 [Engine is running]
Warm-up condition
Idle speed
NOTE:
The pulse cycle changes depending on rpm
at idle BATTERY VOLTAGE
(11 - 14V)
[Engine is running]
Warm-up condition
Engine speed: 2,000 rpm BATTERY VOLTAGE
(11 - 14V)
PBIB1584E
PBIB0042E
PBIB0043E
Page 2356 of 4366
EC-980
[VK45DE]
DTC P0171, P0174 FUEL INJECTION SYSTEM FUNCTION
Revision: 2006 July 2007 FX35/FX45
BANK 2
TBWM1333E
Page 2357 of 4366
![INFINITI FX35 2007 Service Manual DTC P0171, P0174 FUEL INJECTION SYSTEM FUNCTION EC-981
[VK45DE]
C
D E
F
G H
I
J
K L
M A
EC
Revision: 2006 July 2007 FX35/FX45
Specification data are reference values and are measured betw INFINITI FX35 2007 Service Manual DTC P0171, P0174 FUEL INJECTION SYSTEM FUNCTION EC-981
[VK45DE]
C
D E
F
G H
I
J
K L
M A
EC
Revision: 2006 July 2007 FX35/FX45
Specification data are reference values and are measured betw](/manual-img/42/57018/w960_57018-2356.png)
DTC P0171, P0174 FUEL INJECTION SYSTEM FUNCTION EC-981
[VK45DE]
C
D E
F
G H
I
J
K L
M A
EC
Revision: 2006 July 2007 FX35/FX45
Specification data are reference values and are measured between each terminal and ground.
Pulse signal is measured by CONSULT-II.
CAUTION:
Do not use ECM ground terminals when measuring input/output voltage. Doing so may result in dam-
age to the ECM's transistor. Use a ground other than ECM terminals, such as the ground.
: Average voltage for pulse signal (Actual pulse signal can be confirmed by oscilloscope.) TER-
MINAL
NO. WIRE
COLOR ITEM CONDITION DATA (DC Voltage)
24 P A/F sensor 1 heater
(Bank 2) [Engine is running]
Warm-up condition
Idle speed Approximately 5V
40
41
42
63 PU
BR
B
G Fuel injector No. 6
Fuel injector No. 4
Fuel injector No. 2
Fuel injector No. 8 [Engine is running]
Warm-up condition
Idle speed
NOTE:
The pulse cycle changes depending on rpm
at idle BATTERY VOLTAGE
(11 - 14V)
[Engine is running]
Warm-up condition
Engine speed: 2,000 rpm BATTERY VOLTAGE
(11 - 14V)
57 G A/F sensor 1 (Bank 2) [Engine is running]
Warm-up condition
Idle speed Approximately 2.6V
58 L Approximately 2.3V
76 R Approximately 3.1V
77 OR Approximately 2.3V
PBIB1584E
PBIB0042E
PBIB0043E
Page 2358 of 4366
EC-982
[VK45DE]
DTC P0171, P0174 FUEL INJECTION SYSTEM FUNCTION
Revision: 2006 July 2007 FX35/FX45
Diagnostic ProcedureNBS00466
1. CHECK EXHAUST GAS LEAK
1. Start engine and run it at idle.
2. Listen for an exhaust gas leak before three way catalyst (manifold).
OK or NG
OK >> GO TO 2.
NG >> Repair or replace.
2. CHECK FOR INTAKE AIR LEAK
1. Listen for an intake air leak after the mass air flow sensor.
2. Check PCV hose connection.
OK or NG
OK >> GO TO 3.
NG >> Repair or replace.
PBIB1216E
Page 2359 of 4366
![INFINITI FX35 2007 Service Manual DTC P0171, P0174 FUEL INJECTION SYSTEM FUNCTION EC-983
[VK45DE]
C
D E
F
G H
I
J
K L
M A
EC
Revision: 2006 July 2007 FX35/FX45
3. CHECK AIR FUEL RATIO (A/F) SENSOR 1 INPUT SIGNAL CIRCUIT
INFINITI FX35 2007 Service Manual DTC P0171, P0174 FUEL INJECTION SYSTEM FUNCTION EC-983
[VK45DE]
C
D E
F
G H
I
J
K L
M A
EC
Revision: 2006 July 2007 FX35/FX45
3. CHECK AIR FUEL RATIO (A/F) SENSOR 1 INPUT SIGNAL CIRCUIT](/manual-img/42/57018/w960_57018-2358.png)
DTC P0171, P0174 FUEL INJECTION SYSTEM FUNCTION EC-983
[VK45DE]
C
D E
F
G H
I
J
K L
M A
EC
Revision: 2006 July 2007 FX35/FX45
3. CHECK AIR FUEL RATIO (A/F) SENSOR 1 INPUT SIGNAL CIRCUIT
1. Turn ignition switch OFF.
2. Disconnect air fuel ratio (A/F) sensor 1 harness connector.
3. Disconnect ECM harness connector.
4. Check harness continuity between the following terminals. Refer to Wiring Diagram.
5. Check harness continuity between the following terminals and ground. Refer to Wiring Diagram.
6. Also check harness for short to power.
OK or NG
OK >> GO TO 4.
NG >> Repair open circuit or short to ground or short to power in harness or connectors.
: Vehicle front 1. A/F sensor 1 (Bank 2)
harness connector 2. A/F sensor 1 (Bank 1)
harness connector
A/F sensor 1 terminal ECM terminal
Bank 1 116
275
535
656
Bank 2 176
277
557
658
Continuity should exist.
Bank 1 Bank 2
A/F sensor 1 terminal ECM terminal A/F sensor 1 terminal ECM terminal 116176
275277
535557
656658
Continuity should not exist.
PBIB3246E
Page 2360 of 4366
![INFINITI FX35 2007 Service Manual EC-984
[VK45DE]
DTC P0171, P0174 FUEL INJECTION SYSTEM FUNCTION
Revision: 2006 July 2007 FX35/FX45
4. CHECK FUEL PRESSURE
1. Release fuel pressure to zero. Refer to EC-747, "
FUEL PRESSURE RELEASE" INFINITI FX35 2007 Service Manual EC-984
[VK45DE]
DTC P0171, P0174 FUEL INJECTION SYSTEM FUNCTION
Revision: 2006 July 2007 FX35/FX45
4. CHECK FUEL PRESSURE
1. Release fuel pressure to zero. Refer to EC-747, "
FUEL PRESSURE RELEASE"](/manual-img/42/57018/w960_57018-2359.png)
EC-984
[VK45DE]
DTC P0171, P0174 FUEL INJECTION SYSTEM FUNCTION
Revision: 2006 July 2007 FX35/FX45
4. CHECK FUEL PRESSURE
1. Release fuel pressure to zero. Refer to EC-747, "
FUEL PRESSURE RELEASE" .
2. Install fuel pressure gauge and check fuel pressure. Refer to EC-748, "
FUEL PRESSURE CHECK" .
OK or NG
OK >> GO TO 6.
NG >> GO TO 5.
5. DETECT MALFUNCTIONING PART
Check the following.
Fuel pump and circuit (Refer to EC-1318, "FUEL PUMP" .)
Fuel pressure regulator (Refer to EC-748, "FUEL PRESSURE CHECK" .)
Fuel lines (Refer to FL-3, "Checking Fuel Lines" .)
Fuel filter for clogging
>> Repair or replace.
6. CHECK MASS AIR FLOW SENSOR
With CONSULT-II
1. Install all removed parts.
2. Check “MASS AIR FLOW” in “DATA MONITOR” mode with CONSULT-II.
With GST
1. Install all removed parts.
2. Check mass air flow sensor signal in “Service $01” with GST.
OK or NG
OK (With CONSULT-II)>>GO TO 7.
OK (Without CONSULT-II)>>GO TO 8.
NG >> Check connectors for rusted terminals or loose connections in the mass air flow sensor circuit or grounds. Refer to EC-868, "
DTC P0102, P0103 MAF SENSOR" .
7. CHECK FUNCTION OF FUEL INJECTOR-I
With CONSULT-II
1. Start engine.
2. Perform “POWER BALANCE” in “ACTIVE TEST” mode with CONSULT-II.
3. Make sure that each circuit produces a momentary engine speed drop.
OK or NG
OK >> GO TO 10.
NG >> Perform trouble diagnosis for EC-1311, "
FUEL INJEC-
TOR" .
At idling: Approximately 350 kPa (3.57 kg/cm
2 , 51 psi)
2.0 - 6.0 g·m/sec: at idling
7.0 - 20.0 g·m/sec: at 2,500 rpm
2.0 - 6.0 g·m/sec: at idling
7.0 - 20.0 g·m/sec: at 2,500 rpm
PBIB0133E