Page 2305 of 2572

2005 HIGHLANDER (EWD592U)
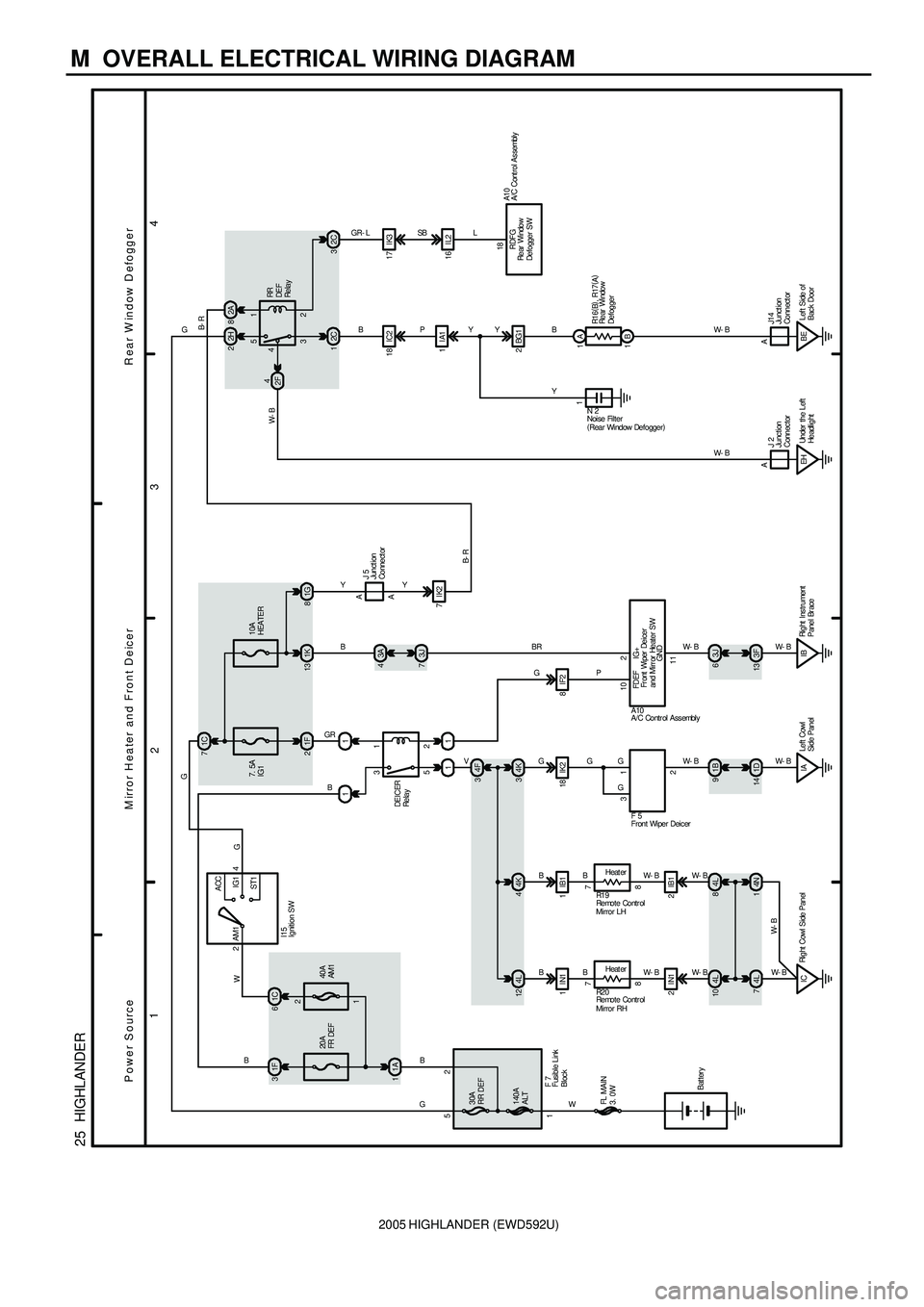
M OVERALL ELECTRICAL WIRING DIAGRAM
1
234
25 HIGHLANDER
Power Source M irror Heater and Front Deicer
2ACC
IG1 AM1 4
40A
AM1 20A
FR DEF1C 6 1F 3
1A 17. 5A
IG110A
HEATER 1C 7
1K 13 1F 21G8
2 1
5 31 1
11
4F 3
4K 3
IALeft Cowl
Side Panel 1D 141B 9 18 IK2
VG W-B W-B2 1 3 4K 4 4L 12
1IB1 1IN1
8 7
8 7
2IB1 2IN1
4L 8 4L 10
4N 1 4L 7
ICRight Cowl Side PanelRight Ins trument
Panel Br ace IB 3F 133J 6
W- B W- B112 10 8IF2 52
1
Bat tery FL MAIN
3. 0W
FDEF IG+
GND
W- B
W- B
B BGG G
B B
W- B W- B
W- B W- B
DE I CER
Re la y
GR
B
W
GB B
G
P B
3A 4
3J 7BR
A A
7IK23 5
2 1
42H 22A8
4
2F
A
EHUnder the Left
Headlight2C 12C3
18 IC2 17 IK3
16 IL2
18 1IA1
2BG1
1A
1B
A
BELeft Side of
Back DoorYY
B- R
B GR- L
P SB
YL
RR
DE F
Re la y
Rear Window
Defogger SW
YB
Y
1
W- B
W- BB- RG
W- B
Rear W indow Defogger
30A
RR DEF
140A
ALTGW
RDFG 1 2
G
ST1
Fr ont Wiper Deicer
and Mirr or Heater SW I15
A1 0
R1 6(
B)
, R17(
A)
N 2
J 5
J14 J 2
A10
F 5
R1 9
R2 0
A/C Cont rol Assembly
A/C Control Assembly
Front Wiper Deic er
Ignition SW
Junc tion
Connec tor Junct ion
Connect or
Junct ion
Connect or
Noise Filter
(
Rear Window Defogger)
Rear Window
Defogger
Re mo t e Co nt r ol
Mirror LH
Re mo t e Co nt r ol
Mirror RHHeat er
Heat er
Fusible Link
Block F 7
Page 2306 of 2572

2005 HIGHLANDER (EWD592U)
M
1
234
26 HIGHLANDER
Power SourceKey Reminder and Seat Belt W arning
1C 6
1A 1140A ALT2B 40A AM11WW
WFL MAIN
3. 0W3
7. 5A ECU- B
D. C. C
2I 1L
G
2ACC
IG1 AM13
4
2A 412 IK3W- L
1G 10
1H 6 BR1C 7
7. 5A IG1
10 1K
3A 10
3B 5
GR
1C 2
7. 5A
RAD NO. 2
61J
3A 8
3C 6
W
G BRB
9D 5A 17A
3CBECU IG ACC
HRLY
2BKSW
D D
1 2
GG W-B4G 9
4L 7W- B
4N 1
ICRight Cowl Side
Pa ne lW- B
MPX1 MPX2
Buzzer
3A 4
3C 73F 9
3D 3P V
11 IL2
LG4D 11V V
10 A HEAT ER
13 1K
B
9A
3B 12
3K 2
BR R
10A DOME
2A 3R
4H 6
B
L
G
D
Theft Deter rent ECU
<19- 3> G
Light Auto
Tu rn O ff S y s te m
Headlight System
<5- 3><6- 3>
11 CDCTY
Int er ior Light Sys tem
<10- 6> Headlight System
<5- 4><6- 4>
HEAD
B 17TAIL
B 18TRLY
A 7
Taillight System
<7- 1>
DTr ans ponder Key Comput er
<4- 4> G
MPX-
Dr iver ' s
Seat Belt
1 25IC3
V
ST1
6B 10A
Multiplex Communication
System (
BEAN Bus)
< 20- 3>
3J 7 1K 3
3A 13
3I 11
VB
B 2
MPX+ 2A
BR
13 A
BACC IG+ V
BR
IBRight Instr ument
Panel Brace 3J 6
3F 13W- B
11 A
W- BGND
Multiplex Communication
System (
BEAN Bus)
< 20- 4>
11 12 1
BR F 7I15
B 9(
A)
, B10(
B)
, B11(
C)
, B12(
D)
J 6
K 4
C11
A10(
A)
, A11(
B)
Pass enger ' s
Seat Belt A/C Cont rol Assembly
Bo dy ECU
Combination
Met er
Fus ible Link BlockIgnition SW
J unc tion
Connec tor
Unlock Warning SW
Page 2307 of 2572

2005 HIGHLANDER (EWD592U)
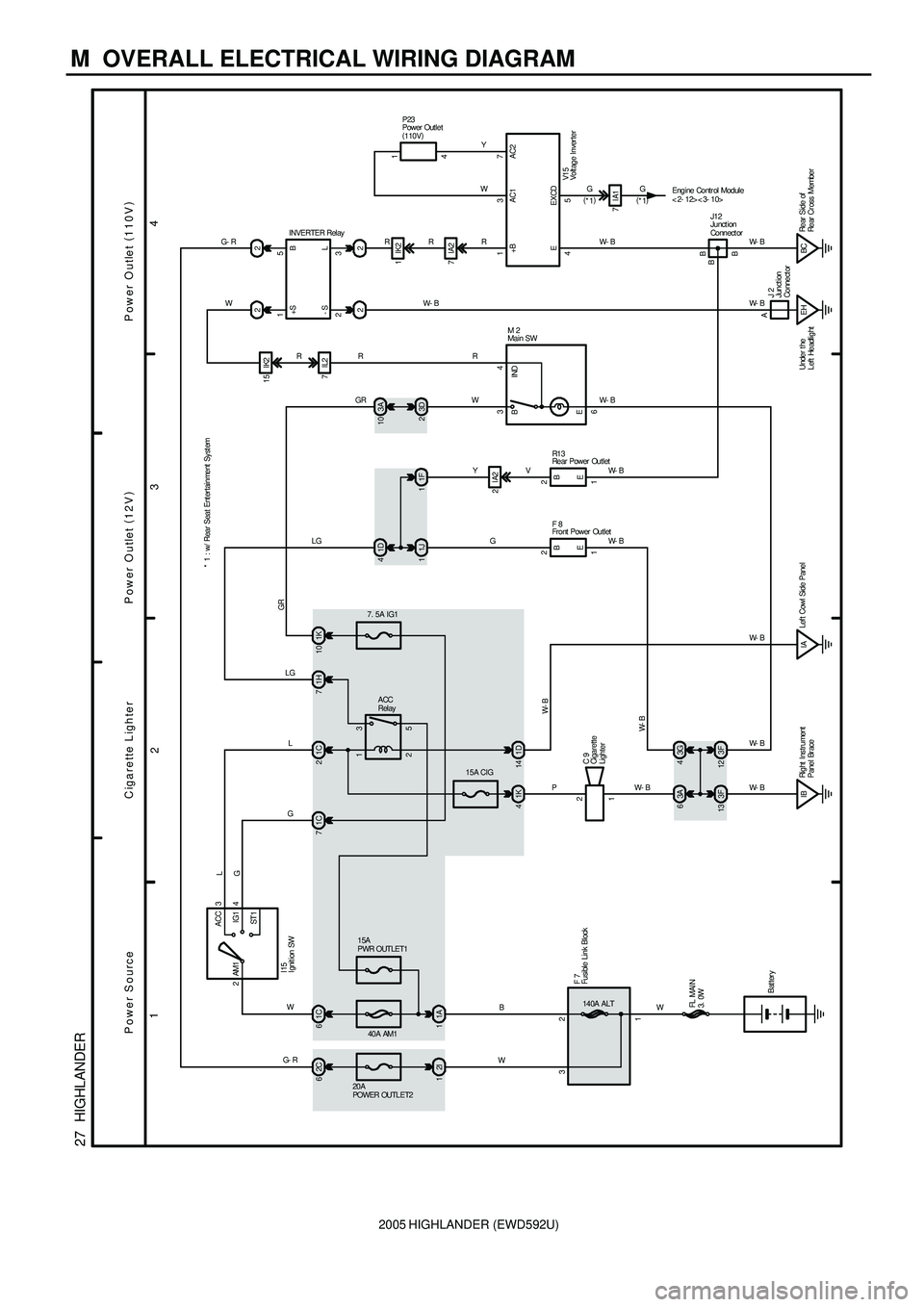
M OVERALL ELECTRICAL WIRING DIAGRAM
34
2 1
27 HIGHLANDER
L
21C
Power Source
1D 4
1F 1
3A 6
3F 13
IBRight Ins trument
Panel Br ace1
1 22LG
PW-B W-BW- B V
B
E
Power Outlet (
12V)
C iga re tte L igh te r
ACC
Relay
15A CIG71H
2 1
5 3
LG
A
EH
R1
+BL
3 2-SG- RB 5 1
+S
WW- B
W- B
4E 2
GRY
W- B
GR
4
AC2 7 3
AC1 3
63D 3A
W- B
10 1K 4
1C 7
R
G
10
7. 5A IG1
1
4
W
W
7IA15 EXCD 3
1K 4
Engine Contr ol Module
<2- 12><3- 10>
11J
1
GW-BB
E 2
2
140A ALT11A 140A AM1 15A
PWR OUTLET1
1C 62ACC
IG1 AM1BW
Bat tery FL MAIN
3. 0W
W
32I 120A
POWER OUTL ET2
2C 6W G- RINVERTER Relay
1D 14
3G 4
Y
2IA2
IALef t Cowl Side Panel W- B
W- B
W- B
3F 12W- B
BB
Rear Side of
Rear Cr oss Member BC
W- BB
Under t he
Left Headlight 7IL222
22 15 IK2
R
7IA2 1IK2
RR
R
L
G* 1 : w/ Rear Seat Entertainment System
G
(
*1)G
(
*1)
ST 1
BIND
E
Power Outlet (
110V)
F 7
C 9
J 2
J12
V1 5
P23
M 2
R1 3
F 8
I15
Cigarette
Lighter Fusible Link Block
Front Power Outlet
I gnit ion SW
Junct ion
Connect or
Junct ion
Connect or
Main SW Power Outlet
(
110V)
Rear Power Outlet
Volt age Inver ter
Page 2308 of 2572
2005 HIGHLANDER (EWD592U)
M
34
2 1
28 HIGHLANDER
2ACC
IG1 AM13
1C 6
11A
1
Battery
1C 2
40A AM1
IB
140A ALT1 2LW B W
W
Power SourceAudio System (
6 Speaker)
2
FL MAIN
3. 0W3B 4B
2B
10 IF3
7IB1 1
12 2I
PP R
25A
RAD NO. 1
6B
20 IF3
6IB1
VG W
9
A 3
R LG R
2 1 BC1 5IR1 1A 1 3A 13
2A
10 IR1
GR
1BH1
5BB1
12
BY L R
6A
20 IR1
10 BH1
10 BB1
YR-YY W
B
3
R L
BR
B 7
IN1 6IL1 10B 5
Y Y LG
2 1 IN1 7 2C 4
IL1 1B 1
11 IR1
7. 5A
RAD NO. 2
3I
10 BC1
WL W
1K 3
20 IK3
2IL1
L- Y LG L- B
L- Y WD. C. C
ACC+B BU+B
GND FL+ FL- FR+ FR- RL+ RL- RR+ RR-
Ri g ht I ns t r u me nt
Panel Br ace
P VL
LG12
3412
34
V
ST1
Y
34E 2
V4E 1H 1
6IA1
1V
F1 0R1 0 R 9 F1 1T12 T11R 2(
A)
, R 3(
B)
A2 6 I15
F 7
Antenna Amplifier
(
Re ar)
Fusible Link Block
Front Door Speak er LH Fr ont Door Speak er RH Ignition SW
Radio and Player
Rear Door Speaker LH Rear Door Speak er RH Tweeter LH Tweeter RH
Page 2309 of 2572

2005 HIGHLANDER (EWD592U)
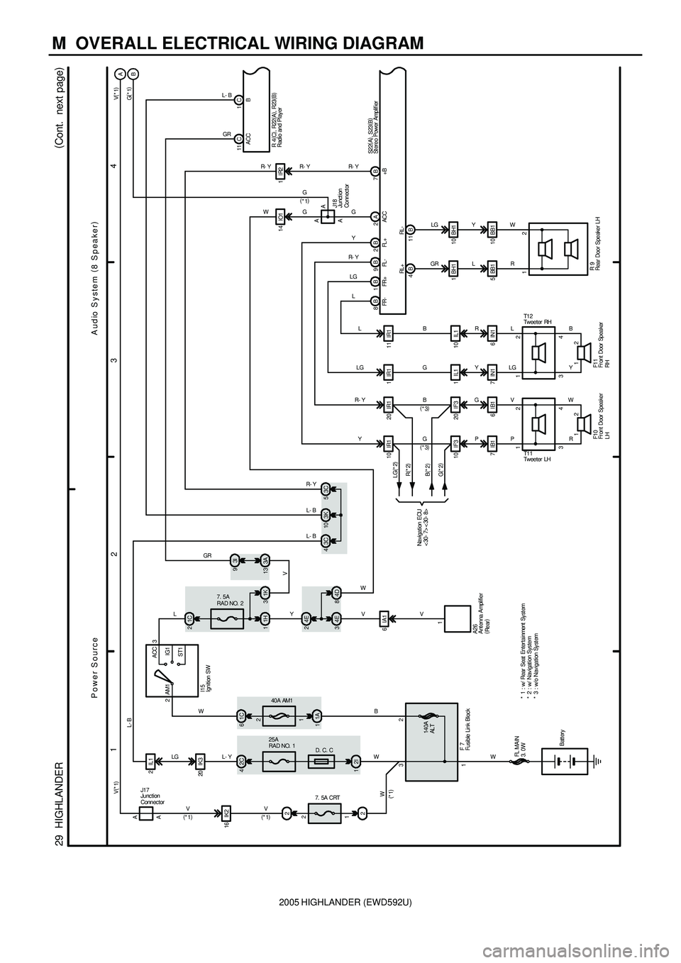
M OVERALL ELECTRICAL WIRING DIAGRAM
1
234
29 HIGHLANDER(
Cont. next page)
Audio System (
8 Speaker)
A 2GACC +B
R- Y
7B A
A
IR1 111IR1
LGL
4B 11BRL+ RL-
BH1 110BH1
GRLG
* 3 : w/o Nav igation Sy st em5 BB1 10 BB1
L Y
12GB
Y B
14 IO1
G
B ACCL- B
GR
* 1 : w/ Rear Seat Enter tainment Sy st em
* 2 : w/ Nav igat ion Sys temPower Source
R W R- Y
WR- Y
IR2 1
IR1 10 20 IR1
Y R- Y12 12GB
R W34 LG(
*2)
R(
*2)
B(
*2)
G(
*2)A
B
11 C 1 C
G
G(
*1) V(
*1)
A
VV
16 IK2(
*1)A
A(
*1)
V(
*1)
(
*1)
202ACC
IG1 AM13
140A
AL T 12I
25A
RAD NO. 1
1C 2
1C 6
3
40A AM1
1A 1 2C 4
7. 5A
RAD NO. 21K 3
LG
2IL1
IK3
W
L- YB
WW2
D. C. C
1
Batt ery FL MAIN
3. 0W2
1
3K 10 3C 4
L- B
11H3I 9
3A 13
4E 2
4E 34D8
6IA1
V YV GR
V
1 L- B
LL- B
W
2
7. 5A CRT
2 2
1
(
*1) W
(
*3)
(
*3)
1IL1 20 IF3 10 IF3 10 IL1
P GY R
FL +Y
2B B 9R- YFL - FR+ 1B
LG
L
B 8
FR-
7 I B1 6 I B1 7 I N1 6 I N1 3C 5
R- YP V LGL
1
4 32
12 ST1
I15
J17
R 4(
C)
, R22(
A)
, R23(
B)
S2 2(
A)
, S23(
B)
R 9
F1 1 F1 0
T1 2
T1 1
A26 F 7
Antenna Amplifier
(
Re ar) Fusible Link Block
Fr ont Door Speaker
LHFr ont Door Speaker
RH Ignition SW
Junc tion
Connec tor
Radio and Play er
Rear Door Speaker LHSt ere o Power Amp li f i er
Tweeter LH Twee ter RH
Junct ion
Connect or J18
Navigation ECU
<30- 7><30- 8>
Page 2310 of 2572
2005 HIGHLANDER (EWD592U)
M
78
6 5
29 HIGHLANDER (
Cont' d)
AMP+
3C
IR2 6V
BEEP
17 C
IR2 14L
16 IR2C 10SLD
4A
(
*4)(
*4)
BEEPA 1
PAMP+
3B 10BRR+ RR-
BC1 510BC1
R G
Audio System (
8 Speaker)
12 BGND20 C
IBRi g ht I ns t r u me nt
Panel Br ace GND
BRBR
ANT+ 13 CO
B 6GRGMDB 7
RSW1B 8
LGSW2
L GRB10 12 11EAU AU1 AU2R W
* 1 : w/ Rear Seat Ent ert ainment Sys tem
1B A
BV(
*1)
G(
*1)A
B V(
*1)
G(
*1)
(
Cont. next page)
* 4 : Shielded
2 1
BR
5IR2C 7MU TE
A 12
MU TE SGND 11 AS. GND
16 C
IR2 15
Y
G
12 IR2C 18RR+
A 14
R. R R. L 13 ARL+
19 C
IR2 13
R
F. R 6AFR+
8C
IR2 4W
F. L 5AFL+
9C
IR2 3BL
GY BR
R
W
B
W- B
C
W- B
5IL1 3IL1 4IL1
BFNe ar t he Re ar Si d e
Mark er Light RH A A
BB Right Center PillarA
W- B
W- B
W- B C1 6
A21
J19
R10R 4(
C)
, R22(
A)
, R23(
B)
S22(
A)
, S23(
B)Antenna Amplifier
(
Front) Combination SW
J unc tion
Connec tor Radio and Play er
Rear Door Speaker RHStereo Power Amplifier
Page 2311 of 2572

2005 HIGHLANDER (EWD592U)
M OVERALL ELECTRICAL WIRING DIAGRAM
1112
10 9
29 HIGHLANDER (
Cont' d)
9BTX1 +
9IP1
Y
TX1-
10 B
IP1 19L
MUTE
6A
IP1 20P P
14 IP1B 15RS R+ RS L+
17 B
IP1 16
SB
LG
15 IP1B 16RSR- RSL-
18 B
IP1 17
BR
18 IP1B 14SLD1
26 A 24 A25 A 23 A 27 A
B R
WG (
*4)(
*4)R- R+ R- L+R- R- R- L - SG2 A 31
LG(
TX+)A 30
GR(
TX-)A 12
VLMUT
Audio System (
8 Speaker)
AV(
*1)
IP1 8
G
7IP1A 5L- R-
3A
IP1 5
WR
6IP1A 4L+ R+
2A
IP1 4
BA 10 8 A9A A7
SG1 L- R-11 ABR+
RL+
WG (
*4)(
*4)
RMU
19 B
IP1 3OA 28LRMUT16 A
+B1 21 IO2
Y V
BG(
*1)
GACCA 32
C 20 A 21 A 19 ASGN1 NT S1 SG3 3
R G (
*4)
Multi- Display
<30- 5>
* 4 : Shielded
29 A
W- BGND
7C
W- BSELD11 B 12 B 10 B 23 B 24 B 22 B7 5 6 3 1 2
(
*4)
G
R
(
*4)
Y
BR
AUXL AUXR SGND SGND NTSC SLD
(
AUXL)(
AUXR)(
SG7)(
SGN5)(
NT S4)(
SG6)
1 BK1 2 BK1 6 BK1 5 BK1 4 BK1 22 BK1 21 BK1 20 BK1 18 BK1 19 BK1 17 BK1 8 BK1 7 BK1 9 BK1 23 BK1 24 BK1 25 BK11B 2B 6B 5B 4B 13B 14B 15B 17B 16B 18B 8B 9B 7B 21B 20B 19B
(
*4)
BR
Y
(
*4)
R
G
(
*4)
B
Y
R
W
LG
P
W- B
GR
V(
*4)
L
G(
*4)
BR
Y
(
*4)
B
Y
R
W
G
V
O
W- B
GR
GP
25 24 23 9 7 8 17 19 18 20 21 22 4 5 6 2 1SG6 HP2L HP2R SG5 HP1R HP1L R2 G2 B2 VR2 SYN2 VG2 +B2 ACC2 GND1 TX2+ TX2-
+B ACC GND TX+ TX-GND1 HP2L HP2R R G B VR SYNC VG HP1 L HP1 R GND
(
Cont. next page)
C* 1 : w/ Rear Seat Enter tainment Sy stem
(
*1) (
*1)(
*1)
(
*1)(
*1) (
*1)(
*1) (
*1)(
*1) (
*1)(
*1) (
*1)(
*1) (
*1)(
*1) (
*1)(
*1) (
*1)(
*1) (
*1)(
*1) (
*1)(
*1) (
*1)(
*1) (
*1)(
*1)
3B8
SBCE
GA U X
W- B
CC* 5 : w/o Rear Seat Entertainment System
10 A 9A
TX- TX+
O
(
*5)
LG
(
*5)
Multi- Display
<30- 6>
R 4(
C)
, R22(
A)
, R23(
B)
R2 9(
A)
, R30(
B)
, R31(
C)
J18
R2 8V13
J unc tion
Connec tor Radio and Play er
Rear Seat Ent ert ainment Display Rear Seat Ent er tainment ECUVideo Terminal
Page 2312 of 2572
2005 HIGHLANDER (EWD592U)
M
13
141516
29 HIGHLANDER (
Cont' d)15 BK1 26 BK1 27 BK1 28 BK1 29 BK1 30 BK1 31 BK1 32 BK1 16 BK1 11 BK1 13 BK1 12 BK1 14 BK1 10 BK16C 2C 4C 3C 5C 10 C 8C 9C 20 C 16 C 17 C 18 C 19 C 1C
A udio S ystem (
8 Speaker)
(
*4)
G
W
R
B
(
*4)
G
R
(
*4)
G
W
R
B
L(
*4)
G
W
R
B
(
*4)
Y
BR
(
*4)
P
LG
SB
BR
V
10 14 12 13 11 16 32 31 30 29 28 27 26 15
SGND AL - AR- AL + AR+ SG NT SC S. GND SL D HPL- HPL+ HPR- HPR+ MUTE MUTE HPR+ HPR- HPL+ HPL- SLD1 SGN2 NTS2 SG9 AR+ AL+ AR- AL- SG4* 4 : Shielded
17 A 18 A
TX3+ TX3-
BRYMulti- Display
< 30- 6>
R2 8 R2 9(
A)
, R30(
B)
, R31(
C)
Rear Seat Enter tainment Dis play Rear Seat Enter tainment ECU