Page 201 of 648

2014-1. Prije vožnje
4
Vožnja
Ukupna masa prikolice i dopušteno vertikalno opterećenje na
kugli
Ukupna masa prikolice
Masa same prikolice uvećana
za masu tereta mora biti manja
od najveće dopuštene mase pri-
kolice. Prekoračenje dopušte-
nog opterećenja vrlo je opasno.
(s. 596)
Prilikom vuče prikolice koristite
frikcijski spoj ili frikcijski stabili-
zator (uređaj za smanjenje
zanošenja).
Dopušteno vertikalno opterećenje na kugli
Rasporedite teret na prikolici tako da vertikalno opterećenje na kugli
bude veće od 25 kg i veće od 4% dopuštene mase prikolice. Ne dopu-
stite da vertikalno opterećenje na kugli premaši naznačenu vrijednost.
(s. 596)
Pločica s podacima (pločica proizvođača)
Ukupna masa vozila
Zbroj masa vozača, putnika,
kuke za vuču i vertikalno optere-
ćenje na kuki ne smiju prelaziti
ukupnu masu vozila za više od
100 kg. Prekoračenje dopušte-
nog opterećenja vrlo je opasno.
Najveće dopušteno optere-
ćenje na stražnjoj osovini
Opterećenje na stražnjoj osovini ne smije premašiti najveće dopušteno
osovinsko opterećenje za više od 15%. Prekoračenje dopuštenog opte-
rećenja vrlo je opasno.
Vrijednosti za dopuštenu masu prikolice dobivene su ispitivanjima pro-
vedenim na nultoj nadmorskoj visini. Vodite računa da se na većim nad-
morskim visinama snaga motora, a time i dopuštena masa prikolice,
smanjuju.
Važne napomene u vezi s opterećenjem prikolice
1
2
1
2
Page 202 of 648
2024-1. Prije vožnje
OPREZ
Kada se premaši vrijednost ukupne mase vozila ili najvećeg dopušte-
nog osovinskog opterećenja
U slučaju vuče prikolice u naselju, ne prelazite dopuštenu brzinu ni 100 km/h.
Nepridržavanje ovih mjera opreza može prouzročiti nesreću s teškim ozlje-
dama i smrtnim posljedicama.
Page 203 of 648
2034-1. Prije vožnje
4
Vožnja
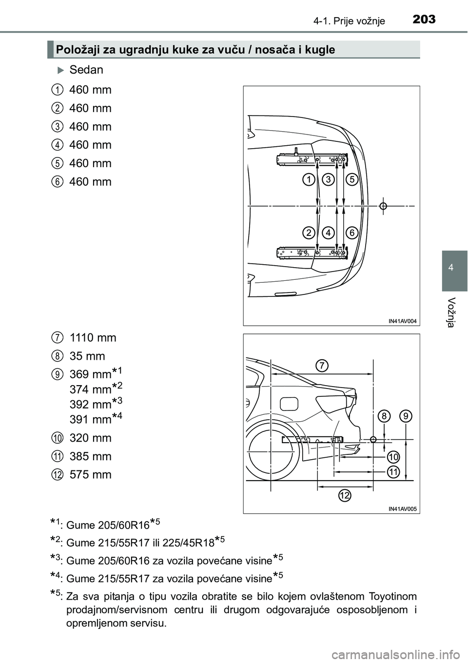
Sedan
460 mm
460 mm
460 mm
460 mm
460 mm
460 mm
1110 mm
35 mm
369 mm
*1
374 mm*2
392 mm*3
391 mm*4
320 mm
385 mm
575 mm
*1: Gume 205/60R16*5
*2: Gume 215/55R17 ili 225/45R18*5
*3: Gume 205/60R16 za vozila povećane visine*5
*4: Gume 215/55R17 za vozila povećane visine*5
*5: Za sva pitanja o tipu vozila obratite se bilo kojem ovlaštenom Toyotinom
prodajnom/servisnom centru ili drugom odgovarajuće osposobljenom i
opremljenom servisu.
Položaji za ugradnju kuke za vuču / nosača i kugle
1
2
3
4
5
6
7
8
9
10
11
12
Page 204 of 648
2044-1. Prije vožnje
Karavan
460 mm
460 mm
460 mm
460 mm
460 mm
460 mm
1180 mm
37 mm
369 mm
*1
375 mm*2
393 mm*3
391 mm*4
387 mm
452 mm
643 mm
*1: Gume 205/60R16*5
*2: Gume 215/55R17 ili 225/45R18*5
*3: Gume 205/60R16 za vozila povećane visine*5
*4: Gume 215/55R17 za vozila povećane visine*5
*5: Za sva pitanja o tipu vozila obratite se bilo kojem ovlaštenom Toyotinom
prodajnom/servisnom centru ili drugom odgovarajuće osposobljenom i
opremljenom servisu.
1
2
3
4
5
6
7
8
9
10
11
12
Page 205 of 648

2054-1. Prije vožnje
4
Vožnja
Podaci o gumama
Prilikom vuče vozila tlak u gumama povećajte do 20,0 kPa u odnosu na pre-
poručenu vrijednost. (s. 613)
Tlak u gumama na prikolici povećajte prema ukupnoj masi prikolice i vrijed-
nostima koje preporučuje proizvođač prikolice.
Svjetla na prikolici
Prilikom spajanja svjetla na prikolicu potražite savjet u bilo kojem ovlaštenom
prodajnom/servisnom centru ili drugom odgovarajuće osposobljenom i oprem-
ljenom servisu jer pogrešno spajanje može rezultirati oštećenjem svjetala na
vozilu. Prilikom spajanja svjetla na prikolici poštujte odgovarajuće propise i
zakone.
Plan razrađivanja
Toyota preporučuje da se vozila opremljena novim dijelovima pogonskog
sklopa ne koriste za vuču prikolica u prvih 800 km.
Održavanje
Ako vozilo koristite za vuču prikolice, zbog većeg opterećena kojem je vozilo
izloženo u odnosu na vožnju bez prikolice, postupke održavanje treba obav-
ljati češće.
Nakon vuče od približno 1000 km ponovno pritegnite sve vijke kojima su pri-
čvršćeni kugla i nosači.
Sigurnosne provjere prije vuče
Provjerite da ste u dopuštenim granicama opterećenja kuke za vuču i
nosača kugle. Vodite računa da težina prikolice povećava opterećenje na
vozilo. Također pazite da najveće opterećenje vozila bude unutar dopušte-
nih granica. (s. 201)
Vodite računa da teret prikolice bude dobro učvršćen i osiguran od ispada-
nja i pomicanja.
Ako postojeći retrovizori ne omogućuju dovoljno dobar pregled stanja pro-
meta iza vašeg vozila, na vozilo trebate postaviti dodatne vanjske retrovi-
zore. Namjestite izvlačive nosače ovih retrovizora na obje strane vozila tako
da uvijek pružaju maksimalnu vidljivost ceste iza vozila.
UPOZORENJE
Ako je za ukrućivanje stražnjeg branika korišten aluminij
Pazite da čelični nosači ne dođu u izravni dodir s tim dijelom.
Kad čelik i aluminij dođu u dodir, nastaje reakcija nalik koroziji, kojom se
slabi dodirno područje, što može dovesti do oštećenja. Mjesta koja će doći
u dodir prilikom postavljanja čeličnih nosača zaštitite antikorozivnim sred-
stvom.
Page 206 of 648

2064-1. Prije vožnje
Pri vuči prikolice vaše vozilo ponašat će se drukčije. Da biste izbjegli
nesreću, smrtno stradavanje i teške ozljede, prilikom vuče prikolice
vodite računa o sljedećem:
Provjera spojeva i svjetala
Zaustavite vozilo i provjerite spojeve i svjetla nakon što prijeđete
malu udaljenost kao i prije pokretanja vozila.
Vježbanje vožnje s priključenom prikolicom
Da biste stekli osjećaj za skretanje, zaustavljanje i vožnju una-
trag s priključenom prikolicom, trebate vježbati na području gdje
nema prometa ili je on slabog intenziteta.
Kad s priključenom prikolicom vozite unatrag, obruč upravljača
držite za dio najbliži sebi i zakrećite ga u smjeru kazaljke na satu
ako želite da prikolica skrene ulijevo, a suprotno od smjera
kazaljke na satu ako želite da skrene udesno. Uvijek malo zakre-
nite obruč upravljača kako ne bi došlo do greške. Kad vozite una-
trag, zatražite da vas netko navodi kako biste smanjili opasnost
od nesreće.
Povećanje razmaka između vozila
Pri brzini od 10 km/h razmak od vozila ispred vas treba biti veći od
zbroja duljine vašeg vozila i duljine prikolice. Izbjegavajte naglo
kočenje koje može izazvati klizanje. U protivnom biste mogli izgubiti
nadzor nad vozilom. To posebno dolazi do izražaja na mokrim i skli-
skim kolnicima.
Naglo ubrzavanje, zakretanje upravljača i skretanje
Oštrim skretanjem prilikom vuče prikolice vaše vozilo može udariti u
prikolicu. Kad se približavate zavoju, počnite usporavati na vrijeme
te polako i pažljivo ulazite u zavoj kako biste izbjegli naglo kočenje.
Važne napomene u vezi sa skretanjem i zavojima
Kotači prikolice kreću se bliže unutrašnjoj strani zavoja nego kotači
vozila. Da biste sigurno svladali zavoj, prolazite kroz njega u širem
luku nego što biste to učinili bez prikolice.
Manevriranje
Page 207 of 648

2074-1. Prije vožnje
4
Vožnja
Važne napomene koje se odnose na stabilnost
Pomaci vozila zbog vožnje neravnim kolnikom i snažnog bočnog
vjetra nepovoljno će utjecati na upravljivost. Zbog prolaska auto-
busa i velikih kamiona vozilo se može zaljuljati. Kada vozite uz
takva vozila često provjeravajte stanje iza vozila. Čim osjetite takvo
kretanje vozila, odmah započnite s usporavanjem lagano pritišćući
papučicu kočnice. Prilikom kočenja kotače uvijek izravnajte.
Pretjecanje drugih vozila
Vo d i t e r ačuna o ukupnoj duljini vašeg vozila i prikolice te prije pre-
strojavanja provjerite razmak između vozila.
Upute u vezi s mjenjačem
Multidrive mjenjač
Kako biste osigurali djelotvornost kočenja motorom, ne koristite
mjenjač u položaju D. Odaberite odgovarajući stupanj prijenosa u
programu M.
Ručni mjenjač
Kako biste osigurali djelotvornost kočenja motorom, ne koristite
mjenjač u položaju 6.
Ako se motor pregrije
Vuča natovarene prikolice dugom i strmom uzbrdicom na tempera-
turi iznad 30 °C može dovesti do pregrijavanja motora. Ako pokazi-
vač temperature rashladne tekućine pokazuje da se motor
pregrijao, odmah isključite klima uređaj, skrenite s ceste i na sigur-
nom mjestu zaustavite vozilo. (s. 590)
Prilikom parkiranja vozila
Ispod kotača vozila i prikolice uvijek postavite klinove. Čvrsto zate-
gnite parkirnu kočnicu, a ručicu mjenjača prebacite u položaj P
(Multidrive mjenjač) odnosno u položaj 1 ili R (ručni mjenjač).
Page 208 of 648

2084-1. Prije vožnje
OPREZ
Pridržavajte se uputa navedenih u ovom poglavlju. U protivnom može doći do
nesreće s teškim ozljedama i smrtnim posljedicama.
Mjere opreza u vezi s vučom prikolice
Prilikom vuče prikolice pazite da ne prekoračite dopuštena opterećenja.
(s. 201)
Da biste izbjegli nesreću i ozljede
Ako je na vaše vozilo postavljen privremeni rezervni kotač, ne koristite
vozilo za vuču prikolice.
Ako je na vozilu guma popravljena kompletom za privremeni popravak
probušenih guma, ne koristite vozilo za vuču prikolice.
Prilikom vuče prikolice ne koristite tempomat (ovisno o opremi).
Brzina vozila prilikom vuče prikolice
Vodite računa o najvećoj zakonski dopuštenoj brzini za vozila s prikolicom.
Prije spuštanja niz duge nizbrdice
Smanjite brzinu i prebacite u niži stupanj prijenosa. Međutim, prilikom spuš-
tanja niz strmu ili dugu nizbrdicu nikada naglo ne prebacujte u niži stupanj
prijenosa.
Korištenje papučice kočnice
Papučicu kočnice ne pritišćite učestalo ni dugo.
To može dovesti do pregrijavanja kočnica i na taj način smanjiti njihovu dje-
lotvornost.