Page 3657 of 4331
LT
N
O P
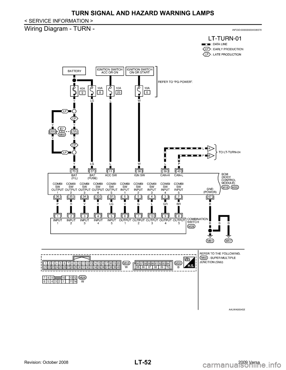
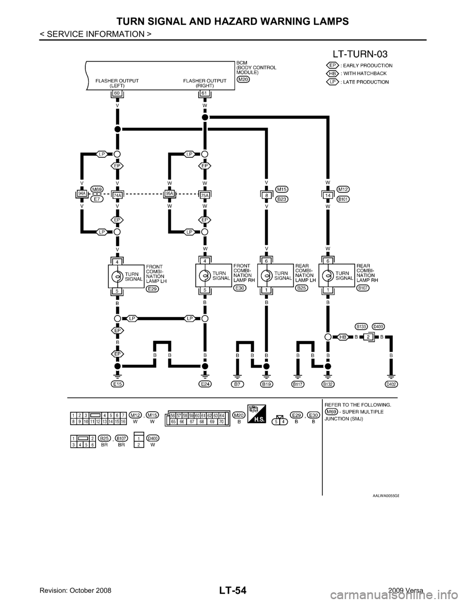
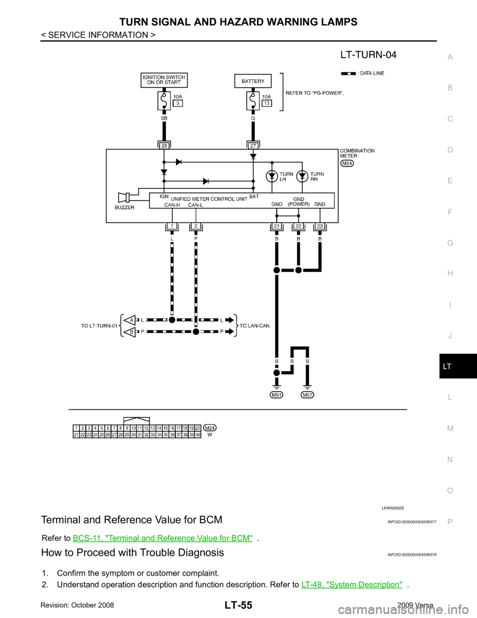
Schematic
INFOID:0000000004306575
Page 3658 of 4331
Page 3659 of 4331
Page 3660 of 4331
Page 3661 of 4331
LT
N
O P
Terminal and Reference Value for BCM
INFOID:0000000004306577
Refer to BCS-11, " Terminal and Reference Value for BCM " .
How to Proceed with Trouble Diagnosis INFOID:0000000004306578
1. Confirm the symptom or customer complaint.
2. Understand operation description and function description. Refer to LT-48, " System Description " .
Page 3662 of 4331

Preliminary Check " .
4. Check symptom and repair or repl ace the cause of the malfunction.
5. Do turn signal and hazard warning lamps operate no rmally? If YES, GO TO 6. If NO, GO TO 4.
6. INSPECTION END
Preliminary Check INFOID:0000000004306579
CHECK POWER SUPPLY AND GROUND CIRCUIT FOR BCM
Refer to BCS-15, " BCM Power Supply and Ground Circuit Inspection " .
CONSULT-III Function (BCM) INFOID:0000000004306580
Refer to LT-11, " CONSULT-III Function (BCM) " .
Turn Signals Do Not Operate INFOID:0000000004306581Combination Switch Inspection " .
OK or NG OK >> Replace the BCM.
BCS-18, " Removal and Installation of BCM "
NG >> Check combination switch (lighting switch). Refer to
LT-63, " Combination Switch Inspection " .
Front Turn Signal La mp Does Not Operate INFOID:0000000004306582 Exterior Lamp " .
OK or NG OK >> GO TO 2.
NG >> Replace turn signal lamp bulb. Refer to LT-59, " Bulb Replacement for Front Turn Signal Lamp " .
OK >> GO TO 3.When turn signal switch is
right position : TURN SIGNAL R ON
When turn signal switch is
left position : TURN SIGNAL L ON60 - 4 : Continuity should exist.
61 - 4 : Continuity should exist.
Page 3663 of 4331
LT
N
O P
NG >> Repair harness or connector.
OK >> Inspect connection at front combination lamp.
NG >> Repair harness.
Rear Turn Signal Lamp Does Not Operate INFOID:0000000004306583Exterior Lamp " .
OK or NG OK >> GO TO 2.
NG >> Replace turn signal lamp bulb. Refer to LT-59, " Bulb Replacement for Rear Turn Signal Lamp " .
OK >> GO TO 3.
NG >> Repair harness or connector. OK >> Check rear combination lamp connector for proper con-
nection. Repair as necessary.
NG >> Repair harness or connector. 5 - Ground : Continuity should exist.
5 - Ground : Continuity should exist.
Page 3664 of 4331
OK >> Replace BCM. Refer to
BCS-18, " Removal and Installa-
tion of BCM " .
NG >> GO TO 2. OK >> GO TO 3.
NG >> Repair harness or connector. OK >> GO TO 4.
NG >> Repair harness or connector.