Page 905 of 1164

INTERIOR LAMP SYSTEM T
INTERIOR LAMP SYSTEM
STRUCTURAL VIEW
ZYUU I x-02
1. Spot lamp (in overhead console) 5. IG key illumination
Removal I Inspection / Troubleshooting . . . . . . . . . . . . . . . . . . . . . . . . . .
page T-50
Installation . . . . . . . . . . . . . . . . . . . . . . . . . . . . . . . . . page T-52 6. Cargo compartment lamp
2. Interior and spot lamp (Without sunroof) Removal I Inspection /
Removal / Inspection I Installation . . . . . . . . . . . . . . . . . . . . . . . . . . . . . . . . .
page T-54
Installation . . . . . . . . . . . . . . . . . . . . . . . . . . . . . . . . . page T-53 7. Trunk compartment lamp
3. Interior lamp (Without sunroof) Removal I Inspection /
Removal / Inspection / Installation . ..*......................*...... page T-54
Installation . . . . . . . . . . . . . . . . . . . . . . . . . . . . . . . . . page T-52 8. Door switch
4. Interior lamp (With sunroof) Inspection . . . . . . . . . . . . . . . . . . . . . . . . . . . . . . . . . . .
page T-51
Removal I Inspection / 9. Courtesy lamp
Installation . . . . . . . . . . . . . . . . . . . . . . . . . . . . . . . . .
page T-53 Removal I Inspection /
Installation . . . . . . . . . . . . . . . . . . . . . . . . . . . . . . . . . page T-54
Specifications
Item
Interior and spot lamp
interior lamp
Spot lamp (in overhead console)
Cargo compartment lamp
Trunk compartment lamp
Courtesy lamp Interior
spot Number 1
2
1
2
1
1
2 Specification (W) (Bulb trade number) 10
6
10
8 (67)
5 (168)
5 (168)
5 (168)
23UOTX-028
T-49
Page 906 of 1164
T INTERIOR LAMP SYSTEM
TROUBLESHOOTING
IG Key Illumination
Circuit diagram
03UOTX-080
T-50
Page 907 of 1164

INTERIOR LAMP SYSTEM T
IG key illumination does not operate
Check room IOA fuse NG
- Short circuit
0 OK
Confirm battery voltage on V Defective harness (Fuse - Joint box), or bulb
0 OK
Confirm continuity on B wire of the joint box (CPU) to
ground Repair harness (Joint box - Body ground)
OK
When any door is opened, confirm that interior lamp
comes on
OK NG
~ Defective harness (Joint box - Door switch), or door
switch
Confirm continuity between N terminal of JB-09 connec- _ NG
-
tor and B terminal of JB-03 connector Repair harness (JB-09 - JB-03)
I OK
Replace CPU
23UOTX-029
Inspection
Door switch (Front sides with passive belt)
Confirm continuity between the R/W wire and the B wire of
the door switch connector (in passive motor connector).
Condition Continuity
Push X
Not push 0
0: Indicates continuity X: No continuity
03UOTX-181 Door switch (Others)
Confirm for continuity between the terminals of the door switch.
Condition Continuity
Push X
Not push 0
0: Indicates continuity X: No continuity
1 I OSJOTX-082
T-51
Page 908 of 1164
.T INTERIOR LAMP SYSTEM
SPOT LAMP (IN OVERHEAD CONSOLE)
Removal / Inspection / Installation
1. Remove in the order shown in the figure.
2. lnsoect all parts and repair or replace as necessary.
3. Install in the reverse order of removal.
1. Rearview mirror
2. Cover
LENS
3. Lens
4. Bulb
Visual inspection
INTERIOR LAMP (WITHOUT SUNROOF)
Removal / Inspection / Installation
1. Remove the lens.
2. Remove the bulb.
3. Remove the screws and cover.
4. Inspect all parts and repair or replace as necessary.
5. Install in the reverse order of removal.
T-52
Page 909 of 1164
INTERIOR LAMP SYSTEM T
COVER
LENS
INTERIOR LAMP (WITH SUNROOF)
Removal / Inspection / Installation
1. Remove the lens.
2. Remove the bulb.
3. Remove the screws and the cover.
4. Inspect all parts and repair or replace as necessary.
5. Install in the reverse order of removal.
ILIVYCA-VI 5
INTERIOR AND SPOT LAMP (WITHOUT SUNROOF)
Removal / Inspection / Installation
1. Remove in the order shown in the figure.
2. Inspect all parts and repair or replace as necessary.
3. Install in the reverse order of removal.
‘- 1. Lens
2. Cover 3. Bulb
Visual inspection
4. Cover
T-53
Page 910 of 1164
T INTERIOR LAMP SYSTEM
13UOTX-077 d-------BULB
LENS
T-54
13UOTX-07
23UOTX-0
CARGO COMPARTMENT LAMP
Removal / Inspection / Installation
1. Remove the lens.
2. Remove the bulb.
3. Inspect all parts and repair or replace as necessary.
4. Install in the reverse order of removal.
TRUNK COMPARTMENT LAMP
Removal / Inspection / Installation
1. Remove the lens.
2. Remove the bulb.
3. Inspect all parts and repair or replace as necessary.
4. Install in the reverse order of removal.
COURTESY LAMP
Removal / Inspection / Installation
1. Remove the lens
2. Remove the bulb.
3. Inspect all parts and repair or replace as necessary.
4. Install in the reverse order of removal.
Page 911 of 1164
CENTRAL PROCESSING UNIT (CPU) T
CENTRAL PROCESSING UNIT (CPU)
I I IG KEY ILLUMI.
I
T
1. 30A KEY REMIN-
0
DOOR A.lAR
WARNING LAMP
TNS
REAR WIPER SW
rb
T
RASSIVE CONTROL UNIT -
SYSTEM DIAGRAM
CPU SEAT BELT WARNING LAMP
m
w
REAR WASHER SW
IGl
REAR WASHER
03UOTX-08! 3
T-55
Page 912 of 1164
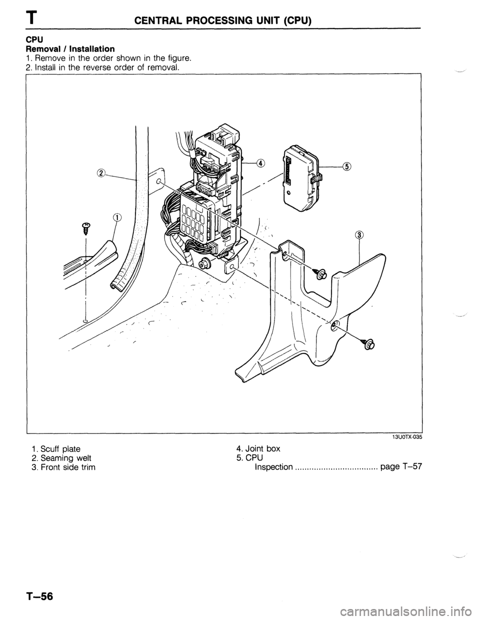
T CENTRAL PROCESSING UNIT (CPU)
CPU
Removal / Installation
1. Remove in the order shown in the figure.
2. Install in the reverse order of removal.
4. Joint box
5. CPU
13UOTX-03
Inspection
. . . . . . . . . . . . . . . . . . . . . . . . . . . . . . . . . . .
page T-57 1. Scuff plate
2. Seaming welt
3. Front side trim --
T-56