2012 SSANGYONG KORANDO Service Manual

Page 545 of 1082

SSANGYONG KORANDO 2012  Service Manual 02-78410-00
3. OPERATING PROCESS
1) Fuse Box In Engine Compartment
The relay & fuse box in engine compartment is located in the left side of the engine compartment. The 
wiper relay, horn relay, fog l

Page 546 of 1082

SSANGYONG KORANDO 2012  Service Manual 02-8
Engine compartment fuse and relay box I (SB1~SB6, SB10, Ef18~Ef19, START RELAY, 
BLOWER RELAY, DEFOGGER RELAY, DEICER RELAY) ▶

Page 547 of 1082

SSANGYONG KORANDO 2012  Service Manual 02-98410-00

Page 548 of 1082

SSANGYONG KORANDO 2012  Service Manual 02-10
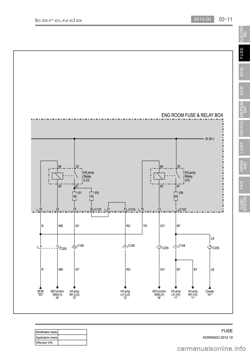
Engine compartment fuse and relay box II (SB7~SB9, Ef1, Ef5, Ef9, Ef11, PTC RELAY, FUEL 
HEATER RELAY, HEAD LAMP RELAY(HI, LO)) ▶

Page 549 of 1082

SSANGYONG KORANDO 2012  Service Manual 02-118410-00

Page 550 of 1082

SSANGYONG KORANDO 2012  Service Manual 02-12
Engine compartment fuse and relay box IV (SB11~SB14, Ef12~Ef13, Ef24, ENG MAIN RELAY, 
C/FAN RELAY, C/FAN RELAY(HI, LO), COMP RELAY) ▶

Page 551 of 1082

SSANGYONG KORANDO 2012  Service Manual 02-138410-00

Page 552 of 1082

SSANGYONG KORANDO 2012  Service Manual 02-14
Engine compartment fuse and relay box V (Ef17, Ef20~Ef23, Ef25~Ef26, WIPER MOTOR 
RELAY(HI, LO), HORN RELAY, POWER WINDOW RELAY) ▶