Page 273 of 1082

14-10
A DPS (Differential Pressure Sensor) measures the pressure difference between before and after the
CDPF and detects whether the soot is collected in the CDPF or not. If PM is collected in the CDPF (In
this case the pressure difference between before and after the CDPF exceeds the specified value.
Normally, the system sends the signal when the driving distance becomes approx. 600 to 1,200 km), the
temperature of exhaust gas is increased and the post-injection is started for regeneration. The amount of
fuel post-injection is controlled by the exhaust gas temperature measured by the rear temperature
<009a008c0095009a00960099005500470070008d0047009b008f008c0047009b008c00940097008c00990088009b009c0099008c00470090009a00470093008c009a009a0047009b008f008800950047005d005700570b4500530047009b008f008c004700
8800940096009c0095009b00470096008d004700970096009a>t-injection is increased to
increase the regeneration temperature. Otherwise, the fuel injection amount is decreased or the fuel is
not injected.
When the engine is running with low load, the intake air amount is also controlled as well as fuel injection
amount. This function is used to increaser the combustion temperature by increasing the amount of fuel
post-injection with the lowest air amount within the specified control logic.
4. POST-INJECTION AND AIR MASS CONTROL
Page 274 of 1082
14-111114-00
ECU (DCM 3.7)
T-MAP sensorIntake air
volume
Detecting
excess of PM
amount limit
Boos
t
pressure
/
temperature
Front EGT sensor
Measures the temperature of
DOC.
The DOC performs the redox
reaction at between 300 and
500℃ and the front EGT
sensor monitors the
temperature of DOC.
Differential pressure sensor
Measures the pressure values
of before and after the CDPF.
The pressure difference
between before and after the
CDPF is measured by the
differential pressure sensor (If
PM is collected in the CDPF,
the pressure difference
between before and after the
CDPF exceeds the specified
value).
Rear EGT sensor
Measures the temperature of
DPF.
The DPF burns the soot with
hot exhaust gases
(regeneration) at around
600℃ and the rear EGT
sensor monitors the
temperature of DPF.
Injector (C3I)
Controls the post-injection.
Electric throttle body
Controls the intake air
volume.
HFM sensor
Page 275 of 1082
14-12
Collecting PM
→ Regeneration
The engine ECU detects the
amount of PM collected by the
information from the
temperature sensors and
differential pressure sensor.
When the soot is accumulated,
the engine ECU performs post-
injection to increase the
exhaust gas temperature and
burns the collected PM at
approx. 600°C.Oxidation (DOC)
When the exhaust gas enters
into the CDPF assembly, its
CO, HC and PM are reduced
by the redox reaction of the
DOC. The remaining PM is
filtered and collected in CDPF,
and the temperature of the
exhaust gas is increased to
between 450 and 500°C.
5. OPERATING PROCESS
[Configuration and principle of operation]
The exhaust gas
passed through the
exhaust manifold
enters into the CDPF
assembly (at approx
250℃).
Page 276 of 1082
14-131114-00
6. OPERATING TEMPERATURE
Page 277 of 1082
14-14
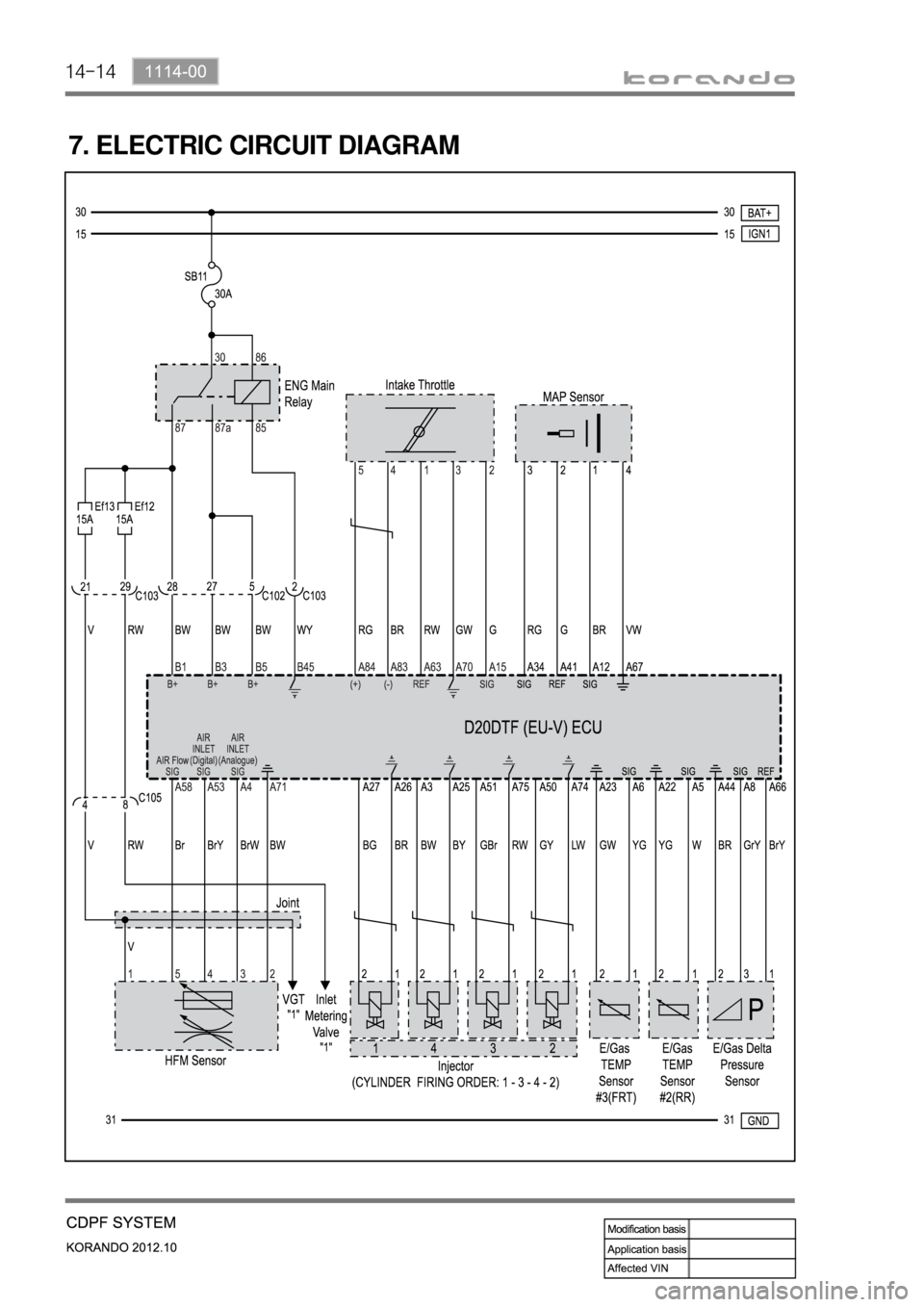
7. ELECTRIC CIRCUIT DIAGRAM
Page 278 of 1082

14-151114-00
8. CAUTIONS
1) Designated Engine Oil for CDPF (Low Ash Oil)
Need to use the designated engine oil for CDPF 1.
The smoke from the vehicle may generate the particle material in the ambient air. CDPF is the
device to reduce the smoke by collecting and recycling it. To ensure the performance of CDPF,
the designated engine oil should be used.
The smoke including combusted sulfur in fuel cannot be recycled in CDPF. This smoke
generates the ash, resulting in clogging the filter. -
-
Advantages when using the designated engine oil for CDPF 2.
Reduces the amount of ash
Improves the fuel economy and reduces the CO2
Increases the life span of engine oil
Available for all engines (diesel and gasoline) -
-
-
-
Problems when using non-designated engine oil for CDPF 3.
Decreases the life span of engine oil due to accumulated ash in DPF (around 30%)
Decreases the fuel economy due to friction resistance, exhaust gas resistance and frequent
recycling process of DPF -
-
The fule containing high sulfur may cause the same problems.
2) Do Not Use the Fuel Containing High Sulfur
Producing white smoke during recycling 1.
The sulfur in exhaust gas is changed to sulfate gas during exhaust process. This sulfate gas is
shown as white smoke. -
Producing odor during recycling 2.
The sulfur after oxidation may produce the odor. -
Accumulation of ash 3.
The sulfur accumulated in DPF cannot be recycled. It reduces the life span of DPF. -
3) White Smoke
The white smoke can be generated when the exhaust gas is recycled in DPF. There are two reasons as
below.
Saturated vapor
Sulfate 1.
2.
Page 279 of 1082
15-30000-00
1. ENGINE DATA LIST
Data Unit Value
Coolant temperature℃ 0.436 V (130℃) to 4.896 V (-40℃)
Intake air temperature℃ -40 to 130℃ (varies by ambient air
temperature or engine mode)
Idle speed rpmA/T780 ± 20
M/T750 ± 20
Engine load % 18~25%
Mass air flow kg/h 16 to 25 kg/h
Throttle position angle°TA 0° (Full Open) to 78° (Close)
Engine torque Nm varies by engine conditions
Injection time ms 3 to 5ms
Battery voltage V 13.5 V to 14.1 V
Accelerator pedal position 1 V 04. to 4.8V
Accelerator pedal position 2 V 0.2 to 2.4 V
Throttle position 1 V 0.3 to 4.6 V
Throttle position 2 V 0.3 to 4.6 V
Oxygen sensor mV 0 to 5 V
A/C compressor switch 1=ON / 0=OFF -
Full load 1=ON / 0=OFF -
Gear selection (A/T) 1=ON / 0=OFF -
Knocking control 1=ON / 0=OFF -
Brake switch 1=ON / 0=OFF -
Cruise control 1=ON / 0=OFF -
Page 280 of 1082
15-4
Rear exhaust gas temp.
sensor
Electronic throttle
bodyT-MAP sensor
(Temp.+Pres.)
Injector (C3I)
1. MAJOR COMPONENT
Oxygen sensorFront exhaust gas temp.
sensor
Camshaft position
sensor
Glow plug
Variable swirl valve
Knock sensor (2)Oil level sensor