2000 HONDA CIVIC Workshop Manual

Page 1993 of 2189

HONDA CIVIC 2000 6.G Workshop Manual I
Hatchback
tr@
UNDER-DASHFUSE/RELAYBOX
YEVRED
15(99-00 D16Y7 6)
YEL
GRN/BLK
GFN/BLK
1
GRN/BLK
14(99-00 D16Y718)
GBN/ALK
c433
vtEW41
POSTTTONswrTcH
c13tPHOTO A5vlEw 59
c|24
,5i*
YEUREO
YEI
I
IL
BA

Page 1994 of 2189

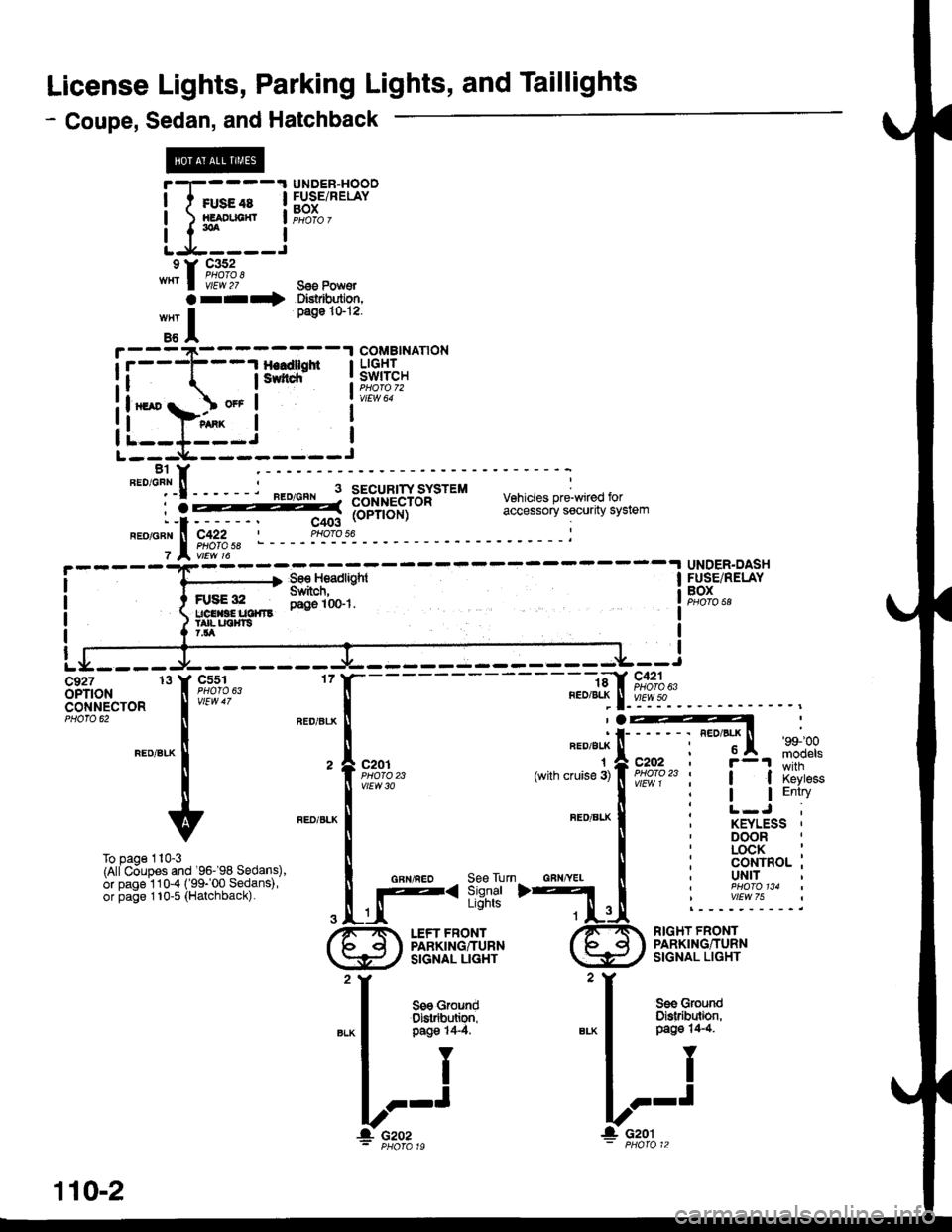
HONDA CIVIC 2000 6.G Workshop Manual License Lights, Parking Lights, and Taillights
- Coupe, Sedan, and Hatchback
I I rusecs I
Li5:_i
"^1,1fr!;?
arr*
HI
UNDER.DASHFUSE/RELAYBOX
UNDER.HOOOFUSE/RELAYBOX
g€o Pow€rDlstrbutiofl,page 101?

Page 1995 of 2189

HONDA CIVIC 2000 6.G Workshop Manual \
- All Coupes and96-98 Sedans
1so�sa s"o"n" "*cept 491!](99-00 models except GX l8)
*=Male-Female
terminals reversedfor99-00 models
RED/BLK
c605
RIGHTLICENSEPLATELIGHT
2^
@
LEFTLICENSEPLATELI

Page 1996 of 2189

HONDA CIVIC 2000 6.G Workshop Manual License Lights, Parking Lights, and Taillights (contd)
From page 110-2.
CBtl^lvl{t
3
- 99-00 Sedans
c562
vtEw 42
FEO/BLK
18(GX 5)
REO/BLK
See BrakeLights
RIGHTBRAKELIGHT/OUTERTAILLIGHT
RIGHTLICENSE

Page 1997 of 2189

HONDA CIVIC 2000 6.G Workshop Manual - Hatchback
\
*=l\4ale-Female
terminals reversedlor99-00 models(99r00
FEO/ALK
RED/BI-K
c604
FED/BLK
2
RED/BLX
c607PHO|O 112
REO/BLI(
5
RED/BLK
RIGHTLICENSEPLATE
lx
@
itI
"l-- 
I F"al,,,-1 PHoro 132

Page 1998 of 2189

HONDA CIVIC 2000 6.G Workshop Manual Turn Signal and Hazard Warning Lights
- All except99-00 Sedans
c411PHOTO 60vlEw 60
15
5
see uLights
T*x ll
_1
55
L
tBlFED/BLX
I
c501
vtEw 5!
IL
FED/B
Dash
UNDER.OASHFUSE/BELAYBOX
HAZARDWARNINGswtTcH

Page 1999 of 2189

HONDA CIVIC 2000 6.G Workshop Manual \
*=l\4ale-Female
terminals reversedfor99-00 models
TumSignalSwitch
From Splice orfacing page.
v
icnrineo I csor
" l"Pli?c--
l
f "*f B""i.BfiiJrl ".^f
I see Grouno ar-< pay6!,,-,v >-ra
| 
Tt""

Page 2000 of 2189

HONDA CIVIC 2000 6.G Workshop Manual Turn Signal and Hazard Warning Lights
- 99-00 Sedans
@
i-f;.;l H33""
i)ir- ilEtFfLJL---J Box
3 Y c352 PHoro 7
vlEw 27
c411PHOfO @vlEw 60
I UNDER.I DASH: FUSE/tunSIGIITJTOAZARDR€I.AYpsalo I
I RELA