Page 233 of 243
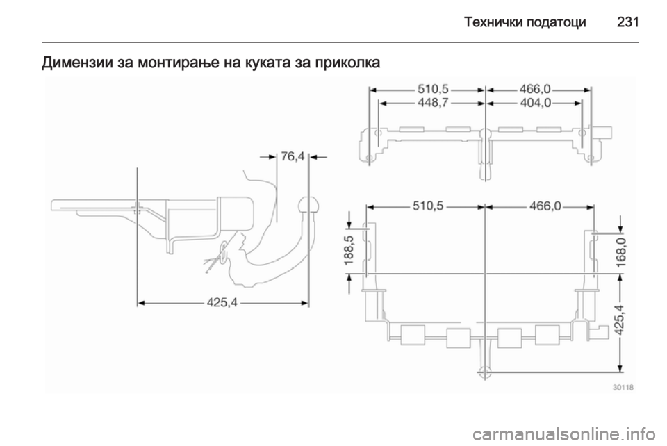
Технички податоци231Димензии за монтирање на куката за приколка
Page 234 of 243

232Информации за купувачотИнформации за
купувачотИнформации за купувачот ......232
Запишување на податоците за
возилото и тајност .................... 232Информации за
купувачот
Изјава за сообразност Возилото има системи што
емитуваат и/или примаат радио
бранови според Директивата
1999/5/EC. Тие системи се
усогласени со главните барања и
другите важечки одредби на
Директивата 1999/5/EC. Копии од
оригиналната Изјава за
сообразност може да се добијат на нашиот сајт на интернет.Запишување на
податоците за
возилото и тајност
Запишувачи на датумите
на настани
Модули за складирање
податоци во возилото Голем број електронски
компоненти во возилото содржат
модули за складирање податоци
што привремено или трајно чуваат
технички податоци за состојбата на
возилото, настаните и грешките.
Општо земено, тие технички
информации ги документираат
состојбите на деловите, модулите,
системите или на средината:
■ Работни услови на компонентите
на системот (на пр. нивото на
наполнетост)
■ Пораки за состојбата на возилото и поединечните
компоненти (на пр. бројот на
Page 235 of 243

Информации за купувачот233
вртења на тркалата / брзината на
вртење, забавување, странично
забрзување)
■ Нефункционирање и дефекти на важни системски компоненти
■ Реакции на возилото на одредени возни ситуации (на пр.
надуваност на воздушно
перниче, активирање на
системот за регулирање на
стабилноста)
■ Услоги на средината (на пр. температурата)
Тие податоци се исклучиво
технички и помагаат да се
идентификуваат и поправат
грешките, како и да се
оптимизираат функциите на
возилото.
Не можат да се прават профили за движење што ги покажуваат
пропатуваните правци со тие
податоци.
Ако се користат услуги (на пр.
поправки, сервисирања, гарантни
побарувања, проверка на
квалитетот), вработените насервисната мрежа (вклучително
производителот) можат да ги
прочитаат тие технички
информации од модулите за
складирање на податоците за
настани и грешки со помош на
специјални дијагностички уреди.
Ако е потребно, ќе добиете повеќе
информации во овие работилници. Откако ќе се отстрани грешката,
податоците се бришат од модулот за складирање грешки или
постојано се пребришуваат.
Кога го користите возилото, може
да дојде до ситуации кога тие
технички податоци поврзани со
други информации (извештај за
незгода, оштетувања на возилото,
изјави на сведоци итн.) може да се
поврзат со одредено лице - можно,
со помош на стручно лице.
Дополнителните функции
договорени со клиентот (на пр.
наоѓање на локацијата при итни случаи) овозможуваат пренос наодредени податоци за возилото од него.Идентификација на
радио фреквенцијата
(RFID) Технологијата RFID се користи кај
некои возила за функции како
контрола на притисокот на гумите и
безбедност на системот за палење.
Се користи и за практични
помагала како далечинските
управувачи за заклучување и
отклучување на вратите и палење, и во предавателите во возилото за отворање врати на гаража.
Технологијата RFID кај возилата
Opel не користи и не снима лични
информации не поврзува со
ниеден друг систем на Opel што
содржи лични информации.
Page 236 of 243

234ИндексААблендирање ........................... 118
Автоматизиран рачен менувач 145
Автоматска контрола на нивоата .................................. 153
Автоматска контрола на светлата ................................ 117
Автоматски менувач ................140
Автоматско намалување на отсјај ........................................ 43
Активни потпирачи за глава .....48
Активни потпирачи за глава на предните седишта ..................23
Акумулатор ............................... 173
Алати ........................................ 190
Алки за врзување .......................76
Б Багажник за на покрив ...............81
Безбедносен ремен .....................8
Безбедносна мрежа ...................78
Безбедносни ремени .................58
Безбедност на возилото .............38
Брави за деца ............................ 37
Брзиномер .................................. 90
Бришач на шофершајбната/ перач ....................................... 85
Бришење/миење на задното стакло ...................................... 86В
Влечење ............................ 161, 206
Влечење на возилото ..............206
Влечење на друго возило .......207
Влечење на приколка ..............162
Внатрешно светло ............122, 182
Вовед ............................................ 3
Воздушно перниче и затегнувачи на ремените .......95
Возни карактеристики и совети за влечење ...............161
Врати ........................................... 37
Вртежомер .................................. 91
Вршење работа ........................ 168
Втор ред на седиштата .............53
Г
Гориво........................................ 157
Гориво за бензински мотори ...157
Гориво за мотори на дизел .....157
Гориво за работење со природен гас ......................... 157
Греење ........................................ 53
Греење на задното стакло ........46
Група инструменти ....................90
Гуми .......................................... 190
Гуми кои функционираат и издишани .............................. 191
Page 237 of 243

235
ДДалечински управувач ..............30
Демонтирање на возилото на крајот од работниот век .......168
Дефект ...................... 143, 148, 206
Дигалка за возилото .................190
Димензии за монтирање на куката за приколка ................231
Димензии на возилото .............227
Длабочина на шарите .............195
Дневна километража .................90
Довод на воздухот ...................134
Долго светло ....................101, 118
Дополнително греење ..............132
Држачи за чаши .........................73
Дупнување ................................. 200
Е
Екран за сервисирање ..............92
Екран на менувачот .........140, 145
Електричен систем ...................183
Електрични прозорци ................44
Електрично местење .................41
Електронска програма за стабилност ...................... 98, 151
Електронски програми за возење ................................... 147Електронски програми за
возењето ............................... 142
Електронски систем за контрола на
климатизацијата ...................129
З Заден фар за магла .........101, 121
Задни светла ............................ 179
Задни седишта ............................ 53
Закачување приколка ...............161
Замаглени капаци на светлата 122
Замена на сијалиците .............. 175
Замена на четкичките на бришачите ............................. 174
Запалка ....................................... 89
Запамтени поставки ...................31
Запишување на податоците за возилото и тајност .................232
Запишувачи на датумите на настани ................................... 232
Зафатнини ................................ 228
Заштита од празнење на акумулаторот ........................ 124
Зимски гуми .............................. 191
Зимски режим ............................. 97И
Идентификација на моторот ....218
Идентификација на радио фреквенцијата (RFID) ..........233
Идентификациска табличка ....217
Идентификациски број на возилото ................................ 216
Издувни гасови од моторот ....138
Изитроник .................................. 145
Изјава за сообразност ..............232
Имобилизатор ............................ 41
Индикатори.................................. 90
Интерактивен систем за возење .................................... 152
Интерактивен систем за возење, постојана контрола
на амортизацијата, спортски
режим ...................................... 99
Информативен екран ...............102
Информативен екран на автомобилот ......................... 102
Информации за товарење ........82
Исклучување на пребрзувањето .....................137
Исцедете го филтерот за дизел горивото .....................110
Page 238 of 243

236
К
Капак на товарниот простор .....74
Капакот на задниот простор за складирање ............................. 75
Карактеристики на осветлувањето ......................123
Картичка на автомобилот .........29
Касета ......................................... 72
Катализатор ............................. 139
Километража .............................. 90
Клучеви ....................................... 29
Клучеви, заклучување ................29
Клуч, запамтени поставки ..........31
Комплет за поправање гуми ...196
Конвексен облик ........................41
Контрола над возилото ...........135
Контрола на климатизацијата ...15
Контрола на осветлувањето на таблата со инструменти .. 122
Контрола на патувањето . 101, 154
Контроли ...................................... 84
Контроли на воланот .................84
Контролни сијалички................... 93
Контролно свтело за неисправности ........................96
Користење на прирачников .........3
Ксенонски предни фарови ......178Кутија со осигурувачи во
моторниот простор ...............184
Кутија со осигурувачи во товарниот простор ...............187
М
Масло, моторно......................... 219
Менување во поголема брзина. 97
Менување на гумите и големина на тркалата ..........195
Менување тркала ..................... 200
Менувач ...................................... 16
Мерач за гориво .........................91
Мерачи......................................... 90
Места за монтирање на системот за врзување на деца 68
Местење на воланот .............. 9, 84
Местење на потпирачите за глава .......................................... 8
Местење на ретровизорот ..........9
Местење на седиштата .........7, 50
Механички прозорци .................. 43
Моторно масло ......... 170, 213, 219
Н Надворешна температура ......... 87
Надворешни светла ........... 12, 101
Надворешно осветлување .......117
Напон во батериите .................109Наскоро сервисирајте го
возилото .................................. 96
Нега за изгледот .......................208
Нега на внатрешноста .............211
Нега на надворешноста ..........208
Ниво на моторното масло .......110
Ниско ниво на гориво ..............100
Ниско ниво на моторното масло ..................................... 100
О Обично работење на кондиционерот ......................134
Ознаки на гумите .....................192
Опасност, Предупредувања и Вниманија ................................. 4
Опрема за влечење .................163
Опреми и преиначувања на возилото ................................ 167
Општи информации .................161
Осветлување на регистарската табличка .......181
Осветлување на средишната конзола .................................. 123
Осветлување на таблата со инструменти .......................... 182
Осветлување при влегување ..123
Осветлување при излегување 124
Осигурувачи ............................. 183
Отворена врата ........................ 101
Page 239 of 243

237
Отвори за проветрување.........133
„Отвори и појди“ систем ..........100
Отклучување на возилото ...........6
П Палење на моторот .........136, 146
Палење со кабли .....................204
Паркирање ......................... 18, 137
Паркирни светла ......................121
Патен комјитер во екранот за Информации за возилото ....111
Патен компјутер .........................24
Патен компјутер со графичен информативен екран или
информативен екран во боја 113
Пепелници .................................. 89
Перформанси ........................... 225
Плочи на покривот .....................74
Поаѓање ...................................... 17
Поаѓање и ракување ................135
Податоци за возилото ..............219
Податоци за моторот ...............222
Податоци што се специфични за возилото ............................... 3
Подвижен покрив .......................46
Покрив ......................................... 46
Полнење гориво .......................158
Положба на седиштата .............49
Положби на прекинувачот за палење .................................. 136Помош за паркирање ..............155
Помош за стабилноста на приколката ............................ 165
Помош при поаѓање на угорници ................................ 151
Пораки на возилото .................109
Постојана контрола на придушувањето ....................153
Потпирач за рака .......................52
Потпирачи за глава ...................47
Потрошувачка на гориво - CO 2-испуштање
.................... 160
Потсетник за безбедносниот ремен ....................................... 95
Практични совети за возење ...135
Прачка за влечење ...................161
Прва помош ................................. 81
Прверки на возилото ................168
Преглед на таблата со инструменти ............................ 10
Предзагревање и филтер за дизелски честички ..................98
Предни седишта .........................49
Предните фарови кога се вози во странство ......................... 119
Предни фарови .........................117
Предни фарови за магла ........121
Предупредувачки мелодии .....109
Предупредувачки светла ...........90Предупредувачки трепкачи .....120
Предупредувачки триаголник ...80
Прекин на напојувањето . 144, 148
Прекинувач за светлата ..........117
Прекинувач за стоп-светлата ..109
Преклопни ретровизори ............41
Преклопување на седиштето .... 52 Препорачаните течности и средства за подмачкување .. 213
Препорачани течности и средства за подмачкување... 219
Прибор за прва помош ..............81
Прирачен алат .......................... 190
Приспособливи отвори за проветрување .......................133
Приспособливо предно светло ...................... 26, 101, 119
Притисок во гумите ..................110
Притисок на гумите .................. 192
Притисок на моторното масло ..99
Притисоци во гумите .......116, 229
Проветрување ........................... 125
Прозорци ..................................... 43
Простори за складирање ...........72
Р
Работење со природен гас .......27
Разработување на новото возило ................................... 135
Раткапни ................................... 196
Page 240 of 243

238
Рачен менувач ......................... 145
Рачен режим ....................142, 147
Рачка на менувачот .........140, 146
Рачна заштита од отсјај ............42
Рачна сопирачка ...............150, 151
Регулирање на височината на фаровите ............................... 118
Резервно тркало ......................202
Ретровизори ................................ 42
Ретровизори со греење .............42
С Светла ...................................... 110
Светла за дневно возење .......119
Светла за магла .......................179
Светла за читање ....................123
Светло во заштитникот за сонце ..................................... 123
Светло за рикверц ...................122
Свиочно осветлување ..............119
Седишта во вториот ред ...........20
Седишта во третиот ред ...........21
Селектор на гориво ...................92
Сервис .............................. 134, 212
Сервисни информации ............212
Серво кочење ........................... 151
Симболи ....................................... 4
Синџири за гуми .......................196
Сирена .................................. 13, 85Систем за автоматска
контрола на климата ............127
Систем за греење и проветрување .......................125
Систем за деблокирање на сопирачките .......................... 150
Систем за деблокирање на сопирачките (ABS) .................. 97
Систем за заштита од кражба ..38
Систем за климатизација ........126
Систем за контрола на климатизацијата ....................125
Систем за контрола на притисокот во гумите .............26
Систем за откривање на издишаноста и систем за
контрола на притисокот во
гумите ...................................... 99
Систем за откривање на издишаноста на гумата ...26, 195
Систем за полнење ...................95
Систем за ракување на товарот 76
Систем за следење на притисокот на гумите ...........194
Систем за тревожење при кражба ............................. 39, 110
Системи за врзување деца Top-tether ................................. 71
Системи за врзување на деца ...66Системи за контрола на
возењето ................................ 151
Системи за миење и бришење . 14
Системи за препознавање на предмети ................................ 155
Систем на воздушни перничиња .............................. 62
Систем на завесни воздушни перничиња .............................. 65
Систем на предни воздушни перничиња .............................. 63
Систем на странични воздушни перничиња .............64
Складирање ................................ 72
Складирање на очилата за сонце ....................................... 73
Складишна преграда под седиштето ............................... 73
Сликовен информативен екран, Информативен екран
во боја ................................... 105
Сопирајте со ножната сопирачка .............................. 101
Сопирачки ........................ 150, 172
Спортски режим ...........25, 97, 152
Странични ретровизори .............41
Странични светла .....................117
Странични трепачки ................181