2012 SSANGYONG NEW ACTYON SPORTS Service Manual

Page 65 of 828

SSANGYONG NEW ACTYON SPORTS 2012  Service Manual 5) PANIC, AUTO LIGHT / RAIN SENSING, ROOM LAMP
(2) CONNECTOR IDENTIFICATION SYMBOL & PIN NUMBER POSITION (1) CONNECTOR INFORMATION

Page 66 of 828

SSANGYONG NEW ACTYON SPORTS 2012  Service Manual 6) FRT WIPER / WASHER
(2) CONNECTOR IDENTIFICATION SYMBOL & PIN NUMBER POSITION (1) CONNECTOR INFORMATION

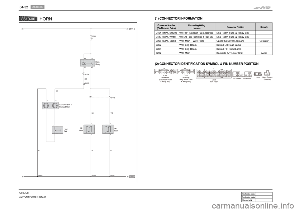
Page 67 of 828

SSANGYONG NEW ACTYON SPORTS 2012  Service Manual (2) CONNECTOR IDENTIFICATION SYMBOL & PIN NUMBER POSITION (1) CONNECTOR INFORMATION MIRROR FOLD G/UNFOLD G, FOLD SW 7)
’’

Page 68 of 828

SSANGYONG NEW ACTYON SPORTS 2012  Service Manual (2) CONNECTOR IDENTIFICATION SYMBOL & PIN NUMBER POSITION (1) CONNECTOR INFORMATION

Page 69 of 828

SSANGYONG NEW ACTYON SPORTS 2012  Service Manual (2) CONNECTOR IDENTIFICATION SYMBOL & PIN NUMBER POSITION (1) CONNECTOR INFORMATION

Page 70 of 828

SSANGYONG NEW ACTYON SPORTS 2012  Service Manual (2) CONNECTOR IDENTIFICATION SYMBOL & PIN NUMBER POSITION (1) CONNECTOR INFORMATION

Page 71 of 828

SSANGYONG NEW ACTYON SPORTS 2012  Service Manual (2) CONNECTOR IDENTIFICATION SYMBOL & PIN NUMBER POSITION (1) CONNECTOR INFORMATION

Page 72 of 828

SSANGYONG NEW ACTYON SPORTS 2012  Service Manual (2) CONNECTOR IDENTIFICATION SYMBOL & PIN NUMBER POSITION (1) CONNECTOR INFORMATION