Page 281 of 376
WASSERPUMPE
6-4
GAS1SL5299
WASSERPUMPE
Wasserpumpe demontieren
Reihen-
folgeBauteil Anz. Bemerkungen
KühlflüssigkeitAblassen.
Siehe unter “KÜHLFLÜSSIGKEIT WECH-
SELN” auf Seite 3-9.
MotorölAblassen.
Siehe unter “MOTORÖL WECHSELN” auf
Seite 3-17.
Kurbelgehäusedeckel rechts Siehe unter “KUPPLUNG” auf Seite 5-39.
1 Wasserpumpengehäuse 1
2 Passstift 2
3 Dichtung 1
4 Distanzhülse 1
5 Stift 1
6 Laufradwellen-Baugruppe 1
7 Dichtring 1
8 Lager 1
9 Dichtring 1
Die Montage erfolgt in umgekehrter Reihen-
folge.
LS
LS
7
6
2
2
3
1
854
New
New
New
E
9
New
E
10 Nm (1.0 m kgf, 7.2 ft Ibf)T.R.
10 Nm (1.0 m kgf, 7.2 ft Ibf)T.R.
Page 282 of 376

WASSERPUMPE
6-5
GAS1SL5300DICHTRING DEMONTIEREN
HINWEIS
• Den Dichtring ausbauen, wenn der Kühlflüs-
sigkeitsstand sich häufiger als normal ändert,
wenn die Kühlflüssigkeit verfärbt ist oder
wenn das Motoröl trübe wurde.
• Die ausgebauten Dichtringe nicht noch ein-
mal verwenden.
1. Demontieren:
• Dichtringe “1”
GAS1SL5301WASSERPUMPE KONTROLLIEREN
1. Kontrollieren:
• Wasserpumpen-Gehäusedeckel
• Laufradwelle
Rissig/beschädigt/verschlissen Er-
neuern.
GAS1SL5302LAGER KONTROLLIEREN
1. Kontrollieren:
• Lager
Den Innenlaufring mit den Fingern drehen.
Stockend/festErneuern.
GAS1SL5303
DICHTRING MONTIEREN
1. Montieren:
• Dichtringe “1”
HINWEIS
• Lithiumseifenfett an Öldichtungslippe und
Rillen in den Riemenscheiben anbringen.
• Den Dichtring so einbauen, dass die Herstell-
erbeschriftung oder Teilenummer zum rech-
ten Kurbelgehäusedeckel “2” gerichtet ist.
2. Montieren:
• Lager “1”
HINWEIS
Zum Einbau des Lagers parallel auf den
Außenlaufring drücken.
GAS1SL5304WASSERPUMPE ZUSAMMENBAUEN
1. Montieren:
• Laufradwellen-Baugruppe “1”
• Stift “2”
• Distanzhülse “3”
• Sicherungsring “4”
HINWEIS
• Darauf achten, dass die Dichtringlippe nicht
beschädigt wird und dass die Feder nicht ver-
rutscht.
• Beim Einbau der Laufradwelle die Dichtring-
lippe, das Lager und die Laufradwelle mit Mo-
toröl bestreichen.
1 1
New
1 1New
New
LS
LS
New
Page 283 of 376
WASSERPUMPE
6-6
2. Montieren:
• Passstift “1”
• Dichtung “2”
3. Montieren:
• Wasserpumpengehäuse “1”
• Wasserpumpengehäuse-Schraube “2”
• Beilagscheibe “3”
• Kühlflüssigkeits-Ablassschraube “4”Wasserpumpengehäuse-
Schraube
10 Nm (1.0 m·kgf, 7.2 ft·lbf)
Kühlmittelablassschraube
10 Nm (1.0 m·kgf, 7.2 ft·lbf)
4
1
23New
E
New
21
1New
T R..
New
T R..
2
2
43 1
New
Page 284 of 376
Page 285 of 376

7
KRAFTSTOFFSYSTEM
KRAFTSTOFFTANK........................................................................................ 7-1
KRAFTSTOFFTANK DEMONTIEREN ....................................................... 7-3
KRAFTSTOFFPUMPE DEMONTIEREN.................................................... 7-3
KRAFTSTOFFPUMPENGEHÄUSE KONTROLLIEREN............................ 7-3
KRAFTSTOFFPUMPE MONTIEREN......................................................... 7-4
KRAFTSTOFFTANK MONTIEREN ............................................................ 7-4
KRAFTSTOFFDRUCK KONTROLLIEREN ................................................ 7-5
DÄMPFER KONTROLLIEREN................................................................... 7-5
PROTEKTOR KONTROLLIEREN UND WECHSELN................................ 7-5
DROSSELKLAPPENGEHÄUSE...................................................................... 7-6
EINSPRITZDÜSE KONTROLLIEREN ....................................................... 7-9
DROSSELKLAPPENGEHÄUSE KONTROLLIEREN ................................. 7-9
DROSSELKLAPPENGEHÄUSE-ANSCHLUSS KONTROLLIEREN........ 7-10
DROSSELKLAPPENSENSOR EINSTELLEN.......................................... 7-10
Page 286 of 376

KRAFTSTOFFTANK
7-1
GAS1SL5305
HINWEIS
Dieser Abschnitt ist für Personen gedacht, die über grundlegende Kenntnisse und Fähigkeiten in der
Wartung von Yamaha-Motorrädern verfügen (z.B.: Yamaha-Händler, Wartungspersonal etc.). Per-
sonen mit geringen Kenntnissen und Fähigkeiten über Wartungsarbeiten wird empfohlen, keine Ins-
pektionen, Einstellungen, Demontagen durchzuführen und Montagen nur mit Hilfe dieses
Handbuchs vorzunehmen. Es könnten sonst Wartungsprobleme und mechanische Schäden auftre-
ten.
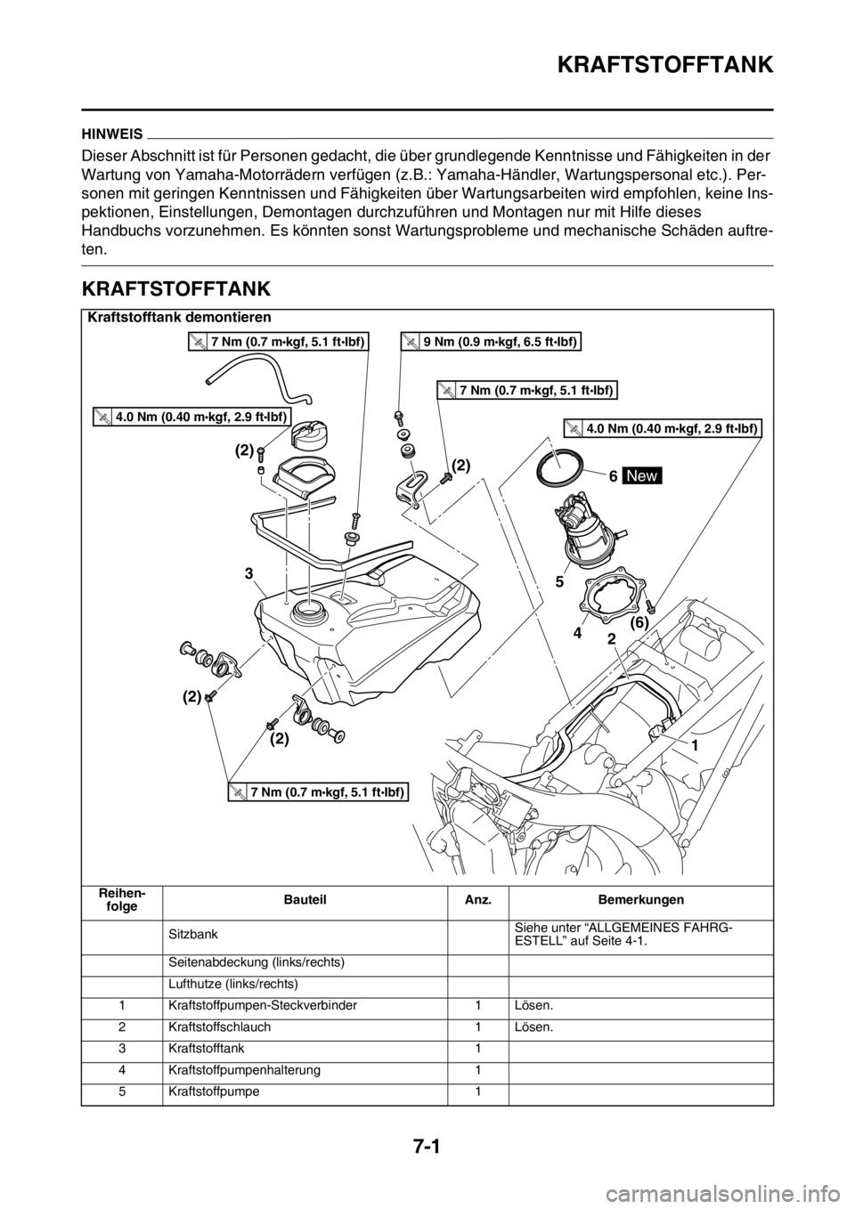
GAS1SL5306KRAFTSTOFFTANK
Kraftstofftank demontieren
Reihen-
folgeBauteil Anz. Bemerkungen
SitzbankSiehe unter “ALLGEMEINES FAHRG-
ESTELL” auf Seite 4-1.
Seitenabdeckung (links/rechts)
Lufthutze (links/rechts)
1 Kraftstoffpumpen-Steckverbinder 1 Lösen.
2 Kraftstoffschlauch 1 Lösen.
3 Kraftstofftank 1
4 Kraftstoffpumpenhalterung 1
5 Kraftstoffpumpe 1
4(6) (2)
(2) (2)(2)2
5
6
3
1
New
4.0 Nm (0.40 mkgf, 2.9 ftIbf)T.R.
7 Nm (0.7 mkgf, 5.1 ftIbf)T.R.
7 Nm (0.7 mkgf, 5.1 ftIbf)T.
R
.
7 Nm (0.7 mkgf, 5.1 ftIbf)T.R.
9 Nm (0.9 mkgf, 6.5 ftIbf)T.
R
.
4.0 Nm (0.40 mkgf, 2.9 ftIbf)T.R.
Page 287 of 376
KRAFTSTOFFTANK
7-2
6 Kraftstoffpumpen-Dichtung 1
Die Montage erfolgt in umgekehrter Reihen-
folge.
Kraftstofftank demontieren
Reihen-
folgeBauteil Anz. Bemerkungen
4(6) (2)
(2) (2)(2)2
5
6
3
1
New
4.0 Nm (0.40 mkgf, 2.9 ftIbf)T.R.
7 Nm (0.7 mkgf, 5.1 ftIbf)T.R.
7 Nm (0.7 mkgf, 5.1 ftIbf)T.
R
.
7 Nm (0.7 mkgf, 5.1 ftIbf)T.R.
9 Nm (0.9 mkgf, 6.5 ftIbf)T.
R
.
4.0 Nm (0.40 mkgf, 2.9 ftIbf)T.R.
Page 288 of 376

KRAFTSTOFFTANK
7-3
GAS1SL5307KRAFTSTOFFTANK DEMONTIEREN
1. Mit Hilfe einer Pumpe den Kraftstoff im
Kraftstofftank über die Tanköffnung
entleeren.
2. Demontieren:
• Kraftstoffschlauch-Kupplung
EWA23P1001
WARNUNG
Die Kraftstoffschlauchverbindung beim Ab-
trennen mit einem Tuch abdecken. Dies ist
erforderlich, weil Restdruck beim Entfernen
des Kraftstoffschlauchs aus den Kraftst-
offleitungen herausspritzen kann.
ECA23P1090
ACHTUNG
Sicherstellen, dass der Kraftstoffschlauch
von Hand entfernt wird. Der Schlauch darf
nicht mit Werkzeugen und mit Gewalt ent-
fernt werden.
HINWEIS
• Um den Kraftstoffschlauch vom Kraftstofftank
zu trennen, zuerst die Halterung “a” des Kraft-
stoffschlauch-Anschlusses entfernen und
dann die Kraftstoffschlauch-Anschlussab-
deckung zur Seite schieben.
• Die Kraftstoffschlauch-Verbindungsabdeck-
ung “1” am Schlauchende zum Herausziehen
des Kraftstoffschlauchs aus dem Kraftstoff-
verteilerrohr in Pfeilrichtung (siehe Abbildung)
schieben. Die zwei Knöpfe “2” an den Seiten
des Steckverbinders drücken und den
Schlauch entfernen.
• Vor dem Entfernen des Schlauchs den Be-
reich unter dem Schlauch mit ein paar
Tüchern abdecken.
• Um zu verhindern, dass Sand, Staub und an-
dere Fremdkörper in die Kraftstoffpumpe
gelangen können, die mitgelieferte Abdeck-
ung 1 “3” der Kraftstoffschlauch-Kupplung
und die Abdeckung 2 “4” der Kraftstoff-
schlauch-Kupplung an dem abgetrennten
Kraftstoffschlauch und der Kraftstoffpumpe
anbringen.3. Demontieren:
• Seitenabdeckung (links/rechts)
• Sitzbank
• Lufthutze (links/rechts)
• Kraftstofftank
HINWEIS
Der Kraftstofftank darf nicht auf der Montage-
fläche der Kraftstoffpumpe abgestellt werden.
Kraftstofftank sollte gegen eine Wand oder
Ähnliches gelehnt werden.
GAS1SL5308KRAFTSTOFFPUMPE DEMONTIEREN
1. Demontieren:
• Kraftstoffpumpe
ECA14720
ACHTUNG
Die Kraftstoffpumpe nicht fallen lassen
oder stark erschüttern.
GAS1SL5309KRAFTSTOFFPUMPENGEHÄUSE KON-
TROLLIEREN
1. Kontrollieren:
• Kraftstoffpumpengehäuse
Verstopft Reinigen.
Rissig/beschädigt Kraftstoffpumpe er-
neuern.
a
1
2
3 4