Page 737 of 1672

TRANSFER BOX - LT230SE
41-4 DESCRIPTION AND OPERATION
Main casing components – Vehicles up
to 03 model year
1Retaining plate
2Stake nut - intermediate shaft
3Bolt - retaining plate
4'O' rings - intermediate shaft
5Bearings and outer tracks - mainshaft input
gear
6Mainshaft input gear bearing housing
7Cover plate
8Bolt - cover plate
9Selective shim
10Mainshaft input gear
11Oil filler/level plug
12Oil temperature switch - if fitted
13Bearings and outer tracks - intermediate gears
14Circlips
15Intermediate gears
16Bottom cover plate
17Bolt - bottom cover plate
18Selective spacer
19Mainshaft oil seal20Oil drain plug
21Main casing
22Intermediate shaft
23Locating dowel
24Detent ball - high/low selector
25Detent spring - high/low selector
26Detent plug - high/low selector
27Neutral warning switch - Automatic gearbox
only - North America and Japan
28Bolt - interlock solenoid cover - Automatic
gearbox only - North America and Japan
29Cover - interlock solenoid - Automatic gearbox
only - North America and Japan
30Belleville washer - Automatic gearbox only -
North America and Japan
31Interlock solenoid - Automatic gearbox only -
North America and Japan
Page 738 of 1672
TRANSFER BOX - LT230SE
DESCRIPTION AND OPERATION 41-5
Main casing components – Vehicles
from 03 model year
1Retaining plate
2Stake nut - intermediate shaft
3Bolt - retaining plate
4'O' rings - intermediate shaft
5Bearings and outer tracks - mainshaft input
gear
6Mainshaft input gear bearing housing
7Cover plate
8Bolt - cover plate
9Selective shim
10Mainshaft input gear
11Oil filler/level plug
12Oil temperature switch - if fitted
13Bearings and outer tracks - intermediate gears14Intermediate gears
15Bottom cover plate
16Bolt - bottom cover plate
17Selective spacer
18Mainshaft oil seal
19Oil drain plug
20Main casing
21Intermediate shaft
22Locating dowel
23Detent ball - high/low selector
24Detent spring - high/low selector
25Detent plug - high/low selector
26Neutral warning switch - Automatic gearbox
only - North America and Japan
Page 739 of 1672
TRANSFER BOX - LT230SE
41-6 DESCRIPTION AND OPERATION
Differential components – Vehicles up to
03 model year
1Retaining ring
2Differential carrier - rear half
3Low range gear
4High/low hub
5High/low selector sleeve
6High/low selector shaft
7High/low selector fork
8Setscrew - high/low selector fork
9High range gear
10High range gear bush
11Differential rear bearing
12Bearing outer track13Bearing retaining nut
14Dished thrust washers
15Planet gears
16Cross shafts
17Sun gears
18Selective thrust washers
19Differential carrier - front half
20Bolt - differential carriers
21Differential front bearings
22Bearing outer track
23Selective shim
Page 740 of 1672
TRANSFER BOX - LT230SE
DESCRIPTION AND OPERATION 41-7
Differential components – Vehicles from
03 model year
1Retaining ring
2Differential carrier - rear half
3Low range gear
4High/low hub
5High/low selector sleeve
6High/low selector shaft
7High/low selector fork
8Clip (2 off)
9Spring
10Setscrew - high/low selector fork
11High range gear
12High range gear bush
13Differential rear bearing14Bearing outer track
15Bearing retaining nut
16Dished thrust washers
17Planet gears
18Cross shafts
19Sun gears
20Selective thrust washers
21Differential carrier - front half
22Bolt - differential carriers
23Differential front bearings
24Bearing outer track
25Selective shim
Page 741 of 1672
TRANSFER BOX - LT230SE
41-8 DESCRIPTION AND OPERATION
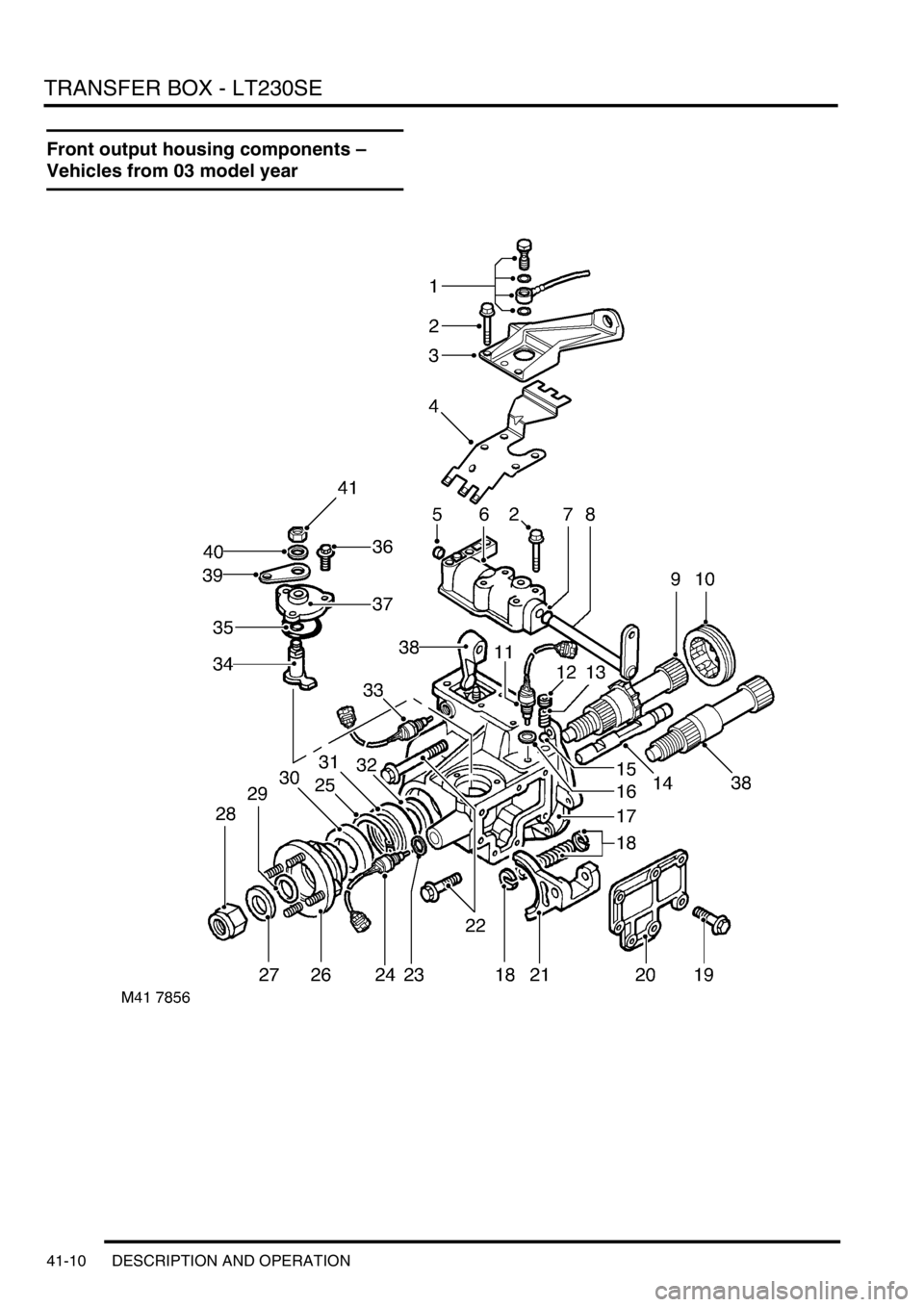
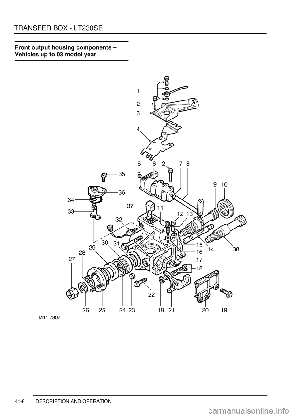
Front output housing components –
Vehicles up to 03 model year
Page 742 of 1672

TRANSFER BOX - LT230SE
DESCRIPTION AND OPERATION 41-9
1Breather pipe, banjo bolt and sealing washers
2Bolt - high/low cross shaft housing and
abutment bracket
3Selector cable abutment bracket
4Multiplug bracket
5Hollow plug
6High/low cross shaft housing
7'O' ring
8High/low cross shaft and lever
9Front output shaft - Differential lock - If fitted
10Dog clutch - Differential lock - If fitted
11Warning lamp switch - Differential lock - If fitted
12Detent plug - Differential lock - If fitted
13Detent spring - Differential lock - If fitted
14Selector shaft - Differential lock - If fitted
15Detent ball - Differential lock - If fitted
16Threaded spacer - Differential lock - If fitted
17Front output housing
18Spring and clips - Differential lock - If fitted
19Bolt - cover plate
20Cover plate21Selector fork - Differential lock - If fitted
22Bolt - front output housing
23Hollow plug
24Circlip
25Front output flange
26Steel washer
27Self-locking nut
28Felt washer
29Oil seal
30Output shaft bearing
31Bearing spacer
32High/low detect switch
33Selector finger and shaft - Differential lock - If
fitted
34'O' rings - Differential lock - If fitted
35Bolt - selector housing - Differential lock - If
fitted
36Selector housing - Differential lock - If fitted
37High/low selector finger
38Front output shaft - Vehicles not fitted with
differential lock
Page 743 of 1672
TRANSFER BOX - LT230SE
41-10 DESCRIPTION AND OPERATION
Front output housing components –
Vehicles from 03 model year
Page 744 of 1672

TRANSFER BOX - LT230SE
DESCRIPTION AND OPERATION 41-11
1Breather pipe, banjo bolt and sealing washers
2Bolt - high/low cross shaft housing and
abutment bracket
3Selector cable abutment bracket
4Multiplug bracket
5Hollow plug
6High/low cross shaft housing
7'O' ring
8High/low cross shaft and lever
9Front output shaft - Differential lock - If fitted
10Dog clutch - Differential lock - If fitted
11Warning lamp switch - Differential lock - If fitted
12Detent plug - Differential lock - If fitted
13Detent spring - Differential lock - If fitted
14Selector shaft - Differential lock - If fitted
15Detent ball - Differential lock - If fitted
16Threaded spacer - Differential lock - If fitted
17Front output housing
18Spring and clips - Differential lock - If fitted
19Bolt - cover plate
20Cover plate
21Selector fork - Differential lock - If fitted
22Bolt - front output housing23Aluminium washer
24Warning lamp switch - Differential lock - If fitted
25Circlip
26Front output flange
27Steel washer
28Self-locking nut
29Felt washer
30Oil seal
31Output shaft bearing
32Bearing spacer
33High/low detect switch
34Selector finger and shaft - Differential lock - If
fitted
35'O' rings - Differential lock - If fitted
36Bolt - selector housing - Differential lock - If
fitted
37Selector housing - Differential lock - If fitted
38High/low selector finger
39Front output shaft - Vehicles not fitted with
differential lock
40Washer
41Nut