Page 1 of 1672
Workshop Manual
Werkplaatshandboek
Manual d'Atelier
Werkstatthandbuc h
Manuale d'Officina
Manual de Taller
Manual de Oficina
Disco very Series II
Page 2 of 1672
DISCOVERY SERIES II
WORKSHOP MANUAL - 1999MY ON
Publication Part No. VDR 100090 ENG (6)
© Land Rover 2002
All rights reserved. No part of this publication may be reproduced, stored in a retrieval system or transmitted in any form,
electronic, mechanical, recording or other means without prior written permission from Land Rover.
Page 3 of 1672
Page 4 of 1672

CONTENTS
CONTENTS 1
INTRODUCTION ...................................................................................... 01-1
How To Use This Manual................................................................................................................ 01-1
Repairs and Replacements ............................................................................................................. 01-1
Specifications .................................................................................................................................. 01-2
Abbreviations and Symbols ............................................................................................................ 01-3
GENERAL INFORMATION ...................................................................... 03-1
General Precautions ....................................................................................................................... 03-1
Safety Instructions .......................................................................................................................... 03-2
Environmental Precautions ............................................................................................................. 03-3
General Fitting Instructions ............................................................................................................. 03-6
Ball and Roller Bearings ................................................................................................................. 03-7
Oil Seals.......................................................................................................................................... 03-8
Joints and Joint Faces .................................................................................................................... 03-9
Locking Devices .............................................................................................................................. 03-9
Screw Threads ................................................................................................................................ 03-10
Bolt and Nut Identification ............................................................................................................... 03-11
Flexible Pipes and Hoses ............................................................................................................... 03-13
Rolling Road Testing....................................................................................................................... 03-15
Fuel Handling Precautions .............................................................................................................. 03-16
Electrical Precautions ..................................................................................................................... 03-17
Supplementary Restraint System Precautions ............................................................................... 03-18
SRS Component Replacement Policy ............................................................................................ 03-23
Air Conditioning System Precautions .............................................................................................. 03-24
Air Conditioning Compressor Replacement .................................................................................... 03-26
Body Repairs .................................................................................................................................. 03-26
GENERAL DATA ..................................................................................... 04-1
Engine - Td5 ................................................................................................................................... 04-1
Engine - V8 ..................................................................................................................................... 04-4
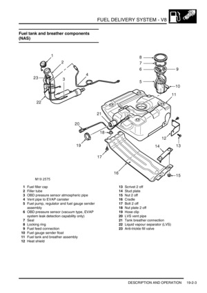
Fuel system - Td5 ........................................................................................................................... 04-8
Fuel system - V8 ............................................................................................................................. 04-9
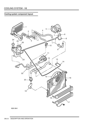
Cooling system - Td5 ...................................................................................................................... 04-9
Cooling system - V8 ........................................................................................................................ 04-10
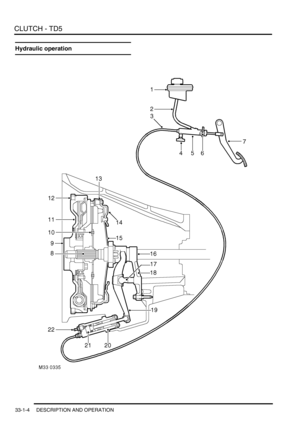
Clutch - Td5 .................................................................................................................................... 04-10
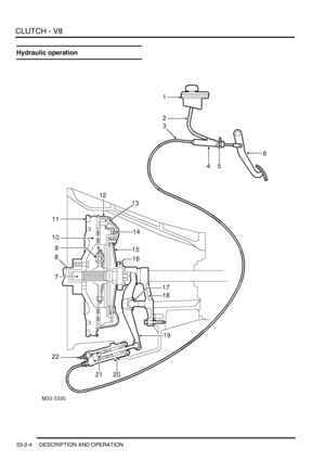
Clutch - V8 ...................................................................................................................................... 04-11
Manual gearbox - R380 .................................................................................................................. 04-12
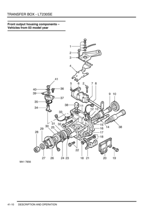
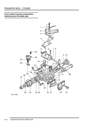
Transfer box - LT230SE .................................................................................................................. 04-13
Automatic gearbox - ZF4HP22/24 .................................................................................................. 04-13
Rear axle......................................................................................................................................... 04-13
Front axle ........................................................................................................................................ 04-13
Steering........................................................................................................................................... 04-14
Suspension ..................................................................................................................................... 04-15
Brakes ............................................................................................................................................. 04-16
Wheels and tyres ............................................................................................................................ 04-16
Air conditioning ............................................................................................................................... 04-17
Electrical - Td5 ................................................................................................................................ 04-17
Electrical - V8 .................................................................................................................................. 04-17
Dimensions ..................................................................................................................................... 04-18
Weights ........................................................................................................................................... 04-18
Page 5 of 1672

CONTENTS
2CONTENTS
IDENTIFICATION NUMBERS .................................................................. 05-1
Vehicle Identification Number ......................................................................................................... 05-1
Identification Number Locations ..................................................................................................... 05-3
TORQUE WRENCH SETTINGS .............................................................. 06-1
Maintenance ................................................................................................................................... 06-1
Engine Td5 ..................................................................................................................................... 06-2
Engine V8 ....................................................................................................................................... 06-4
Emission control - Td5 .................................................................................................................... 06-5
Emission control - V8 ...................................................................................................................... 06-5
Engine management system - Td5 ................................................................................................. 06-5
Engine management system - V8................................................................................................... 06-6
Cooling system ............................................................................................................................... 06-6
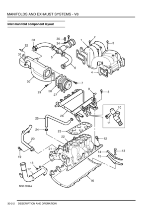
Manifolds and exhaust systems - Td5 ............................................................................................ 06-6
Manifolds and exhaust systems - V8 .............................................................................................. 06-7
Clutch.............................................................................................................................................. 06-7
Manual gearbox - R380 .................................................................................................................. 06-8
Transfer box - LT230SE ................................................................................................................. 06-8
Automatic gearbox - ZF4HP22/24 .................................................................................................. 06-9
Propeller shafts ............................................................................................................................... 06-9
Axles ............................................................................................................................................... 06-9
Steering .......................................................................................................................................... 06-10
Front suspension ............................................................................................................................ 06-11
Rear suspension ............................................................................................................................. 06-12
Brakes............................................................................................................................................. 06-12
Restraint systems ........................................................................................................................... 06-13
Body................................................................................................................................................ 06-14
Heating and air conditioning ........................................................................................................... 06-15
Wipers and washers ....................................................................................................................... 06-15
Electrical ......................................................................................................................................... 06-15
LIFTING AND TOWING ........................................................................... 08-1
LIFTING .......................................................................................................................................... 08-1
TOWING ......................................................................................................................................... 08-2
TRANSPORTING ........................................................................................................................... 08-3
CAPACITIES, FLUIDS AND LUBRICANTS ............................................ 09-1
Capacities ....................................................................................................................................... 09-1
Fluids .............................................................................................................................................. 09-2
Anti-Freeze Concentration .............................................................................................................. 09-3
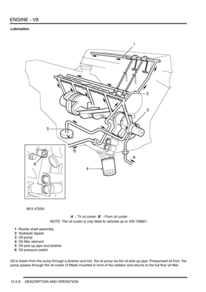
Lubrication ...................................................................................................................................... 09-3
MAINTENANCE ........................................................................................ 10-1
PROCEDURES
V8 engine underbonnet view .......................................................................................................... 10-1
Diesel underbonnet view ................................................................................................................ 10-2
Seats and seat belts ...................................................................................................................... 10-3
Lamps, horns and warning indicators ........................................................................................... 10-5
Wipers and washers ...................................................................................................................... 10-5
Handbrake .................................................................................................................................. 10-6
Page 6 of 1672

CONTENTS
CONTENTS 3
Alarm handset battery ..................................................................................................................... 10-6
Road wheels ................................................................................................................................... 10-7
Tyres .............................................................................................................................................. 10-7
Brake pads, discs and calipers ....................................................................................................... 10-7
Road wheel speed sensors ............................................................................................................. 10-7
Brake fluid ....................................................................................................................................... 10-8
Fuel filter - diesel engine ................................................................................................................. 10-8
Fuel filter sedimenter ...................................................................................................................... 10-8
Road wheels ................................................................................................................................... 10-8
Radiator/Intercooler ........................................................................................................................ 10-8
Ambient air Temperature and pressure sensor .............................................................................. 10-8
Doors, bonnet and fuel filler flap ..................................................................................................... 10-9
Air suspension intake filter .............................................................................................................. 10-9
Anti-freeze....................................................................................................................................... 10-9
Cooling system ............................................................................................................................... 10-9
Spark plugs - V8 engine.................................................................................................................. 10-10
Air cleaner - V8 engine ................................................................................................................... 10-11
Air cleaner and dump valve - diesel engine .................................................................................... 10-11
Auxiliary drive belt ........................................................................................................................... 10-11
Auxiliary drive belt - V8 engine ....................................................................................................... 10-12
Auxiliary drive belt - diesel engine .................................................................................................. 10-12
Fluid reservoirs ............................................................................................................................... 10-12
Steering box .................................................................................................................................... 10-13
Battery ............................................................................................................................................. 10-13
Intercooler - diesel engine............................................................................................................... 10-14
Engine oil - V8 engine ..................................................................................................................... 10-14
Engine oil - diesel engine ................................................................................................................ 10-14
Centrifuge rotor – diesel engine ...................................................................................................... 10-15
Engine oil filter - diesel engine ........................................................................................................ 10-15
Engine oil filter – V8 engine ............................................................................................................ 10-15
Manual gearbox .............................................................................................................................. 10-16
Automatic gearbox ......................................................................................................................... 10-17
Transfer box .................................................................................................................................... 10-18
Front and rear axle .......................................................................................................................... 10-19
Propeller shafts ............................................................................................................................... 10-19
Anti-roll bar links ............................................................................................................................. 10-20
ACE actuators ................................................................................................................................. 10-21
ACE filter ......................................................................................................................................... 10-21
Brake hose, brake, fuel, ACE, clutch pipes and unions/electrical harnesses ................................ 10-22
Engine, gearbox, transfer box and axles ........................................................................................ 10-23
Exhaust system............................................................................................................................... 10-23
Steering box and front suspension ................................................................................................. 10-23
Steering rod ball joints ................................................................................................................... 10-25
Dampers and SLS height sensors .................................................................................................. 10-25
Front and rear axle suspension links .............................................................................................. 10-26
Towing bracket................................................................................................................................ 10-27
Engine mountings - V8 engine ........................................................................................................ 10-27
Road/roller test................................................................................................................................ 10-28
ENGINE - Td5 ........................................................................................... 12-1-1
DESCRIPTION AND OPERATION
Td5 Engine...................................................................................................................................... 12-1-1
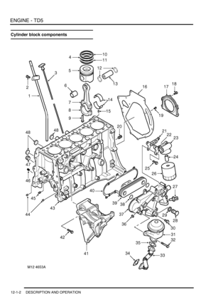
Cylinder block components ............................................................................................................. 12-1-2
Page 7 of 1672

CONTENTS
4CONTENTS
Crankshaft, sump and oil pump ...................................................................................................... 12-1-4
Cylinder head components ............................................................................................................. 12-1-6
Camshaft cover and engine cover .................................................................................................. 12-1-8
Camshaft timing chain components................................................................................................ 12-1-10
Description ...................................................................................................................................... 12-1-12
Lubrication circuit ............................................................................................................................ 12-1-29
ADJUSTMENTS
Engine oil pressure check .............................................................................................................. 12-1-35
REPAIRS
Pulley - crankshaft ........................................................................................................................ 12-1-37
Seal - crankshaft - rear ................................................................................................................. 12-1-38
Gasket - cylinder head .................................................................................................................. 12-1-39
Rocker shaft assembly ................................................................................................................... 12-1-44
Gasket - cover - camshaft .............................................................................................................. 12-1-46
Engine and ancillaries ................................................................................................................... 12-1-47
Mounting - front - LH ...................................................................................................................... 12-1-53
Mounting - front - RH ..................................................................................................................... 12-1-54
Mounting - engine - rear - LH ........................................................................................................ 12-1-55
Mounting - engine - rear - RH ......................................................................................................... 12-1-55
Flywheel ........................................................................................................................................ 12-1-56
Plate - drive - automatic ................................................................................................................. 12-1-56
Filter - oil ........................................................................................................................................ 12-1-57
Strainer - oil pick-up ....................................................................................................................... 12-1-58
Pump - oil........................................................................................................................................ 12-1-58
Gasket - sump ................................................................................................................................ 12-1-60
Valve - relief - oil pressure ............................................................................................................. 12-1-62
Switch - oil pressure ...................................................................................................................... 12-1-62
Cooler - engine oil .......................................................................................................................... 12-1-63
Gasket - centrifuge oil drain pipe .................................................................................................... 12-1-64
Rotor - centrifuge ........................................................................................................................... 12-1-66
Seal - oil - timing cover .................................................................................................................. 12-1-66
OVERHAUL
Gasket - inlet manifold ................................................................................................................... 12-1-69
Gasket - exhaust manifold ............................................................................................................. 12-1-70
Gasket - cylinder head .................................................................................................................. 12-1-71
Cylinder head - overhaul ............................................................................................................... 12-1-74
Gasket - engine sump ................................................................................................................... 12-1-84
Seal - crankshaft - rear - manual models........................................................................................ 12-1-86
Seal - crankshaft - rear - automatic models .................................................................................... 12-1-87
Flywheel.......................................................................................................................................... 12-1-88
Drive plate....................................................................................................................................... 12-1-88
Starter ring gear .............................................................................................................................. 12-1-89
Pump - oil ...................................................................................................................................... 12-1-90
Timing chain and sprockets ........................................................................................................... 12-1-93
Bearings - connecting rods ........................................................................................................... 12-1-96
Pistons, connecting rods and cylinder bores ................................................................................ 12-1-98
Crankshaft .................................................................................................................................... 12-1-102
ENGINE - V8 ............................................................................................. 12-2-1
DESCRIPTION AND OPERATION
V8 Engine ....................................................................................................................................... 12-2-1
Cylinder head components ............................................................................................................. 12-2-2
Cylinder block components............................................................................................................. 12-2-4
Page 8 of 1672

CONTENTS
CONTENTS 5
Description ...................................................................................................................................... 12-2-6
ADJUSTMENTS
Engine oil pressure check .............................................................................................................. 12-2-11
REPAIRS
Seal - crankshaft - rear .................................................................................................................. 12-2-13
Gasket - cylinder head - LH ........................................................................................................... 12-2-14
Gasket - cylinder head - RH ............................................................................................................ 12-2-16
Gasket - rocker cover - LH ............................................................................................................ 12-2-19
Gasket - rocker cover - RH ............................................................................................................ 12-2-20
Mounting - front - LH ...................................................................................................................... 12-2-22
Mounting - front - RH ..................................................................................................................... 12-2-23
Mounting - rear - LH ....................................................................................................................... 12-2-24
Mounting - rear - RH ...................................................................................................................... 12-2-25
Engine assembly............................................................................................................................. 12-2-26
Flywheel ........................................................................................................................................ 12-2-31
Plate - drive - automatic ................................................................................................................ 12-2-32
Ring gear - starter ......................................................................................................................... 12-2-33
Filter - oil ....................................................................................................................................... 12-2-34
Strainer - oil pick-up ...................................................................................................................... 12-2-35
Pump - oil ...................................................................................................................................... 12-2-35
Gasket - sump ................................................................................................................................ 12-2-36
Switch - oil pressure ....................................................................................................................... 12-2-38
Cooler - engine oil .......................................................................................................................... 12-2-39
Gasket - timing gear cover ............................................................................................................ 12-2-40
Seal - cover - timing gears ............................................................................................................ 12-2-42
OVERHAUL
Gasket - inlet manifold ................................................................................................................... 12-2-45
Gasket - exhaust manifold ............................................................................................................. 12-2-48
Seal - crankshaft - rear - automatic models .................................................................................... 12-2-49
Seal - crankshaft - rear - manual models ........................................................................................ 12-2-50
Bearing - spigot - crankshaft .......................................................................................................... 12-2-52
Gasket - engine sump .................................................................................................................... 12-2-53
Strainer - oil pick-up ....................................................................................................................... 12-2-54
Seal - timing gear cover ................................................................................................................. 12-2-54
Gasket - timing gear cover ............................................................................................................. 12-2-55
Timing chain and gears .................................................................................................................. 12-2-57
Rocker shaft - overhaul ................................................................................................................. 12-2-59
Gasket - cylinder head .................................................................................................................... 12-2-60
Cylinder head - overhaul ................................................................................................................ 12-2-62
Piston assemblies ........................................................................................................................... 12-2-67
Bearings - connecting rods ............................................................................................................ 12-2-71
Crankshaft and main bearings ........................................................................................................ 12-2-72
Camshaft ....................................................................................................................................... 12-2-76
EMISSION CONTROL - Td5..................................................................... 17-1-1
DESCRIPTION AND OPERATION
EGR system components - type 1 .................................................................................................. 17-1-1
EGR system components - type 2 .................................................................................................. 17-1-2
Emission Control Systems .............................................................................................................. 17-1-4
Crankcase emission control ............................................................................................................ 17-1-4
Exhaust gas recirculation ................................................................................................................ 17-1-5