Page 625 of 1672

MANIFOLDS AND EXHAUST SYSTEMS - TD5
30-1-4 DESCRIPTION AND OPERATION
Front pipe assembly
The front pipe is of welded and fabricated tubular construction. The front pipe is connected to a flange on the
turbocharger and secured with three flanged nuts and sealed with a metal laminated gasket. The front pipe
incorporates a flexible pipe near the connection with the turbocharger and terminates in a flanged connection with the
intermediate pipe.
The flexible pipe is formed into a concertina shape with woven metal strands around its outer diameter. The flexible
pipe allows for ease of exhaust system alignment and also absorbs engine vibration. The woven metal strands also
increase the longevity of the flexible pipe.
The front pipe is attached via a bracket and a mounting rubber to the chassis. The mounting rubber allows ease of
alignment and vibration absorption.
Intermediate pipe and silencer
The intermediate pipe is of welded and fabricated tubular construction. It connects at its forward end to the front pipe
flange. Two captive studs on the intermediate pipe flange allow for attachment to the front pipe with locknuts. The rear
section of intermediate pipe connects to the tail pipe assembly via a flanged joint, sealed with a metal gasket and
secured with locknuts and studs.
The forward and rear sections are joined by a silencer. The silencer is fabricated from stainless steel sheet to form
the body of the silencer. An end plate closes each end of the silencer and is attached to the body with seam joints.
Perforated baffle tubes, inside the silencer, are connected to the inlet and outlet pipes on each end plate. Internal
baffle plates support the baffle tubes and, together with a stainless steel fibre packing, absorb combustion noise as
the exhaust gases pass through the silencer.
The intermediate pipe is attached by two brackets, positioned at each end of the silencer, and two mounting rubbers
to the chassis. The mounting rubber allows for ease of alignment and vibration absorption.
Tail pipe assembly
The tail pipe is of welded and fabricated construction. The tail pipe connects to the intermediate pipe with a flanged
joint secured with locknuts and sealed with a metal gasket. The pipe is shaped to locate above the rear axle allowing
clearance for axle articulation. The pipe is also curved to clear the left hand side of the fuel tank which has a reflective
shield to protect the tank from heat generated from the pipe.
A fabricated silencer is located at the rear of the tail pipe. The silencer is circular in section and is constructed from
stainless steel sheet. A baffle tube is located inside the silencer and the space around the baffle tube is packed with
a stainless steel fibre. The holes in the baffle tube allow the packing to further reduce combustion noise from the
engine. The tail pipe from the silencer is curved downwards at the rear of the vehicle and directs exhaust gases
towards the ground. The curved pipe allows the exhaust gases to be dissipated by the airflow under the vehicle and
prevents the gases from being drawn behind the vehicle.
The tail pipe is attached by a bracket, positioned forward of the silencer, and a mounting rubber to the chassis. The
mounting rubber allows ease of alignment and vibration absorption.
Page 626 of 1672
MANIFOLDS AND EXHAUST SYSTEMS - TD5
REPAIRS 30-1-5
REPAIRS
Pipe - front
$% 30.10.09
Remove
1.Remove 3 nuts, release front pipe from
turbocharger and discard gasket.
2.Raise vehicle on ramp.
3.Remove 2 nuts and release front pipe from
intermediate pipe/silencer.
4.Remove 16 bolts and remove chassis cross
members. 5.Release and remove front pipe from mounting.
Refit
1.Clean front pipe and mating faces.
2.Position front pipe and new front pipe to
turbocharger gasket. Align front pipe to
intermediate pipe/silencer and turbocharger.
3.Connect mounting to front pipe.
4.Fit nuts securing front pipe to turbocharger and
intermediate pipe/silencer and tighten to 27 Nm
(20 lbf.ft) .
5.Fit chassis cross members and tighten bolts to
25 Nm (18 lbf. ft).
Page 627 of 1672
MANIFOLDS AND EXHAUST SYSTEMS - TD5
30-1-6 REPAIRS
Gasket - inlet manifold
$% 30.15.08
Remove
Note: The following procedure covers engines
fitted with or without an EGR cooler. The EGR
cooler is bolted to the front of the cylinder head.
1.Remove battery cover.
2.Disconnect battery earth lead.
3.Remove 3 bolts and remove engine acoustic
cover.
4.Release retainers and remove upper fan cowl.
5.Disconnect leads from 4 glow plugs and
multiplug from MAP sensor.
6.Remove 4 bolts, release EGR valve from inlet
manifold and discard gasket. 7.Remove 4 bolts securing fuel cooler to inlet
manifold.
8.Remove 2 bolts and remove alternator support
bracket.
9.Remove bolt securing engine dip stick tube to
camshaft carrier.
10.Remove dip stick tube and discard 'O' ring.
Page 628 of 1672

MANIFOLDS AND EXHAUST SYSTEMS - TD5
REPAIRS 30-1-7
11.Remove 2 nuts and 8 bolts securing inlet
manifold to cylinder head.
12.Disconnect multiplugs from turbocharger
pressure sensor, ECT sensor, AAP sensor,
MAF sensor, A/C compressor and fuel injector
harness.
13.Remove 2 bolts securing harness to camshaft
carrier.
Note: Engine with EGR cooler illustrated.
14.Release harness from engine and inlet
manifold.
15.Remove inlet manifold and gasket. Refit
1.Clean inlet manifold and mating faces.
2.Fit new gasket.
3.Fitinlet manifold and, working from the centre
outwards, tighten nuts and bolts to 25 Nm (18
lbf.ft).
4.Position harness to sensors and connect
multiplugs.
5.Tighten bolts securing harness clip to camshaft
carrier to 9 Nm (7 lbf.ft).
6.Clean dip stick tube and fit new 'O' ring.
7.Fit dip stick tube and tighten bolt to 9 Nm (7
lbf.ft).
8.Connect leads to glow plugs.
9.Fit alternator support bracket and tighten bolts
to 45 Nm (33 lbf.ft).
10.Position fuel cooler and tighten bolts to 25 Nm
(18 lbf.ft).
11.Fit new gasket, position EGR valve and tighten
bolts to 9 Nm (7 lbf.ft).
12.Connect multiplug to MAP sensor.
13.Fit upper fan cowl.
14.Fit engine acoustic cover.
15.Connect battery earth lead.
16.Fit battery cover.
Page 629 of 1672

MANIFOLDS AND EXHAUST SYSTEMS - TD5
30-1-8 REPAIRS
Gasket - exhaust manifold
$% 30.15.12
Remove
Note: The following procedure covers engines
fitted with or without an EGR cooler. The EGR
cooler is bolted to the front of the cylinder head.
1.Remove turbocharger.
+ ENGINE MANAGEMENT SYSTEM -
Td5, REPAIRS, Turbocharger.
2. Models with air conditioning: Remove
auxiliary drive belt.
+ CHARGING AND STARTING,
REPAIRS, Belt - auxiliary drive.
3. Models with air conditioning: Remove 4 bolts
securing compressor and move to one side.
4.Remove and discard 2 Allen screws securing
EGR pipe to exhaust manifold.
Note: Engine with EGR cooler illustrated.5.Remove 10 nuts securing exhaust manifold to
cylinder head.
6.Remove exhaust manifold and gasket.
Refit
1.Clean exhaust manifold and mating faces.
2.Fit new gasket.Fit exhaust manifold and,
working from the centre outwards, tighten nuts
to 25 Nm (18 lbf.ft) .
3. Models with air conditioning:
Positioncompressor and tighten bolts to 25 Nm
(18 lbf.ft).
4.Position EGR valve pipe, fit new Allen screws
and tighten to 9 Nm (7 lbf.ft).
5.Fit turbocharger.
+ ENGINE MANAGEMENT SYSTEM -
Td5, REPAIRS, Turbocharger.
6. Models with air conditioning: Fit auxiliary
drive belt.
+ CHARGING AND STARTING,
REPAIRS, Belt - auxiliary drive.
Page 630 of 1672
MANIFOLDS AND EXHAUST SYSTEMS - V8
DESCRIPTION AND OPERATION 30-2-1
MANIF OLDS AND EX HAUST SYSTEMS - V8 DESCRIPTION AND OPERAT ION
Exhaust manifold component layout
1Exhaust manifold RH
2Spacer 16 off
3Torx bolt 16 off
4Exhaust manifold LH
5Gasket 4 off
Page 631 of 1672
MANIFOLDS AND EXHAUST SYSTEMS - V8
30-2-2 DESCRIPTION AND OPERATION
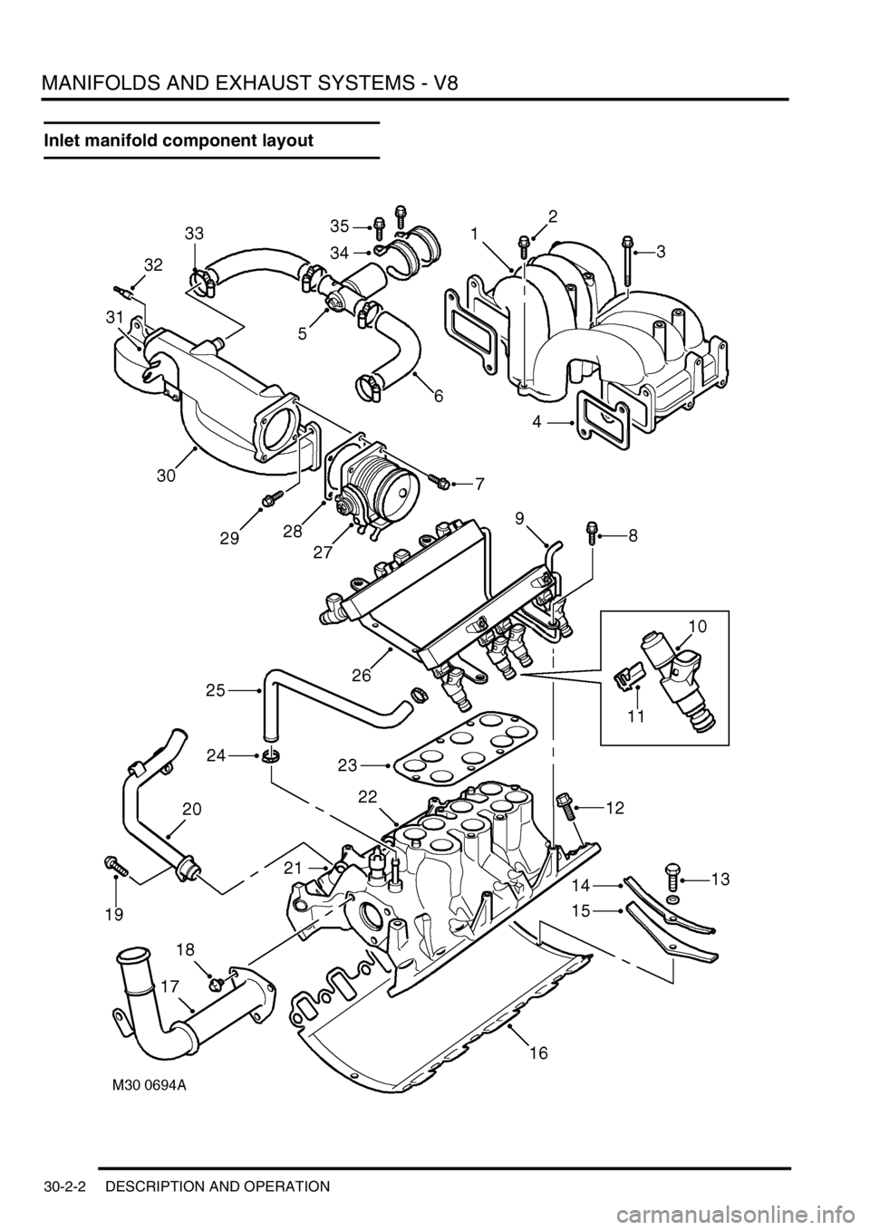
Inlet manifold component layout
Page 632 of 1672
MANIFOLDS AND EXHAUST SYSTEMS - V8
DESCRIPTION AND OPERATION 30-2-3
1Upper manifold
2Bolt 5 off
3Bolt 1 off
4Gasket
5IAC Valve
6IAC valve hose 2 off
7Bolt 4 off
8Bolt 4 off
9Schraeder valve
10Injector 8 off
11Retaining clip 8 off
12Bolt 12 off
13Bolt 2 off
14Clamp 2 off
15Seal 2 off
16Lower manifold/engine gasket
17Coolant pipe18Bolt 3 off
19Bolt
20Heater return pipe
21Pipe connection
22Lower manifold
23Gasket
24Hose clip 2 off
25Throttle housing coolant hose
26Fuel rail
27Throttle housing
28Gasket
29Bolt 4 off
30Plenum
31Rocker cover breather hose connection
32Brake servo vacuum pipe connection
33Hose clip 4 off