Page 1 of 1556

Downloaded from www.Manualslib.com manuals search engine IMPORTANT
WARNING/CAUTION/NOTE
Please read this manual and follow its instructions carefully. To emphasize special information, the words
, and NOTE have special meanings. Pay special attention to the messages high-
lighted by these signal words.
The circle with a slash in this manual means “Don’t do this” or “Don’t let this happen”.
WARNING!CAUTION!
Indicates a potential hazard that could result in death or injury.
WARNING!
Indicates a potential hazard that could result in vehicle damage.
CAUTION!
NOTE:
Indicates special information to make maintenance easier or instructions clearer.
This service manual is intended for authorized Suzuki dealers and qualified service technicians only.
Inexperienced technicians or technicians without the proper tools and equipment may not be able to
properly perform the services described in this manual.
Improper repair may result in injury to the technician and may render the vehicle unsafe for the driver
and passengers.
WARNING!
For vehicles equipped with a Supplemental Restraint (Air Bag) System:
• Service on and around the air bag system components or wiring must be performed only by an
authorized SUZUKI dealer. Refer to “Air Bag System Components and Wiring Location View” under
“General Description” in air bag system section in order to confirm whether you are performing ser-
vice on or near the air bag system components or wiring. Please observe all WARNINGS and “Ser-
vice Precautions” under “On-Vehicle Service” in air bag system section before performing service
on or around the air bag system components or wiring. Failure to follow WARNINGS could result in
unintentional activation of the system or could render the system inoperative. Either of these two
conditions may result in severe injury.
If the air bag system and another vehicle system both need repair, Suzuki recommends that the air
bag system be repaired first, to help avoid unintended air bag system activation.
Do not modify the steering wheel, instrument panel or any other air bag system component on or
around air bag system components or wiring. Modifications can adversely affect air bag system
performance and lead to injury.
If the vehicle will be exposed to temperatures over 93 °C (200 °F), for example, during a paint baking
process, remove the air bag system components, that is air bag (inflator) modules, SDM and/or seat
belt with pretensioner, beforehand to avoid component damage or unintended activation.
WARNING!
Page 2 of 1556
Downloaded from www.Manualslib.com manuals search engine
Page 3 of 1556

Downloaded from www.Manualslib.com manuals search engine FOREWORD
This manual (Volumes 1 and 2) contains procedures for diagnosis, maintenance, adjustments, minor service
operations, replacement of components (Service) and for disassembly and assembly of major components (Unit
Repair-Overhaul).
VOLUME 1 contains General information, Engine, Suspension, Drive/Axle and Brakes sections (Sections 0 – 5).
VOLUME 2 contains Transmission/Transaxle, Steering, HVAC, Restraint, Body/Cab/Accessories and
Control Systems sections (Sections 6 – 10).
Applicable Model:
SX4 (RW415/RW416) produced at KOSAI plant in Japan with following vehicle identification number
(VIN)
The contents are classified into sections each of which is given a section number as indicated in the Table of
Contents on following page. And on the first page of each individual section is an index of that section.
This manual should be kept in a handy place for ready reference of the service work.
Strict observance of the so specified items will enable one to obtain the full performance of the vehicle.
When replacing parts or servicing by disassembling, it is recommended to use SUZUKI genuine parts, tools and
service materials as specified in each description.
All information, illustrations and specifications contained in this literature are based on the latest product infor-
mation available at the time of publication approval. And used as the main subject of description is the vehicle of
standard specifications among others.
Therefore, note that illustrations may differ from the vehicle being actually serviced.
The right is reserved to make changes at any time without notice.
© COPYRIGHT SUZUKI MOTOR CORPORATION 2006JSAGY############ ~
JS2Y#############~
Page 4 of 1556

Downloaded from www.Manualslib.com manuals search engine RECOMMENDATON OF GENUINE SUZUKI PARTS AND ACCESSORIES USE
SUZUKI strongly recommends the use of genuine SUZUKI parts* and accessories. Genuine SUZUKI parts and
accessories are built to the highest standards of quality and performance, and are designed to fit the vehicle’s
exact specifications.
A wide variety of non-genuine replacement parts and accessories for SUZUKI vehicles are currently available in
the market. Using these parts and accessories can affect the vehicle performance and shorten its useful life.
Therefore, installation of non-genuine SUZUKI parts and accessories is not covered under warranty.
Non-Genuine SUZUKI Parts and Accessories
Some parts and accessories may be approved by certain authorities in your country.
Some parts and accessories are sold as SUZUKI authorized replacement parts and accessories. Some genu-
ine SUZUKI parts and accessories are sold as re-use parts and accessories. These parts and accessories are
non-genuine Suzuki parts and accessories and use of these parts are not covered under warranty.
Re-use of Genuine SUZUKI Parts and Accessories
The resale or re-use of the following items which could give rise to safety hazards for users is expressly forbid-
den:
1) Airbag components and all other pyrotechnic items, including their components (e.g. cushion, control
devices and sensors)
2) Seatbelt system, including their components (e.g. webbing, buckles, and retractors)
The air bag and seat belt pretensioner components contain explosive chemicals. These components should be
removed and disposed of properly by SUZUKI authorized service shop or scrap yard to avoid unintended explo-
sion before scrapping.
*The parts remanufactured under SUZUKI's approval can be used as genuine SUZUKI parts in Europe.
Page 5 of 1556

Downloaded from www.Manualslib.com manuals search engine 00
0
1
2
3
4
5
6
7
8
9
10
11
Vo l u m e 1
Precautions............................................................... 00-i
Precautions ............................................................ 00-1
General Information ................................................... 0-i
General Information ............................................... 0A-1
Maintenance and Lubrication ................................. 0B-1
Engine ......................................................................... 1-i
Precautions .............................................................. 1-1
Engine General Information and Diagnosis ........... 1A-1
Aux. Emission Control Devices .............................. 1B-1
Engine Electrical Devices....................................... 1C-1
Engine Mechanical ................................................. 1D-1
Engine Lubrication System .................................... 1E-1
Engine Cooling System .......................................... 1F-1
Fuel System ...........................................................1G-1
Ignition System....................................................... 1H-1
Starting System ....................................................... 1I-1
Charging System.....................................................1J-1
Exhaust System ..................................................... 1K-1
Suspension ................................................................. 2-i
Precautions .............................................................. 2-1
Suspension General Diagnosis .............................. 2A-1
Front Suspension ................................................... 2B-1
Rear Suspension.................................................... 2C-1
Wheels and Tires ................................................... 2D-1
Driveline / Axle ........................................................... 3-i
Precautions .............................................................. 3-1
Drive Shaft / Axle ................................................... 3A-1
Differential .............................................................. 3B-1
Transfer .................................................................. 3C-1
Propeller Shafts...................................................... 3D-1
Brakes ......................................................................... 4-i
Precautions .............................................................. 4-1
Brake Control System and Diagnosis .................... 4A-1
Front Brakes........................................................... 4B-1
Rear Brakes ........................................................... 4C-1
Parking Brake......................................................... 4D-1
ABS ........................................................................ 4E-1
Transmission / Transaxle .......................................... 5-i
Precautions .............................................................. 5-1
Automatic Transmission/Transaxle ........................ 5A-1
Manual Transmission/Transaxle ............................ 5B-1
Clutch ..................................................................... 5C-1
Vo l u m e 2
Precautions ............................................................... 00-i
Precautions ............................................................ 00-1
Steering ....................................................................... 6-i
Precautions .............................................................. 6-1
Steering General Diagnosis ................................... 6A-1
Steering Wheel and Column .................................. 6B-1
Power Assisted Steering System ...........................6C-1
HVAC ........................................................................... 7-i
Precautions .............................................................. 7-1
Heater and Ventilation............................................ 7A-1
Air Conditioning System ......................................... 7B-1
Restraint ...................................................................... 8-i
Precautions .............................................................. 8-1
Seat Belts ............................................................... 8A-1
Air Bag System ...................................................... 8B-1
Body, Cab and Accessories ...................................... 9-i
Precautions .............................................................. 9-1
Wiring Systems ...................................................... 9A-1
Lighting Systems .................................................... 9B-1
Instrumentation / Driver Info. / Horn .......................9C-1
Wipers / Washers ...................................................9D-1
Glass / Windows / Mirrors ...................................... 9E-1
Security and Locks ................................................. 9F-1
Seats ..................................................................... 9G-1
Interior Trim ............................................................9H-1
Hood / Fenders / Doors .......................................... 9J-1
Body Structure ....................................................... 9K-1
Paint / Coatings ...................................................... 9L-1
Exterior Trim .......................................................... 9M-1
Control Systems ....................................................... 10-i
Precautions ............................................................ 10-1
Body Electrical Control System ............................ 10B-1
Immobilizer Control System .................................10C-1
Keyless Start System ........................................... 10E-1
TABLE OF CONTENTS
Page 6 of 1556
Downloaded from www.Manualslib.com manuals search engine
Page 7 of 1556

Downloaded from www.Manualslib.com manuals search engine Table of Contents 00- i
00
Section 00
CONTENTS
Precautions
Precautions ............................................... 00-1
Precautions........................................................... 00-1
Precautions for Vehicles Equipped with a
Supplemental Restraint (Air Bag) System ........ 00-1
General Precautions ........................................... 00-3
Warning for Wheel (with tire) Removal ............... 00-6
Precautions in Servicing 4WD Model .................. 00-7
Precautions for Catalytic Converter .................... 00-7
Precautions for Installing Mobile
Communication Equipment ............................... 00-8
Precaution for CAN Communication System ...... 00-8Precautions for Electrical Circuit Service ............ 00-8
Air Bag Warning ................................................ 00-10
Air Bag System Service Warning ...................... 00-10
Fastener Caution............................................... 00-11
Suspension Caution .......................................... 00-11
Wheels and Tires Caution ................................. 00-11
Brake Caution ................................................... 00-11
Repair Instructions ............................................ 00-12
Electrical Circuit Inspection Procedure ............. 00-12
Intermittent and Poor Connection Inspection .... 00-14
Page 8 of 1556

Downloaded from www.Manualslib.com manuals search engine 00-1 Precautions:
Precautions
Precautions
Precautions
Precautions for Vehicles Equipped with a
Supplemental Restraint (Air Bag) System
S6RW0D0000001
WARNING!
• The configuration of air bag system parts
are as shown in the figure. When it is
necessary to service (remove, reinstall and
inspect) these parts, be sure to follow
procedures described in Air Bag System
section. Failure to follow proper
procedures could result in possible air bag
system activation, personal injury, damage
to parts or air bag system being unable to
activate when necessary.
• If the air bag system and another vehicle
system both need repair, SUZUKI
recommends that the air bag system be
repaired first, to help avoid unintended air
bag system activation.
• Do not modify the steering wheel,
dashboard, or any other air bag system
components. Modifications can adversely
affect air bag system performance and
lead to injury.
• If the vehicle will be exposed to
temperatures over 93 °C (200 °F) (for
example, during a paint baking process),
remove the air bag system components
beforehand to avoid component damage
or unintended air bag system activation.
Diagnosis
• When troubleshooting air bag system, be sure to
follow “Diagnosis” in Air Bag System section.
Bypassing these procedures may result in extended
diagnostic time, incorrect diagnosis, and incorrect
parts replacement.
• Never use electrical test equipment other than that
specified.
WARNING!
Never attempt to measure the resistance of
the air bag (inflator) modules (driver,
passenger, side and curtain) and seat belt
pretensioners (driver and passenger). It is
very dangerous as the electric current from
the tester may deploy the air bag or activate
the pretensioner.
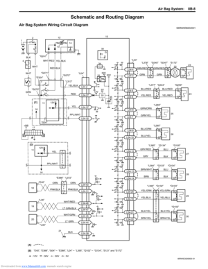
1. Air bag wire harness (in floor, main
and instrument panel harness)6. Driver air bag (inflator) module
2. Passenger air bag (inflator)
module7. Side air bag (inflator) module
(if equipped)
3. SDM 8. Curtain air bag (inflator)
module (if equipped)
4. Seat belt pretensioner 9. Forward sensor
5. Contact coil 10. Side sensor (if equipped)
23
7
8
4
10
10
4 7 9156
I5RW0A000001-01
I4RS0A000002-02