Page 3609 of 4087

YESNO
NOYES
YES
NO
OKNG
BASIC INSPECTION
When the normal code is displayed in the diagnostic code check, troubleshoot\
ing should be performed in the
order for all possible circuits to be considered as the causes of the pr\
oblems.
In many cases, by carrying out the basic engine check shown in the follo\
wing flow chart, the location causing
the problem can be found quickly and ef ficiently. Therefore, use of this check is essential in engine troubleshoot-
ing.
1Is battery voltage 11 V or more when engine is stopped?
Charge or replace battery.
2Is engine cracnked?
Proceed to matrix to matrix chart of problem
symptoms on page TR±35.
3Does engine start?
Go to step [7]
4Check air filter
C
Hint
PRemove air filter
Visially check that the air cleaner element is not exces-
sively damaged or oily.
If necessary, clean element with compressed air. First
blow from inside thoroughly, then blow off outside of ele-
ment.
Repair or replace
Go to Step [5].
TR±24±
ENGINE TROUBLESHOOTING Basic Inspection
WhereEverybodyKnowsYourName
Page 3610 of 4087

OKNG
OKNG
5Check idle speed.
C
OK
P(1) Warm up engine at normal operating temperature.
(2) Switched off all accessories.
(3) Switched off air conditioner.
(4) Shift transmission into ªNº range.
(5) Connect tachometer test probe to terminal IG of
check connector, and set the tachometer to the
4±cylinder range.
Check idle speed.
Idle speed: 650 ~ 750 rpm
Caution:
NEVER allow tachometer test probe to touch
ground as it could result in damage to igniter
and/or coil.
As some tachometers are not compatible with
this ignition system, we recommended that you
confirm compatibility of your unit before use.
Proceed to matrix chart of problem symptoms on page
TR±35 .
6Check ignition timing.
C
OK
P(1) Warm up engine at normal operating temperture.
(2) Shift transmission into ªNº range.
(3) Keep the engine speed at idle.
(4) Using SST, connect terminals TE1 and E1 of check
connector.
SST 09843±18020
(5) Using a timing light. connect the tester to No. 6 high±tension cord.
Check ignition timing.
Ignition Timing: 8±12 BTDC at idle
Proceed to page IG±28 and continue to troubleshoot.
Proceed to matix chart of problem symptoms on
page TR±35 .
±
ENGINE TROUBLESHOOTING Basic InspectionTR±25
WhereEverybodyKnowsYourName
Page 3611 of 4087
OKNG
OKNG
7Check fuel pressure.
C
P(1) Be sure that fuel is enough in tank.
(2) Turn ignition switch on.
(3) Using SST, connect terminals FP and + B of checkconnector.
SST 09843±18020
Check that pulsation damper screw rises up when termi-
nals are connected.
Caution:
Never make a mistake with the terminal connection
position as this will cause a malfunction.
Proceed to page FI±18 and continue to troubleshoot.
8Check for spark.
C
Hint
Disconnect the high±tension cord from the distributor
and, hold the end about 12.5 mm (1/2º) from the ground,
see if spark occurs while the engine is being cranked.
To prevent excessive fuel injected from the injectors dur-
ing this test, Don't crank the engine for more than 1 ± 2
seconds at a time.
Proceed to the page IG±6 and continue to troubleshoot.
Proceed to matix chart of problem systems on
page TR±35 .
TR±26±
ENGINE TROUBLESHOOTING Basic Inspection
WhereEverybodyKnowsYourName
Page 3612 of 4087

FAIL±SAFE CHART
If any of the following codes is recorded, the ECU enters fail±safe mod\
e.
Code No.Fail±Safe OperationFail±Safe Deactivation Conditions
14Fuel cut1 IGF detected in consecutive 3 ignitions.
16Torque control prohibited.Returned to normal condition.
22THW is fixed at 805C (176 5F).Returned to normal condition.
24THA is fixed at 20 5C (68 5F).Returned to normal condition.
31 Ignition timing fixed at 10 5 BTDC.
Injection time fixed
Starting 9 m sec.KS input 15 times/sec. or more.
IDL ON 3.6 m sec.
IDL OFF 6.7 m sec.
35Atmospheric pressure is fixed at 101.3 kPa
(760 mmHg 29 92 in Hg)
Returned to normal condition.
(760 mmHg, 29.92 in.Hg).
41VTA1 is fixed at 05.The following must each be repeated at least 241VTA1 is fixed at 0 5.The following must each be re eated at least 2
time consecutively.time consecutively.
(w/o TRAC)(w/o TRAC)
0.1 V ? VTA ? 0.95 V 0.1 V ? VTA ? 0.95 V
IDL : ON
( / TRAC)(w/ TRAC)
025V?VTA?095V 0.25 V ? VTA ? 0.95 V
IDL:ON IDL : ON
52Max. timing retardation.IG switch OFF.
53Max. timing retardation.Returned to normal condition.
55Max. timing retardation.IG switch OFF.
Back±Up Function
If there is trouble with the program in the ECU and the ignition signals\
(IGT) are not output, the ECU controls
fuel injection and ignition timing at predetermined levels as a back±up f\
unction to make it possible to continue
to operate the vehicle.
Furthermore, the injection duration is calculated from the starting sign\
al (STA) and the throttle position signal
(IDL). Also, the ignition timing is fixed at the initial ignition timing, 10 5 BTDC, without relation to the engine speed.
HINT: If the engine is controlled by the back±up function, the ºCHECKº\
engine warning light lights up to warn
the driver of the malfunction but the diagnostic code is not output. TR±26
±
ENGINE TROUBLESHOOTING Fail±Safe Chart
WhereEverybodyKnowsYourName
Page 3613 of 4087
PARTS LOCATION
±
ENGINE TROUBLESHOOTING Parts locationTR±27
WhereEverybodyKnowsYourName
Page 3614 of 4087
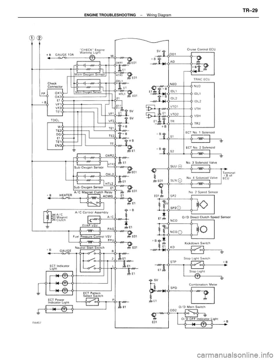
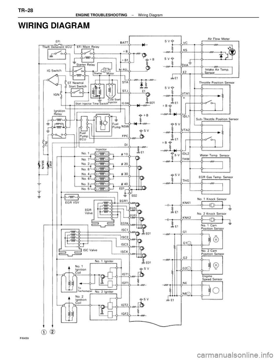
WIRING DIAGRAM
TR±28±
ENGINE TROUBLESHOOTING Wiring Diagram
WhereEverybodyKnowsYourName
Page 3615 of 4087
±
ENGINE TROUBLESHOOTING Wiring DiagramTR±29
WhereEverybodyKnowsYourName
Page 3616 of 4087

TERMINALS OF ECU
Connectors of the engine & ECT ECU are water±proof and are the
bolt type.
For water proof type connectors, in order to measure the voltage
of ECU terminals and the resistance of connected parts, connect
the inspection sub wire harness between the ECU and vehicle
wire harness, then perform the inspection. The inspection method
of inserting a tester probe from the other side of connector notice-
ably reduces the water±proof ability.
Disconnect the connector by fully loosening the bolt.
PREPARATION
1. Turn the ignition switch to LOCK position.
2. Turn up the passenger side floor mat.
3. Remove the ECU protector.
4. Disconnect the connector from the ECU. After completely loosening the bolt, the two parts of the con-
nector can be separated.
NOTICE:
w Do not pully the wire harness when disconnecting the
connector.
w When disconnecting the connector, the ECU's backup
power source is cut off, so the malfunction codes, etc.
recorded in the ECU memory are cancelled.
w Never insert a tester probe or male terminal used for
inspection purposes into the female terminal of the
vehicle wire harness. Otherwise, the female terminal may
be widened, which can result in faulty connection.
5. Connect the Check Harness A between ECU and connector
of vehicle wire harness.
SST 09990±01000
HINT: The arrangement of the check connector terminals are
the same as those of the ECU.
See page TR±31
6. Disconnect the Check Harness A.
7. Reconnect the connector to the ECU.
(a) Match the male connector correctly with the femaleconnector, then press them together.
(b) Tighten the bolt Make sure the connector is completely connected, by
tightening the bolt until there is a clearance of less than
1 mm (0.04 in.) between bottom of the male connector
and end of the female connector.
8. Install the ECU protector and floor mat.
TR±30
±
ENGINE TROUBLESHOOTING Terminals of ECU
WhereEverybodyKnowsYourName