Page 1 of 720

EC-1
ENGINE CONTROL SYSTEM
B ENGINE
CONTENTS
C
D
E
F
G
H
I
J
K
L
M
SECTION EC
A
EC
Revision: 2006 November2007 350Z
ENGINE CONTROL SYSTEM
INDEX FOR DTC ........................................................ 8
DTC No. Index ......................................................... 8
Alphabetical Index .................................................. 13
PRECAUTIONS ........................................................ 18
Precautions for Supplemental Restraint System
(SRS) “AIR BAG” and “SEAT BELT PRE-TEN-
SIONER” ................................................................ 18
Precautions for Battery Service .............................. 18
Precautions for Procedures without Cowl Top Cover ... 18
On Board Diagnostic (OBD) System of Engine and
A/T .......................................................................... 18
Precaution .............................................................. 19
PREPARATION ......................................................... 22
Special Service Tools ............................................. 22
Commercial Service Tools ...................................... 23
ENGINE CONTROL SYSTEM .................................. 24
System Diagram ..................................................... 24
Multiport Fuel Injection (MFI) System .................... 25
Electronic Ignition (EI) System ............................... 27
Fuel Cut Control (at No Load and High Engine
Speed) .................................................................... 28
AIR CONDITIONING CUT CONTROL ..................... 29
Input/Output Signal Chart ....................................... 29
System Description ................................................ 29
AUTOMATIC SPEED CONTROL DEVICE (ASCD) ... 30
System Description ................................................ 30
Component Description .......................................... 31
CAN COMMUNICATION .......................................... 32
System Description ................................................ 32
EVAPORATIVE EMISSION SYSTEM ....................... 33
Description ............................................................. 33
Component Inspection ........................................... 36
Removal and Installation ........................................ 37
How to Detect Fuel Vapor Leakage ....................... 37
ON BOARD REFUELING VAPOR RECOVERY
(ORVR) ...................................................................... 39
System Description ................................................ 39
Diagnostic Procedure ............................................. 40
Component Inspection ........................................... 42
POSITIVE CRANKCASE VENTILATION ................. 44Description .............................................................. 44
Component Inspection ............................................ 45
NVIS (NISSAN VEHICLE IMMOBILIZER SYSTEM-
NATS) ........................................................................ 46
Description .............................................................. 46
ON BOARD DIAGNOSTIC (OBD) SYSTEM ............ 47
Introduction ............................................................. 47
Two Trip Detection Logic ........................................ 47
Emission-related Diagnostic Information ................ 48
Malfunction Indicator Lamp (MIL) ........................... 62
OBD System Operation Chart ................................ 65
BASIC SERVICE PROCEDURE ............................... 71
Basic Inspection ..................................................... 71
Idle Speed and Ignition Timing Check .................... 76
Procedure After Replacing ECM ............................ 76
VIN Registration ..................................................... 76
Exhaust Valve Timing Control Learning .................. 76
Accelerator Pedal Released Position Learning ...... 77
Throttle Valve Closed Position Learning ................. 77
Idle Air Volume Learning ........................................ 77
Fuel Pressure Check .............................................. 79
TROUBLE DIAGNOSIS ............................................ 81
Trouble Diagnosis Introduction ............................... 81
DTC Inspection Priority Chart ................................. 87
Fail-safe Chart ........................................................ 89
Symptom Matrix Chart ............................................ 90
Engine Control Component Parts Location ............ 94
Vacuum Hose Drawing .........................................100
Circuit Diagram .....................................................101
ECM Harness Connector Terminal Layout ...........103
ECM Terminals and Reference Value ...................103
CONSULT-III Function (ENGINE) .........................116
Generic Scan Tool (GST) Function .......................125
CONSULT-III Reference Value in Data Monitor ....127
TROUBLE DIAGNOSIS - SPECIFICATION VALUE .132
Description ............................................................132
Testing Condition ..................................................132
Inspection Procedure ............................................132
Diagnostic Procedure ...........................................133
TROUBLE DIAGNOSIS FOR INTERMITTENT INCI-
Page 2 of 720

EC-2Revision: 2006 November2007 350Z DENT .......................................................................141
Description ............................................................141
Diagnostic Procedure ...........................................141
POWER SUPPLY AND GROUND CIRCUIT ...........142
Wiring Diagram .....................................................142
Diagnostic Procedure ...........................................145
Ground Inspection ................................................150
DTC U1000, U1001 CAN COMMUNICATION LINE .151
Description ............................................................151
On Board Diagnosis Logic ....................................151
DTC Confirmation Procedure ...............................151
Wiring Diagram .....................................................152
Diagnostic Procedure ...........................................153
DTC U1010 CAN COMMUNICATION .....................154
Description ............................................................154
On Board Diagnosis Logic ....................................154
DTC Confirmation Procedure ...............................154
Diagnostic Procedure ...........................................155
DTC P0011, P0021 IVT CONTROL ........................156
Description ............................................................156
CONSULT-III Reference Value in Data Monitor
Mode .....................................................................156
On Board Diagnosis Logic ....................................157
DTC Confirmation Procedure ...............................157
Diagnostic Procedure ...........................................158
Component Inspection ..........................................159
Removal and Installation ......................................159
DTC P0014 P0024 EVT CONTROL ........................160
Description ............................................................160
CONSULT-III Reference Value in Data Monitor
Mode .....................................................................160
On Board Diagnosis Logic ....................................161
DTC Confirmation Procedure ...............................161
Diagnostic Procedure ...........................................162
Component Inspection ..........................................164
Removal and Installation ......................................164
DTC P0031, P0032, P0051, P0052 A/F SENSOR 1
HEATER ..................................................................165
Description ............................................................165
CONSULT-III Reference Value in Data Monitor
Mode .....................................................................165
On Board Diagnosis Logic ....................................165
DTC Confirmation Procedure ...............................165
Wiring Diagram .....................................................166
Diagnostic Procedure ...........................................170
Component Inspection ..........................................172
Removal and Installation ......................................172
DTC P0037, P0038, P0057, P0058 HO2S2 HEATER .173
Description ............................................................173
CONSULT-III Reference Value in Data Monitor
Mode .....................................................................173
On Board Diagnosis Logic ....................................173
DTC Confirmation Procedure ...............................174
Wiring Diagram .....................................................175
Diagnostic Procedure ...........................................179
Component Inspection ..........................................181
Removal and Installation ......................................182
DTC P0075, P0081 IVT CONTROL SOLENOID
VALVE .....................................................................183Component Description ........................................183
CONSULT-III Reference Value in Data Monitor
Mode .....................................................................183
On Board Diagnosis Logic ....................................183
DTC Confirmation Procedure ................................183
Wiring Diagram .....................................................184
Diagnostic Procedure ............................................188
Component Inspection ..........................................189
Removal and Installation .......................................189
DTC P0078 P0084 EVT CONTROL MAGNET
RETARDER .............................................................190
Component Description ........................................190
CONSULT-III Reference Value in Data Monitor
Mode .....................................................................190
On Board Diagnosis Logic ....................................190
DTC Confirmation Procedure ................................190
Wiring Diagram .....................................................191
Diagnostic Procedure ............................................195
Component Inspection ..........................................196
Removal and Installation .......................................196
DTC P0101, P010B MAF SENSOR ........................197
Component Description ........................................197
CONSULT-III Reference Value in Data Monitor
Mode .....................................................................197
On Board Diagnosis Logic ....................................197
DTC Confirmation Procedure ................................198
Overall Function Check .........................................198
Wiring Diagram .....................................................200
Diagnostic Procedure ............................................203
Component Inspection ..........................................206
Removal and Installation .......................................207
DTC P0102, P0103, P010C, P010D MAF SENSOR .208
Component Description ........................................208
CONSULT-III Reference Value in Data Monitor
Mode .....................................................................208
On Board Diagnosis Logic ....................................208
DTC Confirmation Procedure ................................209
Wiring Diagram .....................................................210
Diagnostic Procedure ............................................213
Component Inspection ..........................................216
Removal and Installation .......................................217
DTC P0112, P0113 IAT SENSOR ............................218
Component Description ........................................218
On Board Diagnosis Logic ....................................218
DTC Confirmation Procedure ................................218
Wiring Diagram .....................................................219
Diagnostic Procedure ............................................220
Component Inspection ..........................................222
Removal and Installation .......................................222
DTC P0117, P0118 ECT SENSOR ..........................223
Component Description ........................................223
On Board Diagnosis Logic ....................................223
DTC Confirmation Procedure ................................224
Wiring Diagram .....................................................225
Diagnostic Procedure ............................................226
Component Inspection ..........................................228
Removal and Installation .......................................228
DTC P0122, P0123, P0227, P0228 TP SENSOR ...229
Component Description ........................................229
Page 3 of 720

EC-3
C
D
E
F
G
H
I
J
K
L
M
ECA
Revision: 2006 November2007 350Z CONSULT-III Reference Value in Data Monitor
Mode .................................................................... 229
On Board Diagnosis Logic ................................... 229
DTC Confirmation Procedure ............................... 230
Wiring Diagram .................................................... 231
Diagnostic Procedure ........................................... 235
Component Inspection ......................................... 237
Removal and Installation ...................................... 238
DTC P0125 ECT SENSOR ..................................... 239
Component Description ........................................ 239
On Board Diagnosis Logic ................................... 239
DTC Confirmation Procedure ............................... 240
Diagnostic Procedure ........................................... 241
Component Inspection ......................................... 242
Removal and Installation ...................................... 242
DTC P0127 IAT SENSOR ....................................... 243
Component Description ........................................ 243
On Board Diagnosis Logic ................................... 243
DTC Confirmation Procedure ............................... 243
Diagnostic Procedure ........................................... 244
Component Inspection ......................................... 245
Removal and Installation ...................................... 245
DTC P0128 THERMOSTAT FUNCTION ................ 246
On Board Diagnosis Logic ................................... 246
DTC Confirmation Procedure ............................... 246
Diagnostic Procedure ........................................... 246
Component Inspection ......................................... 247
Removal and Installation ...................................... 247
DTC P0130, P0150 A/F SENSOR 1 ....................... 248
Component Description ........................................ 248
CONSULT-III Reference Value in Data Monitor
Mode .................................................................... 248
On Board Diagnosis Logic ................................... 248
DTC Confirmation Procedure ............................... 248
Overall Function Check ........................................ 249
Wiring Diagram .................................................... 250
Diagnostic Procedure ........................................... 254
Removal and Installation ...................................... 256
DTC P0131, P0151 A/F SENSOR 1 ....................... 257
Component Description ........................................ 257
CONSULT-III Reference Value in Data Monitor
Mode .................................................................... 257
On Board Diagnosis Logic ................................... 257
DTC Confirmation Procedure ............................... 258
Wiring Diagram .................................................... 259
Diagnostic Procedure ........................................... 263
Removal and Installation ...................................... 265
DTC P0132, P0152 A/F SENSOR 1 ....................... 266
Component Description ........................................ 266
CONSULT-III Reference Value in Data Monitor
Mode .................................................................... 266
On Board Diagnosis Logic ................................... 266
DTC Confirmation Procedure ............................... 267
Wiring Diagram .................................................... 268
Diagnostic Procedure ........................................... 272
Removal and Installation ...................................... 274
DTC P0133, P0153 A/F SENSOR 1 ....................... 275
Component Description ........................................ 275
CONSULT-III Reference Value in Data Monitor Mode .....................................................................275
On Board Diagnosis Logic ....................................275
DTC Confirmation Procedure ...............................276
Wiring Diagram .....................................................277
Diagnostic Procedure ...........................................281
Removal and Installation ......................................286
DTC P0137, P0157 HO2S2 .....................................287
Component Description ........................................287
CONSULT-III Reference Value in Data Monitor
Mode .....................................................................287
On Board Diagnosis Logic ....................................287
DTC Confirmation Procedure ...............................288
Overall Function Check ........................................288
Wiring Diagram .....................................................289
Diagnostic Procedure ...........................................293
Component Inspection ..........................................296
Removal and Installation ......................................297
DTC P0138, P0158 HO2S2 .....................................298
Component Description ........................................298
CONSULT-III Reference Value in Data Monitor
Mode .....................................................................298
On Board Diagnosis Logic ....................................298
DTC Confirmation Procedure ...............................299
Overall Function Check ........................................300
Wiring Diagram .....................................................301
Diagnostic Procedure ...........................................305
Component Inspection ..........................................311
Removal and Installation ......................................312
DTC P0139, P0159 HO2S2 .....................................313
Component Description ........................................313
CONSULT-III Reference Value in Data Monitor
Mode .....................................................................313
On Board Diagnosis Logic ....................................313
DTC Confirmation Procedure ...............................314
Overall Function Check ........................................314
Wiring Diagram .....................................................315
Diagnostic Procedure ...........................................319
Component Inspection ..........................................322
Removal and Installation ......................................323
DTC P0171, P0174 FUEL INJECTION SYSTEM
FUNCTION ..............................................................324
On Board Diagnosis Logic ....................................324
DTC Confirmation Procedure ...............................324
Wiring Diagram .....................................................326
Diagnostic Procedure ...........................................330
DTC P0172, P0175 FUEL INJECTION SYSTEM
FUNCTION ..............................................................334
On Board Diagnosis Logic ....................................334
DTC Confirmation Procedure ...............................334
Wiring Diagram .....................................................336
Diagnostic Procedure ...........................................340
DTC P0181 FTT SENSOR ......................................344
Component Description ........................................344
On Board Diagnosis Logic ....................................344
DTC Confirmation Procedure ...............................344
Wiring Diagram .....................................................345
Diagnostic Procedure ...........................................346
Component Inspection ..........................................347
Removal and Installation ......................................347
Page 4 of 720

EC-4Revision: 2006 November2007 350Z DTC P0182, P0183 FTT SENSOR ..........................348
Component Description ........................................348
On Board Diagnosis Logic ....................................348
DTC Confirmation Procedure ...............................348
Wiring Diagram .....................................................349
Diagnostic Procedure ...........................................350
Component Inspection ..........................................351
Removal and Installation ......................................351
DTC P0196 EOT SENSOR .....................................352
Component Description ........................................352
On Board Diagnosis Logic ....................................352
DTC Confirmation Procedure ...............................353
Diagnostic Procedure ...........................................354
Component Inspection ..........................................355
Removal and Installation ......................................355
DTC P0197, P0198 EOT SENSOR .........................356
Component Description ........................................356
On Board Diagnosis Logic ....................................356
DTC Confirmation Procedure ...............................356
Wiring Diagram .....................................................357
Diagnostic Procedure ...........................................358
Component Inspection ..........................................360
Removal and Installation ......................................360
DTC P0222, P0223, P2132, P2133 TP SENSOR ...361
Component Description ........................................361
CONSULT-III Reference Value in Data Monitor
Mode .....................................................................361
On Board Diagnosis Logic ....................................361
DTC Confirmation Procedure ...............................362
Wiring Diagram .....................................................363
Diagnostic Procedure ...........................................367
Component Inspection ..........................................369
Removal and Installation ......................................370
DTC P0300 - P0306 MULTIPLE CYLINDER MIS-
FIRE, NO. 1 - 6 CYLINDER MISFIRE .....................371
On Board Diagnosis Logic ....................................371
DTC Confirmation Procedure ...............................372
Diagnostic Procedure ...........................................372
DTC P0327, P0328, P0332, P0333 KS ...................379
Component Description ........................................379
On Board Diagnosis Logic ....................................379
DTC Confirmation Procedure ...............................379
Wiring Diagram .....................................................380
Diagnostic Procedure ...........................................383
Component Inspection ..........................................385
Removal and Installation ......................................385
DTC P0335 CKP SENSOR (POS) ..........................386
Component Description ........................................386
CONSULT-III Reference Value in Data Monitor
Mode .....................................................................386
On Board Diagnosis Logic ....................................386
DTC Confirmation Procedure ...............................387
Wiring Diagram .....................................................388
Diagnostic Procedure ...........................................390
Component Inspection ..........................................393
Removal and Installation ......................................393
DTC P0340, P0345 CMP SENSOR (PHASE) .........394
Component Description ........................................394
CONSULT-III Reference Value in Data Monitor Mode .....................................................................394
On Board Diagnosis Logic ....................................394
DTC Confirmation Procedure ................................396
Wiring Diagram .....................................................397
Diagnostic Procedure ............................................400
Component Inspection ..........................................405
Removal and Installation .......................................405
DTC P0420, P0430 THREE WAY CATALYST FUNC-
TION ........................................................................406
On Board Diagnosis Logic ....................................406
DTC Confirmation Procedure ................................406
Overall Function Check .........................................407
Diagnostic Procedure ............................................407
DTC P0441 EVAP CONTROL SYSTEM .................411
System Description ...............................................411
On Board Diagnosis Logic ....................................411
DTC Confirmation Procedure ................................411
Overall Function Check .........................................412
Diagnostic Procedure ............................................413
DTC P0442 EVAP CONTROL SYSTEM .................416
On Board Diagnosis Logic ....................................416
DTC Confirmation Procedure ................................417
Diagnostic Procedure ............................................418
DTC P0443 EVAP CANISTER PURGE VOLUME
CONTROL SOLENOID VALVE ...............................423
Description ............................................................423
CONSULT-III Reference Value in Data Monitor
Mode .....................................................................423
On Board Diagnosis Logic ....................................424
DTC Confirmation Procedure ................................424
Wiring Diagram .....................................................425
Diagnostic Procedure ............................................427
Component Inspection ..........................................430
Removal and Installation .......................................430
DTC P0444, P0445 EVAP CANISTER PURGE VOL-
UME CONTROL SOLENOID VALVE ......................431
Description ............................................................431
CONSULT-III Reference Value in Data Monitor
Mode .....................................................................431
On Board Diagnosis Logic ....................................432
DTC Confirmation Procedure ................................432
Wiring Diagram .....................................................433
Diagnostic Procedure ............................................435
Component Inspection ..........................................436
Removal and Installation .......................................436
DTC P0447 EVAP CANISTER VENT CONTROL
VALVE ......................................................................437
Component Description ........................................437
CONSULT-III Reference Value in Data Monitor
Mode .....................................................................437
On Board Diagnosis Logic ....................................437
DTC Confirmation Procedure ................................438
Wiring Diagram .....................................................439
Diagnostic Procedure ............................................440
Component Inspection ..........................................442
DTC P0448 EVAP CANISTER VENT CONTROL
VALVE ......................................................................444
Component Description ........................................444
CONSULT-III Reference Value in Data Monitor
Page 5 of 720

EC-5
C
D
E
F
G
H
I
J
K
L
M
ECA
Revision: 2006 November2007 350Z Mode .................................................................... 444
On Board Diagnosis Logic ................................... 444
DTC Confirmation Procedure ............................... 445
Wiring Diagram .................................................... 446
Diagnostic Procedure ........................................... 447
Component Inspection ......................................... 449
DTC P0451 EVAP CONTROL SYSTEM PRESSURE
SENSOR ................................................................. 450
Component Description ........................................ 450
CONSULT-III Reference Value in Data Monitor
Mode .................................................................... 450
On Board Diagnosis Logic ................................... 450
DTC Confirmation Procedure ............................... 451
Diagnostic Procedure ........................................... 452
Component Inspection ......................................... 455
DTC P0452 EVAP CONTROL SYSTEM PRESSURE
SENSOR ................................................................. 456
Component Description ........................................ 456
CONSULT-III Reference Value in Data Monitor
Mode .................................................................... 456
On Board Diagnosis Logic ................................... 456
DTC Confirmation Procedure ............................... 457
Wiring Diagram .................................................... 458
Diagnostic Procedure ........................................... 460
Component Inspection ......................................... 464
DTC P0453 EVAP CONTROL SYSTEM PRESSURE
SENSOR ................................................................. 465
Component Description ........................................ 465
CONSULT-III Reference Value in Data Monitor
Mode .................................................................... 465
On Board Diagnosis Logic ................................... 466
DTC Confirmation Procedure ............................... 466
Wiring Diagram .................................................... 467
Diagnostic Procedure ........................................... 469
Component Inspection ......................................... 474
DTC P0455 EVAP CONTROL SYSTEM ................ 475
On Board Diagnosis Logic ................................... 475
DTC Confirmation Procedure ............................... 476
Diagnostic Procedure ........................................... 477
DTC P0456 EVAP CONTROL SYSTEM ................ 482
On Board Diagnosis Logic ................................... 482
DTC Confirmation Procedure ............................... 483
Overall Function Check ........................................ 483
Diagnostic Procedure ........................................... 484
DTC P0460 FUEL LEVEL SENSOR ...................... 490
Component Description ........................................ 490
On Board Diagnosis Logic ................................... 490
DTC Confirmation Procedure ............................... 490
Diagnostic Procedure ........................................... 490
Removal and Installation ...................................... 491
DTC P0461 FUEL LEVEL SENSOR ...................... 492
Component Description ........................................ 492
On Board Diagnosis Logic ................................... 492
Overall Function Check ........................................ 492
Diagnostic Procedure ........................................... 493
Removal and Installation ...................................... 493
DTC P0462, P0463 FUEL LEVEL SENSOR .......... 494
Component Description ........................................ 494
On Board Diagnosis Logic ................................... 494DTC Confirmation Procedure ...............................494
Diagnostic Procedure ...........................................494
Removal and Installation ......................................495
DTC P0500 VSS ......................................................496
Description ............................................................496
On Board Diagnosis Logic ....................................496
DTC Confirmation Procedure ...............................496
Overall Function Check ........................................497
Diagnostic Procedure ...........................................497
DTC P0506 ISC SYSTEM .......................................498
Description ............................................................498
On Board Diagnosis Logic ....................................498
DTC Confirmation Procedure ...............................498
Diagnostic Procedure ...........................................498
DTC P0507 ISC SYSTEM .......................................500
Description ............................................................500
On Board Diagnosis Logic ....................................500
DTC Confirmation Procedure ...............................500
Diagnostic Procedure ...........................................500
DTC P0550 PSP SENSOR .....................................502
Component Description ........................................502
CONSULT-III Reference Value in Data Monitor
Mode .....................................................................502
On Board Diagnosis Logic ....................................502
DTC Confirmation Procedure ...............................502
Wiring Diagram .....................................................503
Diagnostic Procedure ...........................................505
Component Inspection ..........................................507
Removal and Installation ......................................507
DTC P0603 ECM POWER SUPPLY .......................508
Component Description ........................................508
On Board Diagnosis Logic ....................................508
DTC Confirmation Procedure ...............................508
Wiring Diagram .....................................................509
Diagnostic Procedure ...........................................510
DTC P0605 ECM .....................................................512
Component Description ........................................512
On Board Diagnosis Logic ....................................512
DTC Confirmation Procedure ...............................512
Diagnostic Procedure ...........................................513
DTC P0643 SENSOR POWER SUPPLY ................514
On Board Diagnosis Logic ....................................514
DTC Confirmation Procedure ...............................514
Wiring Diagram .....................................................515
Diagnostic Procedure ...........................................517
DTC P0850 PNP SWITCH ......................................520
Component Description ........................................520
CONSULT-III Reference Value in Data Monitor
Mode .....................................................................520
On Board Diagnosis Logic ....................................520
DTC Confirmation Procedure ...............................520
Overall Function Check ........................................520
Wiring Diagram .....................................................522
Diagnostic Procedure ...........................................525
DTC P1078 P1084 EVT CONTROL POSITION SEN-
SOR .........................................................................528
Component Description ........................................528
CONSULT-III Reference Value in Data Monitor
Mode .....................................................................528
Page 6 of 720

EC-6Revision: 2006 November2007 350Z On Board Diagnosis Logic ....................................528
DTC Confirmation Procedure ...............................529
Wiring Diagram .....................................................530
Diagnostic Procedure ...........................................534
Component Inspection ..........................................539
Removal and Installation ......................................539
DTC P1148, P1168 CLOSED LOOP CONTROL ....540
On Board Diagnosis Logic ....................................540
DTC P1211 TCS CONTROL UNIT ..........................541
Description ............................................................541
On Board Diagnosis Logic ....................................541
DTC Confirmation Procedure ...............................541
Diagnostic Procedure ...........................................541
DTC P1212 TCS COMMUNICATION LINE ............542
Description ............................................................542
On Board Diagnosis Logic ....................................542
DTC Confirmation Procedure ...............................542
Diagnostic Procedure ...........................................542
DTC P1217 ENGINE OVER TEMPERATURE ........543
Description ............................................................543
CONSULT-III Reference Value in Data Monitor
Mode .....................................................................544
On Board Diagnosis Logic ....................................544
Overall Function Check ........................................545
Wiring Diagram .....................................................547
Diagnostic Procedure ...........................................549
Main 12 Causes of Overheating ...........................555
Component Inspection ..........................................556
DTC P1225, P1234 TP SENSOR ............................557
Component Description ........................................557
On Board Diagnosis Logic ....................................557
DTC Confirmation Procedure ...............................557
Diagnostic Procedure ...........................................558
Removal and Installation ......................................558
DTC P1226, P1235 TP SENSOR ............................559
Component Description ........................................559
On Board Diagnosis Logic ....................................559
DTC Confirmation Procedure ...............................559
Diagnostic Procedure ...........................................560
Removal and Installation ......................................560
DTC P1233, P2101 ELECTRIC THROTTLE CON-
TROL FUNCTION ...................................................561
Description ............................................................561
On Board Diagnosis Logic ....................................561
DTC Confirmation Procedure ...............................561
Wiring Diagram .....................................................562
Diagnostic Procedure ...........................................566
Component Inspection ..........................................570
Removal and Installation ......................................570
DTC P1236, P2118 THROTTLE CONTROL MOTOR .571
Component Description ........................................571
On Board Diagnosis Logic ....................................571
DTC Confirmation Procedure ...............................571
Wiring Diagram .....................................................572
Diagnostic Procedure ...........................................576
Component Inspection ..........................................579
Removal and Installation ......................................579
DTC P1238, P2119 ELECTRIC THROTTLE CON-
TROL ACTUATOR ..................................................580Component Description ........................................580
On Board Diagnosis Logic ....................................580
DTC Confirmation Procedure ................................580
Diagnostic Procedure ............................................581
DTC P1239, P2135 TP SENSOR ............................582
Component Description ........................................582
CONSULT-III Reference Value in Data Monitor
Mode .....................................................................582
On Board Diagnosis Logic ....................................582
DTC Confirmation Procedure ................................583
Wiring Diagram .....................................................584
Diagnostic Procedure ............................................588
Component Inspection ..........................................590
Removal and Installation .......................................591
DTC P1290, P2100, P2103 THROTTLE CONTROL
MOTOR RELAY .......................................................592
Component Description ........................................592
CONSULT-III Reference Value in Data Monitor
Mode .....................................................................592
On Board Diagnosis Logic ....................................592
DTC Confirmation Procedure ................................592
Wiring Diagram .....................................................594
Diagnostic Procedure ............................................597
DTC P1421 COLD START CONTROL ....................600
Description ............................................................600
On Board Diagnosis Logic ....................................600
DTC Confirmation Procedure ................................600
Diagnostic Procedure ............................................600
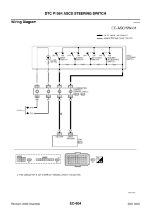
DTC P1564 ASCD STEERING SWITCH ................602
Component Description ........................................602
CONSULT-III Reference Value in Data Monitor
Mode .....................................................................602
On Board Diagnosis Logic ....................................602
DTC Confirmation Procedure ................................603
Wiring Diagram .....................................................604
Diagnostic Procedure ............................................606
Component Inspection ..........................................609
DTC P1572 ASCD BRAKE SWITCH ......................610
Component Description ........................................610
CONSULT-III Reference Value in Data Monitor
Mode .....................................................................610
On Board Diagnosis Logic ....................................610
DTC Confirmation Procedure ................................611
Wiring Diagram .....................................................612
Diagnostic Procedure ............................................615
Component Inspection ..........................................624
DTC P1574 ASCD VEHICLE SPEED SENSOR .....625
Component Description ........................................625
On Board Diagnosis Logic ....................................625
DTC Confirmation Procedure ................................625
Diagnostic Procedure ............................................626
DTC P1715 INPUT SPEED SENSOR (TURBINE
REVOLUTION SENSOR) ........................................627
Description ............................................................627
CONSULT-III Reference Value in Data Monitor
Mode .....................................................................627
On Board Diagnosis Logic ....................................627
Diagnostic Procedure ............................................627
DTC P1805 BRAKE SWITCH .................................628
Page 7 of 720

EC-7
C
D
E
F
G
H
I
J
K
L
M
ECA
Revision: 2006 November2007 350Z Description ........................................................... 628
CONSULT-III Reference Value in Data Monitor
Mode .................................................................... 628
On Board Diagnosis Logic ................................... 628
DTC Confirmation Procedure ............................... 628
Wiring Diagram .................................................... 629
Diagnostic Procedure ........................................... 630
Component Inspection ......................................... 632
DTC P2122, P2123 APP SENSOR ........................ 633
Component Description ........................................ 633
CONSULT-III Reference Value in Data Monitor
Mode .................................................................... 633
On Board Diagnosis Logic ................................... 633
DTC Confirmation Procedure ............................... 634
Wiring Diagram .................................................... 635
Diagnostic Procedure ........................................... 637
Component Inspection ......................................... 640
Removal and Installation ...................................... 640
DTC P2127, P2128 APP SENSOR ........................ 641
Component Description ........................................ 641
CONSULT-III Reference Value in Data Monitor
Mode .................................................................... 641
On Board Diagnosis Logic ................................... 641
DTC Confirmation Procedure ............................... 642
Wiring Diagram .................................................... 643
Diagnostic Procedure ........................................... 645
Component Inspection ......................................... 648
Removal and Installation ...................................... 649
DTC P2138 APP SENSOR ..................................... 650
Component Description ........................................ 650
CONSULT-III Reference Value in Data Monitor
Mode .................................................................... 650
On Board Diagnosis Logic ................................... 650
DTC Confirmation Procedure ............................... 651
Wiring Diagram .................................................... 652
Diagnostic Procedure ........................................... 654
Component Inspection ......................................... 658
Removal and Installation ...................................... 658
DTC P2A00, P2A03 A/F SENSOR 1 ...................... 659
Component Description ........................................ 659
CONSULT-III Reference Value in Data Monitor
Mode .................................................................... 659
On Board Diagnosis Logic ................................... 659
DTC Confirmation Procedure ............................... 660
Wiring Diagram .................................................... 661
Diagnostic Procedure ........................................... 665
Removal and Installation ...................................... 670
ASCD BRAKE SWITCH ......................................... 671
Component Description ........................................ 671
CONSULT-III Reference Value in Data Monitor
Mode .................................................................... 671
Wiring Diagram .................................................... 672
Diagnostic Procedure ........................................... 675
Component Inspection ......................................... 680ASCD INDICATOR ..................................................681
Component Description ........................................681
CONSULT-III Reference Value in Data Monitor
Mode .....................................................................681
Wiring Diagram .....................................................682
Diagnostic Procedure ...........................................683
ELECTRICAL LOAD SIGNAL ................................684
Description ............................................................684
CONSULT-III Reference Value in Data Monitor
Mode .....................................................................684
Diagnostic Procedure ...........................................684
FUEL INJECTOR ....................................................686
Component Description ........................................686
CONSULT-III Reference Value in Data Monitor
Mode .....................................................................686
Wiring Diagram .....................................................687
Diagnostic Procedure ...........................................688
Component Inspection ..........................................690
Removal and Installation ......................................690
FUEL PUMP ............................................................691
Description ............................................................691
CONSULT-III Reference Value in Data Monitor
Mode .....................................................................691
Wiring Diagram .....................................................692
Diagnostic Procedure ...........................................693
Component Inspection ..........................................697
Removal and Installation ......................................697
IGNITION SIGNAL ..................................................698
Component Description ........................................698
Wiring Diagram .....................................................699
Diagnostic Procedure ...........................................704
Component Inspection ..........................................708
Removal and Installation ......................................709
REFRIGERANT PRESSURE SENSOR ..................710
Component Description ........................................710
Wiring Diagram .....................................................711
Diagnostic Procedure ...........................................712
Removal and Installation ......................................715
MIL AND DATA LINK CONNECTOR ......................716
Wiring Diagram .....................................................716
SERVICE DATA AND SPECIFICATIONS (SDS) ....718
Fuel Pressure .......................................................718
Idle Speed and Ignition Timing .............................718
Calculated Load Value ..........................................718
Mass Air Flow Sensor ...........................................718
Intake Air Temperature Sensor .............................718
Engine Coolant Temperature Sensor ...................718
Air Fuel Ratio (A/F) Sensor 1 Heater ....................718
Heated Oxygen sensor 2 Heater ..........................718
Crankshaft Position Sensor (POS) .......................718
Camshaft Position Sensor (PHASE) ....................718
Throttle Control Motor ...........................................719
Fuel Injector ..........................................................719
Fuel Pump ............................................................719
Page 8 of 720

EC-8
INDEX FOR DTC
Revision: 2006 November2007 350Z
INDEX FOR DTCPFP:00024
DTC No. IndexNBS00027
NOTE:
If DTC U1000 or U1001 is displayed with other DTC, first perform the trouble diagnosis for DTC
U1000, U1001. Refer to EC-151, "
DTC U1000, U1001 CAN COMMUNICATION LINE" .
If DTC U1010 is displayed with other DTC, first perform the trouble diagnosis for DTC U1010.
Refer to EC-154, "
DTC U1010 CAN COMMUNICATION" .
DTC*1
Items
(CONSULT-III screen terms)Reference page
CONSULT-III
GST*
2ECM*3
U1000
1000*4CAN COMM CIRCUITEC-151
U1001
1001*4CAN COMM CIRCUITEC-151
U1010 1010 CONTROL UNIT(CAN)EC-154
P0000 0000NO DTC IS DETECTED.
FURTHER TESTING
MAY BE REQUIRED.—
P0011 0011 INT/V TIM CONT-B1EC-156
P0014 0014 EXH/V TIM CONT-B1EC-160
P0021 0021 INT/V TIM CONT-B2EC-156
P0024 0024 EXH/V TIM CONT-B2EC-160
P0031 0031 A/F SEN1 HTR (B1)EC-165
P0032 0032 A/F SEN1 HTR (B1)EC-165
P0037 0037 HO2S2 HTR (B1)EC-173
P0038 0038 HO2S2 HTR (B1)EC-173
P0051 0051 A/F SEN1 HTR (B2)EC-165
P0052 0052 A/F SEN1 HTR (B2)EC-165
P0057 0057 HO2S2 HTR (B2)EC-173
P0058 0058 HO2S2 HTR (B2)EC-173
P0075 0075 INT/V TIM V/CIR-B1EC-183
P0078 0078 EX V/T MGT/RTDR-B1EC-190
P0081 0081 INT/V TIM V/CIR-B2EC-183
P0084 0084 EX V/T MGT/RTDR-B2EC-190
P0101 0101 MAF SEN/CIRCUIT-B1EC-197
P0102 0102 MAF SEN/CIRCUIT-B1EC-208
P0103 0103 MAF SEN/CIRCUIT-B1EC-208
P010B 010B MAF SEN/CIRCUIT-B2EC-197
P010C 010C MAF SEN/CIRCUIT-B2EC-208
P010D 010D MAF SEN/CIRCUIT-B2EC-208
P0112 0112 IAT SEN/CIRCUIT-B1EC-218
P0113 0113 IAT SEN/CIRCUIT-B1EC-218
P0117 0117 ECT SEN/CIRCEC-223
P0118 0118 ECT SEN/CIRCEC-223
P0122 0122 TP SEN 2/CIRC-B1EC-229
P0123 0123 TP SEN 2/CIRC-B1EC-229
P0125 0125 ECT SENSOREC-239
P0127 0127 IAT SENSOR-B1EC-243