Page 2357 of 2453

WI-73
Occupant Detection System
WIRING SYSTEM
13.Occupant Detection System
A: WIRING DIAGRAM
WI-08079
ODS-01ODS-01BrWGOr
FB-47F/B FUSE NO. 25(IG)
FB-36F/B FUSE NO. 5(IG)
TO POWER SUPPLY CIRCUIT
18
AIRBAG CONTROL MODULE
AB6
BELTTENSIONSENSOR
AB18
WARNING BOX(PASSENGER SIDE)
i116
1
AB6
1234567891011121314161715
1819202122232425262728
BrW
GW
3
YG
65
PASSENGER SIDEAIRBAG WARNINGLIGNT (ON)PASSENGER SIDEAIRBAG WARNINGLIGNT (OFF)
12
JOIINTCONNECTOR
i126
26
2
RLGW
GR
Lg
1
GY
BR
3
R
R
5
LW
W
6
LR
RB
4
LY
BW
BRLg
123123
WRBBW12RBGY
WBr
B31
AB1
56
YGGW
i2
B403AB61
AB59
AB56
AB60
AB58
PRESSURESENSOR
*
*
*:TERMINAL NO. OPTIONAL ARRANGEMENTAMONG 10, 11 AND 12
i116
12345678910
567821943
10
2422 23 25
11121314151617181920 21
B403AB18
12 345678910 11 12
13 14 15 16 17 1819 20
123456
AB61(GRAY)AB56(BROWN)
AB60
AB55(YELLOW) (YELLOW)
(YELLOW) (YELLOW)
(GREEN)
(YELLOW)123
2
GOr
R
AB55
AB57
12
AB58
132
(YELLOW)AB1
123456789101112123456789101112
i126(BLACK)
OCCUPANT DETECTON CONTROL MODULE
FRONT SEAT BELTSWITCH RH
Page 2359 of 2453
WI-75
Cruise Control System
WIRING SYSTEM
15.Cruise Control System
A: WIRING DIAGRAM
WI-08081
C/C-01C/C-01
B159F:
WLGY
WLGY
TO POWER SUPPLY CIRCUIT
FB-32F/B FUSE NO. 4(IG)
ECM
FB-3F/B FUSE NO. 8(B)
42
B65
BrW
BrW
BrR
3
Y
1
F9
F5
FUSE &RELAY BOX(F/B)B159F:
C/C-03A
BrR
B28
Y
B20
FB-38F/B FUSE NO. 12(IG)
GR
GR
B19B12B24
WL
B68
MAIN SW
CRUISE CONTROL SWITCH
CANCEL
SET/COAST
RES/ACC
WL1
4
BL5
(BROWN)B65B68F:
32187654
B159B122
B122
157628349
ST3
123
(BLACK)
Br
Gr
B
1
3
2
ST3ST1
ROLLCONNECTOR
STOPLIGHT &BRAKESWITCH
JOINTCONNECTOR
B135B:B136C:
LP
C6
BL
LP
1234
B: B135
5672134
29
101112131415252416
30
98171819202821222332312627333435
BL
BL
SB
*
**
: TERMINAL NO. OPTIONAL ARRANGEMENT*
C:B136
16101112131415252430
9871718192028212223293231
123456
2726333435
12345678
1
11
1
Page 2365 of 2453
WI-81
Charging System
WIRING SYSTEM
18.Charging System
A: WIRING DIAGRAM
WI-08087
CHG-01CHG-01
F37A:
GENERATOR
BR
3
WB
1
WR
2W
REF. TO POWER SUPPLYCIRCUIT [P-SUP-02]
F26
i10A:
i11B:
COMBINATIONMETER
B9
BW
WB
B11
A7
B228
REF. TO ENGINGEELECTRICAL SYSTEM[E/G-01]
OP CONNECTOR
MAIN FUSE BOX(M/B)
13
F37
B143
A:
B:
F26
123
B228
131415
123456789101112
CHARGEWARNINGLIGHT
1234 5678910 11 12 13 14 15 16 17 18 19 20
B143B:
12345678910 11 12 13 14 15 16 17 18 19 20
L
L
i1
B40321
L
BW
TO POWER SUPPLY CIRCUIT
FB-36 F/B FUSE NO. 5 (IG)
123456789101112
i127(BLACK)
i126(BLACK)
i10
19 20 2115 16 17 18222324252627282930123456 8910 11 12 13 147
A:
BrW
A3A4
BrW
BrW
JOINT CONNECTOR
i126i127
1*
2*2*
i11
123 45678910 11 12 13 14
B:
567821943
10
2422 23 25
11121314151617181920 21
B403
: TERMINAL NO. OPTIONAL ARRANGEMENT AMONG 10, 11 AND 12
: TERMINAL NO. OPTIONAL ARRANGEMENT AMONG 7, 8 AND 9
1*
2*
Page 2375 of 2453

WI-91
Stop Light System
WIRING SYSTEM
26.Stop Light System
A: WIRING DIAGRAM
WI-08097
S/L-01S/L-01
FB-3F/B FUSE NO. 8(B)
TO POWER SUPPLY CIRCUIT
FB-32F/B FUSE NO. 4(IG)
ECMWL
Br10Br
D35R39
B
R28
R26
REF. TO GROUNDCIRCUIT [GND-04-06]
BrW
B135
FUSE & RELAYBOX (F/B)
F9F5
GY
STOP LIGHT SWITCH
WL2
GY4
Y1
BrW3
B65
B15BrRBr18BrR
C23BrR
B28
B20
BrR
Y
B281
B310
REARCOMBINATIONLGINTRH
R26
2
Br
3
REARCOMBINATIONLGINTLH
R28
2
Br
3
HIGH-MOUNTEDSTOPLIGHT
D39
1
Br
2
B
REF. TO GROUNDCIRCUIT [GND-06]
B
REF. TO GROUNDCIRCUIT [GND-06]
B
REF. TO GROUNDCIRCUIT [GND-06]
BODY INTEGRATED UNIT
VDC CONTROL MODULE
B65
1234
B159
145976283
F:R168
1234 5678910 11 12 13 14 15 16 17 18 19 20
B:
R168B:
B159F:
(BLACK)
R79
TRAILER CONNECTOR
6B3Br
B:
C:
(BROWN)
Br
THROUGHJOINT CONNECTOR
R216
R216R246BrBrBr
Br
4321
R79
123456123456789101112
R216(BLACK)
R246(BLACK)
B310
1234
1516171819202122232425262728293031323334353637383940414245464344568910 11 12 13 147
B135B:
5672134
29
101112131415252416
30
98171819202821222332312627333435
10
79811
D35
15234678910
567821943102422 23 25111213141526 27 281617181920 21
B281C:
D39
12
Page 2376 of 2453

WI-92
Clearance Light and Illumination Light System
WIRING SYSTEM
27.Clearance Light and Illumination Light System
A: WIRING DIAGRAM
WI-08098
ILLUMI-01ILLUMI-01RW
ILLUMI-04D
ILLUMI-03E
ILLUMI-02C
ILLUMI-02B
ILLUMI-04A
TO POWER SUPPLY CIRCUIT
MB-31TAIL & ILLUMI-NATION RELAY
MB-32M/B FUSE NO. 15(B)
BW
MB-14TAIL & ILLUMI-NATION RELAY
R79
B228
OFFCOMBINATIONSWITCH(LIGHTING)
HCTC
1
2
EL
BW10
V4
WG
W
PARKINGLIGHTSWITCH
24
1
B69
ON
OFF
TBP
BW
14
Or
B
16
V
A11
NO. 16 10ANO. 14 15A
R
C21C20C4
V
B10
V
C5
BL
B12
BL
C17
i5A:
R168B:
B52C:
B71
B
ATINDICATORILLUMI. LIGHT
B116
5
V
12
BW
SPOTLIGHT
R56
OP CONNECTOR
FUSE &RELAYBOX(F/B)
TRAILERCONNECTOR
B52
3412 8910 1112 13 14 15 16 17 18 19 20 21 22 23 24567
B228
131415
123456789101112
i5
1234 567891011 1213 14 15 16 17 18 19 20
R168
1234 5678910 11 12 13 14 15 16 17 18 19 20
A:B:C:
i1B36
B68
ST1
ST1
B68
SATELLITESWITCHILLUMI. LIGHT
REF. TO GROUNDCIRCUIT [GND-02]
B
REF. TO GROUNDCIRCUIT [GND-06]
56782194310
242223 252726 28
11121314151617181920 21
B71
23456718910 11 12 13 14 15 16 17
B68
32187654
6B
5BL
R79
123456
THROUGHJOINT CONNECTOR
R246R216
107
ST24
ROLLCONNECTOR
ST23ROLLCONNECTOR
ST2
12345
2
Sb
V
R50
B90
11
V
22BWBW
8
BW
B90
R50
10
BW
BW
5
V
6
BW
R56
123456R246(BLACK)
R216(BLACK)
123456789101112
R50
B116
234510 111678912
B69
1234
(GRAY)
B36(BLUE)
Page 2380 of 2453

WI-96
Turn Signal and Hazard Light System
WIRING SYSTEM
28.Turn Signal and Hazard Light System
A: WIRING DIAGRAM
WI-08102
TURN-01TURN-01
i22i134
1234
B32
12345678123456789101112
i114
i113
1234567891011121314
i11B:B71
B403i5
1234 5678910 11 12 13 14 15 16 17 18 19 20
A: B52
3412 8910 1112 13 14 15 16 17 18 19 20 21 22 23 24567
C:
B
2
13
RY
C18
LY
C9
G
3
2
WBGB
FB-28F/B FUSE NO. 14(B)
FB-34F/B FUSE NO. 11(IG)
TO POWER SUPPLY CIRCUIT
B
7
RB
6
LB
53
Y
82
14
RHLH
i2
B403
Y
B12
BODY INTEGRATED UNIT
COMBI-NATIONSWITCH(LIGHT)
B280B:
RBLB
BW
31
RH
OFF
LH
2
B71
HAZARDSWITCH
i22
COMBINATIONMETER
i10A:
i11B:
i76D84
i5A:
C:B52
FUSE &RELAYBOX(F/B)
REMOTE CONTROL MIRROR LH
ON
OFF
TURN-02A
TURN-02B
TURN SIGNAL & HAZARD MODULEB32
LG
B2
1
D5
B
RG
D83
D84
567821943
10
2422 23 25
11121314151617181920 21
2
13
i101D83
RG
B
RG
B
RG
B
D15
B
RG
5467821931022 23111213141524 25 26 2716171828 29192021 30
B280B:
REF. TO GROUNDCIRCUIT [GND-01-02]REF. TO GROUNDCIRCUIT [GND-05]
23456718910 11 12 13 14 15 16 17
REMOTE CONTROL MIRROR RH
2
1
FB-1F/B FUSE NO. 1(B)
L
TURN-02C
16
G
Y
BY
REF. TO GROUNDCIRCUIT [GND-04]
B
RG
JOINTCONNECTOR
TURN SIGNALHAZARD RELAY(SOUND)
i114
i134
i1132*
3*
RG2*
RG
3*
RG
1*
LG
LG1*
1*
LG1*
LG
3BY
1LG
2RG
LGRG
B1A14
A18A12
LGRG
: TERMINAL NO. OPTIONAL ARRANGEMENT BETWEEN 9 AND 10
: TERMINAL NO. OPTIONAL ARRANGEMENT BETWEEN 7 AND 8
1*
2*
: TERMINAL NO. OPTIONAL ARRANGEMENT BETWEEN 11 AND 12
3*
D5
D15
87654321
(GRAY) (GREEN)
(GREEN)
(GRAY)
i10
19 20 2115 16 17 182223242526272829301234568910 11 12 13 147
A:
213
Page 2381 of 2453
WI-97
Turn Signal and Hazard Light System
WIRING SYSTEM
WI-08103
TURN-02TURN-02
B:
C:
B360
12345678910111213141516
R168R215
1234 5678910 11 12 13 14 15 16 17 18 19 20
F109
B52
3412 8910 1112 13 14 15 16 17 18 19 20 21 22 23 24567
BB
RG
4
B
3
LG
4
LL10
B
3
WR
1
B
5
F7
BG
1
B
5
BG
17
WR
16
RG
14
G
RG
13B360
F109
FUSE &RELAYBOX(F/B)
THROUGHJOINTCONNECTOR
FRONTTURNSIGNALLIGHT RH
F23
FRONTTURNSIGNALLIGHT LH
LGRG
C6
G
C10B20B3
R168
B52
B:
C:
TURN-01B
TURN-01A
R26
REARCOMBI-NATIONLIGHT RH
R28
R215R247
REARCOMBINATIONLIGHT LH
134562
R79
REF. TO GROUNDCIRCUIT [GND-06]
B
REF. TO GROUNDCIRCUIT [GND-06]REF. TO GROUNDCIRCUIT [GND-01]
(GRAY)(GRAY)
(GRAY)
R79
TRAILER CONNECTOR
6B1L4LG2RG
TURN-01C
RG
THROUGHJOINTCONNECTOR
R246
R216
RGRG
LGLG
LG
R26
R28
4321
F7
F23
34561278
213
211
123456789101112
R216(BLACK)
R246(BLACK)
: TERMINAL NO. OPTIONAL ARRANGEMENT BETWEEN 3 AND 4
: TERMINAL NO. OPTIONAL ARRANGEMENT BETWEEN 5 AND 6
1*
***
2*
12
10115634897131412
Page 2382 of 2453
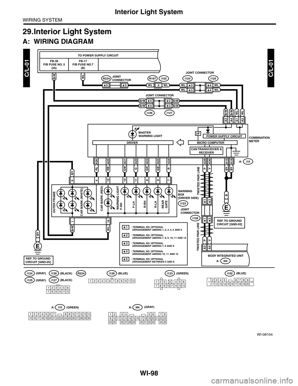
![SUBARU TRIBECA 2009 1.G Service Workshop Manual WI-98
Interior Light System
WIRING SYSTEM
29.Interior Light System
A: WIRING DIAGRAM
WI-08104
C/L-01C/L-01
A:
i102i123
i10A: i84
B
i10A:
BY
REF. TO GROUNDCIRCUIT [GND-05]
REF. TO GROUNDCIRCUIT [GND-03 SUBARU TRIBECA 2009 1.G Service Workshop Manual WI-98
Interior Light System
WIRING SYSTEM
29.Interior Light System
A: WIRING DIAGRAM
WI-08104
C/L-01C/L-01
A:
i102i123
i10A: i84
B
i10A:
BY
REF. TO GROUNDCIRCUIT [GND-05]
REF. TO GROUNDCIRCUIT [GND-03](/manual-img/17/7322/w960_7322-2381.png)
WI-98
Interior Light System
WIRING SYSTEM
29.Interior Light System
A: WIRING DIAGRAM
WI-08104
C/L-01C/L-01
A:
i102i123
i10A: i84
B
i10A:
BY
REF. TO GROUNDCIRCUIT [GND-05]
REF. TO GROUNDCIRCUIT [GND-03]
(BLUE)(GRAY)
(GRAY)
(GRAY)
WL
COMBINATIONMETER
POWER SUPPLY CIRCUIT
JOINTCONNECTOR
MICRO COMPUTER
BYBYRL
i124
i125
i126i128
i127
A2
WL
A1
BrW
A4
BrW
A3
A4A3
A26A15A16
R224(BLACK) (BLUE) (GREEN)
(GREEN)
(BLACK)
: TERMINAL NO. OPTIONAL ARRANGEMENT AMONG 1, 2, 3, 4, 5 AND 6
: TERMINAL NO. OPTIONAL ARRANGEMENT AMONG 7, 8, 9, 10, 11 AND 12
1*
2*
: TERMINAL NO. OPTIONAL ARRANGEMENT AMONG 7, 8 AND 9
: TERMINAL NO. OPTIONAL ARRANGEMENT AMONG 10, 11 AND 12
3*
4*
: TERMINAL NO. OPTIONAL ARRANGEMENT BETWEEN 5 AND 65*
BrWWL
TO POWER SUPPLY CIRCUIT
FB-36F/B FUSE NO. 5(IG)
FB-17F/B FUSE NO.7(B)
WLWLWLWLWL
BrWBrW
BrWBrW
WL555
R167R224i102
**
JOINT CONNECTOR
43
i124i125
**43**JOINT CONNECTOR
34
i126i127
**34**
JOINTCONNECTOR
WARNINGBOX(DRIVER SIDE)
MASTERWARNING LIGHT
1
1i128
i123
i84A:
**
2
2**
PV
PV
A29
G
A20
R
A24
RB
A25
114
GB
A22
GW
A21
GR
A23
4
BY
BrWWL
6117129108
A30
I/F
REARGATEWARNING LIGHTF-RHCAR MARK (RED)OUTER FRAME
R-RHR-LHF-LH
CAR MARK (WHITE)
CAN TRANSCEIVER &RECEIVER
TWISTED PAIR LINE
TWISTED PAIR LINE
BODY INTEGRATED UNIT
DRIVER
123456789101112
1234567891011121234567891011121314
2345 678911 12 13 14 17 18 19 201011516
1234567891011121314151617181920212223242526272829301234567891011121415161718192021222324252627282930313233343513