Page 1 of 172

LT-1
LIGHTING SYSTEM
K ELECTRICAL
CONTENTS
C
D
E
F
G
H
I
J
L
M
SECTION LT
A
B
LT
Revision: 2006 November2007 350Z
LIGHTING SYSTEM
PRECAUTIONS .......................................................... 4
Precautions for Supplemental Restraint System
(SRS) “AIR BAG” and “SEAT BELT PRE-TEN-
SIONER” .................................................................. 4
Precautions for Battery Service ................................ 4
General Precautions for Service Operations ............ 4
HEADLAMP (FOR USA) ............................................ 5
Component Parts and Harness Connector Location ..... 5
System Description .................................................. 5
OUTLINE ............................................................... 5
HEADLAMP OPERATION .................................... 6
COMBINATION SWITCH READING FUNCTION ..... 7
EXTERIOR LAMP BATTERY SAVER CONTROL ..... 7
REMOTE KEYLESS ENTRY SYSTEM OPERA-
TION ...................................................................... 7
VEHICLE SECURITY SYSTEM ............................ 7
XENON HEADLAMP ............................................. 7
CAN Communication System Description ................ 7
CAN Communication Unit ........................................ 7
Schematic ................................................................ 8
Wiring Diagram — H/LAMP — ................................. 9
Terminals and Reference Values for BCM ............. 13
Terminals and Reference Values for IPDM E/R ..... 15
How to Proceed With Trouble Diagnosis ................ 15
Preliminary Check .................................................. 15
CHECK POWER SUPPLY AND GROUND CIR-
CUIT .................................................................... 15
CONSULT-III Function (BCM) ................................ 17
WORK SUPPORT ............................................... 17
DATA MONITOR ................................................. 17
ACTIVE TEST ..................................................... 18
CONSULT-III Function (IPDM E/R) ........................ 18
DATA MONITOR ................................................. 18
ACTIVE TEST ..................................................... 18
Headlamp Does Not Change To High Beam (Both
Sides) ..................................................................... 19
Headlamp Does Not Change To High Beam (One
Side) ....................................................................... 21
High Beam Indicator Lamp Does Not Illuminate .... 22
Headlamp Low Beam Does Not Illuminate (Both Sides) ..................................................................... 22
Headlamp Low Beam Does Not Illuminate (One
Side) ....................................................................... 24
Headlamps Does Not Turn OFF ............................. 26
General Information for Xenon Headlamp Trouble
Diagnosis ................................................................ 26
Caution: .................................................................. 26
Xenon Headlamp Trouble Diagnosis ...................... 27
Aiming Adjustment .................................................. 27
PREPARATION BEFORE ADJUSTING .............. 27
LOW BEAM AND HIGH BEAM ........................... 28
ADJUSTMENT USING AN ADJUSTMENT
SCREEN (LIGHT/DARK BORDERLINE) ............ 28
Bulb Replacement .................................................. 28
HEADLAMP HIGH/LOW BEAM .......................... 28
PARKING LAMP .................................................. 29
FRONT TURN SIGNAL LAMP ............................ 29
FRONT SIDE MARKER LAMP ........................... 29
Removal and Installation ........................................ 29
REMOVAL ........................................................... 29
INSTALLATION ................................................... 29
Disassembly and Assembly .................................... 30
DISASSEMBLY ................................................... 30
ASSEMBLY ......................................................... 31
Servicing to Replace Headlamps When Damaged ... 31
INSTALLATION OF HEADLAMP BRACKET ....... 31
HEADLAMP (FOR CANADA) - DAYTIME LIGHT
SYSTEM - .................................................................. 32
Component Parts and Harness Connector Location ... 32
System Description ................................................. 32
OUTLINE ............................................................. 32
HEADLAMP OPERATION ................................... 33
DAYTIME LIGHT OPERATION ........................... 34
OPERATION ........................................................ 35
COMBINATION SWITCH READING FUNCTION ... 35
EXTERIOR LAMP BATTERY SAVER CONTROL ... 35
INTERLOCKED OPERATION WITH REMOTE
KEYLESS ENTRY SYSTEM ............................... 35
INTERLOCKED OPERATION WITH VEHICLE
SECURITY SYSTEM .......................................... 35
Page 2 of 172

LT-2Revision: 2006 November2007 350Z XENON HEADLAMP ........................................... 35
CAN Communication System Description .............. 36
CAN Communication Unit ....................................... 36
Schematic ............................................................... 37
Wiring Diagram — DTRL — ................................... 38
Terminals and Reference Values for BCM .............. 45
Terminals and Reference Values for IPDM E/R ...... 47
How to Proceed With Trouble Diagnosis ................ 47
Preliminary Check .................................................. 47
CHECK POWER SUPPLY AND GROUND CIR-
CUIT .................................................................... 47
CONSULT-III Function (BCM) ................................. 49
WORK SUPPORT ............................................... 49
DATA MONITOR .................................................. 49
ACTIVE TEST ..................................................... 50
CONSULT-III Function (IPDM E/R) ......................... 50
DATA MONITOR .................................................. 50
ACTIVE TEST ..................................................... 50
Daytime Light Control Does Not Operate ............... 51
Headlamp Does Not Change To High Beam (Both
Sides) ..................................................................... 51
Headlamp Does Not Change To High Beam (One
Side) ....................................................................... 54
High Beam Indicator Lamp Does Not Illuminate ..... 55
Headlamp Low Beam Does Not Illuminate (Both
Sides) ..................................................................... 55
Headlamp Low Beam Does Not Illuminate (One
Side) ....................................................................... 57
Headlamps Does Not Turn OFF ............................. 59
General Information for Xenon Headlamp Trouble
Diagnosis ................................................................ 59
Caution: .................................................................. 59
Xenon Headlamp Trouble Diagnosis ...................... 60
Aiming Adjustment .................................................. 60
PREPARATION BEFORE ADJUSTING .............. 60
LOW BEAM AND HIGH BEAM ........................... 61
ADJUSTMENT USING AN ADJUSTMENT
SCREEN (LIGHT/DARK BORDERLINE) ............ 61
Bulb Replacement .................................................. 61
HEADLAMP HIGH/LOW BEAM .......................... 61
PARKING LAMP .................................................. 62
FRONT TURN SIGNAL LAMP ............................ 62
FRONT SIDE MARKER LAMP ............................ 62
Removal and Installation ........................................ 62
REMOVAL ........................................................... 62
INSTALLATION .................................................... 62
Disassembly and Assembly .................................... 63
DISASSEMBLY ................................................... 63
ASSEMBLY ......................................................... 64
Serving to Replace Headlamps When Damaged ... 64
INSTALLATION OF HEADLAMP BRACKET ....... 64
TURN SIGNAL AND HAZARD WARNING LAMPS ... 65
Component Parts and Harness Connector Location ... 65
System Description ................................................. 65
TURN SIGNAL OPERATION ............................... 65
HAZARD WARNING LAMP OPERATION ........... 66
REMOTE KEYLESS ENTRY SYSTEM OPERA-
TION .................................................................... 67
COMBINATION SWITCH READING FUNCTION ... 67CAN Communication System Description .............. 67
CAN Communication Unit ....................................... 67
Schematic ............................................................... 68
Wiring Diagram — TURN — ................................... 69
COUPE MODELS ................................................ 69
ROADSTER MODELS ......................................... 73
Terminals and Reference Values for BCM .............. 77
How to Proceed With Trouble Diagnosis ................ 78
Preliminary Check ................................................... 79
CHECK POWER SUPPLY AND GROUND CIR-
CUIT ..................................................................... 79
CONSULT-III Function (BCM) ................................. 80
DATA MONITOR .................................................. 80
ACTIVE TEST ...................................................... 80
Turn Signal Lamp Does Not Operate ...................... 81
Hazard Warning Lamp Does Not Operate But Turn
Signal Lamp Operate .............................................. 82
Turn Signal Indicator Lamp Does Not Operate ....... 83
Bulb Replacement (Front Turn Signal Lamp) .......... 83
Bulb Replacement (Rear Turn Signal Lamp) .......... 83
Removal and Installation of Front Turn Signal Lamp ... 83
Removal and Installation of Rear Turn Signal Lamp ... 83
LIGHTING AND TURN SIGNAL SWITCH ................ 84
Removal and Installation ......................................... 84
REMOVAL ............................................................ 84
INSTALLATION .................................................... 84
HAZARD SWITCH ..................................................... 85
Removal and Installation ......................................... 85
HAZARD SWITCH (A/T MODELS) ...................... 85
HAZARD SWITCH (M/T MODELS) ..................... 85
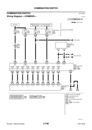
COMBINATION SWITCH .......................................... 86
Wiring Diagram —COMBSW— .............................. 86
Combination Switch Reading Function ................... 87
Terminals and Reference Values for BCM .............. 87
CONSULT-III Function (BCM) ................................. 91
DATA MONITOR .................................................. 91
Combination Switch Inspection ............................... 92
Removal and Installation ......................................... 94
STOP LAMP .............................................................. 95
Wiring Diagram — STOP/L — ................................ 95
High-Mounted Stop Lamp (Coupe Models) ............. 97
BULB REPLACEMENT, REMOVAL AND
INSTALLATION .................................................... 97
High-Mounted Stop Lamp (Roadster Models) ......... 97
BULB REPLACEMENT, REMOVAL AND
INSTALLATION .................................................... 97
Stop Lamp ............................................................... 97
BULB REPLACEMENT ........................................ 97
REMOVAL AND INSTALLATION ......................... 97
BACK-UP LAMP ....................................................... 98
Wiring Diagram — BACK/L — ................................ 98
COUPE MODELS (A/T) ....................................... 98
COUPE MODELS (M/T) ...................................... 99
ROADSTER MODELS (A/T) ..............................100
ROADSTER MODELS (M/T) .............................101
Bulb Replacement .................................................102
Removal and Installation .......................................102
PARKING, LICENSE PLATE AND TAIL LAMPS ....103
Component Parts and Harness Connector Location .103
Page 3 of 172

LT-3
C
D
E
F
G
H
I
J
L
MA
B
LT
Revision: 2006 November2007 350Z System Description .............................................. 103
OUTLINE ........................................................... 103
OPERATION BY LIGHTING SWITCH .............. 104
COMBINATION SWITCH READING FUNCTION . 104
EXTERIOR LAMP BATTERY SAVER CONTROL . 104
CAN Communication System Description ............ 105
CAN Communication Unit .................................... 105
Schematic ............................................................ 106
Wiring Diagram — TAIL/L — ................................ 107
Terminals and Reference Values for BCM ............ 112
Terminals and Reference Values for IPDM E/R .... 114
How to Proceed With Trouble Diagnosis ............... 114
Preliminary Check ................................................. 114
CHECK POWER SUPPLY AND GROUND CIR-
CUIT ................................................................... 114
CONSULT-III Function (BCM) ............................... 115
CONSULT-III Function (IPDM E/R) ....................... 115
Parking, License Plate, Side Marker and Tail Lamps
Do Not Illuminate (for USA) ................................... 116
Parking, License Plate, Side Marker, and Tail Lamps
Do Not Illuminate (for Canada) ............................. 119
Parking, Side Marker, License Plate and Tail Lamps
Do Not Turn OFF (After Approx. 10 Minutes) ....... 124
License Plate Lamp .............................................. 125
BULB REPLACEMENT, REMOVAL AND
INSTALLATION ................................................. 125
Front Parking Lamp .............................................. 125
BULB REPLACEMENT ..................................... 125
REMOVAL AND INSTALLATION ...................... 125
Tail Lamp .............................................................. 125
BULB REPLACEMENT ..................................... 125
REMOVAL AND INSTALLATION ...................... 125
REAR COMBINATION LAMP ................................ 126
Bulb Replacement ................................................ 126
REAR FENDER SIDE (STOP & TAIL LAMP,
REAR SIDE MARKER LAMP) .......................... 126
REAR BUMPER SIDE (BACK-UP LAMP BULB,
REAR TURN SIGNAL LAMP BULB) ................. 126
Removal and Installation ...................................... 127
REMOVAL ......................................................... 127
INSTALLATION ................................................. 127
INTERIOR ROOM LAMP ........................................ 128
Component Parts and Harness Connector Location . 128
System Description .............................................. 128
POWER SUPPLY AND GROUND .................... 129
SWITCH OPERATION ...................................... 130
MAP LAMP TIMER OPERATION ..................... 130
INTERIOR LAMP BATTERY SAVER CONTROL . 131
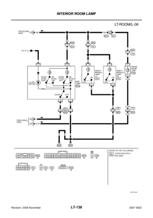
Schematic ............................................................ 132Wiring Diagram — ROOM/L — ............................133
COUPE MODELS .............................................133
ROADSTER MODELS ......................................137
Terminals and Reference Values for BCM ............141
How to Proceed with Trouble Diagnosis ...............141
Preliminary Check ................................................142
CHECK POWER SUPPLY AND GROUND CIR-
CUIT ..................................................................142
CONSULT-III Function (BCM) ..............................143
WORK SUPPORT .............................................143
DATA MONITOR ...............................................143
ACTIVE TEST ...................................................144
Map Lamp Control Does Not Operate (Coupe mod-
els) ........................................................................144
Map Lamp Control Does Not Operate (Roadster
models) .................................................................146
Ignition Key Hole Illumination Does Not Illuminate .148
Luggage Room Lamp Does Not Illuminate (Coupe
Models) .................................................................149
Trunk Room Lamp Does Not Illuminate (Roadster
Models) .................................................................151
Bulb Replacement ................................................153
MAP LAMP ........................................................153
VANITY MIRROR LAMP ...................................154
LUGGAGE ROOM LAMP & TRUNK ROOM
LAMP .................................................................154
IGNITION KEY HOLE ILLUMINATION ..............154
Removal and Installation ......................................155
MAP LAMP ........................................................155
LUGGAGE ROOM LAMP ..................................155
ILLUMINATION .......................................................156
System Description ...............................................156
OUT LINE ..........................................................156
ILLUMINATION OPERATION BY LIGHTING
SWITCH ............................................................157
EXTERIOR LAMP BATTERY SAVER CONTROL .158
CAN Communication System Description ............158
CAN Communication Unit .....................................158
Schematic .............................................................159
Wiring Diagram — ILL — ......................................161
Bulb Replacement ................................................171
LUGGAGE FLOOR BOX LAMP ........................171
CUP HOLDER ILLUMINATION .........................171
Removal and Installation ......................................171
LUGGAGE FLOOR BOX LAMP ........................171
BULB SPECIFICATIONS ........................................172
Headlamp .............................................................172
Exterior Lamp .......................................................172
Interior Lamp/Illumination .....................................172
Page 4 of 172

LT-4
PRECAUTIONS
Revision: 2006 November2007 350Z
PRECAUTIONS PFP:00011
Precautions for Supplemental Restraint System (SRS) “AIR BAG” and “SEAT
BELT PRE-TENSIONER”
NKS00541
The Supplemental Restraint System such as “AIR BAG” and “SEAT BELT PRE-TENSIONER”, used along
with a front seat belt, helps to reduce the risk or severity of injury to the driver and front passenger for certain
types of collision. This system includes seat belt switch inputs and dual stage front air bag modules. The SRS
system uses the seat belt switches to determine the front air bag deployment, and may only deploy one front
air bag, depending on the severity of a collision and whether the front occupants are belted or unbelted.
Information necessary to service the system safely is included in the SRS and SB section of this Service Man-
ual.
WARNING:
To avoid rendering the SRS inoperative, which could increase the risk of personal injury or death
in the event of a collision which would result in air bag inflation, all maintenance must be per-
formed by an authorized NISSAN/INFINITI dealer.
Improper maintenance, including incorrect removal and installation of the SRS, can lead to per-
sonal injury caused by unintentional activation of the system. For removal of Spiral Cable and Air
Bag Module, see the SRS section.
Do not use electrical test equipment on any circuit related to the SRS unless instructed to in this
Service Manual. SRS wiring harnesses can be identified by yellow and/or orange harnesses or
harness connectors.
Precautions for Battery ServiceNKS00542
Before disconnecting the battery, lower both the driver and passenger windows. This will prevent any interfer-
ence between the window edge and the vehicle when the door is opened/closed. During normal operation, the
window slightly raises and lowers automatically to prevent any window to vehicle interference. The automatic
window function will not work with the battery disconnected.
General Precautions for Service OperationsNKS00543
Never work with wet hands.
Xenon headlamp includes high voltage generating part. Be sure
to disconnect battery negative cable (negative terminal) or
power fuse before removing, installing, or touching the xenon
headlamp (including lamp bulb).
Turn the lighting switch OFF before disconnecting and connect-
ing the connector.
When turning the xenon headlamp on and while it is illuminated,
never touch the harness, bulb, and socket of the headlamp.
When checking the headlamp on/off operation, check it on vehi-
cle and with the power connected to the vehicle-side connector.
Do not touch the headlamp bulb glass surface with bare hands or allow oil or grease to get on it. Do not
touch the headlamp bulb just after the headlamp is turned off, because it is very hot.
Install the xenon headlamp bulb socket correctly. If it is installed
improperly, high-voltage leak or corona discharge may occur
that can melt the bulb, connector, and housing. Do not illuminate
the xenon headlamp bulb out of the headlamp housing. Doing
so can cause fire and harm your eyes.
When the bulb has burned out, wrap it in a thick vinyl bag and
discard. Do not break the bulb.
Leaving the bulb removed from the headlamp housing for a long
period of time can deteriorate the performance of the lens and
reflector (dirt, clouding). Always prepare a new bulb and have it
on hand when replacing the bulb.
When adjusting the headlamp aiming, turn the aiming adjust-
ment screw only in the tightening direction. (If it is necessary to loosen the screw, first fully loosen the
screw, and then turn it in the tightening direction.)
Do not use organic solvent (paint thinner or gasoline) to clean lamps and to remove old sealant.
PKIB7344E
EL-3422D
Page 5 of 172

HEADLAMP (FOR USA)
LT-5
C
D
E
F
G
H
I
J
L
MA
B
LT
Revision: 2006 November2007 350Z
HEADLAMP (FOR USA)PFP:26010
Component Parts and Harness Connector LocationNKS004WM
System DescriptionNKS004WN
Control of the headlamp system operation is dependent upon the position of the combination switch (lighting
switch). When the lighting switch is placed in the 2ND position, the BCM (body control module) receives input
signal requesting the headlamps (and tail lamps) illuminate. This input signal is communicated to the IPDM E/
R (intelligent power distribution module engine room) through the CAN communication lines. The CPU (central
processing unit) of the IPDM E/R controls the headlamp high and headlamp low relay coils. These relays,
when energized, direct power to the respective headlamps, which then illuminate.
OUTLINE
Power is supplied at all times
to headlamp high relay, located in IPDM E/R and
to headlamp low relay, located in IPDM E/R, from battery directly,
through 40A fusible link [letter F, located in fuse, fusible link and relay box]
to BCM terminal 55,
through 10A fuse [No.18, located in fuse block (J/B)]
to BCM terminal 42,
through 15A fuse [No.78 located in IPDM E/R]
to CPU located in IPDM E/R,
through 10A fuse [No.71,located in IPDM E/R]
to CPU located in IPDM E/R,
through 10A fuse [No.19, located in fuse block (J/B)]
SKIB7542E
Page 6 of 172

LT-6
HEADLAMP (FOR USA)
Revision: 2006 November2007 350Z
to combination meter terminal 24.
With ignition switch in ON or START position, power is supplied
to CPU located in IPDM E/R,
through 10A fuse [No. 1, located in fuse block (J/B)]
to BCM terminal 38,
through 10A fuse [No.14, located in fuse block (J/B)]
to combination meter terminal 23.
With ignition switch in ACC or ON position, power is supplied
through 10A fuse [No. 6, located in fuse block (J/B)]
to BCM terminal 11.
Ground is supplied
to BCM terminal 52
through grounds M30 and M66,
to IPDM E/R terminals 38 and 60
through grounds E17, E43 and B102 (with VDC system, navigation system or telephone)
through grounds E17, E43 and F152 (without VDC system, navigation system and telephone),
to combination meter terminals 10, 11 and 12
through grounds M30 and M66.
HEADLAMP OPERATION
Low Beam Operation
With the lighting switch in 2ND position, the BCM receives input signal from combination switch reading func-
tion (Refer to BCS-3, "
COMBINATION SWITCH READING FUNCTION" ) the headlamp to illuminate. This
input signal is communicated to the IPDM E/R through the CAN communication lines. The CPU located in the
IPDM E/R controls the headlamp low relay coil, which when energized, supplies power,
through 15A fuse [No. 76, located in IPDM E/R]
through IPDM E/R terminal 20
to front combination lamp RH terminal 7,
through 15A fuse [No. 86, located in IPDM E/R]
through IPDM E/R terminal 30
to front combination lamp LH terminal 7.
Ground is supplied
to front combination lamp RH terminal 4, and
to front combination lamp LH terminal 4
through grounds E17, E43 and B102 (with VDC system, navigation system or telephone)
through grounds E17, E43 and F152 (without VDC system, navigation system and telephone).
With power and ground supplied, low beam headlamps illuminate.
High Beam Operation/Flash-to-Pass Operation
With the lighting switch in 2ND position and placed in HIGH or PASS position, the BCM receives input signal
requesting headlamp high beams to illuminate. High beam request signal and low beam request signal is com-
municated to the IPDM E/R through CAN communication. The CPU located in the IPDM E/R controls head-
lamp high relay and headlamp low relay turned ON, which when energized, supplies power,
through 15A fuse [No. 76, located in IPDM E/R]
through IPDM E/R terminal 20
to front combination lamp RH terminal 7,
through 15A fuse [No. 86, located in IPDM E/R]
through IPDM E/R terminal 30
to front combination lamp LH terminal 7,
through 10A fuse [No. 72, located in IPDM E/R]
through IPDM E/R terminal 27
Page 7 of 172
![NISSAN 350Z 2007 Z33 Lighting System Workshop Manual HEADLAMP (FOR USA)
LT-7
C
D
E
F
G
H
I
J
L
MA
B
LT
Revision: 2006 November2007 350Z
to front combination lamp RH terminal 3,
through 10A fuse [No. 74, located in IPDM E/R]
through IPDM E/R terminal NISSAN 350Z 2007 Z33 Lighting System Workshop Manual HEADLAMP (FOR USA)
LT-7
C
D
E
F
G
H
I
J
L
MA
B
LT
Revision: 2006 November2007 350Z
to front combination lamp RH terminal 3,
through 10A fuse [No. 74, located in IPDM E/R]
through IPDM E/R terminal](/manual-img/5/775/w960_775-6.png)
HEADLAMP (FOR USA)
LT-7
C
D
E
F
G
H
I
J
L
MA
B
LT
Revision: 2006 November2007 350Z
to front combination lamp RH terminal 3,
through 10A fuse [No. 74, located in IPDM E/R]
through IPDM E/R terminal 28
to front combination lamp LH terminal 3.
Ground is supplied
to front combination lamp RH terminals 4, and
to front combination lamp LH terminals 4,
through grounds E17, E43 and B102 (with VDC system, navigation system or telephone)
through grounds E17, E43 and F152 (without VDC system, navigation system and telephone).
With the power and ground supplied, headlamp bulbs illuminate. High beam solenoids move the bulb shades
in the front combination lamps, and the bulb shades change to high beam position.
Unified meter and A/C amp. receives signal from BCM through CAN communication lines, and then combina-
tion meter indicator illuminates high beam.
COMBINATION SWITCH READING FUNCTION
Refer to BCS-3, "COMBINATION SWITCH READING FUNCTION" .
EXTERIOR LAMP BATTERY SAVER CONTROL
When the combination switch (lighting switch) is in the 2ND position (ON), and the ignition switch is turned
from ON or ACC to OFF, the battery saver control function is activated.
Under this condition, the headlamps remain illuminated for 5 minutes, then the headlamps are turned off.
Exterior lamp battery saver control mode can be changed by the function setting of CONSULT-III.
REMOTE KEYLESS ENTRY SYSTEM OPERATION
Refer to BL-59, "REMOTE KEYLESS ENTRY SYSTEM" .
VEHICLE SECURITY SYSTEM
The vehicle security system will flash the high beams if the system is triggered. Refer to BL-125, "VEHICLE
SECURITY (THEFT WARNING) SYSTEM" .
XENON HEADLAMP
Xenon type lamps are used for headlamps. Xenon bulbs do not use a filament. Instead, they produce light
when a high voltage current is passed between two tungsten electrodes through a mixture of xenon (an inert
gas) and certain other metal halides. In addition to strong lighting power, electronic control of the power supply
gives the headlamps stable quality and tone color.
Followings are some advantages of the xenon type headlamp.
The light produced by the headlamps is white color similar to sunlight that is easy to the eyes.
Light output is nearly double that of halogen headlamps, affording increased area of illumination.
Counter-reflected luminance increases and the contrast enhances on the wet road in the rain. That makes
visibility go up more than the increase of the light volume.
Power consumption is approximately 25 percent less than halogen headlamps, reducing battery load.
CAN Communication System DescriptionNKS004WO
CAN (Controller Area Network) is a serial communication line for real time application. It is an on-vehicle mul-
tiplex communication line with high data communication speed and excellent error detection ability. Many elec-
tronic control units are equipped onto a vehicle, and each control unit shares information and links with other
control units during operation (not independent). In CAN communication, control units are connected with 2
communication lines (CAN H line, CAN L line) allowing a high rate of information transmission with less wiring.
Each control unit transmits/receives data but selectively reads required data only.
CAN Communication UnitNKS004WP
Refer to LAN-48, "CAN System Specification Chart" .
Page 8 of 172
LT-8
HEADLAMP (FOR USA)
Revision: 2006 November2007 350Z
SchematicNKS004WQ
TKWT4058E