Page 49 of 134
TROUBLE DIAGNOSIS
BRC-49
[TCS/ABS]
C
D
E
G
H
I
J
K
L
MA
B
BRC
Revision: 2006 November2007 350Z
TFWT0295E
Page 50 of 134
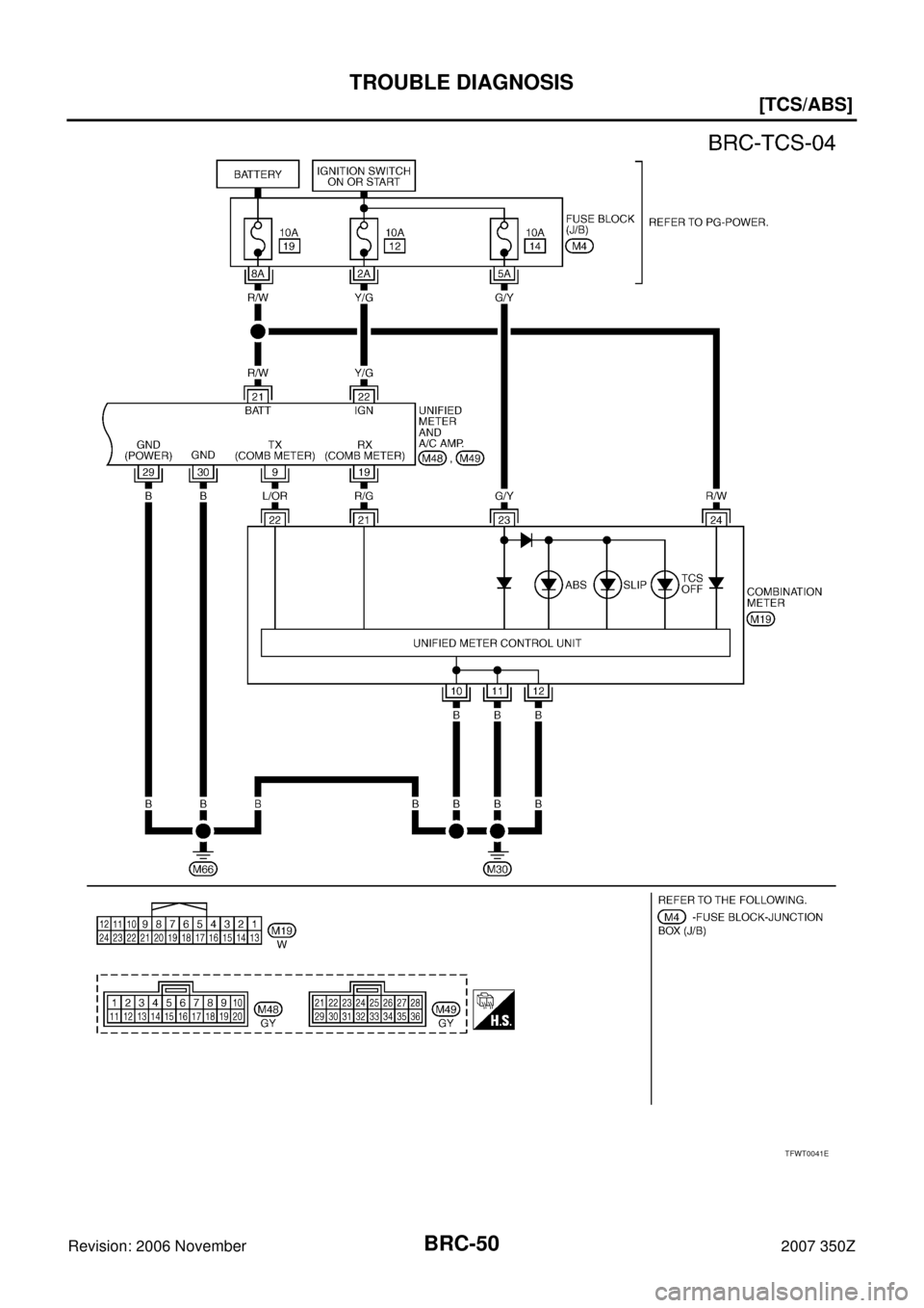
BRC-50
[TCS/ABS]
TROUBLE DIAGNOSIS
Revision: 2006 November2007 350Z
TFWT0041E
Page 51 of 134
![NISSAN 350Z 2007 Z33 Brake Control System Workshop Manual TROUBLE DIAGNOSIS
BRC-51
[TCS/ABS]
C
D
E
G
H
I
J
K
L
MA
B
BRC
Revision: 2006 November2007 350Z
Control Unit Input/Output Signal StandardNFS00034
REFERENCE VALUE FROM CONSULT-III
CAUTION:
The display s NISSAN 350Z 2007 Z33 Brake Control System Workshop Manual TROUBLE DIAGNOSIS
BRC-51
[TCS/ABS]
C
D
E
G
H
I
J
K
L
MA
B
BRC
Revision: 2006 November2007 350Z
Control Unit Input/Output Signal StandardNFS00034
REFERENCE VALUE FROM CONSULT-III
CAUTION:
The display s](/manual-img/5/758/w960_758-50.png)
TROUBLE DIAGNOSIS
BRC-51
[TCS/ABS]
C
D
E
G
H
I
J
K
L
MA
B
BRC
Revision: 2006 November2007 350Z
Control Unit Input/Output Signal StandardNFS00034
REFERENCE VALUE FROM CONSULT-III
CAUTION:
The display shows the control unit calculation data, so a normal value might be displayed even in the
event the output circuit (harness) is open or short - circuited.
Monitor item Display ContentData monitor
ConditionReference values for normal
operation
WHEEL SENSORWheel speed calculated using
signals from all four wheel sen-
sorsVehicle stopped 0 km/h (0 MPH)
While driving (Note 1)Nearly matches the speed-
ometer display (±10% or
less)
IN ABS S/V
OUT ABS S/VOperation status of all solenoidsWhen the actuator solenoid operates or
during a fail-safeON
When the actuator relay operates and
the actuator solenoid does not operateOFF
STOP LAMP SW Brake pedal operationBrake pedal depressed ON
Brake pedal not depressed OFF
MOTOR RELAYMotor and motor relay operation
statusWhen the motor relay and motor are
operatingON
When the motor relay and motor are not
operatingOFF
ACTUATOR RLY Actuator relay operation statusWhen the actuator relay is operating OFF
When the actuator relay is not operat-
ingON
EBD WARN LAMPBrake warning lamp on condition
(Note 2)Brake warning lamp ON ON
Brake warning lamp OFF OFF
ABS WARN LAMPABS warning lamp on condition
(Note 3)ABS warning lamp ON ON
ABS warning lamp OFF OFF
OFF LAMPTCS OFF indicator lamp on con-
dition (Note 4)TCS OFF indicator lamp ON ON
TCS OFF indicator lamp OFF OFF
SLIP LAMPSLIP indicator lamp on condition
(Note 5)SLIP indicator lamp ON ON
SLIP indicator lamp OFF OFF
OFF SW TCS switch ON-OFF statusTCS OFF switch ON
(TCS OFF indicator lamp ON)ON
TCS OFF switch OFF
(TCS OFF indicator lamp OFF)OFF
BATTERY VOLTBattery voltage supplied to TCS/
ABS control unitIgnition switch ON 10 - 16 V
GEARDetermined gear shift position
from the A/T PNP switch signalDriving1 - 5
Differs depending on the
transmission status.
(M/T vehicles are always left
in 1.)
ENGINE RPM Engine runningWith engine stopped 0 rpm
With engine runningAlmost in accordance with
tachometer display
N POSITION SIGNALDetermined gear shift position
from the A/T PNP switch signal
(Note 5)N position ON
Other than N position OFF
Page 52 of 134
![NISSAN 350Z 2007 Z33 Brake Control System Workshop Manual BRC-52
[TCS/ABS]
TROUBLE DIAGNOSIS
Revision: 2006 November2007 350Z
Note 1: Confirm tire pressure is normal.
Note 2: Serves as EBD warning lamp.
Note 3: ON/OFF timing of ABS warning lamp
ON: For appro NISSAN 350Z 2007 Z33 Brake Control System Workshop Manual BRC-52
[TCS/ABS]
TROUBLE DIAGNOSIS
Revision: 2006 November2007 350Z
Note 1: Confirm tire pressure is normal.
Note 2: Serves as EBD warning lamp.
Note 3: ON/OFF timing of ABS warning lamp
ON: For appro](/manual-img/5/758/w960_758-51.png)
BRC-52
[TCS/ABS]
TROUBLE DIAGNOSIS
Revision: 2006 November2007 350Z
Note 1: Confirm tire pressure is normal.
Note 2: Serves as EBD warning lamp.
Note 3: ON/OFF timing of ABS warning lamp
ON: For approximately 1 second after the ignition switch is turned on or when an error is detected.
OFF: Approximately 1 second after the ignition switch is turned on (when system is normal).
Note 4: ON/OFF timing of TCS OFF indicator lamp
ON: For approximately 1 second after the ignition switch is turned on, when an error is detected, or when the TCS OFF switch is on.
OFF: Approximately 1 second after the ignition switch is turned on (when system is normal), when TCS OFF switch is off.
Note 5: ON/OFF timing of SLIP indicator lamp
ON: For approximately 1 second after the ignition switch is turned on or when an error is detected.
OFF: Approximately 1 second after the ignition switch is turned on (when system is normal), when TCS function is not operating
Flash: When the TCS function is operating during driving.
Note 6: A/T models.
CONSULT- II Functions (ABS)NFS00035
CONSULT-III MAIN FUNCTION
CONSULT-III can display each diagnostic item using the diagnostic test modes shown following.
P POSITION SIGNALDetermined gear shift position
from the A/T PNP switch signal
(Note 6)P position ON
Other than P position OFF
FAIL SIGNAL Fail signal statusDuring TCS fail-safe
During ABS fail-safe
During EBD fail-safeON
ACCEL POS SIGOpen/close condition of throttle
valve (linked with accelerator
pedal).Accelerator pedal not depressed (igni-
tion switch is ON)0 %
Depress accelerator pedal (ignition
switch is ON)0 to 100 % Monitor item Display ContentData monitor
ConditionReference values for normal
operation
Diagnostic test mode Function Reference
SELF-DIAG RESULTS Self-diagnostic results can be read and erased quickly.BRC-53, "
Self-diagnosis"
DATA MONITORInput/Output data in the ABS actuator and electric unit (control unit)
can be read.BRC-55, "Data Monitor"
CAN DIAG SUPPORT
MNTRThe results of transmit/receive diagnosis of communication can be
read.LAN-44, "CAN Diagnostic Sup-
port Monitor"
ACTIVE TESTDiagnostic Test Mode in which CONSULT-III drives some actuators
apart from the ABS actuator and electric unit (control unit) and also
shifts some parameters in a specified range.BRC-57, "Active Test"
FUNCTION TESTConducted by CONSULT-III instead of a technician to determine
whether each system is “OK” or “NG”.—
ECU PART NUMBER ABS actuator and electric unit (control unit) part number can be read. —
Page 53 of 134
![NISSAN 350Z 2007 Z33 Brake Control System Workshop Manual TROUBLE DIAGNOSIS
BRC-53
[TCS/ABS]
C
D
E
G
H
I
J
K
L
MA
B
BRC
Revision: 2006 November2007 350Z
Self-diagnosisNFS000HG
OPERATION PROCEDURE
1. Before performing the self-diagnosis, start engine and driv NISSAN 350Z 2007 Z33 Brake Control System Workshop Manual TROUBLE DIAGNOSIS
BRC-53
[TCS/ABS]
C
D
E
G
H
I
J
K
L
MA
B
BRC
Revision: 2006 November2007 350Z
Self-diagnosisNFS000HG
OPERATION PROCEDURE
1. Before performing the self-diagnosis, start engine and driv](/manual-img/5/758/w960_758-52.png)
TROUBLE DIAGNOSIS
BRC-53
[TCS/ABS]
C
D
E
G
H
I
J
K
L
MA
B
BRC
Revision: 2006 November2007 350Z
Self-diagnosisNFS000HG
OPERATION PROCEDURE
1. Before performing the self-diagnosis, start engine and drive vehicle at 30 km/h (19 MPH) or more for
approximately 1 minute.
HOW TO ERASE SELF-DIAGNOSIS RESULTS
1. After erasing DTC memory, start engine and drive vehicle at 30 km/h (19 MPH) or more for approximately
1 minute as the final inspection, and make sure that the ABS warning lamp, TCS OFF indicator lamp,
SLIP indicator lamp and brake warning lamp turn OFF.
CAUTION:
If memory cannot be erased, perform applicably diagnosis.
When the wheel sensor malfunctions, after inspecting the wheel sensor system, the ABS warning lamp,
TCS OFF indicator lamp, SLIP indicator lamp and brake warning lamp will not turn OFF even when the
system is normal unless the vehicle is driving at approximately 30 km/h (19 MPH) or more for approxi-
mately 1 minute.
Brake warning lamp will turn ON in case of parking brake operation (when switch is ON) or of brake
fluid level switch operation (when brake fluid is insufficient).
DISPLAY ITEM LIST
Display item Malfunction detecting condition Check item
RR RH SENSOR-1
[C1101]When the circuit in the rear RH wheel sensor is open.
BRC-61, "
Wheel Sensor
System"
(Note 1) RR LH SENSOR-1
[C1102]When the circuit in the rear LH wheel sensor is open.
FR RH SENSOR-1
[C1103]When the circuit in the front RH wheel sensor is open.
FR LH SENSOR-1
[C1104]When the circuit in the front LH wheel sensor is open.
RR RH SENSOR-2
[C1105]When the circuit in the rear RH wheel sensor is short-circuited. Or when the
sensor power voltage is outside the standard. When the distance between the
wheel sensor and sensor rotor is too large and the sensor pulse cannot be
recognized by the control unit.
RR LH SENSOR-2
[C1106]When the circuit in the rear LH wheel sensor is short-circuited. Or when the
sensor power voltage is outside the standard. When the distance between the
wheel sensor and sensor rotor is too large and the sensor pulse cannot be
recognized by the control unit.
FR RH SENSOR-2
[C1107]When the circuit in the front RH wheel sensor is short-circuited. Or when the
sensor power voltage is outside the standard. When the distance between the
wheel sensor and sensor rotor is too large and the sensor pulse cannot be
recognized by the control unit.
FR LH SENSOR-2
[C1108]When the circuit in the front LH wheel sensor is short-circuited. Or when the
sensor power voltage is outside the standard. When the distance between the
wheel sensor and sensor rotor is too large and the sensor pulse cannot be
recognized by the control unit.
BATTERY VOLTAGE
[ABNORMAL]
[C1109]When the ABS actuator and electric unit (control unit) power supply voltage is
lower than normal.BRC-64, "
ABS Actuator
and Electric Unit (Con-
trol Unit) Power and
Ground Systems"
CONTROLLER FAILURE
[C1110]When there is an internal error in the ABS actuator and electric unit (control
unit).BRC-63, "ABS Actuator
and Electric Unit (Con-
trol Unit)"
PUMP MOTOR
[ C 1111 ]When the ABS actuator and electric unit (control unit) detects an error in the
motor or motor relay.BRC-65, "ABS Actuator
Relay or ABS Motor
Relay Power System"
MAIN RELAY
[C1114]When the control unit detects an error in the actuator relay systemBRC-65, "ABS Actuator
Relay or ABS Motor
Relay Power System"
Page 54 of 134
![NISSAN 350Z 2007 Z33 Brake Control System Workshop Manual BRC-54
[TCS/ABS]
TROUBLE DIAGNOSIS
Revision: 2006 November2007 350Z
Note 1: After completing repairs of the shorted sensor circuit, when ignition switch is turned ON, ABS warning lamp turns on. Check NISSAN 350Z 2007 Z33 Brake Control System Workshop Manual BRC-54
[TCS/ABS]
TROUBLE DIAGNOSIS
Revision: 2006 November2007 350Z
Note 1: After completing repairs of the shorted sensor circuit, when ignition switch is turned ON, ABS warning lamp turns on. Check](/manual-img/5/758/w960_758-53.png)
BRC-54
[TCS/ABS]
TROUBLE DIAGNOSIS
Revision: 2006 November2007 350Z
Note 1: After completing repairs of the shorted sensor circuit, when ignition switch is turned ON, ABS warning lamp turns on. Check that
ABS warning lamp turns off while driving the vehicle at approximately 30 km/h (19 MPH) or more for approximately 1 minute according
to self-diagnosis procedure. In addition, if wheel sensor 2 is displayed for the wheels, check the wheel sensor circuit and also check the
control unit power voltage.
Note 2: When errors are detected in several systems, including the CAN communication system [U1000], troubleshoot the CAN commu-
nication system.STOP LAMP SW
[ C 111 6 ]When a stop lamp switch open-circuit is detected.BRC-66, "
Stop Lamp
Switch System"
FR LH IN ABS SOL
[C1120]When the control unit detects an error in the front left inlet solenoid system.
BRC-65, "
ABS Actuator
Relay or ABS Motor
Relay Power System"
FR LH OUT ABS SOL
[C1121]When the control unit detects an error in the front left outlet solenoid system.
FR RH IN ABS SOL
[C1122]When the control unit detects an error in the front right inlet solenoid system.
FR RH OUT ABS SOL
[C1123]When the control unit detects an error in the front right outlet solenoid system.
RR LH IN ABS SOL
[C1124]When the control unit detects an error in the rear left inlet solenoid system.
RR LH OUT ABS SOL
[C1125]When the control unit detects an error in the rear left outlet solenoid system.
RR RH IN ABS SOL
[C1126]When the control unit detects an error in the rear right inlet solenoid system.
RR RH OUT ABS SOL
[C1127]When the control unit detects an error in the rear right outlet solenoid system.
EMERGENCY BRAKE
[C1153]When the ABS actuator and electric unit (control unit) malfunctions (pressure
increase is too much or too little).BRC-67, "
ABS Actuator
and Electric Unit (Con-
trol Unit) 2"
ENGINE SIGNAL 1
[C1130]
Major engine components are malfunctioning.BRC-63, "
Engine Sys-
tem"
ENGINE SIGNAL 2
[C1131]
ENGINE SIGNAL 3
[C1132]
ENGINE SIGNAL 4
[C1133]
ENGINE SIGNAL 5
[C1134]
ENGINE SIGNAL 6
[C1136]
CAN COMM CIRCUIT
[U1000]When ABS actuator and electric unit (control unit) is not transmitting or receiv-
ing CAN communication signal for 2 seconds or more.BRC-67, "
CAN Commu-
nication System"
(Note 2) Display item Malfunction detecting condition Check item
Page 55 of 134
![NISSAN 350Z 2007 Z33 Brake Control System Workshop Manual TROUBLE DIAGNOSIS
BRC-55
[TCS/ABS]
C
D
E
G
H
I
J
K
L
MA
B
BRC
Revision: 2006 November2007 350Z
Data MonitorNFS000HH
DISPLAY ITEM LIST
×: Standard –: Not applicable : Option
Item (Unit)SELECT MONIT NISSAN 350Z 2007 Z33 Brake Control System Workshop Manual TROUBLE DIAGNOSIS
BRC-55
[TCS/ABS]
C
D
E
G
H
I
J
K
L
MA
B
BRC
Revision: 2006 November2007 350Z
Data MonitorNFS000HH
DISPLAY ITEM LIST
×: Standard –: Not applicable : Option
Item (Unit)SELECT MONIT](/manual-img/5/758/w960_758-54.png)
TROUBLE DIAGNOSIS
BRC-55
[TCS/ABS]
C
D
E
G
H
I
J
K
L
MA
B
BRC
Revision: 2006 November2007 350Z
Data MonitorNFS000HH
DISPLAY ITEM LIST
×: Standard –: Not applicable : Option
Item (Unit)SELECT MONITOR ITEM
Remarks
ECU INPUT
SIGNALSMAIN
SIGNALSSELECTION
FROM MENU
FR LH SENSOR
[km/h (MPH)]××Wheel speed calculated by front LH wheel
sensor signal is displayed.
FR RH SENSOR
[(km/h (MPH)]××Wheel speed calculated by front RH wheel
sensor signal is displayed.
RR LH SENSOR
[km/h (MPH)]××Wheel speed calculated by Rear LH wheel
sensor signal is displayed.
RR RH SENSOR
[km/h (MPH)]××Wheel speed calculated by Rear RH wheel
sensor signal is displayed.
FR LH IN SOL
(ON/OFF)–×Front left inlet ABS solenoid valve (ON/OFF)
status is displayed.
FR LH OUT SOL
(ON/OFF)–×Front left outlet ABS solenoid valve (ON/
OFF) status is displayed.
RR RH IN SOL
(ON/OFF)–×Rear right inlet ABS solenoid valve (ON/OFF)
status is displayed.
RR RH OUT SOL
(ON/OFF)–×Rear right outlet ABS solenoid valve (ON/
OFF) status is displayed.
FR RH IN SOL
(ON/OFF)–×Front right inlet ABS solenoid valve (ON/
OFF) status is displayed.
FR RH OUT SOL
(ON/OFF)–×Front right outlet ABS solenoid valve (ON/
OFF) status is displayed.
RR LH IN SOL
(ON/OFF)–×Rear left rear wheel inside ABS solenoid
valve (ON/OFF) status is displayed.
RR LH OUT SOL
(ON/OFF)–×Rear left outlet ABS solenoid valve (ON/OFF)
status is displayed.
EBD WARN LAMP
(ON/OFF)–×Brake warning lamp (ON/OFF) status is dis-
played.
STOP LAMP SW
(ON/OFF)××Stop lamp switch (ON/OFF) status is dis-
played.
MOTOR RELAY
(ON/OFF)–×ABS motor relay (ON/OFF) condition is dis-
played.
ACTUATOR RLY
(ON/OFF)–×ABS actuator relay (ON/OFF) status is dis-
played.
ABS WARN LAMP
(ON/OFF)–×ABS warning lamp (ON/OFF) status is dis-
played.
OFF LAMP
(ON/OFF)–×TCS OFF indicator lamp (ON/OFF) status is
displayed.
OFF SW
(ON/OFF)××TCS OFF switch (ON/OFF) status is dis-
played.
SLIP LAMP
(ON/OFF)–×SLIP indicator lamp (ON/OFF) status is dis-
played.
BATTERY VOLT
(V )××The voltage supplied to the ABS actuator and
electric unit (control unit) is displayed.
GEAR
(A/T model)××The gear position determined from the A/T
PNP switch signal is displayed.
ENGINE SPEED
(rpm)××Engine speed status determined from the
CAN communication signal is displayed.
Page 56 of 134
![NISSAN 350Z 2007 Z33 Brake Control System Workshop Manual BRC-56
[TCS/ABS]
TROUBLE DIAGNOSIS
Revision: 2006 November2007 350Z
N POSI SIG
(ON/OFF)
(A/T model)––Shift position determined from the A/T PNP
switch signal is displayed.
P POSI SIG
(ON/OFF)
(A NISSAN 350Z 2007 Z33 Brake Control System Workshop Manual BRC-56
[TCS/ABS]
TROUBLE DIAGNOSIS
Revision: 2006 November2007 350Z
N POSI SIG
(ON/OFF)
(A/T model)––Shift position determined from the A/T PNP
switch signal is displayed.
P POSI SIG
(ON/OFF)
(A](/manual-img/5/758/w960_758-55.png)
BRC-56
[TCS/ABS]
TROUBLE DIAGNOSIS
Revision: 2006 November2007 350Z
N POSI SIG
(ON/OFF)
(A/T model)––Shift position determined from the A/T PNP
switch signal is displayed.
P POSI SIG
(ON/OFF)
(A/T model)––Shift position determined from the A/T PNP
switch signal is displayed.
ACCEL POS SIG
(%)×–Throttle position status determined from the
CAN communication signal is displayed.
EBD SIGNAL
(ON/OFF)– – EBD operation (ON/OFF) status is displayed.
ABS SIGNAL
(ON/OFF)– – ABS operation (ON/OFF) status is displayed.
TCS SIGNAL
(ON/OFF)– – TCS operation (ON/OFF) status is displayed.
EBD FAIL SIG
(ON/OFF)––EBD fail-safe signal (ON/OFF) status is dis-
played.
ABS FAIL SIG
(ON/OFF)––ABS fail-safe signal (ON/OFF) status is dis-
played.
TCS FAIL SIG
(ON/OFF)––TCS fail-safe signal (ON/OFF) status is dis-
played.
CRANKING SIG
(ON/OFF)––Ignition switch START position signal input
status is displayed.
ASCD SIGNAL
(ON/OFF)– – ASCD (ON/OFF) status is displayed. Item (Unit)SELECT MONITOR ITEM
Remarks
ECU INPUT
SIGNALSMAIN
SIGNALSSELECTION
FROM MENU