2007 ISUZU KB P190 CIRCUIT DIAGRAM

[x] Cancel search: CIRCUIT DIAGRAM

Page 5258 of 6020

ISUZU KB P190 2007  Workshop Repair Manual 8A-320  ELECTRICAL-BODY AND CHASSIS 
 
CIRCUIT DIAGRAM 4JJ1-TC/4JK1-TC (RHD) EXCEPT SOUTH AFRICA Sheet 1/3 
  
  
RTW 78AXF032501 
 
BACK TO CHAPTER INDEX
TO MODEL INDEXISUZU KB P190 2007

Page 5259 of 6020

ISUZU KB P190 2007  Workshop Repair Manual ELECTRICAL-BODY AND CHASSIS  8A-321 
 
CIRCUIT DIAGRAM 4JJ1-TC/4JK1-TC (RHD) EXCEPT SOUTH AFRICA Sheet 2/3 
   
 
 
 
 
 
 
 
 
 
 
 
 
 
 
 RTW 78AXF032601 
 
 
BACK TO CHAPTER INDEX TO MODEL INDEXIS

Page 5260 of 6020

ISUZU KB P190 2007  Workshop Repair Manual 8A-322  ELECTRICAL-BODY AND CHASSIS 
 
CIRCUIT DIAGRAM 4JJ1-TC/4JK1-TC (RHD) EXCEPT SOUTH AFRICA Sheet 3/3 
   
 
 
 
 
 
  
 
 
 
 
RTW 78AXF032701 
 
 
BACK TO CHAPTER INDEX TO MODEL INDEXISUZU KB P

Page 5261 of 6020

ISUZU KB P190 2007  Workshop Repair Manual ELECTRICAL-BODY AND CHASSIS  8A-323 
 
CIRCUIT DIAGRAM 4JA1T (L) (RHD) Sheet 1/4 
   
 
 
 
 
RTW 78AXF016301 
 
 
BACK TO CHAPTER INDEX TO MODEL INDEXISUZU KB P190 2007

Page 5262 of 6020

ISUZU KB P190 2007  Workshop Repair Manual 8A-324  ELECTRICAL-BODY AND CHASSIS 
 
CIRCUIT DIAGRAM 4JA1T (L) (RHD) Sheet 2/4 
   
 
 
 
RTW 78AXF016401 
 
 
BACK TO CHAPTER INDEX TO MODEL INDEXISUZU KB P190 2007

Page 5263 of 6020

ISUZU KB P190 2007  Workshop Repair Manual ELECTRICAL-BODY AND CHASSIS  8A-325 
 
CIRCUIT DIAGRAM 4JA1T (L) (RHD) Sheet 3/4 
   
 
 
 
   
RTW 78AXF016501 
 
 
BACK TO CHAPTER INDEX
TO MODEL INDEXISUZU KB P190 2007

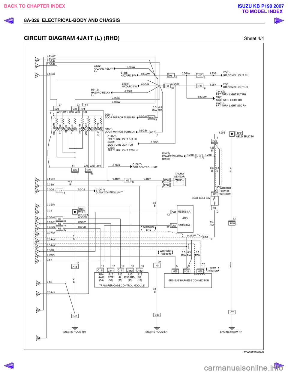
Page 5264 of 6020

ISUZU KB P190 2007  Workshop Repair Manual 8A-326  ELECTRICAL-BODY AND CHASSIS 
 
CIRCUIT DIAGRAM 4JA1T (L) (RHD) Sheet 4/4 
   
 
 
 
 
RTW 78AXF016601 
 
 
BACK TO CHAPTER INDEX
TO MODEL INDEXISUZU KB P190 2007

Page 5265 of 6020

ISUZU KB P190 2007  Workshop Repair Manual ELECTRICAL-BODY AND CHASSIS  8A-327 
 
CIRCUIT DIAGRAM C24SE (LHD) Sheet 1/3 
  
  
RTW 780XF015201 
 
 
BACK TO CHAPTER INDEX TO MODEL INDEXISUZU KB P190 2007