Page 705 of 800
CENTRAL DOOR LOCKING SYSTEM
CIRCUIT DIAGRAMS90-241
FRONT DOOR
LOCK ACTUATOR
(LH)REAR DOOR
LOCK ACTUATOR
(LH)ETACS-ECU
REAR DOOR
LOCK ACTUATOR
(RH)TAILGATE
LOCK
ACTUATOR
Page 706 of 800
CENTRAL DOOR LOCKING SYSTEM
CIRCUIT DIAGRAMS90-242
CENTRAL DOOR LOCKING SYSTEM (CONTINUED)
ETACS-ECU
DOOR
SWITCH
(FRONT: LH)DOOR
SWITCH
(REAR: LH)DOOR
SWITCH
(REAR: RH)DOOR
SWITCH
(FRONT: RH)
Page 707 of 800
CENTRAL DOOR LOCKING SYSTEM
CIRCUIT DIAGRAMS90-243
ROOM LAMP
AND LUGGAGE
COMPARTMENT
LAMP
J/B SIDE
TAILGATE
SWITCHKEY REMINDER
SWITCH
(WHEN REMOVING
KEY: ON)
Wire colour code
B : Black LG : Light green G : Green L : Blue W : White Y : Yellow SB : Sky blue
BR : Brown O : Orange GR : Grey R : Red P : Pink V : Violet PU : Purple
Page 708 of 800
CENTRAL DOOR LOCKING SYSTEM
CIRCUIT DIAGRAMS90-244
CENTRAL DOOR LOCKING SYSTEM (CONTINUED)
BATTERY
RELAY
BOX
SIDE
TURN
SIGNAL
LAMP (LH)ETACS-
ECU
FRONT
TURN
SIGNAL
LAMP (LH)REAR
COMBI-
NATION
LAMP
(TURN:
LH)REAR
COMBI-
NATION
LAMP
(TURN:
RH)FRONT
TURN
SIGNAL
LAMP
(RH)SIDE
TURN
SIGNAL
LAMP (RH) TURN-SIGNAL
LAMP RELAY: LH
TURN-SIGNAL
LAMP RELAY: RH
Page 709 of 800
CENTRAL DOOR LOCKING SYSTEM
CIRCUIT DIAGRAMS90-245
TURN-SIGNAL
LAMP AND HAZARD
WARNING LAMP
KEYLESS ENTRY
RECEIVERKEYLESS ENTRY
TRANSMITTER
J/B SIDE
FRONT
ROOM
LAMP
REAR
ROOM
LAMP
CARTAIN AIR BAG>
MAP MAPROOM
Wire colour code
B : Black LG : Light green G : Green L : Blue W : White
Y : Yellow SB : Sky blue BR : Brown O : Orange
GR : Grey R : Red P : Pink V : Violet PU : Purple
Page 710 of 800
CENTRAL DOOR LOCKING SYSTEM
CIRCUIT DIAGRAMS90-246
CENTRAL DOOR LOCKING SYSTEM (CONTINUED)
ETACS-ECU
FRONT
SIDE
(FUSE )15
DIAGNOSIS
CONNECTORSRS-ECU
CRASH
DETECTION
DOOR
UNLOCK
SIGNAL
PROCESS
CIRCUIT
Wire colour code
B : Black LG : Light green G : Green L : Blue W : White Y : Yellow SB : Sky blue
BR : Brown O : Orange GR : Grey R : Red P : Pink V : Violet PU : Purple
Page 711 of 800
CENTRAL DOOR LOCKING SYSTEM
CIRCUIT DIAGRAMS90-247
NOTES
Page 712 of 800
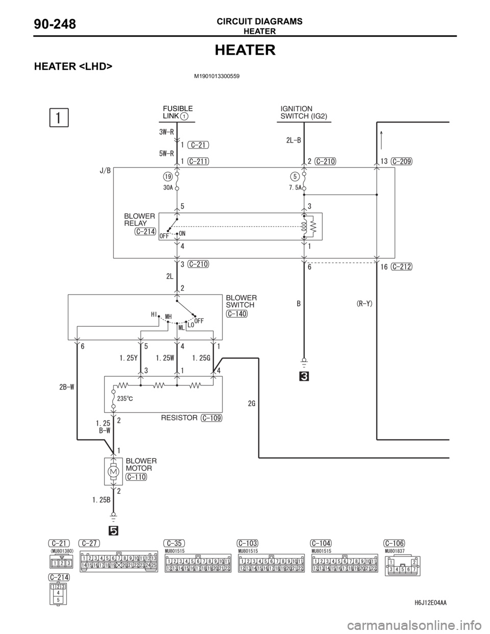
HEATER
CIRCUIT DIAGRAMS90-248
HEATER
HEATER M1901013300559
IGNITION
SWITCH (IG2) FUSIBLE
LINK1
BLOWER
RELAY
BLOWER
SWITCH
RESISTOR
BLOWER
MOTOR