Page 689 of 800
CENTRAL DOOR LOCKING SYSTEM
CIRCUIT DIAGRAMS90-225
NOTE: VEHICLES WITHOUT CARTAIN AIR BAG
: VEHICLES WITH CARTAIN AIR BAG
REAR
ROOM
LAMPFRONT
ROOM
LAMP
Wire colour code
B : Black LG : Light green G : Green L : Blue W : White Y : Yellow SB : Sky blue
BR : Brown O : Orange GR : Grey R : Red P : Pink V : Violet PU : Purple
Page 690 of 800
CENTRAL DOOR LOCKING SYSTEM
CIRCUIT DIAGRAMS90-226
CENTRAL DOOR LOCKING SYSTEM
M1901004703343
IGNITION
SWITCH (IG1) BATTERY
POWER
SOURCE FUSIBLE
LINK1
FRONT
SIDE
FRONT
DOOR LOCK
ACTUATOR
(RH) DIAGNOSIS
CONNECTOR
·FRONT
FOG LAMP
·HEADLAMP
·HEADLAMP
LEVELLING
SYSTEM
·REAR FOG LAMP
·TAIL LAMP,
POSITION LAMP,
LICENCE PLATE LAMP
AND LIGHTING
MONITOR BUZZER
·WINDSHIELD
WIPER AND WASHER
J/B SIDE
KEY
REMINDER
SWITCH
(WHEN
REMOVING
KEY: ON) RELAY
BOX
Page 691 of 800
CENTRAL DOOR LOCKING SYSTEM
CIRCUIT DIAGRAMS90-227
FRONT
DOOR LOCK
ACTUATOR
(LH)REAR DOOR
LOCK
ACTUATOR
(LH)ETACS-ECU
REAR DOOR
LOCK
ACTUATOR
(RH)
Page 692 of 800
CENTRAL DOOR LOCKING SYSTEM
CIRCUIT DIAGRAMS90-228
CENTRAL DOOR LOCKING SYSTEM (CONTINUED)
BATTERY
RELAY
BOX
SIDE TURN
SIGNAL LAMP
(LH)ETACS-
ECU
FRONT
TURN
SIGNAL
LAMP (LH)REAR
COMBINATION
LAMP (RH) REAR
COMBINATION
LAMP (LH)
J/B SIDE
TURN-SIGNAL
LAMP RELAY: RH TURN-SIGNAL
LAMP RELAY: LH
Page 693 of 800
CENTRAL DOOR LOCKING SYSTEM
CIRCUIT DIAGRAMS90-229
SRS-ECU
CRASH
DETECTION DOOR
UNLOCK SIGNAL
PROCESS CIRCUIT TURN-SIGNAL
LAMP AND HAZARD
WARNING LAMP
KEYLESS ENTRY
RECEIVERKEYLESS ENTRY
TRANSMITTER
FRONT TURN
SIGNAL LAMP
(RH)SIDE TURN
SIGNAL LAMP
(RH)
Wire colour code
B : Black LG : Light green G : Green L : Blue W : White Y : Yellow SB : Sky blue
BR : Brown O : Orange GR : Grey R : Red P : Pink V : Violet PU : Purple
Page 694 of 800
CENTRAL DOOR LOCKING SYSTEM
CIRCUIT DIAGRAMS90-230
CENTRAL DOOR LOCKING SYSTEM (CONTINUED)
J/B SIDE
ETACS-ECU
DOOR
SWITCH
(FRONT: LH)DOOR
SWITCH
(REAR: LH)DOOR
SWITCH
(REAR: RH)DOOR
SWITCH
(FRONT: RH)
Page 695 of 800
CENTRAL DOOR LOCKING SYSTEM
CIRCUIT DIAGRAMS90-231
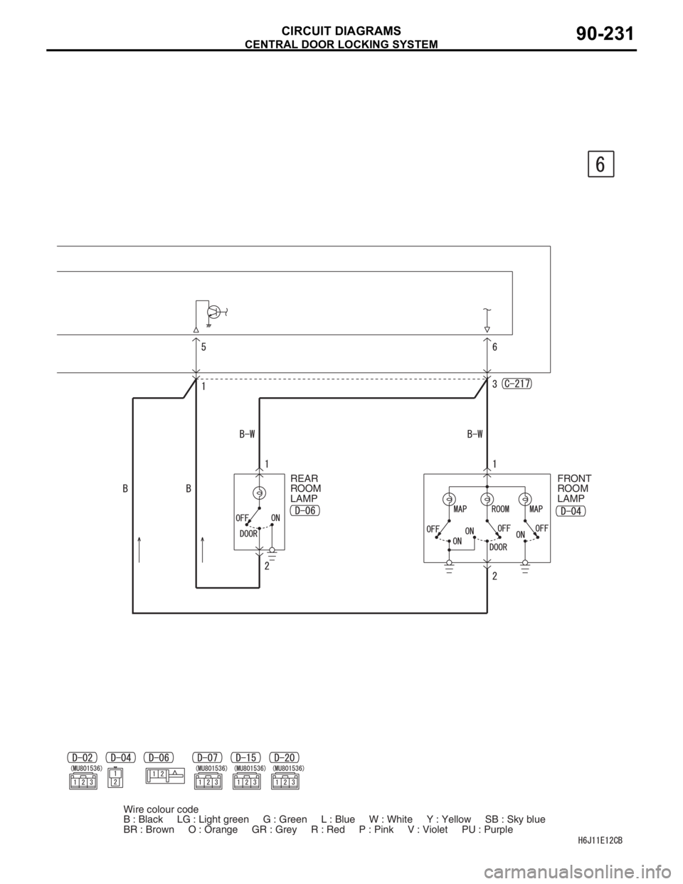
REAR
ROOM
LAMPFRONT
ROOM
LAMP
Wire colour code
B : Black LG : Light green G : Green L : Blue W : White Y : Yellow SB : Sky blue
BR : Brown O : Orange GR : Grey R : Red P : Pink V : Violet PU : Purple
Page 696 of 800
CENTRAL DOOR LOCKING SYSTEM
CIRCUIT DIAGRAMS90-232
CENTRAL DOOR LOCKING SYSTEM
M1901004703354
IGNITION
SWITCH (IG1)
BATTERY
POWER
SOURCE FUSIBLE
LINK1
FRONT
DOOR LOCK
ACTUATOR
(LH) RELAY
BOX
·FRONT
FOG LAMP
·HEADLAMP
·HEADLAMP
LEVELLING
SYSTEM
·REAR FOG LAMP
·TAIL LAMP,
POSITION LAMP,
LICENCE PLATE LAMP
AND LIGHTING
MONITOR BUZZER
·WINDSHIELD
WIPER AND WASHER ·HEADLAMP
WASHER
J/B SIDE