2005 MITSUBISHI LANCER EVOLUTION IX Workshop Manual

Page 257 of 364

MITSUBISHI LANCER EVOLUTION IX 2005  Workshop Manual 3-70CIRCUIT DIAGRAMS - METERS
Fuel warning light, oil pressure warning light, brake warning light, seatbelt warning light
Ignition switch (IG1)
Fusible link
•Windscreen washer /
wiper
•Engine cont

Page 258 of 364

MITSUBISHI LANCER EVOLUTION IX 2005  Workshop Manual 3-71CIRCUIT DIAGRAMS - METERS
Combination meter
Brake fluid
level switchCharging
•ABS
•ACD, AYC 
•ACD (vehicle
w/out AYC)
Engine oil
pressure
switchParking brake
switchDriver’s
seatbelt
switch

Page 259 of 364

MITSUBISHI LANCER EVOLUTION IX 2005  Workshop Manual 3-72CIRCUIT DIAGRAMS - DOOR OPENING / CLOSING CONTROL
DOOR OPENING / CLOSING CONTROL
Power Windows
Fusible 
link 
Ignition switch (IG1)
Keyless
entry
transmitter
Keyless entry
receiver
Diagnosis
conne

Page 260 of 364

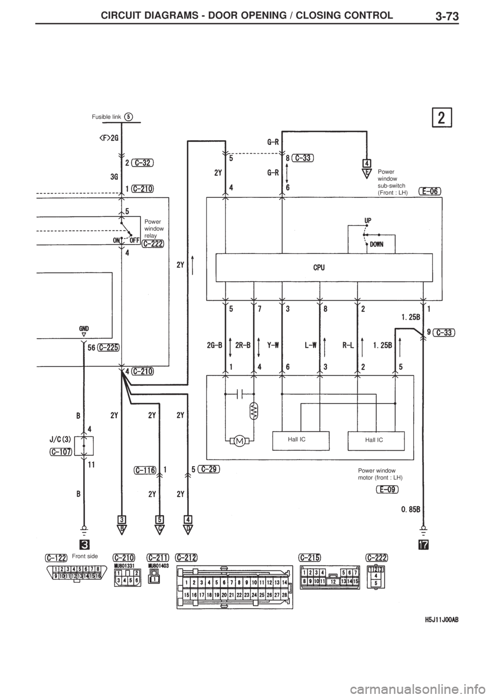
MITSUBISHI LANCER EVOLUTION IX 2005  Workshop Manual 3-73CIRCUIT DIAGRAMS - DOOR OPENING / CLOSING CONTROL
Fusible link 
Power
window
relayPower
window
sub-switch
(Front : LH)
Power window
motor (front : LH)
Front sideHall IC
Hall IC

Page 261 of 364

MITSUBISHI LANCER EVOLUTION IX 2005  Workshop Manual CIRCUIT DIAGRAMS - DOOR OPENING / CLOSING CONTROL
Power windows (cont’d)
Power window motor
(front : RH)(Front : LH)(Front :RH)
Lock switch Power window
main switch Power window relay
Hall IC Hall I

Page 262 of 364

MITSUBISHI LANCER EVOLUTION IX 2005  Workshop Manual 3-75CIRCUIT DIAGRAMS - DOOR OPENING / CLOSING CONTROL
Power window
sub-switch
Power window
sub-switch
(rear : LH) (Rear : RH)
(Rear : LH)Power window relay
Power window
motor 
(rear : LH)
Hall IC
Hall

Page 263 of 364

MITSUBISHI LANCER EVOLUTION IX 2005  Workshop Manual 3-76CIRCUIT DIAGRAMS - DOOR OPENING / CLOSING CONTROL
Power windows (cont’d)
Power window
main switchPower window
relay
Power window
sub-switch
(rear : RH)
Power window
motor 
(rear : RH)
Hall IC Ha

Page 264 of 364

MITSUBISHI LANCER EVOLUTION IX 2005  Workshop Manual 3-77CIRCUIT DIAGRAMS - DOOR OPENING / CLOSING CONTROL
<Notes>